Fórum témák
» Több friss téma |
Fórum » Feszültségmérő átalakítása
Témaindító: csikosgabi, idő: Szept 30, 2006
Témakörök:
Szia!
Köszi szépen az infót. Valóban megjavultak a pontok is, és a műszer is jól mért úgy 3-4 napig. Amikor is a következő problémába ütköztem. Készítettem egy egyszerű +,-5 V -os tápegységet a műszernek, stabkockákból felépítve. Remekül mérte a feszültségeket, egészen addig, amíg meg nem próbáltam 2 műszert üzemeltetni a tápról. (simán párhuzamosan kötöttem a tápfeszt) azóta már külön külön sem használható egyik műszer sem. Azért még az igazsághoz tartozik, hogy mit akartam mérni vele. A topic elején van egy tápegység kapcsolási rajza, és annak a kimenetén a feszültséget, meg a figyelő ellenálláson eső feszt. (a tápegység kimenő áramával arányos) Az eredmény a fent említett állapotra vezetett. Tudom, hogy elvileg nem szabad összekötni két műszer bemenetét. De akkor hogy az -be mérjem meg egyszerre azt a két paramétert?
Nos. Néhány heti kisérletezgetés után kisült, hogy a multkor valamit tönkretettem a külső alkatrészekben, mert a műszer minden különösebb figyelmeztetés (ellenállás vagy kondi csere nélkül) magától átállt a 200mV-os tartományra, azért mutatott olyan furcsa értékeket.
Alapul véve Tom Lord elvi kapcs. rajzát, megrajzoltam egy nyákrajzot, amivel a műszeremet (2V-os alap esetben) egy kapcsolóval át tudom kapcsolni áram mérőről fesz mérőre a kívánt tartományba. Ha esetleg valakit érdekel, majd felrakom a rajzot. Mindenkinek köszönöm a segítséget. üdv: Stanford
Nem tudjátok, hol lehet az a kapcsolás /icl7107-el/, ami kapcsolgatta a méréshatárt automatikussan, ha jól emléxem komparátorral volt megoldva.
nem találom :no:
Ha áramot akarsz mérni feszültségmérővel, akkor mindíg a legkissebb méréshatárt (200mV) használd!
Ui: akkor esik az "árammérődön" a legkissebb feszültség. :yes:
Szia!
Esetleg ezt kerested? http://www.intersil.com/data/an/an046.pdf ha esetleg nem müködne: http://www.intersil.com/data/an/an046.pdf üdv!
Hi! Nem tudna valaki közzétenni egy olyan fesz és/vagy ampermérőt, ami pontos és 6V körüli akkuról megy. Mert a motor töltését kellene őriznie.
![]() Ic vagy led kijelző, ami stabilan működik. Köszönettel: Veréb :nezze:
Szia !
5,5V zöld + Sárga 6V zöld 7,5V zöld + piros felső határt lehet még feljebb tolni. Üdv! R1 560 helyett 470 Ohm kell !
Hali!
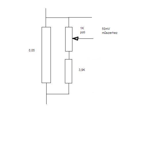
Én is épiteni akarok egy volt/amperméröt és látom van belöle böven.Én ezt néztem ki amit már ti is irtatok http://electronics-diy.com/ICL7107_volt_meter.php De lenne egy nagy kérdése.Itt a 7660 ami ugye a negativot adja valami nem stimmel.A rajzon az 5 és gnd közötti kondi pozitiv fele az 5 láb felé van.Viszont az adatlapon a föld felé.Na most akkor melyik a jo? A másik kérdésem az lenne, hogy amper mérésnél nekem az 5 A határ kellene.De nekem van már egy sönt ellenálás a szerkezetembe ami viszont 0,05 ohmos.Mit kellene változtatni hogy hiteles legyen?Vagy egy poti kellene valahova? Elöre is köszi a segitséget
Az 7660 IC 5 lába negatív. A kondi helyes bekötése, a testre megy a kondi +, a 5lábra a kondi- jelölése.
A0,05ohmos ellenállásra teszel 1kpotit +3,9k ellenállást. üdv.
Lehet hogy hülye a kérdés.De a potinak a középsö lába meg a másik az közösen megy a 10K elenállás alá vagy a másik végén van közösen?
Addigis köszi
A 10K ellenállás, ki kell szedni.
A poti és a 0,05ohmos ellenállás megy IC30 lábra. A poti közepe megy a IC 31lábra. illetve bent hagyhatod a 1M ellenállást, akkor a poti közepe a 1M –ra menjen. A kondit és 10K helyett, 1N4148 tennék, egymással szembe. Védi a IC mérésbe nem szól bele. A potival 0-60mV tudsz beállítani tehát a kijelzőn 0-600 lesz látható ha 5A folyik a 0,05ohmos ellenálláson. Ezt kell neked, 5A-nál a kijelzőn 500 be állítani. Ha -500 mutat vagy az áram irányát fordítod meg ( a 0,05ohmost ellenálláson cseréld meg a vezetékeket ) vagy a IC 30,31 lábát cseréled. üdv.
Oké értem.Csak még az lenne a kérdés hogy ez egy akkutöltő.És ez a 0,05 elenállás változtatásával tudom változtatni a töltö áram nagyságát.Mert igy 4,5A de ha pl.: 0,1 akkor csak 2,5A.De igy hogy párhuzamosan vannak az elenállások ez elméletileg belefog szolni.Nem?Vagy remélem tévedek.
szerintem igen.
Az IC 1999 jelez ki ehhez a bemeneten 199,9mV kell lennie. 5A folyik a 0,05ohmon ez 250mV. Ebből kell 50mV csinálni. Ekkor a kijelzőn 500 lesz látható. Ha nem ugyan az a eredmény jön ki neked, akkor tévedtem, vagy nem tudok számolni. üdv.
Ezt a ellenállást ha változtatód más lesz a mérés. Eléje utána tehetsz akármit. párhuzamosan vele nem. Vagy csak akkorát ami nem szól bele a mérésbe. A 1K+3,9K is bele szól de 0,000005A folyik rajta ezt biztos nem befolyásolja a mérést.
Szia !
Azt nem találom jónak, ahol leveszed a feszt. Pontosabban azt gondolom csak akkor lesz igaz amit mondasz, ha a műszerfelé menő feszt a poti közepéről(ez jó) és a 3.9K és 0.5 ohm oldaláról veszed le. Üdv!
„ha a műszerfelé menő feszt a poti közepéről(ez jó) és a 3.9K és 0.5 Ω oldaláról veszed le.”
Ha 5A ~2000 jelenjen meg a kijelzőn akkor igen. De a cél hogy 5A 500 jelenjen meg. Legalábbis így gondolom, és értettem, nekem ez a logikus. üdv.
Szia !
Idézet: „De a cél hogy 5A 500 jelenjen meg.” Értem mit akarsz, de ahogy a rajzodon van úgy nem a 0,05 ohm -os ellenálláson eső feszt méred. 5A - 500mV ha ezt az osztást szeretnéd akkor 0.1 ohm kell. Másrészt 0.22 ohm 10W -ot szokás tenni és a potit hogy be tudd pontosan állítani. Üdv!
dudzsi írta a 0,05ohmos ellenállást. 5A hajt át rajta ekkor az ellenálláson 250mV feszültség esik.
Ebből te hogy csinálsz 50mV? mert a 50mV a kijelzőn 500 lesz. 199,9mV többet nem tud kijelezni, mert túlcsordul és csak a 1000 jelenik meg nullák nélkül 1¤¤¤. Kíváncsivá tettél. Te, hogy oldod meg. A 0,05ohmos ellenállással, hogy 5A –nál 5,00 vagy 500 legyen a kijelzőn. Kérlek, ne hagyd, hogy hülyén haljak meg. üdv.
Szevasztok. Jelen esetben a mérő ellenállást tekinthetjük egy feszültséggenerátornak aminek a belső ellenállása 0.05 ohm. Erre rápárhuzamositva 1+4kohmot,nem követünk el mérésügyileg főbenjáró bűnt. A műszert pedig az 1kohmos ellenállás két végére csatlakoztatva mérhető az 50mV-ami 200mV-os beállitásban 500 ként jelenik meg.
Szia !
Ja 50mV Az 500 -ra gondoltam, hogy 500mV. Akkor ez igy jó is lehet, csak még azt áruld el, ha tegyük fel 830mA a fogyasztás, akkor az ugye 8,3nV lesz a műszeren. Ez nem lesz alacsony a műszernek ? Üdv!
Nem tudom hogyan számolsz,de nekem a műszer 830 mA áramot 8.3 mA-kén jelenitene meg,ha pedig kikapcsolod a DP-t akkor83 a kijelzett érték.
Ezt a kapcsolást nem készíttetem el. De ICL7106 és 07 tel is több kapcsolást készítettem.
a tapasztalatom hogy a egyeseknél lévő számok változnak 3-4 digítet. Tehát nehéz lesz eldönteni, 5000mA vagy 5040mA és ez a leg rosszabb eset. Egyébként, a váltások +/-199,9mV történek. Ekkor a kijelzőn +/-1999 lehet olvasni. Más ellenállás kell, vagy erősítő. De a kérdés, nem ez volt. Íme: Idézet: „A másik kérdésem az lenne, hogy amper mérésnél nekem az 5 A határ kellene.De nekem van már egy sönt ellenálás a szerkezetembe ami viszont 0,05 Ωos.Mit kellene változtatni hogy hiteles legyen?Vagy egy poti kellene valahova?” Ha nagyon akarom bonyolítani, eltolom a test pontot. Teszek be egy erősítőt és akár +/-1,999mA pontossággal is kijelzem. Ekkor 5A -nál a kijelzett érték 000 és amivel eltér ettől azt látod. Idézet: „Akkor ez igy jó is lehet” Nem értem. Most jó, vagy nem jó, áruld el?
Szia !
Idézet: „830 mA áramot 8.3 mA-kén jelenitene meg,” Igen egyértelmű, csak elírtam a m-t n -ek Üdv!
830mA a kijelzőn, ami a 5A mutatja, 0,83 fog megjelenni. Amihez a 8,3mV bemenő feszültség tartózik.
üdv.
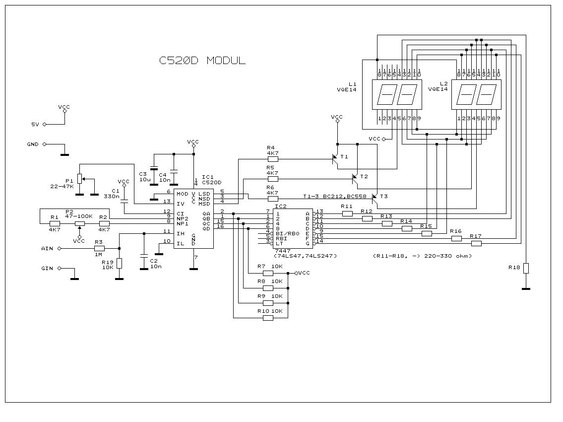
Köszönöm mindenkinek a segitséget.Még egy olyan kérdésem lenne hogy tudtam szerezni a képen látható voltméröt.Az lenne a kérdés hogy meglehet e ampermérönek csinálni ugyanugy ezzel a 0,05 ohmos ellenállásal.Mert van ebböl 2 db az egyiket már megcsináltam voltmérönek 100 V méréshatárral.Probáltam a 0-1 V mérés határt mert ugye ez kellene az amperméréshez de ez csak nekem 0.1 ohmos söntön sikerült 0,05 nél nem tudtam ugy állitani hogy a tényleges ampert mutassa.Mit lehet tenni hogy jo legyen.Ha egyátalán lehet valamit csinálni.Hát ha nem akkor épitem a másikat.A leirását is csatolom.
Elöre is köszi mindenkinek
Be tudod mérni hogy AIN és GIN bemenetre feszültséget adsz milyen kitérés tartozik hozzá.
1V bemenet a kijelzés 1000? Mikor csordul túl? Benne van a feszültség osztó (R3:R19) üdv. |
Bejelentkezés
Hirdetés |




-be mérjem meg egyszerre azt a két paramétert?


A másik kérdésem az lenne, hogy amper mérésnél nekem az 5 A határ kellene.De nekem van már egy sönt ellenálás a szerkezetembe ami viszont 0,05 ohmos.Mit kellene változtatni hogy hiteles legyen?Vagy egy poti kellene valahova?
Elöre is köszi a segitséget 






