Fórum témák
» Több friss téma |
Sziasztok,
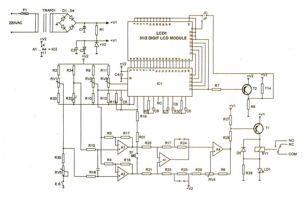
A segitsegeteket szeretnem kerni,meg epitettem a mellekelt homerot de az a gond vele,h a kijelzon csak egy 1-est mutat es hiaba csavargatom a potikat nem valtozik.Lemertem az UA741 labain a feszultseget: 2es3lab: 4.9v 4lab: -3.5 6lab: 4.4v 7lab: 5.0v Lehet h ez az IC hibas?
Emlékezetem szerint ez a pozitív irányú túlcsordulás jele...
Es ezt mi okozza?mi nem mukodik rendesen?
Hello!
Valaki meg tudna mondani h ez a rajz igy jo?mert en ezt meg epitettem es nem mukodik es mar tobszor is at neztem,de a rajzhoz kepest nincs benne hiba. A valaszt elore is koszonom.
Egyszerűbb lenne, ha egy kapcsirajzot tennél fel...
Igen tudom csak azt mar elvesztettem,de most utana kerestem itt a forumon es meg talaltam!
Az ICL nagyon érzékeny a gyanta és egyéb maradványokra a nyákon. Lehet egy alapos nyák takarítás segítene.
Ebben a hozzászólásban (#903863) proli007 kiválóan leírta / mindannyian köszönet érte /, hogy hol, milyen feszültségeket kell mérni.
Ha valami nem egyezik, akkor meg kell keresni, mi.Lemostad-e a panelt,az előírt alkatrészeket építetted be, jók-e a forrasztások.... Üdv: Csupasz
Ok,koszi,akkor atnezem porli007 hozzaszolasat es az utan ellenorzom az ertekeket.
sziasztok,
megepitettem én is egy J-51 elnevézésü készletben kapható hőmérőt és az a gondd vele, hogy középállásbn mindkét poti -65 .. és bármit csinálok vele -10 fölé nem tudom állítrani .. valakinek valami jó ötlet, hogy mi lehet a hiba?
Sziasztok,
Tud valaki olyan kapcsolást, ami 0-1000Celsiusig mér 0,2 pontossággal? Ipari környezetben? Hőelemmel gondoltam a megvalósítást, ahogy elnézem, csak azt lehet használni, ekkora hőmérsékleten.
Üdv ennek a ledes hömérönek van rajza valakinek?
Ha az előtte lévő hszt is elolvastad volna ,tudnád hogy csak nekem van meg a terv és a hex mivel teljesen saját fejlesztés .
Sziasztok,
nos mivel senki nem válaszolt a J51-es kérdésemre, megépítettem az itt közétett hőmérőt már kb 1 hónapja, és tökéletesen működik azóta is. Az érzékelőt egy vékony alucsőbe csúsztattam mert igencsak érzékeny volt de azóta nagyon jó. Köszi mindenkinek hogy megosztotta a tapasztalatait. Üdv, Peti.
Üdv.
A mellékelt nyákterven a HOM+ és HOM- pontokra mit kell kötni? Gondolom valami hőérzékelőt. Na de mégis mit?
Szia. lene egy kerdesem. hogy ezt a homerot forraszot allomasba homerokent lehet e hasznalni?
Amennyiben 150°C-os pákahőmérséklettel szoktál/tudsz forrasztani, akkor semmi akadálya sincs
![]() A rajzon szerepel, hogy a mérési tartomány -50-től 150°C-ig terjed.
Es ha a paka termoellenalasat hasznalnam? vagy azal nem megy?
A hivatkozott kapcsolás egész biztosan nem működik vele, ott ugyanis a hőérzékelő egy szilícium dióda.
Sziasztok! 7 szegmenses hőmérőt szeretnék építeni tud nekem valaki segíteni? Nyákrajza is érdekelne! És a hőmérséklet mérési tartománya.
Köszi!
Itt, kapcsolások rovatban számtalan van. Keress rá légyszi, ha időd engedi.
Üdv mindenkinek. Ki találkozott ezzel a sorozatgyári KITT kapcsolással?
Sziasztok!
Tud valaki segíteni olyan pic-es hőmérő építésében ami biztos hogy jól működik? Sokat átnéztem a rajzok között de a leírásokban mindegyikben van valami hiba azt írják. A hőmérőnek a mérési tartománya -50 - +150 c kellene lennie.És ha lehetne a celsius jelet is kiírhatná. Előre is köszönöm!
Szia! Azért nem találtál megfelelőt mert a legtöbb hőérzékelő nem tudja ezt a széles skálát biztosítani csak részben, vagy a -50 fokot tudják vagy a 150-et és csak nagyon kevés szenzor tudja ami neked kellene. AD22100KTZ szenzorral felépített áramkört keress ez elvileg tudja a -55- + 150- ig mérni a hőmérsékletet.
Én csak azt szeretném megkérdezni, hogy mit fogsz mérni vele? Vagy valami univerzális hőmérő lesz, ami a fagyasztó kamrába és a konyha sütőben is mér?
Szia!
Autóba szeretném motor hőfokmérőnek! Az eredeti hőfokjeladó mellé raknám ennek a jeladóját a motor blokkba.A minusz hőfokot azért szeretném hogy mérje, hogy lehessen látni télen a blokk milyen hőfokú indításkor! Piros Led kijelzőset akarnék építeni hogy világítson sötétben,és beépíteni a műszerfalba.
Szia!
AVR-es nem jó? Attiny2313+DS1820 tud -50 +125 között mérni, bár a C-t nem jelzi ki. Egyszerűbbet nem találsz! Bővebben: Link |
Bejelentkezés
Hirdetés |













