Fórum témák

» Több friss téma
Fórum » PLC kérdések
 
Témaindító: Thomas10100, idő: Nov 12, 2005
Témakörök:
Lapozás: OK   40 / 130
(#) vilmosd válasza Mikkencs hozzászólására (») Márc 11, 2012 /
 
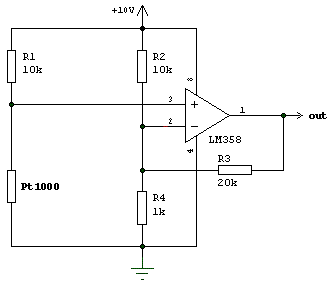
Nem termeszetesen. Az erzekelok kimenete 10 mV/c meredeksegu, tehat 100x10 mv = 1000 mV =1 V. Ennyi lesz a teljes skalad. De nem ertem miert gond azt az erositot megcsinalni (megcsinaltatni). Egy csatorna kijon 1000 Ft alatt, mig egy Pt100 tizen x ezer forint. Ajanlanam az altalam keszitett kapcsrajzot elkesziteni. A LM35 nem illeszkedik ehhez a rajzhoz. Csak a TC1047A vagy MCP9700A jo hozza. A CHPCD arulja ezeket az erzekeloket valami keves penzert. A MCP 70 Ft, a pontosabb TC1047A 141 Ft (+ifa). A LM358 OPA kb 30 Ft, plusz meg egy par ellenallas, panel, csokik, egy kis munka es mar mukodik is.
(#) Strucc válasza vilmosd hozzászólására (») Márc 11, 2012 /
 
A Pt100/1000 érzékelők ipari kivitelűek, teljesen más kategória mint egy beépítendő, alkalmazandó elektronikai termék... Kezdve a szabvány beépítéstől a csereszavatosságig...

Ezt egy sokkal hosszabb téma lenne kifejteni. Csak pár szempont:

Az említett elemek általában áramköri lapok, készülékdobozok diagnosztikai hőmérésére lettek kitalálva - elég necces pl. őket egy rézcsőhöz, vagy tartály falhoz illeszteni. Természetesen az összes meglévő áramkör PT100/1000-hez van kitalálva, elsősorban pl. azért, mert az érzékelők gyakran több 100m -re vannak a vezérlőtől.

... és sok, sok minden más: néha a tradícióknak is megvannak az előnyei.
(#) vilmosd válasza Strucc hozzászólására (») Márc 11, 2012 /
 
Mint mondottam volt 20 evig dolgoztam olyan iparban ahol uzemszeruen mertunk homersekletet. Ugy kb 1450 C volt a legmagasabb homerseklet. Nem kell elmondani milyenek is az ipari erzekelok(es milyen dragak). Mi javareszt PtRh-Pt hoelemet hasznaltunk a magas homerseklet miatt, de termeszetesen az erzekelok teljes skalaja megtalalhato volt az uzemben. Viszont itt a kollega szeretne valami olcso megoldast talalni tobb csatornas homerseklet meresre. Persze a kollegak rogton talaltak kivalo megoldast, de ha az arakat nezzuk akkor ezt csak egy olyan ipari ceg tudja megvenni, akinel nem szamit 1-2 millio forint. Csak egy Pt100 erzekelo tizen x ezer forint. A Pt-> 1-10V atalakito huszon-harmincezer Ft. Csak egy csatornara. Akkor meg jonnek a sallangok, ugymint kabelek, kabelezesi munkak, stb stb. Viszont az en megoldasom tizedennyibol kijon. Az erzekeloket meg lehet csinalni hasonloan ipari kivitelben, mint a gyari Pt100. Az erositoket szinten le lehet gyartani profi modon. Akkor miert problema ha valaki az olcsobb utat valasztja? A megbizhatosaga ennek a rendszernek is lehet jo, ha lelkiismeretesen csinaljak meg. Ezzel a rendszerrel is lehet tobb 100 meterrre tenni az erzekelot, sooot .. Itt feszultseget kell elvinni, es nem ellenallast merni a 150 meters kabel tulvegen, tehat a kabel ellenallasa nem befolyasolja a merest.
Meg valami a tradiciokrol. Akkor ha Pt100, akkor alkalmazzunk inkabb kereszttekercses muszert a homerseklet kijelzesere, mert ez is tradicio . Tudom komolytallannak vesznek ha egy ipari beruhazasnal nagyon alacsony az arajanlat (mert nem lehet lenyulni a koltsegvetesbol). De nem minden nagyipari beruhazas. Vannak bizony koltsegerzekeny beruhazasok is. Ott minden fillernek megnezik a helyet.
Amugy a kedves kerdezo kollega ugy csinalja ahogy neki tetszik, en csak egy masik utat probaltam bemutatni.
(#) Szirty válasza vilmosd hozzászólására (») Márc 11, 2012 /
 
Hali!

Én nem akarok pálcát törni a vitában, de véleményem azért van a dologgal kapcsolatban.

"Amatőr" megoldásnak sose volt nagy jövője ipari környezetben, ahol a berendezés pár perces leállási is 10x vagy 100 nagyobb kárt okoz, mint amennyibe egy drága, de bevált ipari megoldás került volna.
Ezt teljesen biztosan állíthatom.

Szerintem nem azért terjedt el az iparban a Pt100 mert qrvadrága és mert a pénz nem számít. Dehogy nem számít. csak vannak bizonyos szempontok, amik mások.

Azt nem tagadom, hogy "amatőr" megoldás is lehet minden szempontból profi és megbízható is. De akinek a szakmához van valami köze könnye belátja, hogy a többség bizony nem ilyen. Szerintem ez nagyon komoly érv ellene.

Ha profi és mindenre kiterjedően megfelelő eszközt sikerül alkotni amatőr módszerekkel, akkor már nem is lesz olyan olcsó az a megoldás.
Az ilyen összehasonlításokban szinte mindig elkövetik azt a hibát, hogy nem törődnek a készülék kivitelével és azzal, hogy az elkészítésére szánt munkát is ki kell fizetni (bár éljenek akik ingyen dolgoznak).
Ez nem elhanyagolható, mert egyedi prototípus kifejlesztése és elkészítésének munkadíja jellemzően meg szokta haladni az anyagárat.

A profi amatőrök meg azért nem nyernek jelentős teret ebben a versenyben, mert egyrészt kevesen vannak, másrészt elmennek dolgozni azokhoz a cégekhez akik ilyen eszközöket gyártanak drágán
(#) vilmosd válasza Szirty hozzászólására (») Márc 11, 2012 /
 
Persze igazad van ezekkel a dolgokkal. En nem azt mondom, hogy az ipari kategoriaju keszulekek nem erik meg az arukat. En is terveztem ilyen keszulekeket, amit a MEEI minositett, majd exportalas elott meg a MERT is bevizsgalt. Viszont mint irtam az elobb az ipari nagyberuhazasoknal nem szamitott a penz, viszont aki csak sajat celra szeretne olcsobb dolgot kihozni, ott mar van helye az un. "amator" munkanak. En is csinaltam a ´90-es evekben "amator" takarmanykevero vezerlest, ami a mai napig mukodik. A gyari 10x aru lett volna es ket evet kellett volna ra varni. De mint mondtam, en csak egy masik iranyt probaltam megmutatni. Nem kotelezo ezt kovetni. Ha a penz nem szamit akkor gyi. Koltsuk.
(#) Mate78 válasza vilmosd hozzászólására (») Márc 11, 2012 /
 
Épp most építek egy olyan szabályozót amiben 6db MCP9700 a hőmérő szenzor, 15m-es kábelen vannak, 1 fok pontossággal jól lehet mérni vele.A jelfeldolgozást mikrokontroller végzi.
(#) vilmosd válasza Mate78 hozzászólására (») Márc 11, 2012 /
 
En is csinaltam egy parat. Egyeduli dolg amire figyelni kell, hogy a tapot az IC labanakl szurni kell es a kimenettel sorosan kell egy 1k ellenallas.
(#) kameleon2 válasza Szirty hozzászólására (») Márc 11, 2012 /
 
Idézet:
„A siemens-nek pl. vannak ilyen tanfolyamai igaz nagyon drága, de részletes és mély ismeretanyagot ad. Rendesen fel kell kötni a gatyát hozzá!”

Írtad. Igen ez minden bizonnyal így van, hoszen el akarja adni a saját termékeit, nem árt ha valamit ad is hozzá..... De ettől általános dolgokat nem - csak célspecifius információkat fog kapni. Ezért nem ér semmit a tanfolyammal szerintem. Persze 1 plc- ről rendelkezhet minimális tudással. A buszrendszer nem plc. Az már egy kommunikáció több plc, vagy plc és terepi modulok között. A buszhot már eleve több eszközre van szükség és a plc ismerete nélkül buszos rendszernek ugrani botorság - nem bátorság. Persze- nyilván SCADA-val is kezdhet az ember, csak lukra fog futni párszor, mire megérti, hogy nem a tető felől építjük a házat.
(#) Szirty válasza kameleon2 hozzászólására (») Márc 11, 2012 /
 
Hali kameleon2!

Idézet:
„De ettől általános dolgokat nem - csak célspecifius információkat fog kapni. Ezért nem ér semmit a tanfolyammal szerintem.”


A PLC-kről nem lehet általánosságban részletes információt átadni.
Vagy igen részletes infót ad át valaki, de az nem lesz általános, mert a specifikus dolgok csak arra a PLC-re vonatkoznak, amiről a tanfolyam szól, vagy ha általános akar maradni, akkor képtelen részleteket megtanítani, mert a részletek minden esetben gyártó specifikusak.

Márpedig a lényeg a részletekben van itt is.

Van pl. mikrovezérlőkkel foglalkozó olyan általános tanfolyam, amelyik elvégzése után mindegyikhez messzemenően érteni fog az illető?
Vagy mindegyiknek van valamilyen lényeges sajátossága, amelyik nem érvényes a másikra, pedig annak is van lényeges tulajdonsága, de az sem érvényes egy másikra?
(#) kameleon2 válasza Szirty hozzászólására (») Márc 11, 2012 /
 
Ha lenne mikrovezérlőkről szóló általános tanfolyam, ott valószinűleg arra tanítanának meg, hogy Mi az a közel 1000 féle hiba amit mindegyikkel elkövethetsz. Ha ezeket elkerülöd, megírhatod életed első led villogtató programját PLC-knél is azért volna - amit nem ártana mindjárt a legelején általánosságban is elmondani: Például, hogy ne feltétlenül OMRON PLC-vel akarj 2 ledet villogtatni, mert 1.) drága 2.) össeomlik a PC-d a pilótavizsgás szoftver feltelepítése után. 3.) Ez ágyúval verébre kategória. Azaz egy általános áttekintés segíthetne abban, hogy az ember ráébredjen - minden feladatnak megvan a maga intelligens reléje, PLC-je. Na ezt biztosan nem mondják el pld egy S7-es tanfolyamon, mert az a lényeg, hogy minél többet adjanak el belőle, nem az, hogy használni tudd.. Miközben a napi feladatok 90%-a megoldható lenne egy Phoenix Contact nLC-vel is, ami a töredékébe kerül és csak kis felhőcskéket kell összehuzogatni hozzá, nem kell a létrával bűvészkedni. Amit egyébként leírtam az előző hozzászólásomban, azt mind el lehet mondani általánosságban a PLC-kről. Tudnék egyebet is, de arra lehet, hogy egy szép cikk lenne az igazán elegáns megoldás.
(#) kameleon2 válasza Szirty hozzászólására (») Márc 11, 2012 /
 
Még egy megjegyzés a témához kapcsolódóan. Lehet, hogy érdemes lenne egy olyan témát is feldobni: milyen feladatot melyik PLC-vel? Ebben ki lehetne vesézni az általánosságokat és a sajátosságokat is. Persze ez is elférne egy szép cikkben, csak ott nehezebb az aktualizálás.
(#) Szirty válasza kameleon2 hozzászólására (») Márc 11, 2012 /
 
Hello kameleon2!

Idézet:
„Azaz egy általános áttekintés segíthetne abban, hogy az ember ráébredjen - minden feladatnak megvan a maga intelligens reléje, PLC-je.”


Annak ellenére, hogy a PLC-k részleteiben különböznek egymástól, ugyanarra a feladatra készülnek! Szerintem kijelenthető, hogy ugyanazt a feladatot oldják meg, különböző módon.
Persze ezt nem úgy kell érteni, hogy egy omron CPM1 is elbánik egy gyártósorral, hanem úgy, hogy minden gyártónak ugyanaz a célja azokkal az eszközökkel, amiket PLC-nek nevezünk.

Idézet:
„PLC-je. Na ezt biztosan nem mondják el pld egy S7-es tanfolyamon, mert az a lényeg, hogy minél többet adjanak el belőle, nem az, hogy használni tudd.”


Biztosan nem mondok újat azzal, hogy minden gyártó alapvetően a profitból él.
Aki azt sem tudja hogy kell LED-et villogtatni vagy hogy mi az a PLC, az ne menjen siemens S7 tanfolyamra, mert semmit nem fog érteni belőle.
Ha azonban egy gyár Siemens PLC-kkel működik, vagy a feladatokat azzal kell megoldani, az menjen el Siemens tanfolyamra, mert nagyon mély szakmai ismeretet adnak át. Hogy milyen érdekből teszi, az nem érdekes az ügy szempontjából, ez egyszerűen tény.
Ugyanezen a helyen egy PLC tanfolyamos OKJ papírral kevesebb lenne az esélye azt gondolom és erre próbáltam rávilágítani.

Attól, hogy van ilyen Siemens tanfolyam, még nem kell jelentkezni rá. Aki utálja vagy nem hisz benne ne menjen oda.
(#) Szirty válasza kameleon2 hozzászólására (») Márc 11, 2012 /
 
Hali kameleon2!

Bármelyiket bármelyikkel.
(#) Mikkencs válasza vilmosd hozzászólására (») Márc 11, 2012 /
 
Köszönöm a HASZNÁLHATÓ! segítséget! A hibát ott követtem el, hogy a millivoltot rosszul váltottam át.
Most már világos a dolog, midenképpen a kapott két rajz közül választok, vagy kipróbálom mind a kettőt.
A PT100 érzékelő adott volt mert van viszont nem is gondoltam volna, hogy más megoldás is van ugyan is akitől az infót kaptam nem említette. Remek ez a lehetőség , hogy a magamfajta érdeklődő is tud tanulni!
(Bár érdemben használható segítséget eddig csak "vilmosd"-tól kaptam amiért hálás köszönet!)
A PLC-t saját gépészetemben szeretném munkára fogni a sok csőtermosztát helyett.
Üdvözlettel
(#) kameleon2 válasza Szirty hozzászólására (») Márc 11, 2012 /
 
Háát..... véleménykülönbség van közöttünk. Nekem például nagyon nem mindegy, hogy mennyi erőforrást kell egy-egy feladatra áldoznom a programozó PC-mből is. Illetve mekkora anyagi ráfordítással lehet megoldani egy-egy feladatot. Esetleg az adott projekt visszaolvasható-e vagy sem egy adott típusból, netán klónozható-e vagy sem. Az is szempont lehet, hogy hányféle egyéb csatlakozási lehetőség közül lehet választani, vagy milyen felületről monitorozható, ha monitorozható egyáltalán. Ezért nem tekintem egyformának ezeket. Nem beszélve az ipari, az épületfelügyeleti, vagy éppen a gépészeti célfeladatok ellátására szakosított PLC-kről...
(#) Szirty válasza kameleon2 hozzászólására (») Márc 11, 2012 /
 
Helló kameleon2!

Idézet:
„Ezért nem tekintem egyformának ezeket.”


Részleteiben különbözőek, globálisan azonos feladatkörre szánták őket.
Így az egyes gyártók azonos kategóriájú típusai között nagyon nagy az átfedés.
(#) Strucc válasza vilmosd hozzászólására (») Márc 11, 2012 /
 
Idézet:
„az elobb az ipari nagyberuhazasoknal nem szamitott a penz, viszont aki csak sajat celra szeretne olcsobb dolgot kihozni, ott mar van helye az un. "amator" munkanak.”


Én pont erre szeretnék rácáfolni. Elég reménytelen ugyan, de... megpróbálom.

Egyrészt, ha valahol, akkor az ipari beruházásoknál számít a pénz. Pont ott számít a tervezés ötletessége, a konstrukció. Sajnos, ma ezekre a területekre szorult vissza a VALÓDI mérnöki munka, és kicsiny hazánkban egyre kevesebb ilyen van. Tehát, az említett megoldásokat (Pl. PT100) pont a gazdaságosság szülte.

Ugyebár az eredeti kérdés az volt: Hogyan lehet PLC-hez PT100-at illeszteni... Nos: Ha arról van szó, hogy össze kell "barkácsolni" egy célberendezést, ami hőmérséklet alapján vezérel... Persze, az ember fogja a katalógust, a forrasztópákát.. Még csak programozni sem kell hozzá.

Azzal, hogy a kérdező utalt a PLC-re, valamelyest azt is kifejezte, hogy... rugalmasságra, átláthatóságra vágyik... És igen. A PLC világ szabványosított ki és bemenetek tetszőleges logikai kapcsolatáról szól. És itt el lehet kezdeni trükközni: De még az ipari Pt/0-10V átalakítók sem arra lettek kitalálva, hogy pl. épületautomatikában ezeket nagy mennyiségben használják. Egy DDC általában alapból rendelekezik hőmérséklet bemenetekkel... Gyakran kombinálva az épületautomatikában használatos Offset jellel... Bah, de olyat is láttam, hogy egy fűtőellenállás van beépítve a termosztátba, hogy időprogram szerint kiiktathassa a fűtést...

Mindegyis. Szóval a spéci megoldásokhoz én nem használnék PLC-t... akkor már inkább egy PIC, megfelelő bemenetekkel, megfelelő érzékelőkkel stb, stb... Másfelől viszont egy PLC-hez nem illesztenék nem szabványos eszközöket... Nem arra való...

(Egyébként mindemellett egyre vékonyodik a határvonal a PLC-k, és az alacsony szinten programozható vezérlők között: ma rengeteg olyan akár "házilag" összerakható platform van, ami pl., CoDeSys-szel programozható).
(#) Strucc válasza kameleon2 hozzászólására (») Márc 11, 2012 /
 
Még talán egyetlen dolog a témához:

A PLC világban éredemes megfigyelni, hogy szinte minden gyártó egy "palettát" kínál. Azaz: vannak "programozható relék", kompakt PLCk, moduláris, nagyteljesítményű PLCk, elosztott I/O kiszolgálók... stb. Ha összehasonlítjuk a gyártók katalógusait, valójában manapság... hm... nagyon kevés különbséget találunk. Még a programozási nyelv is szabványos. ... ööö... illetve ebbe az irányba tart a komolyabb esetekben.

Tehát: amiben esetleg segíthet a tanfolyam, az az, hogy pár napot csak ezzel a témával töltesz, és nem a mindennapos feladatok emésztenek. Meg talán pár ötletet ad. De ha szeretnéd megtanulni, töltsél le pár fejlesztőprogramot (pár gyártónál szabadon hozzáférhető), és próbálj meg valós problémákat megoldani...

(És mindemellett próbálj betekintést nyerni meglévő üzemekbe, és főleg azok dokumentációjába, megérteni a PLC világ szokványos megoldásait, sematizmusát) ( És persze, ha fiatal vagy, találj ki valami jobbat )
(#) DaJoker válasza vilmosd hozzászólására (») Márc 12, 2012 /
 
Hello!
Nekem is épp ilyenre van szükségem. Mi a teendő, ha -40 °C-tól szeretném 60 °C mérni a hőmérsékletet? A kimenet pedig továbbra is 0V-10V-ig változzon 0.1 V-os felbontásban?

Válaszodat köszönöm előre is.

Üdv.:
István
(#) kameleon2 válasza DaJoker hozzászólására (») Márc 12, 2012 /
 
Ez esetben a Microchip cél IC-i között keresgélj például 0-10V -os megoldásokat. Én propeller P8x32-t használok, ahhoz egy lehetséges megoldás a bemenetre és a 0-10V előállítására a mellékletben. Én a pt1000-el egy 1kOhm-ot sorbakötöttem és megtápláltam a rendszer 24V-ról egy 7810-es stabkockán keresztül. Így most kellően megfelelő a felbontása számomra, de azt PLC-vel értékelem ki és csak 1°C felbontású - igaz ez beállítás kérdése a PLC szoftverében, de max 0,3 fokos felbontást tud a PLC A/D-je. Maga a PT 1000 tudja amit kérsz. láttam a minap -60 +400 fokig dolgozó változatot.
(#) vilmosd válasza DaJoker hozzászólására (») Márc 12, 2012 /
 
A PDF 2. oldalan a tapban a R2=4k7, R3= 100 ohm, P1 = 220 ohm es a Vbias 100 mV-ra beallitani. Igy az erosito nullpontja 100 mV ami a szenzornal -40 C-nek felel meg. A 10 V- hoz tartozo fesz 1,1 v, azaz 60 C lesz. Lenyeges hogy az ellenallasok jo minoseguek legyenek.
(#) DaJoker válasza vilmosd hozzászólására (») Márc 12, 2012 /
 
Annyi kérdésem lenne még, hogy ez a tápegység állítja elő az 5 V-ot, és a 15 V-ot?
Ha van DC12V-om, akkor tulajdonképpen csak annyiban változik a kapcsolás, hogy nem kell az egyenirányító?
Köszönöm a segítséget, és elnézést a gyermeteg kérdésekért.
(#) vilmosd válasza DaJoker hozzászólására (») Márc 12, 2012 /
 
Lehet termeszetesen alkalmazni, csak van egy komoly problema A LM358 max kimeneti fesz a V+-2 volt. Tehat 12 V alkalmazasaval a 10 V kimenofesz nagyon necces. Lehetne alkalmazni az erositoben TLV272 OPA-t mert az RaitoRail tipusu es igy a kimenet majdnem taptol tapig megy.
(#) DaJoker válasza vilmosd hozzászólására (») Márc 12, 2012 /
 
Értem. Illetve csak bólogatok, mert nem értek hozzá.

Úgy gondoltam elegendő a tápegységes kapcs. rajznál annyi átalakítás, hogy kiveszem a 4 diódát az elejéről és direktben adom rá a 12 VDC-t. Ez butaság lenne?
(#) Hsanyi79 hozzászólása Márc 12, 2012 /
 
Üdvözletem az uraknak. Az alábbi kérdéssel fordulnék hozzátok: Wonderware InTouch-rol keresnék leirást, szeretném kicsit beleásni magam a program rejtelmeibe. elöre is köszönöm a válaszokat.
(#) vilmosd válasza DaJoker hozzászólására (») Márc 12, 2012 /
 
Ez igy termeszetesen mukodik, csak amit az elobb elmondtam az OPA-val kapcsolatban az ervenyes. Marmint hogy kicsit keves a tap a 10 volt komeneti feszhez.
(#) DaJoker válasza vilmosd hozzászólására (») Márc 12, 2012 /
 
Tehát az LM358-akat lecserélve OPA- ra jó megoldás kapható?
Esetleg kellene máson is módosítani?
(#) vilmosd válasza DaJoker hozzászólására (») Márc 12, 2012 /
 
OPA = muveleti erosito LM358, TLV272, SN72747, uA702 mind OPA azaz muveleti erosito. Mast nem kell modositani. Megepited foglalattal es kiprobalod LM358-al, majd kiprobalod TLV272-vel a teljes -40 -> 60 C tartomanyban. Amennyiben kijon linearisan a teljes tartomanyban mar jo is.
(#) DaJoker válasza vilmosd hozzászólására (») Márc 12, 2012 /
 
Há igen, a jártasságom kiütközik. Köszi szépen a segítséget. Ha kipróbáltam és működik, jelzem.

Jóéjt!
(#) ipijani hozzászólása Márc 15, 2012 /
 
Üdvözlök mindenkit!
Segítséget szeretnék kérni.
Van egy 8csatornás analóg bemeneti modul (Siem SM331).
Az egyes csatornákon különböző forrásból származó feszültségeket kellene mérni.
A probléma az, hogy ha rákötöm a PLC bemenetét a kikapcsolt állapotú mérendő berendezésre, akkor az analóg bemenet rögtön felveszi a max. értéket (7fff).

Persze, ha a bemenet egyik végét lekötöm a táp negatív felére, akkor egy feszültséget tudok mérni, de az összes többit nem köthetem rá, mert a különböző feszültség forrásokat galvanikusan összekötném.

Egyáltalán, egy modulra köthetek-e különböző feszültség forrásokat?

Esetleg megoldás lehetne-e, ha minden bemenetet egy jel leválasztóval kötnék be?
A segítséget előre is köszönöm.
Következő: »»   40 / 130
Bejelentkezés

Belépés

Hirdetés
XDT.hu
Az oldalon sütiket használunk a helyes működéshez. Bővebb információt az adatvédelmi szabályzatban olvashatsz. Megértettem