Fórum témák
» Több friss téma |
Fórum » Feszültségmérő átalakítása
Témaindító: csikosgabi, idő: Szept 30, 2006
Témakörök:
Ha ráadok az AIN és GIN ra ráadom a 0,053V akkor 048-054 között ugrál.Az 1V-os méréshatárnál 999 a kijelzés.Az R3:R19 nincs berakva.De hogy fog tényleges ampert mutatni 0,05 ohmosnál ha nemtudom feltuningolni a kijelzett értéket a duplájára?
Tudsz egy műveleti erősítőnek teljesen független tápot adni ( galvanikusan nem lehet kapcsolatba a meglévőkkel ) +/-5V/20mA ?
Esetleg próbáld meg a P1 potit tekerni ezzel a erősítést állítod be, változni fog a 1V bemenetre a kijelzett érték. Lehet hogy ellehet csavarni addig. A bemenetre 0,25V a kijelzőn 500 legyen, ha ez nem sikerül, akkor kell, a műveleti erősítő. A két kijelzőnek, a testpontja, egy ugye? Ha nem a feszmérőt szedd ki. (húzd le a tápról) üdv.
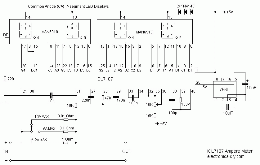
Hát a P1 ha tekergetem akkor olyan sokat nem tudok állitani rajta.Még egy tápot meg nem akarok belerakni.1 már van benne (2X9V táp) amiröl az 5V kapja és van ott még egy 5V kimenet.Szoval egyszerübb ha a ICL7107 csinálommeg.De köszi a segitséget!Egyépként nincs valakinek erre 1 oldalas nyontatott áramköri rajza?Lentebb látható melyikhez.Mert a készitöje oldalán nincsen.
Csá all
Az lenne a problémám, hogy vettem 2 alapműszert (feszültség és áram mérésére is alkalmasak) Az egyikből fesz a másikből pedig áram mérő lesz.. Kép a készülékről A kérdéseim: Hogyan kell az előtét illetve a sönt ellenállásokat bekötni (és mennyi legyen ezeknek az értéke)? Lehet e őket közös tápról üzemeltetni? Melyik 2 pont között kell megmérni a belső ellenállását és ezt ki vagy bekapcsolt állapotban tegyem e meg? használati útmutató Ebben benne vannak a műszaki adatai. Max: 35 V-t illetve 2 A-t szeretnék velük mérni ( a belső ellenállását nem tudom mert mikor rátettem a multimétert meg sem nyikkant...) ( de lehet rosz helyre tettem... :S) Előre is köszönöm
Hali
0,1 ohmos 5W ellenálást rakjálbe sorosan.A két lába közt annyi tized vagy század volt lessz amennyi amper.Tehát 0.2V az 2A.Nálad nemtudom hogy 2V mérés határnál mit mutat?1999 vagy 200?De gondolom 200.Már csak a tizedes pontott kell beraknod a 2es mögé és máris 2.00A a mutatott max.A belsö ellenálás az miértis kell?Mert ha ampermérés miatt akkor mindegy.Vagyis annyi van hogy a potival behitelesited.A voltmérés meg ugyan ugy mint egy multiméter.200V méréshatárral.A közös táp alol mit értesz?A kettönek küln van egy tápja.Vagyamit mérni akarsz arrol veszelle mind a kettönek áramot?
max kijelzés 1999 ehhez 199,9mV tartózik. A 35V csak úgy fér bele 350 jelzel ki ehhez a bemenet 35mV kell. használj 1M és 1K ellenállásokat sorba kötve. a 35V + megy a 1M –ra a 1Més1K közös pontja megy a kijelző + bemenetére, a1K megy a 35V- és a műszer – ra.
A mérés határt a 200 re. Áram itt meg elégszel 1,999A a 2,0A helyett akkor 0,1ohmos/4W ellenállás. A mérés határt a 2 re. Ha nem, veszítesz egy tizedest. És a kijelzésed 19,99A lesz a max ahol, a 2A kijelzőn 2.00 lesz. Ehhez 0,01 ohmos/15W ellenállás kell. A mérés határt a 20 ra. Ha a műszer tápja, nincs galvanikus kapcsolatba, a mért értékkel, használhatód egy tápról, a két műszert. Tehát 35V/2A nem lehet kapcsolatba, a 9V műszer táppal. A trafón külön tekercs kell hozzá, egyen irányítani szűrni stb. A műszerrel, nem mérheted meg, a műszer tápját, mert ekkor tönkre megy, a műszer. üdv.
hali
Közös táp alatt azt értem, hogy építenék egy külön stabilizált 9V-os tápegységet neki és annak a kivezatésére raknám rá a kettőt párhuzamosan így mind a kettő megkapná a 9V-t és az áram is megoszlana.. A belső ellenállás így már nem kell csak a sönt számításához szokták használni, mind 1... Köcce a segítséget megpróbálom megcsinálni...
A trafó tekercse, se lehet közös.
Ha így érted a különt, akkor jó. Elvileg végtelen a bemeneti ellenállás. Tehát áramra nem tudsz számolni. Feszültségre kell. üdv.
hy all
Bekötöttem a feszültség mérőt a leírtak szerint és kipróbáltam 20V-os méréshatárral. és at tapasztaltam hogy ha a 9V-os elemet megmérem vele nem mutatja hogy pl: 9.5V így mutataja: kép Ez hiba vagy ne is várjam tőlle hogy tizedes törtet is ki fog írni? Jah az árammérőhöz a 0,1 Ωos 5W ellenálást rényleg sorosan kell rakni a műszerrel mert én úgy emlékszem hogy a söntöt párhuzamosan szokták.. Üdv: JOE
Ha így csináltad működnie kellene.
Saját tápját, nem mérheted meg. Remélem, egy másik elemet, mértél
Hali!
Na megépitettem ezt a méröt. http://electronics-diy.com/ICL7107_digital_ammeter.php Csak egy olyan gondom van hogy egyfolytába megy a kijelzö pedig semmi nincs rákötve.A másik gond az hogy az elsö kijelzön a számok ahogy mennek hol rendesen világit a f,b-led hol halványan,és valamikor halványan égve marad.Ezek most mitöl lehetnek?
Ja és felcseréltem már a két kijelzöt és ugy is azt csinálja.A másik helyen meg tök jo.E amugy az egyes utáni rész.
Ugrálásról itt olvashatsz kondit cseréje:
Bővebben: Link A kijelző: panel jó lett? mert ez úgy néz ki, mintha ICL7107 16-17 lába összeér. Amikor jó világit mind a kettőnek testeli a kijelzőt. Amikor halvány vagy a 15 vagy a 16 lába működik de itt két LEDet hajt meg. üdv.
Hát igen tényleg ösze ért.
Ott maradt egy kis cin. Viszont a kondit nagyobra vagy kisebbre kellene cserélni.Mert per pillanat csak 100 és 470n van.
Beraktam a 470n.De még ez is kevés.Létezik ez?
Megáll 0,02-nél.Viszont az lenne még a nagy kérdés.Itt az oldalon lévö rajzon a 28 lábnál lévö ellenálás 470k.Viszont a gyártó oldalán meg amit én csináltam ott arajzon 47k.Na most akkor kinek higgyek?
Mindenhol annyit mászkál? nulla, nulla? ( a bemenetre rövidzár ) +/-5V megvan?
Itt figyelni kell a értékekre. Nem táp hogy, minél nagyobb a kondi, annál jobb. Nekem ezekkel menni szokott: R1=100K R2=22K R5=47K P1=1-5k C1=100pF C2=100nF C3=470nF C5=220nF Van ahol eltérés van. C3 cserélném a 470nF -ra. Én először a gyárnak hiszek, főleg ha a ajánlás, nem működik. üdv.
hy
úgy csináltam ahogy a rajzon mutattad csak a 35V helyett 9 et mértem vele és nem a saját tápját mértem, a bementen 9.4 mV van szóval jól oszlik meg a feszültség is az ellenállásokon. nem tudom hogy miért így írja ki kötöttem rá 18 voltot is de akkor is csak az utólsó 2 számjegy volt kiírva a tizedes vessző után szóval a helyes értéket írja ki csak az egészet a tizedesvessző után teszi és nem elé... nem tom mi lehet veleVárom az ötleteket...
200mV nézted, ha a bemenetére ráadod a 200mV mi lesz a kijelzés 2000 vagy 200?
Nincs még egy fesz osztó, a panelón.
Ha a117762HSZ. –ról beszélünk, akkor, ha jól látom, van. R7 rövidzár, R8 kiszedni.
De első lépésbe forraszd ki IN+ és tedd a C5 kondi C5 felírat felé eső végére. Az a közvetlen bemenet.
Nekem is ugyn ilyen értékü alkatrészek vannak.Kivétel a R2 ami nálam 15k és a P1 ami 10k.De ahogy irtad a C5nek kellene nulláznia.Ami 220nF kellene lenni.De a boltba sikeresen 22nF adtak.
Ha oda rakom a 470nF akkor mutat 002.Ha rövidrezárom 001.De ezeknél az értékeknél áll mint a cövek.Mérést még nem csináltam.Mert hát jo lenne ha elöször nullát mutatna.
200-al nem próbáltam de 180 mV nál 18-at írt ki szóval valószínű hogy 200 mV-nál is 200 at fog kiírni és nem 2000-et
szerinted mi lehet vele?
Boccs elírtam.. itt " 200-al nem próbáltam de 180 mV nál 18-at írt ki" nem 18-at hanem 180-at SRY
Tegnap este nem sikerült elküldeni.
Ha a 117762 HSZ. –ben a kép a készülékről van neked, ott a bemeneti fesz osztó. Három lehetőség van. Vagy te változtatod meg a osztási arányt 1M /10K itt állítani kell a potin vagy keresel 990K/10K ellenállást és márt jó. A másik megoldás, hogy a bemeneti osztót kiszeded. A R7 ellenállás rövid zár, R8 ellenállást kiforrasztod, és a te általad készítet osztó, mehet az elejére. harmadik a R8 ellenállást cseréled kissebre. Én a R8 1004 látom ezt kellene 1003 cserélni, de ha ezt a megoldást választod R7, R8 számát írd le, mert csak sejtem. üdv.
A R2, P1 nem érdekes, nehezebb beállítani, a referencia feszt.
Én megnézném feszültséggel, hogy mutat e. Ha mutat akkor lehet finomítani. Rövidzárral vigyáznék.
ahha értem szerintem az első megoldást fogom választani és majd egy potival beállítom... akkor már tizedes törtet is fog írni???
egyébként feljebb azt írták hogy 1M és 1K-s elelnállások kellenek és így 35mV lecc max a bemeneten viszont ha az 1K helyett 10K használok akkor már 350mV lesz..... Idézet: „hogy 1M és 1K-s elelnállások kellenek és így 35mV lecc max a bemeneten viszont ha az 1K helyett 10K használok akkor már 350mV lesz.....” Igen. Fesz mérésnél arra kell törekedni, hogy ne terheljem a mérendő feszt. Az lenne a ideális ha 1M lenne a teljes terhelés ha a 1k cseréled 10k –ra akkor a teljes terhelés 1010K lesz. Mérés hibád lesz, ha nem állítasz utána 20 digit. eltérés max méréshatárnál. Számold vissza (199,9V/1010000ohm )*10000ohmal=1,979V megy a műszere, a 1,999V helyett.
Mondja már meg nekem valaki hogy kell beállitani ezt a szerkezetett.Mert itt a cikben ugy van hogy a P1 potit kell addig tekerni amig az az érték nem lessz amit ép mérek.De a hogyan müködik résznél meg azt irja hogy a P1-sel tudom beállitani hogy 0-nál 0-át mutasson.Most hogy is van ez?Mert van nálam ez a mérösönt a csatolt részbe látható és van az a ampermérő.Na ha beállitom a kijelzöt a jó értékre a P1-gyel akkor nem lesz 0 ha nincs rajta áram.De ha beállitom a P1-gyel 0-ra akkor meg hiába van kakaora tekerve a sönt potija akkor is sokkal kevesebbet mutat.Mit csinálok rosszul?Kiprobáltam a rajz szerinti 10K + 0,1ohmos ellenállással és ugy jo.de ezzel a söntössel nem.
Ja és ezt a söntöt most nem 5A hanem csak 06-1A probálom.De gondolom az nem lehet gond.PL.:poti közepén 0,09volt jön ki és akkor a kijelzön 20jelenik meg.És ebben az álapotban ha leveszem a feszt akkor 0 lesz.Ha eltekerem a potit akkor meg nem lessz már 0.
A potival a max kijelzést tudod állítani. A 0 nem. kb. 100mV -300mV bemenő feszre mondhatod az hogy a kijelzés legyen 199,9. A nulla állandó értéket műtat vagy ugrál?
A tápfeszek jók főleg a -5V nem lehet brummos ( luktető egyen ) Ha a táp nem jó a mérésed se lesz tökéletes. ( a tápból veszi a referencia feszültséget, ehhez hasonlítja a bemenő feszültséget ) Mindent 199,9mV -ra számolj ez a maximálisan kijelezhető érték. tegyél a elejére egy ceruza elemet potméterrel a csuszkát úgy állítsd be hogy a ICL7107 30-31 lába ne kapjon nagyobb feszültséget mint 199,9 mV. Nézd meg hogy, 100mVbemenetnél, a kijelzett érték 1000 vagy ugrál 1 digitet ugrálhat ha többet ugrál a ICL 33-34 lábán lévő kondit cseréld ki, nagyobbra. Ez átlagol. A ICL 27 lábán lévő kondi, a nulláért felel. Ott elvileg 220nF kell. |
Bejelentkezés
Hirdetés |





megpróbálom megcsinálni...

Ott maradt egy kis cin.
Viszont a kondit nagyobra vagy kisebbre kellene cserélni.Mert per pillanat csak 100 és 470n van.
nem tom mi lehet vele





