Fórum témák
» Több friss téma |
Fórum » Redőny vezérlés
Témaindító: Antal Miklós, idő: Jan 31, 2006
Témakörök:
Szia!
Szerinted ezzel a motorral meg lehetne csinálni a tengelyből való meghajtást: http://www.vatera.hu/item/view/index.php?cod=1446536398 itt a motor adatlapja: http://www.vatera.hu/item/view/index.php?cod=1446536398 Esetleg egyéb tanács, kezdő vagyok ![]() Kéne vmi adapter, ami átadja a tengelynek a forgást, erőt. Köszi!
Szia!
Az én motoromhoz képest ez kb. 2-szer olyan gyorsan forog és ugyanahhoz a forgatónyomatékhoz kb. 2-szer akkora áramra van szüksége. (valószínűleg egy 2:1 áttétellel kevesebb van benne)
De az nem baj, ha kevesebbet kap nem? Mondjuk 24V helyett 12V-ot.
Hogy tudom beszerelni a redőny tengelyébe? Van olyan nagyobb kerék, amit erre a kis motorfejre rá tudok tenni?
Ha felezed a tápfeszültséget, ugyanakkora forgatónyomatékhoz legalább 2-szeres áram kell. De a fordulatszám biztosan kisebb lesz. (ez kell neked) A beszerelést magadnak kell megbarkácsolnod.
Sziasztok!
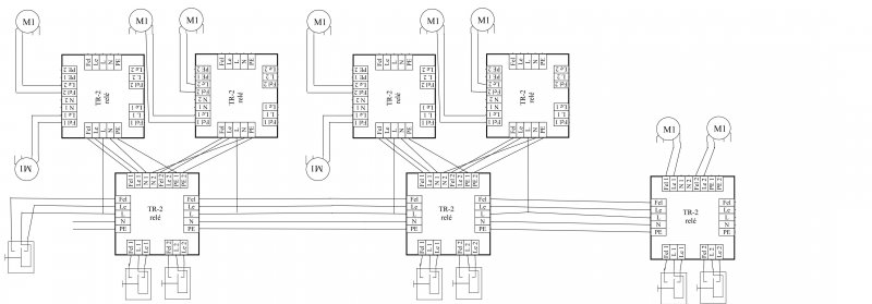
Van egy gondom. Van 13 elero nevezetű redőnymotorom, amit nyomógombbal szeretnék vezérelgetni. Tehát összesen 13 redőnyünk van, amelyeket nyolc szektorra bontottunk fel, így 5 db nyomógombbal 2-2, míg 3 nyomógombbal 1-1 redőnymotort szeretnénk vezérelni. Szeretném, ha mindeközben egy központi zárókontaktusra az összes redőny le, illetve felmenne. A redőnyös szerint az elero motorokat nem lehet párhuzamosan kötni, mert az egyik bekavar a másiknak és nem fog lekapcsolni a végálláskor. Ő a somfy féle tr2-t javasolta de azzal az a gond hogyha elhasználom a központi vezérlő bemenetet a nyomógombhoz, akkor értelem szerűen nem marad központi vezérlőbemenetem, illetve az egyes nyomógombokat sem köthetem simán párhuzamosan be, mert akkor ugrik a gari. Szóval kiötlöttem ezt a rajzot (ezen keveebb motor van kevesebb kapcsolóval, de ugyanazt nem akartam lerajzolni 5X), amire a somfy csak óvatosan annyit írt, hogy relé vezérlése relével nem javasolt, ezért gari ugrik. Kérdésem, hogy szerintetek miért nem jó ez a megoldás, mi baja lehet a relének, ha relével vezérelem? Vagy tudtok-e valami más megoldást javasolni, ami biztosan működik? Idézet: „Kérdésem, hogy szerintetek miért nem jó ez a megoldás, mi baja lehet a relének, ha relével vezérelem?” Szerintem semmi baja nem lehet, mert én pl. fűtésvezérléshez használok HAGA hőfokszabályozót amiben relé van a kapcsoláshoz. DE! fázisonként 50A(!) az áram amit kapcsolni kell. Ezt úgy oldom meg hogy az egységben lévő relé egy kisebb mágneskapcsolót kapcsol és az kapcsolja a VMK64-es nagy mágneskapcsolót. Egyszerűbben: HAGA-DIL00-52d-VMK64. Gondod egy ilyen felállással akkor lehet ha a végálláskapcsolók a központi vezérlésre jeleznek vissza, mert mire kiold a két mágneskapcsoló addigra túlszalad a motor a végálláson! Van egy ilyen esetem. 5V/1250A-es egyenirányító is van így vezérelve, és kb fél másodperc után kapcsol ki ahoz képest hogy megnyomom a stop gombot.
Sziasztok!
A redőnyömhöz szereltem egy autó ablak emelő motort tökéletesen működik már 2éve, de nincs végállás kapcsolóval el látva, emiatt sokszor fel tekeredik, aztán lehet szívni vele, hogy vissza menjen a sínbe. Tehát azt szeretném kérdezni, hogy valakinek van-e ötlete, hogyan oldjam meg a végállást. Optoval, vagy kapcsolóval? relékkel kapcsoljam az áramot, vagy használjak tranyót? Esetleg valakinek nincs róla valami rajza? Én már annyit gondolkodtam rajta hogy belefájdult a fejem!![]() Köszönöm előre is! mhatalyak
Sziasztok!
kérlek segítsetek! a következő a problémám. van egy elektromos redőnyöm aminek eddig sima egyszerű mechanikus kapcsolója volt a falon. Ehhez vettem én egy távirányítható vezérlőt, de sehogy sem tudom bekötni. Mellékeltem a leírásban adott kapcsolási rajzot. A szerkezet működik, mert hallom hoyg a rellé kattan, de nem történik semmi, összevissz ameg nem merem átkötni a dolgokat mert nem szeretném elfüstölni az új vezérlőt. Tudja valaki a megoldást? Ha valami plusz információ kell csak szóljatok! Köszönöm szépen!
Az L sorkapocsba kösd a fázist, a N-be a nullát.
A motorhoz 2, vagy 3 vezeték megy?
Szia! Azt írja a, a borító belső oldalán az utolsó kapcsolási rajz az impulzus vezérlés. Gondolom ez kellene a kapcsoló számára. (Kérlek egyenesen fotózd le mert kitörik a nyakam
)
a motorhoz csak két vezeték megy. A mechanikus kapcsolóba (amit épp lecserélnék összesen 3 vezeték futot--> a 2db motor és a fázis.)
Arra már rájöttem hoyg ki kell bontanom a flaból a nullát is. a képen az a kék. Azt is bekötöttem. Szóval most úgyvan bekötve ahogy a képen is létható és ez megegyezik a lerajzolt sima kapcsolási rajzzal. A relé kattan is de a motor nem mozdul. Lehet hoyg a nullával kellene még alakítani valamit (ott nagy a kuszaság) de talán azzal mégsem lehet gond ha maga a vezérlő kap áramot.. mindenesetre nagyon köszönöm h segítettek. az impulzus vezérlés meg szerintem azért nem játszik, mert egyszerűen nincs anyni vezeték a falban sé eddig sem kellet..persez könynen lehet h tévedek
A bal oldali ábra kell neked.
Miért van 2 fekete drót?
mert mellete is van egy ugyaniylen redőny kapcsoló és oda így lett elvezetve a fázis.
Többszőr végig néztem pontosan a baloldali ábra van bekötve és a szerkezet müködik is, de a redőny nem mozdul meg. Egyzerűen nemtudok rájönni hol a hiba. Korábban a mechanikus kapcsolóba 3 vezeték futott be. a 2 motorhoz futó és a fázis. Mivel az új vezérlőnek kell a nulla azt is bekötöttem, de valami mégsem klappol, a redöny semmi áramot nem kap. Azzal megsütném ha valamelyik redöny motor vezetéket a nullához kötném? Szinte mér midnent kipróbáltam amit mertem
Ha a barna és a zöld/sárga vezeték megy a motorhoz, akkor össze kell kötni a középső sorkapcsot a barna vezetékkel illetve annak sorkapcsával.
igen azok mennek a motorba, de ezt most nemigazán értettem. Letudnéd írni mégegyzser gyp-módban?
Nagyra értékelem a segítséget!!
jelénleg így nézz ki. Ez van lerajzolva a kapcsolasái rajzban is...a motor mégsem mozdul
Egy darab dróttal át kell kötni a középső és a mellette lévő kapcsot és onnan megy a motorhoz.
Na, kezdem átlátni
Még témája is van a dolognak: Bővebben: LinkA COM csatlakozást kapcsolja az ~1, vagy ~2-re. Van szakadásvizsgálód, hogy az elméletem leellenőrizd?
sajnso nincsen..vilannszerelésileg nemigazán vagyok felszerelve..
de igen énis így gondolom, és több mitn valószínű, hogy igazad van. Mindezek fényében valami 5let hoyg mit köthettem be rosszul vagy mit kellen módosítani? de azért nagyon nagyok vagytok hoyg így fél 11 kor próbáltok segíteni..
A belseje így nézhet ki. A linkben van magyar nyelvű útmutató.
krysn95 azt írja, hogy a motorhoz csak 2 vezeték megy. Lehet, hogy ez a két irány vezetéke és a harmadik a Nulla a falban bújik? Meg kéne mérni, hogy a COM és a ~1, ~2 között feszültség vagy kapcsoló van.
egyre inkább gyanakszom hoyg így van.
ha ez az eset áll fen akkro mit tehetek? sajnso mérni nemtudok csak kisérletezni Sajnos a linkkel nem kerültem közelebb a megoldéshoz..az azért más szerkezet
Műszeres mérés nélkül NE csinálj semmit.
A motor honnan tudja, hogy le, vagy fel kell eresztenie, húznia a redőnyt?
erre én sem jöttem rá. A régi mechanikus kapcsolóból mint mondottam egy fázis és két motor kábel ment. A redőny magától megál a végállásokban
A mechanikus kapcsolóhoz 3 vezeték ment, ide is 3-at kell bekötni. Az útmutató jobb oldali ábrája most már teljesen világos számomra. A motor megkapja a nullát és az iránynak megfelelő helyre a fázist. Fázis-> COM, a motorból jövő vezetékek -> ~1 és ~2.
Ha nem világos amit az imént írtam inkább kérdezz!
|
Bejelentkezés
Hirdetés |














