Fórum témák

» Több friss téma
Fórum » Tápegységgel kapcsolatos kérdések
Lapozás: OK   37 / 180
(#) 1984white válasza proli007 hozzászólására (») Márc 12, 2012 /
 
Okés. Köszönöm!
(#) qzo1 hozzászólása Márc 13, 2012 /
 
Sziasztok! Kaptam egy rossz tápot 220V->12V , az elszált tranzisztort kicseréltem benne, (a haver elöttem már kicsit megdolgozta itt ott kicsit felszakitotta a nyákot, és gyanítom hogy nem jól kötötte be, azért szállhatott el a tranzisztor), na de a lényeg hogy én sem vagyok zseni, és megerősítés kellene hogy melyik szál lesz a 220V bemenet, én a két pirosra tippelek. Köszi! Üdv Gábor.
(#) Sebi válasza qzo1 hozzászólására (») Márc 13, 2012 / 1
 
Bejelöltem a graetz váltófesz bemenetét két pöttyel. Ezeket mérd ki a kivezetésekhez.
Ez csak valami halogénizzó táp lehet, nem hiszem, hogy tiszta DC a kimenet, vigyázz vele. Ha a tranyó elszállt, annak oka volt és legtöbbször más apróbb alkatrészeket is magával ránt: mindent nézz át!

bemenet.jpg
    
(#) proli007 válasza qzo1 hozzászólására (») Márc 13, 2012 / 1
 
Hello!
Szerintem rossz a tipp. Mert úgy látom, hogy ez egy halogén izzóhoz való táp, aminek kimenete 12V váltófeszültség. A D1-D4 egyenirányító híd váltófeszültségű bemenetére megy a fehér és fekete vezeték. (A fekete valami üvegcsöves biztosítékon keresztül, ha még az jó.)
Vagy is ez lesz a 230V bemenete. A piros pedig a kimenet. De ezt meg is mérheted, mert vélhetően a két piros között a trafó szekunder tekercsét fogod mérni, vagy is kb. 0ohm-ot.
üdv! proli007
(#) qzo1 válasza proli007 hozzászólására (») Márc 13, 2012 /
 
Köszi a választ! A leírásod alapján kiméregettem és a piros a 12V ki, fekete fehér a 220V be. A biztosítéknak annyi, az is csere. Üdv.
(#) qzo1 válasza Sebi hozzászólására (») Márc 13, 2012 /
 
Köszi a választ! A probléma megoldodott, amit írtál az jó volt, fekete-fehér a 220v bemenet, plusz egy bizticsere is lesz. Üdv.
(#) storm hozzászólása Márc 25, 2012 /
 
Sziasztok!
Az alábbi kapcsolást szeretném használni tápegységnek. Bemeneti feszültség 320V körül, a kimeneten 170V körüli feszültség lesz, a tranzisztor valamilyen TO200-as tokozású legalább 450V-os tranyó, a 2 ellenállás pedig 1 trimmerpoti lenne. Kimeneti áram maximum 25mA, minimum 15mA. Kérdésem, hogy működőképes-e, illetve a trimmerpoti nem fog elfüstölni?

táp.JPG
    
(#) reloop válasza storm hozzászólására (») Márc 25, 2012 /
 
Szia! Úgy értelmezem, hogy 100k trimmert szeretnél használni. A P=U^2/R képletbe behelyettesítve 1W disszipációt kapsz eredményül. Ez elég speciális potenciométert igényelne. Ajánlom Mohm tartományban végezd el a feszültségosztást. A egyik ellenállás maradhat fix, a másikat elég trimmerrel kiváltani, ezzel is csökkentve annak hőterhelését. A kellő áramerősítést szükség esetén darlington kapcsolással tudod biztosítani
(#) Szpidi hozzászólása Ápr 7, 2012 /
 
Sziasztok!
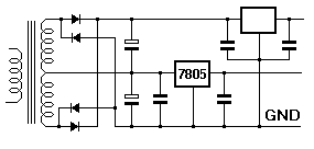
Próbáltam egy dupla tápot csinálni, de elakadtam.
Adott egy középleágazásos trafó, 2x13V terheletlenül. Ebből akartam csinálni 1x5V stabil és 1x24V változtatható tápot. Egy gyári greatz került a trafó két szélére és egy diódákból épített a közép és egyik szél közé. A 24V-os ággal semmi gond, a kondik után 35,8V jelent meg, ami kb. hihető és a step down IC előállítja a kívánt feszt. Viszont a másik ágban a kondik után 35,4V jelent meg és a 7805 köszönte szépen, de nem kért belőle...
Mi lehet a hiba? A nulla közös. Most nem látom át, hol követtem el a hibát.
(#) Sebi válasza Szpidi hozzászólására (») Ápr 7, 2012 /
 
Kösd a 7805-öst középre, így a disszipáció is elfogadhatóbb. Javasolnám inkább egy kis kapcsolóüzemű IC használatát.

sup.GIF
    
(#) Szpidi válasza (Felhasználó 13571) hozzászólására (») Ápr 8, 2012 /
 
Köszi a választ! Sajnos statisztikailag megerősíthetem a feltevésed. 2 db 7805-ből az egyik bírta a másik nem. Az adatlapját ismertem és nem terveztem, hogy 30V-ot kap. Sőt a kondik is 25V-osak.....

Pont azt nem értem, mit keres rajta 30V feletti feszültség, amikor középleágazásból hoztam ki a feszt, ahol váltóban még csak 13V van...
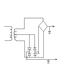
(#) Szpidi válasza Sebi hozzászólására (») Ápr 8, 2012 /
 
Szia!
Köszi a választ! Én is középről akartam kivezetni a feszültséget. Csatolom a rajzot (bocsi, csak paint volt kéznél). Azért maradtam a régi 7805-nél, mert a túlvégen PIC figyelt volna, és ezek talán kevesebb zavart raknak a tápra, másrészt volt otthon, amíg ki nem lehelte a füstjét.

A kérdés továbbra is, miért van ott 33V DC, ahol 13V AC megy a diódákra.

táp.JPG
    
(#) proli007 válasza Szpidi hozzászólására (») Ápr 8, 2012 /
 
Hello!
"A kérdés továbbra is, miért van ott 33V DC, ahol 13V AC megy a diódákra."
Mert ez a kérdés nem kérdés. Nem lehet - és ráadásul felesleges is - két hidat tenni egy trafóra, aminek közösített vezetéke van. De rajzold be a másik diódákat is, és kövesd le az áram útját, mikor a trafó egyik felén negatív, másik felén pozitív periódus van. És akkor meglátod miért.
Amúgy meg nem értelek. Sebi feltett egy rajzot, ami a gondodat tökéletesen megoldja. Mind két egyenirányítás kétutas, és még külön diódák sem kellenek hozzá. Miért is nem jó ez számodra? A nagyobb feszültség kb. 34V lesz, a középmegcsapolásnál pedig ennek fele. Ami már tökéletesen megfelel a 7805 számára.
üdv! proli007
(#) Szpidi válasza proli007 hozzászólására (») Ápr 8, 2012 /
 
Hello!
Kösz, a másik diódákon nem is gondolkodtam, mert ott ugye greatz van
(#) maestro hozzászólása Ápr 22, 2012 /
 
Sziasztok!
Szerintetek egy változtatható feszültségű stabilizátornál van értelme a low-dropos kivitelnek?
Ha kis feszültséget állítok be a kimeneten akkor ugyanannyi teljesítmény fog disszipálódni a szabályozó IC-n mint egy nem low-droposnál. Vagy nem?

Kis teljesítményű trafóból szeretnék egy mini tápegységet építeni és a veszteségeket szeretném a minimumra csökkenteni.
(#) Sebi válasza maestro hozzászólására (») Ápr 22, 2012 /
 
Az LDO addig disszipál kevesebbet, amíg kicsi a feszültség esés rajta (0,5...1V). A normál (NPN áteresztős) legalább 2V feszültségkülönbséget kíván, tehát fix kimeneti fesznél tudsz kis disszipációt elérni. Ha szabályozható tápot csinálsz, csak a maximum fesz közelében lesz kevés disszipáció - hasonlóan egyéb társaihoz.
(#) maestro válasza Sebi hozzászólására (») Ápr 22, 2012 /
 
Igen, én is erre gondoltam, köszi a megerősítést.
Akkor lehet maradok az olcsóbb LM317-nél vagy a jó öreg 723-nál.
(#) kissi válasza maestro hozzászólására (») Ápr 22, 2012 /
 
Az LDO-nak nem a minimális disszipáció a fő előnye, hanem az, hogy a normál stabilizátorhoz képest kis bemeneti feszültség mellett is használható ( természetesen ilyenkor kisebb disszipálandó teljesítmény is, de az a másiknál is annyi lenne, csak az ott már nem tud működni !) !

Steve
(#) _vl_ válasza maestro hozzászólására (») Ápr 22, 2012 /
 
Idézet:
„Kis teljesítményű trafóból szeretnék egy mini tápegységet építeni és a veszteségeket szeretném a minimumra csökkenteni.”


Szerintem meg gondolkodjál el egy DC-DC konverteren...
(#) maestro válasza kissi hozzászólására (») Ápr 22, 2012 /
 
Nálam most a kis disszipáció lett volna az előnye, az most hogy 26V helyett csak 24V-ig fogom tudni szabályozni a hagyományos IC-vel, nem érdekel.
(#) maestro válasza _vl_ hozzászólására (») Ápr 22, 2012 /
 
És a DC-DC konvertert egy mikrovezérlő is szeretni fogja?
(#) Sebi válasza maestro hozzászólására (») Ápr 22, 2012 /
 
Persze, nincs azzal gond, én is azt használom a PIC-es cuccokban. Neked az LM2576-Adj típust javasolnám. Ha a trafód pl 500mA-t tud 24V-on, akkor 5V-on akár 2A-t is tudna a tápod - számottevő melegedés nélkül. Persze ezzel pláne nem tudsz felmenni 24V-ig de a felső tartományra csinálhatsz egy másik kimenetet a 317-el mondjuk 15V-tól amíg működik. Így mindjárt egy kettős táphoz jutnál...
(#) kameleon2 válasza Szpidi hozzászólására (») Ápr 23, 2012 /
 
Szia! Van erre számos stabkocka..... LM 1117, LM 317, stb amik közül válogatni kell melyik bír nagyobb bemenő feszültséget. én sok típussal próbálkoztam, mindegyik jó. Még olyat is találtam, ami 40V-ból direktben csinál 3,3V-ot. Kapcsolóüzeműekkel óvatosan, mert iszonyat mennyiségű zavarójelet képesek termelni, akár egy nem megfelelő besorolású kondival is. Oszcilloszkópot mindenképpen használni ajánlatos a kapcsolóüzemhez - illetve nem árt észbentartani, hogy jellemzően nagyobb áramokra vannak hangolva! Én áteresztős kockákat max 800mA - 1A-ig használok.
(#) Sebi válasza kameleon2 hozzászólására (») Ápr 23, 2012 /
 
Idézet:
„jellemzően nagyobb áramokra vannak hangolva!”

Azért vannak picik is, pl LM2594 500mA-es.
Kondinak valóban jobb minőségüt kell használni, de nem volt gondom velük.
(#) kameleon2 válasza Sebi hozzászólására (») Ápr 23, 2012 /
 
Szia! Nekem sajnos igen! egy Mikrokontroller tápját olyan szépen megszórta tüskékkel, hogy öröm volt nézni. Igaz az talán az LM2575-volt..... Az érdekes az, hogy egyik panelen igen, a másikon nem! Végül a sok apróság miatt másik tápot kerestem, pedig elsőre tetszett az egyszerűsége és a kis diszcipáció. De a kis fogyasztás miatt nem volt szerencsés a használata, mert a mikkrokontrollert állandóan le-resetelték a tüskék. Ideig-óráig a reset lábra tett 10nF jelentett megoldást, de nem beton stabilan.
(#) Sebi válasza kameleon2 hozzászólására (») Ápr 23, 2012 /
 
Ha szépen jár, nem szór (szkóppal látni, jó-e a négyszögjel). A másik: egypont föld (GND)! A táp egy kis GND-szigeten foglaljon helyet, ide csak az ő GND lába és a két kondija csatlakozik. Aztán a kimeneti elkóhoz legközelebbi részre csatlakozhat a (z akár) teleföld fólia. Sosem lesz gondod vele (pláne az újabbakkal, amik 500kHz felett járnak).
(#) colos850514 hozzászólása Máj 8, 2012 /
 
Hali. Azt szeretném kérdezni hogy van egy trafóm
230v 16v sima 2 kivezetéses. És lehetne e ebből + - gnd tápot csinálni és hogyan(rajz) valamint ha lehet akkor +-16volt lessz vagy mennyi mert + gnd -nél dob rajta valamit a kondi. Előre is köszönöm.
(#) reloop válasza colos850514 hozzászólására (») Máj 8, 2012 /
 
Szia! A feszültség képlete az ábrán. A tápoldalak periódusonként egyszer, és ellentétes ütemben töltődnek. Nagy áramterhelésre nem ajánlott. (A TDA2050-est 2x10,000µF-dal megpróbálhatod.)
(#) geza84 hozzászólása Máj 9, 2012 /
 
Ugyan nem kifejezetten tápegység, de majdnem.
Adott 2 db DC/DC adapter.
VOLTCRAFT SDC 2412-5
VOLTCRAFT SPA-5
Utóbbira azt írják, hogy lineáris, ami nem tudom mit jelent. Mi közöttük a különbség?
Egyébként egy rádió üzemetetésére kellene 24V-os rendszerű teherautóban. Melyiket ajánljátok?
(#) Sebi válasza geza84 hozzászólására (») Máj 9, 2012 / 1
 
A lineáris - ebben az esetben - az analóg-disszipatív működésre utal. Magyarul: hővé alakít ugyanannyi teljesítményt, mint amit kiveszel belőle (veszteség). Ez látszik is, mivel jó nagy hűtőborda kell hozzá.
A másik nyilván kapcsolóüzemű, ennél a hőfejlődés minimális. Rádióhoz mindkettő alkalmas, a ráírt terhelhetőség a lényeg.
Következő: »»   37 / 180
Bejelentkezés

Belépés

Hirdetés
XDT.hu
Az oldalon sütiket használunk a helyes működéshez. Bővebb információt az adatvédelmi szabályzatban olvashatsz. Megértettem