Fórum témák
» Több friss téma |
- Ez a felület kizárólag, az elektronikában kezdők kérdéseinek van fenntartva és nem elfelejtve, hogy hobbielektronika a fórumunk!
- Ami tehát azt jelenti, hogy a nagymama bevásárlását nem itt beszéljük meg, ill. ez nem üzenőfal! - Kerülendő az olyan kérdés, amit egy másik meglévő (több mint 17000 van), témában kellene kitárgyalni! - És végül büntetés terhe mellett kerülendő az MSN és egyéb szleng, a magyar helyesírás mellőzése, beleértve a mondateleji nagybetűket is!
Melyik ez a cikk? Nem találom hirtelenjében, csak látom az oldal kapcsolásai közül való.
Bővebben: Link
Ez az
Hello!
Nem kell a fényképezőgép, a Led így is felvillan. HA a tranyót is próbálni szeretnéd, akkor ne feszültséget adj rá, hanem egy másik Led-et előtét ellenállással. Ahogyan R4/D1 van. Csak az ellenállást a +9V-ra, a Led katódját, a tranyó kollektorára kösd. (TRIG 1-es kivezetés) üdv! proli007
Így teszteld
![]() A vaku villanását a LED-nek jelezni kell. Fényképezőgép nem kell a próbához. Majd olyat szerezz be, amelyiken távvezérelhető az exponálás, az enyém pl. nem tud ilyet
Üdv !
A következő USB-hubot rendeltem meg : Bővebben: Link Aktív, de nem jár hozzá tápegység. A kérdés az lenne , hogyha egy mobiltöltőre forrasztok olyan csatlakozót ami a hubhoz kell , akkor működni fog rendben ugye? És akkor nem a laptop aksiából fogja venni az energiát ( 5v, 600mA )
Nem tudhatjuk, mi van a belsejében. A specifikáció nem tér ki a tápellátásra.
Mobil töltő feszültsége akár 7-8V is lehet, ami kicsit soknak tűnik. Ha transzformátoros a mobiltöltő, akkor talán jó lehet, ha kiegészíted kondenzátorokkal, LDO stabilizátorral. Mit akarsz a hubra dugni?
Heló. Megint én nem tudjátok hogyan kell dinamót készíteni? Előre is kösz.
Dinamó készítés topic: Bővebben: Link
Sziasztok,
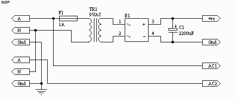
Meg tudnátok mondani, hogy mi az F1-el jeölt eszköz a trafó előtt? Köszönöm
Üdv
A kapcs. rajz közepén lévő trafó milyen? Vagy trafó és trafó között nincs különbség ha paraméterei megeggyeznek? Gondolok itt arra, hogy nyák trafó, toroid vagy valami más. - A 2x28V-nál mit jelent a kétszeres szorzó? Köszönöm
Sziasztok!
Már az utolsó drótozásokat végezem az erősítőn, valami mégis felmerült bennem: a datasheet azt mondja az IC-nek min. 7,5V, max 20V-ot adhatunk. Azt hogy érti: +/- 20V? Én az első tesztnél is ezzel a táppal dolgoztam, amivel most is, akkor mintha +/- 10V lett volna a feszültség. most mikor rámértem a +/- és 0 között 15V voltok voltak.. Igaz, akkor nem volt a ilyen diódahíd, meg sok kondi rápakolva. Létezik, hogyha terhelem 5V esne rajta le?
Sziasztok!Szeretnek epiten egy vu-tower szerut,van itthon egy lm3914,a lenyeg a latvany lenne,nem a pontossag,mivel eros fenyereju ledet akarok rakotni,de ugy hogy 20 db led lenne,alsztereonak megcsinalni.Igy gondoltam hogy valami tranzisztoros megoldas kell,csak nemtudom pnp,npn tranzisztor es milyen bekotes,mekkora bazisellenalas.A tapfeszultseg stabil 12V 1A.Ha tranzisztorral oldom meg,akkor is kell led elotet ellenallas?
Elnezest elfejtettem mondani,hogy jobban szeretnem pnp tranzisztorral,mert az van ithon tobb es egyforma[bc177,2n2904]
Hello!
- Az LM3914-nek tíz kimenete van, de a Led-eket kettőnként sorba kötheted. Ha az "erős fényű Led" 20mA-es, akkor meg tudja hajtani az IC. - Mit értesz állsztereó alatt. A hangfrekis erősítőnél szoktak Monóból állsztereó hangzást készíteni. - Tranyó csak akkor kell, ha a Led nagyobb áramú, mint 20mA. Ekkor PNP a célszerű, de a Led-hez előtétét ellenállás mindig szükséges, mert az az áramkorlátozó elem. Az LM3914-nél azért nem szükséges, mert annak kimeneti köreiben áramgenerátorok vannak beépítve. Megfelelő topikban számtalan kapcsolás van, és kicsit olvasgathatnál is róla. üdv! proli007
Sziasztok! Van egy apró kérdésem amire nem találtam választ még:
Vettem használtan egy ilyen érintős villanykapcsolót, amivel a fényerőt is lehet szabályozni. Ha érintve tartod akkor halványul meg erősödik a lámpa. Ez a klasszikus lyukacsos réz színű előlapos kapcsoló. Talán dimmer kapcsolónak hívják az ilyeneket. A kérdés a bekötése. Három vezetéket lehet rátenni, a bemenet lesz az egyik szélső, mert utána van közvetlen egy biztosíték, ebből gondolom. Viszont nem tudom, hogy a középső és a másik szélsőre mit kössek. Sajna lekoptak a jelölések, de valamelyik szélsőn volt egy hullámvonal rajta keresztben egy nyilacska.
Sziasztok,
kicsit kiegészíteném a kérdésem. A kapcs. rajz közepén lévő trafó milyen? Vagy trafó és trafó között nincs különbség ha paraméterei megeggyeznek? Gondolok itt arra, hogy nyák trafó, toroid vagy valami más. - A 2x28V-nál mit jelent a kétszeres szorzó? A második képen lévő trafónak megfelel egy ILYEN? Köszönöm
Hello!
A trafó szükséges teljesítményét, a végfok teljesítménye alapján kell megválasztani. Ha 2*50W az erősítő, akkor ajánlatos 100VA-nál nagyobb trafót választani. A típusa sokat nem számít, a toroid általában a legkisebb helyigényű és szórású. A 2x28V azt jelenti, hogy a 230V-os primer tekercsen kívül, még 2db. 28V-os tekercse van. De mivel a két tekercs egy-egy lába közösítve van, három kivezetést ábrázolnak/vezetnek ki. Összekötve úgy van, hogy a közép kivezetéshez képest 28V - 28V mérhető, a két szélén meg 56V. üdv! proli007
Hello!
- A végfok IC kettős tápfeszültséggel megy, így +-7V..+-21V-ig értelmezhető a tápfeszültsége. De ezek az abszolút határok, nem érdemes megközelíteni. - Létezik, a trafónak-diódáknak van belső ellenállása, amin terhelés alatt feszültség esik. üdv! proli007
Szóval lehet hogy még is jó minden, csak majd esik a diódákon a feszültség?!
Köszönöm az infót! Szerelek tovább. Még annyit, hogy akkor a kondenzátorok, amelyeket a szűrésre használok 35V-osak. Namost ezek a +/- diódahídra vannak kapcsolva párhuzamosan. Akkor a kondikra 15V esik, ugye?
Udv!Az alsztereot ugy ertettem,hogy olyan mintha mind a ket channelt merne,de kozbe csak ugy latszik.Ugylatom akkor nem lesz szuksegem tranzisztorra,mert 10mm nagyfenyereju led lesz,ami kb20mA-es.Koszonom az utbaigazitast.
Helló. Nem tudja valaki hogy tudok ilyet csinálni?
http://www.youtube.com/watch?v=2hASOre63Nk&feature=related
Ilyet lehet készíteni otthon ha lehet megmutatjátok hogy. Előre is kösz.http://www.youtube.com/watch?v=y-wbOlWa-gk&feature=endscreen&NR=1 Több videót is van "hologramot " én esetleg tudnék készíteni ha igen segítenétek?
Szervusztok,
A napokban a környékemen kicseréltek egy trafot azóta 247 V-ot mérek a hálozaton. Minek fog ez ártani ?
Helló.Ha megfelelő tudásod / bátorságod van, akkor a Propeller Clock topicban keresgélj...
Üdv: Csupasz |
Bejelentkezés
Hirdetés |














