Fórum témák
» Több friss téma |
Fórum » Adatlapot keresek
Szia.
A bekötés ott van az eBay linken...
Sziasztok! Szabályzott akkutöltőt építek, és az egyik ismerőstől kaptam hozzá tirisztorokat, T15N200T a típusuk... Az egyértelmű számomra is, hogy ezek 200V-ot és 15A-t tudnak, és egyértelmű, hogy a kisebbik fül a gate, viszont nem tudom, hogy a ház a katód, vagy az anód... Csatoltam is egy képet... A segítségeket előre is köszi
Szeretnék Solton AV 1000 es kombóhoz kapcsolási rajzot vagy kezelési útmutatót.
Ha valakinek ilyen típusú berendezése van kérném segítségét a csatlakozókba, hogy mi miért van rajta. Egy 70/100 W-os kombórol lenne szó. Minden segítséget előre köszönök.
Tiszteletem a fórumlakóknak!
Az alábbi lcd-hez keresnék vmi elektronikai szempontból hasznos leírást: Kodak cx6330 digit fényképező lcd-je, az egyetlen értelmes karaktersorozat az lcd-n a p80030, de erről a gugli semmi okosat nem mondott. Idáig amit találtam, az az említett digit fényképező user manual-ja, amivel sokra nem megyek ![]() Ha valaki valamit tud segíteni ezügyben, azt előre is köszönöm (közben még a fényképező ic-ire is rákeresek, hátha közelebb jutok a vezérléshez, habár nem hiszem)
A kereső kidobta volna: Bővebben: Link
Sziasztok, egy ALTERA cég által gyártott EP600IPC-55 típusú IC adatlapját keresem kevés sikerrel a google nem volt barátom.
Aki tud kérem segítsen, köszönöm. Ha jól tudom ez egy programozható logika? Ez az IC tokban lakozott és összesen 3db volt ebben a 16bites ISA buszos kártyában.
Köszönöm a segítséget.
Van egy TZN4S-14S típusú digitális hőfokszabályzóm amihez keresnék műszaki leírást (pl. milyen hőfok érzékelő szonda kell hozzá, stb. )
Szia ! Köszönöm amit találtál és ebben megtaláltam amit kerestem.
Hello!
Valakinek nincs véletlenül Dp7-125 vagy dg7-125 szkóp csőhöz adatlapja? A neten nem sok mindent találni róla. Sokat segítene! Előre is köszi!!
Annyit még hozzátennék, hogy az a2b, a függőleges, és a vízszintes eltérítő lemezpárok között van, és nincs összekötve az a2a rácsokkal (anóddal).
Talán segít a két rossz fotó.
Köszi igen sokat segített!
Még annyit segítenél, hogy akkor most össze kell kötnöm a két A2 öt? Vagy melyik A2 re mehet a 800V ? Köszi még egyszer!
Az eltérítő lemezek közti rácsra, a2b, pont akkora feszültséget kell kötni, mint a lemezek átlagfeszültsége. Ehhez képest kell beállítani a többi elektróda feszültségét. Az a2a feszültségének is az eltérítő lemezek feszültségének közelében kell lenni, tulajdonképpen az a2a, és a2b feszültségének különbségével állítható az asztigmatizmus. A 800 V nem tudom hol van, mert mint mondom, a feszültségeket az eltérítő lemezek potenciáljához kell belőni, ami jelentősen eltérhet tranzisztoros, vagy csöves meghajtás esetén. A 800 V-nak az a2b, és a katód között kell lennie. Ez azt jelenti, ha tranzisztoros az eltérítő lemezek meghajtása, akkor 100 - 110 V a lemezek nyugalmi feszültsége, a katódnak -690 - -700 V -nak kell lennie. Ha a meghajtás csöves, akkor ezt a szintet az átlag anódfeszültséghez kell számolni, ott be lehet állítani nagyobb 150 V anódfeszültséget is, így a katód ehhez képest -650 V -on lesz. Ehhez még hozzájön az a1, - 30 - -60 V között állítható feszültsége.
A teljes képernyő kivezérléséhez vízszintesen 290, a függőlegeshez 190 Vpp tartozik.
Húú Köszi az információkat,
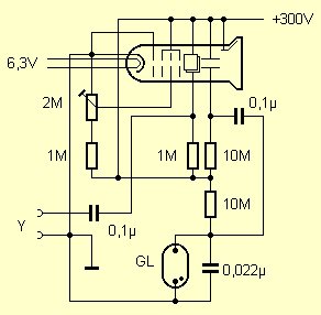
Igazából arra gondoltam hogy van itthon egy ilyen csövem és megoldom valahogy kivezérlés jelzőnek, de látom ez nem lenne olyan egyszerű! Arról nem beszélve hogy Nem is biztos hogy jó a cső, így nagyon nagy építésbe se fognék bele. Találtam egy rajzot, elég egyszerű de úgy látom meg úgy gondolom hogy a rajz a csövemhez nem jó mert a csövembe nem úgy vannak mint a rajzon. Esetleg volna ötleted hogy hogy kössem be ebbe a rajzba vagy valami ötlet??
A rajzon csak annyi változást kell tenned, hogy az a2b -t is felkötöd a + tápra. A +300 helyett pedig egy kicsit több kellene, de lehet, hogy ekkora feszültséggel is lesz látható képed. Ki kell próbálni.
Köszi! Holnap kipróbálom!
Szerinted egyen fesszel megoldhatom a fűtést? Ugyan annyi egyen fesz kell mint váltó?
Üdv!
Az alábbi linken található programozóegységet ismeri valaki? A benne lévő kijelzőhöz keresnék adatlapot.
Bocs hogy újra zavarlak, csak úgy láttam te vágod ezt a csöves témát, akkor ha jól értelmezem nekem negatív feszültséget kell előállítanom, és arra kötnöm a katódot, az miért nem jó hogy a katódot veszem nullának és ahhoz képest veszem a többi feszültséget pozitívnak?
Vagy esetleg volna valami ötleted vagy rajzod hogy köthetném be tranzisztoros vezérléssel? Nézegettem rajzokat, és mindenütt negatív feszről táplálják a katódot.
Szerinted mit kellene megváltoztatnom ebben a kapcsolásban hogy jó legyen a csövemhez?
Annyi hogy ebben alacsonyabbak a csőfeszültségei. Vélemény?
Van nekem egy Tungsram MO 8 márkájú szkópcsöven és az adatlapját szeretném megtudni!
Sziasztok,
Keresek egy 6 labu IC adatlapot, melynek a neve: ????104 4DV. Elore is koszonom. Udv. |
Bejelentkezés
Hirdetés |










