Fórum témák
» Több friss téma |
Adtál egy jó ötletet!
Na jó azért annyira nem vagyok elvetemült.
Szia!
Keress infra vagy rádiós távirányító megoldásokat - 0 db vezetékkel működnek. Ha a modulációt / adót és a demodulátort / vevőt kihagyod, összekötöd a két egységet 2 vezetékkel már meg is van a vezetékes változat. Kódolás: Manchester kódolással átvihető egy vezetéken az adat és az órajel is. Egyébként nem véletlenül kicsi a kínálat... Egy SOT23 tokban levő egy kapuval nem tudod megoldani, de kapható kontroller egy SOT23-6 tokban, amivel az egész adó illetve vevő egység felépíthető 4 kimenetig. Ha nagyobb kell, akkor SOIC8, SOIC14 kontroller még mindig csak 4 kapu helyigényénél tart. A ChipC@d -nál a PIC10F200T-I/OT SOT23-6 tokban 52 Ft+áfa. Elgondolkodtató, hogy nem éri el egy CD40xx vagy 74xxyy sorozat kapuáramkörének költségét. Ekkor még nem beszéltem a nyomtatott panel és egyebek költségeiről...
Csak általánosságban érdekel, vagy van egy konkrét feladat? Nagyon muszáj az "egyvezetékes" megoldás?
Egyébként épp írok egy cikket, ahol TTL IC-kkel van megoldva egy hasonló feladat. 16 címezhető egység, egységenként 8 adatbit. Egységenként 4 darab IC kell hozzá. Ugyan, az adatátvitel nem "egyvezetékes", de az is megoldható egy kis trükkel.
Kapus építgetésnek azért meg van a folytatása is:
PAL, GAL, CPLD, FPGA az a legnevetségesebb hogy nettó 2.1 ft is lehet kövületként megmaradt PAL-t venni ![]() de programozása macera szerintem ![]()
Egy kis kereséssel minden kihozható a Googli -ból. A kérdésben nincs kimondva, hogy CMOS vagy TTL MSI sorozatból kellene megoldani.
Adónak a távirányító adók, fogadónak a távirányító vevők küzütt kell keresni egy az adóhoz illő darabot. Ha elhagyjuk az infra led meghajtását és a infra vevő érzékelő erősítőjét, megkapjuk a vezetékes megoldást... Bár egyes példányok MC14497 adatlapján igen furcsa szöveg olvasható: Idézet: „There is not a decoder device which is compatible with the MC14497. Typically, the decoding resides in MCU software.” Végülis beszerezhető a MC14497 is, de 1 db 32 bites (PIC32MX340F128HT) avagy 25 db 10F220 kontroller áráért. Vevők is kaphatók hasonló kondíciók mellett... Ki-ki döntse el, mi éri meg neki.
Sziasztok!
Először a kódolást kell kitalálni. Ha speciális IC nem használható, csak pl a CD40xx sorozat elemei, akkor talán a legegyszerűbb az egyes szintek hosszával játszani, mint ahogy proba is írta. Én pl a vevő oldalon csinálnék egy egyszerű monostabil billenőkört, ami mondjuk a vett jel L szintjére indulna. Ennek a kimenete egy shift regiszter bemenetére menne, órajelnek simán a vett jelet használnám. Így az L szint hossza döntené el, hogy L, vagy H szintet kapuzna be a regiszter az L-H él megjelenésekor. (A dolog attól függene, hogy a monostabil lejárt-e, vagy sem.) A beléptetett jelek átíródhatnának egy párhuzamos regiszterbe, amint kilép a regiszter végén az első 1-es (H szint.) Kellene bele még egy monostabil, ami mondjuk az extrém-hosszú L szinteknél reset jelet küld a shift regiszternek, de akár az átírás is vezérelhető ilyen módon. A párhuzamos regiszter bitjeivel meg már bármit lehet kezdeni, egy részük címként is használható. Esetleg parazitatáplálás is megoldható. Az adó oldalon szintén monostabil körökkel kéne megszabni az elküldendő bitek alapján az L szintek hosszát, ami egyszerűnek hangzik, de számolni kell a már elküldött biteket is, hogy jókor adja ki a reset, vagy az átíró jelet. Az ötlet amúgy nem saját, szinte pontosan így működik a 1-wire protokoll. Egyébként én is szeretem a fából vaskarikákat, de legalább az adó oldalon mikrovezérlő használatát javasolnám.
Kicsit erőltetett, de huszonéve működött egy megoldásom.
A jel hosszával lehetett operálni... Az adóoldali jel megjelenése indított valamennyi monostabilt a vevőoldalon. Amelyik hamarabb lejárt, mint a bejövő jel, az kiesett. A maradék közül az első lejáró adta az eredményt.
Ügyes, tetszik! Ez talán labdába rúgna nálam is, ha végképp nem akarnék 1pár 8 lábút használni 200...300Ft értékben.
Hát megőrülök. Nem csak hogy általánosabb megoldás, de még bele is fért 2 sorba.
Hát, itt aztán van kever, kavar. Mindezek oka, hogy a kérdező hibásan tette fel a kérdést, és bár pontosításért Action2K visszakérdezett, a témanyitó azóta sem látogatott ide. Szerintem amíg el nem dől, hogy miről is kelljen szólnia a topiknak, nem érdemes túráztatnunk magunkat. Egyébként is az egyvezetékes "adatátvitel" az sokkal inkább buszrendszerek egyik fajtája, mint egy igazi adatátviteli rendszer, bár bizonyos értelemben annak is nevezhetjük.
Mikrokontroller VS Logikai IC (Nem vitának, csak példa a fent említett igényre)
A kérdező egy olyan vezérlést szeretne, ahol a vezérelt eszközök címezhetők. Persze nem árt, ha a vezérelt eszköz nem csak egy bit információt kap. Ebből kiindulva (s a cikkemre építkezve) legyen a címzés 4 bit. Ez 16 eszközt eredményez. Az eszközök kapjanak 8 bit információt. Ez összesen 128 bit, amit sorosan, 1 bites busz vezérlésen kell szétosztani. A busz meghajtást és illesztést most ne nézzük, az mindkét esetben ugyan az. A buszillesztőből megkapjuk a 4 fontos vezérlő bitet, ami nem más, mint a RESET, CLOCK, DATA, STORE. A címzéshez kell 4 bit. A kimenet pedig 8 bit. Ehhez 16 I/O kell. Nehezítendő a dolgot, a buszon jövő információ időzítése ad-hoc. A feladatot én megoldottam 4 db logikai IC-vel, 290 Ft-os össz. árban (HE-Store). Javítása nagyon olcsó (legdrágább alkatrésze 99 Ft.), későbbi reprodukálása a teljes dokumentáció hiányában is kivitelezhető (nem kel forrásprogram/HEX sem). Bárki után-építheti programozási tudás/lehetőség nélkül is.
Sziasztok!
Bocsássatok meg hogy nem írtam de nem volt időm. ![]() Nekem végül is teljesen mindegy, hogy mivel építjük meg a kapcsolást tőlem lehet mikrokontroller is /ahogy írtam utána/ csak az a lényeg hogy 1000Ft alatt kijöjjön az adó és vevő páros, mert nem vagyok egy gazdag ember tudom hogy lehet kapni ic-ket de azok többsége (tisztelet a kivételnek) 1000 Ft fölött van.
Akkor mit is szeretnél olcsón megépíteni?
Szia!
Tudom, nagyon, nagyon off. Lehet, hogy ki is törlik... A másik oldal: Philips RC5: 32 eszköznek küldhető egységenként 128 féle parancskód. Az adó és a vevő két kis kontroller (kb. 200 -250 ft). Egyetlen vezeték sincs, ekkor kell még vevőnként egy TSOP1136 infra vevő. Ha kihagyjuk az infra ledet, vevőt és a modulálást, még egyszerűbb az egész. Hogy mennyivel jobb, mint a MSI elemes megoldás: Az átviteli hiba detektálható, a hibás csomag eldobható, az ismételt adásból egyszer úgyis átjön. A helyigénye, fogyasztása kb. negyed annyi, a szolgáltatása rugalmasan bővíthető. Egy tokkal megoldható a dekódolt kimenet is (18 lábú tokkal 15 dekódolt kimenet), ha kell feszültséggé is alakítható (PWM kimenet pl. fényerő stabűlyzásához) vagy digitális potencióméter is vezérelhető vele (hangerő szabályzás). Ha kell az egységen mind a 128 dekódolt vezérlés 16 db 74HC595 -tel előállítható (ekkor elég a vevőhoz a 10F320 sot23-5 tokban), de vannak 100 lábú példányok is - kb 1000 .. 1200 forintért. Ha kér valaki programot, megírom - hiszen már többször feltöltöttem a DCF Nixie, a Propeller óra, a Wand óra stb topikokba forrással együtt. UART: Két vezetéken szinte korlátlan adatátvitel, hármon még visszajelzés is kapható... Vezeték sem kell -> IrDa Roman Black féle egy vezetékes átvitel Fentebb már említették az ötletet. Roman Black féle egy vezetékes hálózat
Az általam feltöltött programokkal működő Philips RC5 távirányítók. Egy 16F628A -val (420 Ft + áfa) 16 egységnek küldhető 48 féle parancs - a quartz kisórolható belőle. Átírhatom PIC16F1826-I/P -re 340 Ft+áfa...
Végülis most mit építesz? Az átvitel megoldása nem bonyolult, de hogyan kerül oda az adat, és mi dolgozza fel?
Ha egy feladatot kell megoldani, akkor az egészet egyben kell nézni, és arra keresni a legjobb megoldást, nem jó, ha egymástól függetlenül próbáljuk kezelni a részfeladatokat.
Kedves Pucuka !
Ha lehetséges akkor fel tudná tölteni a kapcsolását? Ha igen akkor tegye már meg mert nagyon kíváncsiak vagyunk rá!
Szia!
Axion2k -tól kérd... Addig is gondolatébresztőnek.... Számoljunk: 16F1826 I/P 340+áfa / db. Egy MSI elemekből állóhoz is kell a beviteli eszköz (nyomógombok), tápszűrő kondenzátor, stb. Működik 2.00 .. 5.00V között. Az adatátvitel zavarvédett és tényleg egy érpáron történik (nem 5 vezetéken), de kiváltható az adó oldalon egy tranzisztorral, egy áramkorlátozó ellenállással és egy infra leddel (kb. 50 Ft), a vevő oldalon egy TSOP4836 -tal, két ellenállással és egy 100µF /6.3V kondenzátorral (~150 Ft) ekkor a vezetékezés elmarad, sőt az adó és a vevő is mozoghat. A propeller órában a forgó rotoron is ilyen áramkör van. Egy adó infrával bruttó 500 Ft, egy vevő infrával 600. Az adó csak egy DIP18 vagy SOIC18W tok méretű, a vevő két 3p. tüskesor mérető alkatrésszel nagyobb. A penel felület is számít...
No igen, ezt tőlem kell kérni. Azaz nem is kell kérni, mert magamtól is megfogom tenni. A cikk 99%-ban kész van, az áramkör szimulátoron tesztelve, hibátlan. Csupán a prototípus, illetve a kis széria legyártása van hátra, hogy a valóságban, is lehessen tesztelni. Ha ez is sikerrel jár (miért ne járna azzal?
) akkor fotózás, cikkbe illesztés, s már publikus is az egész.
Kedves Action2K!
Örömmel várom/várjuk a cikkedet bizonyára sok segítség lesz! ![]() Tisztelt Hp41C! Az ön kapcsolása is sokat segítene ha meglennének a .hex állományok!
Tisztelt Szabo_zoran09!
Többször kérdeztük: Mi is pontosan a feladat? Honnan kell venni a küldendő parancsokat? Milyen formában kell továbbítani? Miképen kell a vett parancsokat kiadni? Egyébként a 16F628A infra adó verzióhoz nem csak a hex található meg a lebinkelt keresésben, hanem a forrása, azaz a kommentezett asm állomány is. pl: RC5X 2.3 Az infrás vevőhoz is töltöttem fel forrást a Propeller óra és a Wand óra topikokba:base_628_88_14.zip, Wand_628_2.26.zip A base_628_88_14 -ben pedig egy PC -vel való soros vonalas kapcsolat rajza és forrása is benne van (megszakításos, adó és vevő oldalon pufferelt uart kezelés). A kapcsolás sem bonyolult - 2 db tranzisztor... Ha végre ismert lesz a feladat, akkor lehetőség nyílik az ide való, festreszabott program előállítására is. Ekkor tudom csak megírni azt is, hogy milyen típusú kontroller lesz optimális a feladathoz...
Hát már megint csak magammal beszélgetek...
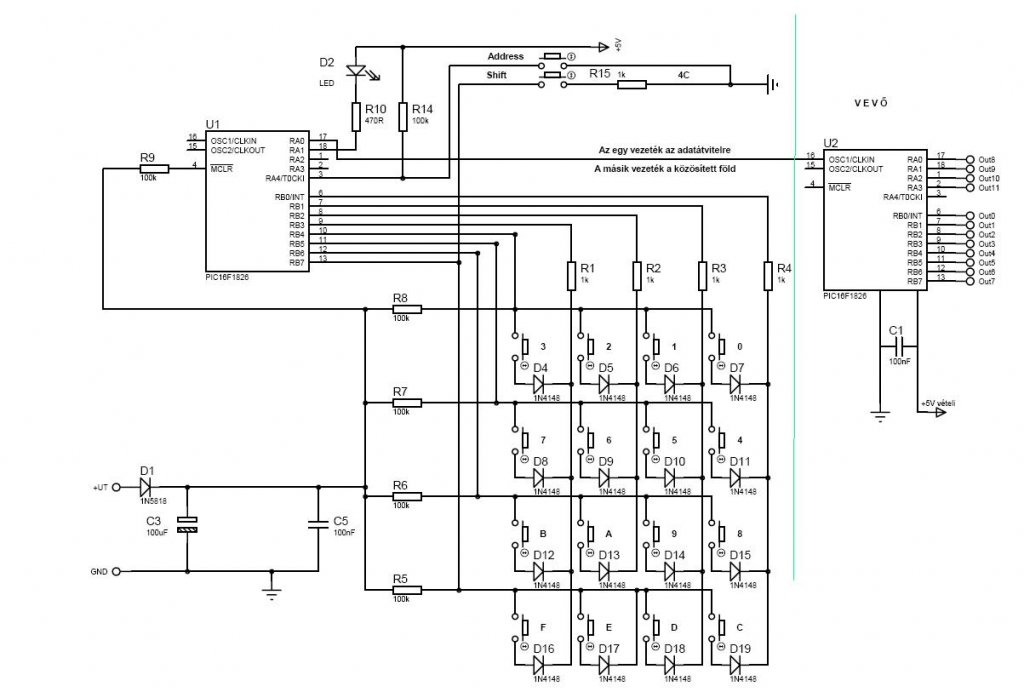
Mivel nem lehet tudni pontosan mi a feladat, induljunk ki abból, amit Axion2K feltételezett. Adva van 4 bit cím, 8 bit adat. A 4+8 bitet egy vezetékpáron kell átvinni a vonalra felfűzött maximum 16 vevőnek. A vevők csak a címükkel egyező táviratban szereplő adatot veszik és adják ki a 8 párhuzamos kimeneten. A vevők címe kapcsolósorral állítható be, egy vezetékre nem csatlakozhat két egyformán beállított vevő. Egyébként ugyan azokat a táviratokat veszik. Ha a kapcsolatot egy 9600 Baud, 8 bit, no parity, 1 stopbit formátumú vonallal készítjük el, célszerű a már említett 16F1826 kontrollerek (340+áfa) belső uart egységét felhasználni. A kontroller belső 16MHz-es óráról jár, a PORTA 7..4 biteken a címet fogadja (adó esetén a rendeltetési cím, vevő esetén a vevő saját címe), a PORTB7..4 valamint PORTA 3..0 az adat (adó esetén a küldendő, vevő esetén a legutóbb vett). A PORTB0 lefutó éle az adón a távirat küldését indítja, a PORTB0 fellfutó éle a vevőn a új adat vételét jelzi. A kapcsolathoz az adó PORTB2 -jét kell a vevők PORTB1 lábára kötni. A táviratot az adó "aAcCC" formában adja ki (az A a adó címbemenetein beállított cím 4 bites hexadecimális formában, a CC a parancskód bemeneteken beállított érték 8 bites hexadecimális formában), ami egyszerűsíti a tesztelést. Pl. PICKit2 Uart tools vevő bemenetére lehet kötni a vonalat és a PC -n nézni az adatforgalmat. Az adó és a vevő programja az átláthatatlanság méretét verdesi: az adó 106, a vevő 188 utasításból áll. A tápegységen, a tápszűrő kondenzátorokon kívül nem kell más alkatrész... A feladat, a távirat formátumának ellenőrzésével, olvasható adatátvitellel megvalósítva 1 - 1 DIP18 tokkal és az alatta vagy SOIC18 tokkal és a mellette elférő SMD1206 méretű tápszűrő 100nF -os kondenzátorral.
Sziasztok!
Elnézést mindenkitől de az előző írásomra sem volt időm befejezni. Na a cél: Az lenne a cél hogy adott 4 gomb és össze van rakva egy végfok amin digitális jeleket lehet adni és van hozzá egy vevő is és tudom hogy tulajdonképpen ez egy távvezérlés de a topikokban egy számomra értelmes konkrét ic-t vagy pic-es kapcsolást. A vél az hogy ha a négy gomb valamelyikét megnyomom akkor azt bármilyen kódolással egy vezetékre lekódolja és azt egy másik ic-vel vagy PIC-es kapcsolással vissza lehet kódolni. Az is jó lenne hogyha egyszerre több gombbal is lehetne használni. A csatornák az az a gombok száma több is lehet mint négy . A másik lényeges dolog az lenne hogy 1000Ft-ből kijöjjön az adó-vevő páros összesen. gondolkodtam még a HT12d + Ht12e pároson csakj nem igazán ismerem őket.
MT 8870 + TP5089 DTMF páros igaz 2 vezetéken (egy vezeték amúgy sem vezeték) igaz több mint 1000 ft a kettő (de körítéssel 2000 alatt van) ,de több kilométerig tudsz vele 4 gombot egymástól függetlenül átvinni.(dtmf adó vevő páros) Mondjuk 20-30 ms késleltetéssel.
Szia!
A fenti kód alkalmas erre is, hiszen az adó RB7..4 bitjére kötött jelekre lehet változásfigyelést tenni. Amúgy az is megoldható, hogy a 8 bemenetet programozottan figyelje... Kell a címzés? Több vevőnek függetlenül kell adni? Ha nem kell, azokat a bemeneteket is el lehet használni nyomógomboknak. Azaz a fenti program - egy igen kis módosítással - már most is tudja, amit kérsz... 445 Ft / adó, 445 Ft / vevő.
Ha elég a 8 nyomógomb, akkor egy 14 lábú kontroller is meg tudja csinálni: 16F1823 - 290+áfa, 16F1824 - 310Ft+áfa...
Szia!
A TP5089 jó lenne ha lenne dekódolója.
Szia!
Ha van hexa kódod akkor összerakom és szerintem jó is lenne mert olcsó és PIC-es ebböl kifolyólag fejleszthető lenne. (én nem értek a programozáshoz de aki igen az kitalál egy jobbat és akkor 5 perc alatt frissítve van)
A Hp41C amit ajánlgat, addíg fogadd el, míg lehet. A legjobb megoldás a feladatodra, és a legolcsóbb is.
A HT12 enkóder/dekóder páros csak 4 gombot tud kezelni, hiába van 8, meg 12 bites címzés, azzal csak azt tudod beállítani, hogy a páros felismerje egymást. És nem bővíthető, nem rugalmas, szemben a mikrovezérlős megoldással. |
Bejelentkezés
Hirdetés |












