Fórum témák
» Több friss téma |
Sziasztok!
A szilárd-test relékről szeretnék minél több információt gyűjteni, elsősorban: -felépítése -működési feltételek, hogyan, és meddig működik -miért alkalmazzák, mekkora frekvenciájig... Köszönettel Zolee
hi
talan ez segítségere lesz : http://www.uoguelph.ca/~antoon/circ/solidstate.html http://www.uoguelph.ca/~antoon/gadgets/relays/relays.html
Bizonyos feltételekkel helyettesítheti az elektromechanikus reléket. A kapcsolási számuk elméletileg korlátlan,ha a paramétereit nem lépjük túl. Tulajdonképpen közös házban - sok esetben diszkrét elemekkel - felépített antiparalel tirisztorpáros vagy triacos (AC) ill. tranzisztoros, FET-es (DC) kapcsoló. Az AC kapcsolókban legtöbbször nullaátmenet-detektor gondoskodik a zavar minimalizálásáról. Bemenetük optocsatolóval elválasztott, a LED-oldalon FET-áramgenerátorral. Ilymódon általában 3 tól 32V-ig bármilyen feszt elfogad. Léteznek váltakozó-fesz bemenettel is. Hátrányként említem, hogy elég drága: mondjuk egy 10A-es 230VAC-s 4-5kHUF. Diszkrét elemekből ugyanez megépítve 800Ft-ból kijön.
Ez teccik ami a második linken van.
Nagyon egyszerű. Bár nekem is van egy hasonló rajzom...
Hát...igen.Amikor ez a rajz készült, talán még nem ismerték az optotriacot, ami létezik beépített nullaátmeneti kapcsolóval is.
Én is épp most élesztettem a "sajátépítésű" szilárdtest relémet.
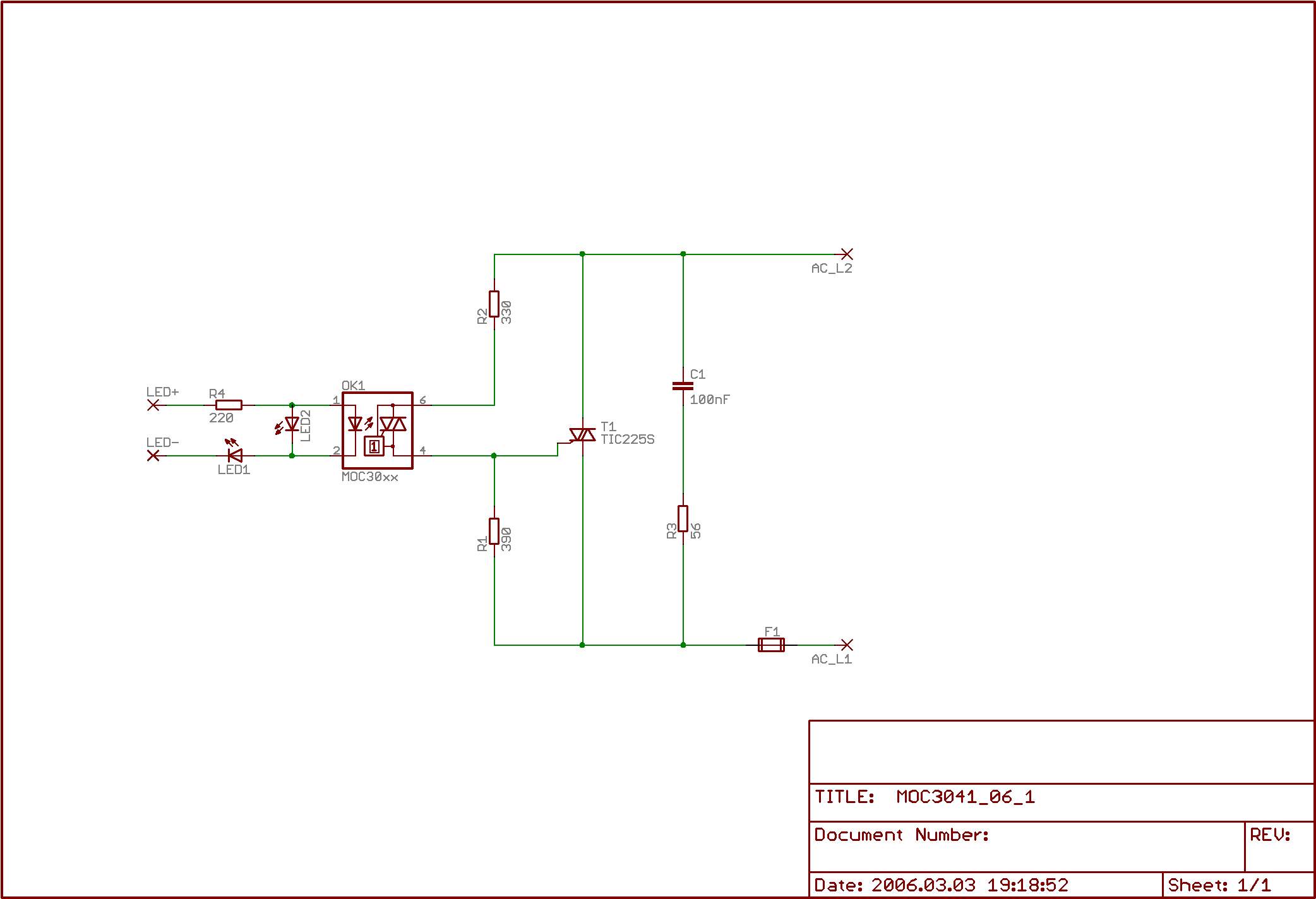
Idézet: Ebben egy MOC3041-es optocsati adja a vezérlést a TB139-es triacnak. Első próba sikeres. Holnap lesz a terheléspróba „Majdnem ijet TRIACdriver.GIF.” , és ez sem kerül több 10Ezerbe. Azon m- , hogy a gyári változatok (persze biztosan jobb minőségű) miért ilyen drágák. Már egy jó pár éve figyelen az árak alakulását, és semmi pozitívum , illetve csak az van , mert az árakat mintha odaragasztottákvolna! Vagy csak nemtaláltam meg a megfelelő forrást!
fel tudnád nyomni a kapcsrajzot?
én is már több rajzon láttam ezt az optotriacot, csak volt egy rakat optocsatolóm és ezért mindig az én kapcsolásomat használtam. Esetleg fel tudnád rakni a Te rajzodat is? Ez a MOC3041 nehezen beszerezhető v minden elektro boltban kéne lenni? Mivel nem pesti vagyok ezért nagyban befolyásolja az építési kedvemet a bolt készlete is...
Én ezt építettem meg. (Lásd mellék. A ZIP-ben az EAGLE-s fájlok is melékelve vannak.)
Ez a gyári adatlap alapján lett elkészítve. Lehet, hogy még lehetne csiszolgatni, de eddig kifogástalanul nűködik. A MOC3041-es nullaátmenet vezérlésű, THT ez inkább a mechanikus relé kiváltására való. A gyári adatlap kisseb RC értéket javasol a triaccal párhuzamosan. De ezek az értékek erre a terhelésre beváltak, és induktív cuccokat is gond nélkül kapcsol. /Ja a rajzon a MOC bemenetéhez csak az egyik ledet kell beépíteni. Vagy sorba, vagy párhuzamosan.../ Kérdezni - keresnikell az alkatrészt, és előbb - utóbb beszerzik... Alkatrészügyben PLD lehet kapni MOC3041-et itt is elfogadható áron. Persze men ez az egyetlen üzlet ahol beszerezhető! Én is postán szoktam kérni a rendelés elküldését...
Szia!
Ha a Te kapcsolásodat építem meg, hogyan tudom szabályozni, hogy mikor kapcsoljon a triak? Vagyis pl. a forrasztópálám erejét? Egyszerűen, ez arányos a MOC30..-ra adott feszültséggel?
Nem! Mert ez az alkatrészt nem erre találták ki, tehát a kimeneti "teljetsítmény" nem lessz aránoyos a LED áramával. PLD pákánál a szabályzást az időintervallummal lehetne szabályozni, azaz a be és kikapcsolások arányával. /Mint a hagyományot bimetálos hőfokszabályzók./
A MOC3041-es optocsti nullaátmenet vezérlésü, tht. a MOC3041 sak a szinuszhullám pólusváltásakor gyújtja be a triacot. Így ezzel az alkatrésszel inkább a hagyományos relét lehet kiváltani. De ha fázishasításos szabályzást kell kialakítani! Akkor a MOC3020-as kellene kipróbálni a fentebb közölt elrendezésse. A fázishasításos teljesítményszabályozáskor a MOC3020-as a triacot a színuszhull bármelyik szakaszán betudja gyújtani. (Szét lehet hasítani a fázist.) Persze itt megkell oldani, hogy a MOC LED-je a megfelelő időben kapja a vezérlő inpulzust, különben csak mint relé működne a kapcsolás. Gondolom én ...
És egy kis segítség a MOC3020-as hoz...
Hali !
Tud-e valaki adatlapot a következő szilárdtest reléhez? mitsubishi electric SF 16 DRZ- H1-4 Köszi Sanya
Hy! Tudna valaki olyan relétípusokat mondani amelyeknek elég az 1,5 V bemeneti fesz.?
Ennek a tipusnak elég az 1.3V (NIMH 1 cellája) is, hogy működni tudkon...
Természetesen a sallangokat nem kell az opto-led elé bekötni. Mihez kell ilyen kicsi vezérlő feszültségű E-relé?
A "gyári" szilárdtest relék, zöme (szerintem mind), bemeneti feszültsége 5-30V-ig lehet, mivel áramgenerátort is épitenek bele az eszköz védelme és a sokoldalú használhatóság miatt.
Kis kutakudás után megtaláltam ezt a tipust S216SE2. Elvileg elég ennek is az 1.2V, hogy a 20mA vezérlőáram meglegyen...
Jöhetne sűrűbben is. De biztosan nem érr rá... :unalmas:
Az S216SE2 nem volt egyik boltba sem, viszont volt ami ehhez hasonló csak a gond az hogy 40000 Ft-ba kerül. Eléggé meglepődtem, azt hittem ez egy pár Ft-os alkatrész. Nekem olyan alkatrészre volna szükségem amivel 1,5 és 4 V között ingadozó feszültséggel tudok kapcsolni egy 4,5 V-os áramkört!
Optikailag leválasztva?
Hány ampert kellene kapcsolnod? Mihez - milyen projekthez kellene?
Vettem egy riasztót a motoromra 200 Ft-ért és egy higanykapcsolót 1000 Ft-ért. A kettő közé pedig tettem egy játéktelefonból kiszerelt elektronikát, aminek a szerepe az hogyha a kapcsoló zár akkor (telógomb lenyomva) megszólal a riasztó és egy megadott ideig (amíg a dallam tart) riaszt. A próbléma az hogy az áram (dallam) 1,5 és 4 volt között ingadozó rezgésekkel teli fesz, ami a riasztónak néha jó néha nem. A relé ahhoz kell hogy a riasztó a saját tápjáról tudjon menni és a dallam kapcsolja ki és be. Persze jól jönne egy új elektronika is ha a relé nem megoldható. A kritérium az lenne hogyha leveszem a gyújtást és a cucc áramot kap akkor ne szólaljon meg a riasztó (hiába van zárva a kapcsoló) csak akkor ha a kapcsoló átbillen zárásból nyitásba vagy fordítva. A riasztás időtartama pedig kb 1 perc legyen. Ha tudna ebben valaki segíteni nagyon megköszönném.
Idézet: „A próbléma az hogy az áram (dallam) 1,5 és 4 volt között ingadozó rezgésekkel teli fesz, ami a riasztónak néha jó néha nem.” Ezt egy diódával és egy kondival könyen egyenirányithatod... Ezután egy újrainditható MMV kell aminek késleltetési ideje Idézet: . „pedig kb 1 perc legyen” A kapcsoláskialakítható a közkedvelt NE555-ből is... Idézet: „A relé ahhoz kell hogy a riasztó a saját tápjáról tudjon menni és a dallam kapcsolja ki és be.” Tiszta sor. Kisebb teljesítmény kapcsolására a darlingtonos optocsaitk szerintem jók, pl: CNY48, TIL113, TIL127, STB. Ha mégsem elég, akkor vannak nagyon kicsi (közel DIL16 tokméretű) relék is, pl: HARLIN HE720A0500, STB... Idézet: „A kritérium az lenne hogyha leveszem a gyújtást és a cucc áramot kap akkor ne szólaljon meg a riasztó (hiába van zárva a kapcsoló) csak akkor ha a kapcsoló átbillen zárásból nyitásba vagy fordítva.” Erre egy éldetektor a legjobb megoldás amit szintén lehet késleltetni... Remélem tudtam segíteni valamit. _jani_
Köszi a segítséget! Még elég kezdő vagyok, ezért nemnagyon tudom hogyan nézne ki ez a kapcsolás, de azért elképzelésem van. Ha tudnál adni egy kapcsrajzot konkrét alkatrészlistával az nagy segítség lenne.
A telefonos elektronikáról már lemondtam: próbáltam 1 µF-1000µF kondival és 4,7-1000-ig ugyanaz az eredmény volt, riaszt de más hangon inkább csak visít. Egyenirányítottam bár feleslegesen mert amúgyis egyenáram megy a hangszóróba.LED-et rákötve folyamatosan világít. Multiméterrel megmértem 4 V-ot ad. 4N25 optocsattal rákötöttem a riasztó tápjára ( 3 gombelem) hátha kevés neki a 4 v, de semmi változás. Már csak kíváncsiságból érdekelne miért nem jó ez az áram a riasztónak?
A 4N25 ledjére is adtál áramot? [off] Ezt az optocsatolót is lehet úgy tekinteni mint ha relé lenne. Ha a ledre nytiófeszültséget adsz, akkot a fototranzisztor zár (az opto kimenete, be van kapcsolva). Ha a LEd-et nem vezérled, akkor a fototranzisztor nyitott (az opto kimene kikapcsoltnak tekinthető).
Egyenfeszűltséget tartalmazó kapcsolásból, egy soros kicsatoló-kondenzátor sigítségéven tudod a váltóáramú jelet levenni. Persze h. használható legyen valamire ismét egyenirányitani kell. De itt feszültség csak válóáramú jel hatására fog lenni...
4N25 ledjére ment a dallam és mint lésőbb rájöttem dallam is jött ki nem pedig zárás, ahogy egy mechanikus relé esetében lett volna, ami a rezgést nem viszi át. Ebből persze arra gondoltam h a rezgés a baja a riasztónak, de akkor a kondi nem végzi jól a feladatát? ezekszerint valamit csak átenged. Párhuzamosan kötöttem és 1-1000µF-ig teszteltem őket.
HF jel leválasztására ez az egyenirányító kapcsolás kell. Szűkség lehet még egy tranzisztoros jelerősítésre is, mert nembiztos h. elég lesz a fesz egy led meghalytására.
Sziasztok!
Van egy kapcsolásom és nem tudom hogy mi ez a jelölés ami be van karikázva. én egy relére tippeltem. Aki esteleg tudna segíteni azt mrgköszönném. |
Bejelentkezés
Hirdetés |







, és ez sem kerül több 10Ezerbe.
, hogy a gyári változatok (persze biztosan jobb minőségű) miért ilyen drágák. Már egy jó pár éve figyelen az árak alakulását, és semmi pozitívum
, illetve csak az van
, mert az árakat mintha odaragasztottákvolna! Vagy csak nemtaláltam meg a megfelelő forrást! 






