Fórum témák
» Több friss téma |
- Ez a felület kizárólag, az elektronikában kezdők kérdéseinek van fenntartva és nem elfelejtve, hogy hobbielektronika a fórumunk!
- Ami tehát azt jelenti, hogy a nagymama bevásárlását nem itt beszéljük meg, ill. ez nem üzenőfal! - Kerülendő az olyan kérdés, amit egy másik meglévő (több mint 17000 van), témában kellene kitárgyalni! - És végül büntetés terhe mellett kerülendő az MSN és egyéb szleng, a magyar helyesírás mellőzése, beleértve a mondateleji nagybetűket is!
Hello!
Kizárólag a kábel keresztmetszetétől és a terhelő áramtól függ. (Na meg a kábel fajlagos ellenállásától de ha az réz, akkor az 0,017Ohm/m/mm2) A kábel is egy ellenállás. Jó esetben elhanyagolható a terheléshez képest. A terhelő áramot ki tudod számolni, a vezeték ellenállását katalógusból, vagy R=rho*l/a [rho a fajlagos, "l" a hossza méterben (de oda vissza), "a" a keresztmetszet négyzetmilliméterben] Így megkapod a vezeték ellenállását, és kiszámolhatod a rajta eső feszültséget. Ha átszámolod teljesítményben, már is tudod hogy mennyi a hasznos, és a veszteségi teljesítmény. A Led-eknél célszerűbb a soros kapcsolás, mert így pld. 3 Led is 20mA-t fog enni mint egy, de háromszor jobb a feszültség kihasználás ha 12V-ról táplálod. Vagy is ugyan annyi Led alkalmazásánál, az áram harmada lesz. üdv! proli007
Hello!
- Igen a galvanikus elválasztás azt jelenti, hogy nincs fémes (ohm-os) kapcsolat a két rész között. - A transzformátor is megvalósítja ezt. Az áttranszformált feszültség, a primer és szekunder menetszám arányától (áttétel), és a primer feszültségtől függ. Uszek=nszek/nprim*Uprimer (veszteségeket figyelmen kívül hagyva) - Csak váltakozó áramot lehet transzformálni. Oka, hogy indukciót, csak a változó fluxus hoz létre. Természetesen váltakozó feszültség az eredmény a szekunderen. A primer és szekunder teljesítmény azonos, tehát ha 240V-ot 24V-ra transzformálunk le, akkor az áram a szekunder oldalon tízszer nagyobb lehet, mint a primeren. Vagy is ha 100VA-el terheljük a szekundert, akkor a primer is ennyivel terheli a hálózatot. üdv! proli007
Uhhh, ezt most nem annyira értem. Az megvan, hogy 4 bitet demultiplexálok. De aztán a másik négyet egy ötödikkel? Hogyan hiszen csak 8 bit van. Ez hogy kell elképzelni?
Hello!
Használhatsz, de csak abban sz esetben, ha az egyenirányított oldalnak semmi köze nincs egymáshoz. Vagy is ott nincs már összekötve semmi.. üdv! proli007
Hello!
Úgy kell érteni, hogy a az alsó négy bitre mind a négy DMPX párhuzamosan rá van kötve. Mind a 0..15-öt dekódolja, csak a felső DMPX mondja meg, hogy melyik adhatja ki is a jelet.. Tulajdonképpen az alsók DMPX-ek, a felső meg egy címdekódoló, csak az is DMPX-ből van. üdv! proli007
Nagyon szépen köszönöm, most már mindent megértettem.
Bocs ha nagyon amatőr kérdéseket teszek fel, de még csak most kezdek ismerkedni az elektronikával és nagyon érdekel minden. Szintén lenne itt még egy "idétlen" kérdésem, hogy a váltóáram az azt jelenti hogy egy azon hordozón pozitív és negatív töltésű elektronok is megtalálhatóak? Ettől az áram iránya folyamatosan változik? Úgy tanultam eddig hogy az áram a negatív -tól a pozitív irányba mozognak. Lehet nem jól fogalmaztam, de úgy értem hogy a negatív töltésű elektronok haladnak a pozitív töltésű elektronok felé és arra törekszenek hogy kiegyenlítsék a feszültséget? Ezáltal gondolom hogy minél nagyobb a feszültség annál gyorsabban haladnak a negatív elektronok a pozitív irányba, így felgyorsítva az elektronok áramlását ami növeli az áram erősségét? Lehet egy kicsit túl komplikálom de szeretném ezeket az alap dolgokat helyre rakni magamban mielőtt tovább lépnék. Köszönöm a válaszokat!
Esetleg egy rajzzal tudnál szolgálni, nagyon megköszönném mert tényleg nem tudom, hogy is lehet
Hello!
A váltakozó áram alapvetően azt jelenti, ami a nevében benne van. Hogy váltakozó áramiránnyal folyik. Nem egy irányban, mint az egyenáram. A két kapcson valóban megtalálhatók a pozitív és negatív töltések, csak épp nem egyidőben. Mert épp az idő a lényeg, amit szép csendben "elhallgatunk". Az áramnál is az idő a lényeg, hiszen az nem más, mint a vezető keresztmetszetén 1 másodperc alatt átáramló töltések mennyisége. Ha ez egy másodperc alatt egy coulombnyi, akkor pont 1A áramról beszélünk. Vagy is ez 1Q/sec-et jelent. Áramirányként egy fizikai és technikai áramirányt különböztetünk meg. Áramnak a töltéshozdozók áramlását nevezzük, fizikailag a negatív töltésű elektronos áramlanak. De a technikai áram irány megegyezés szerint, pont az ellenkezője, vagy is a pozitívtól a negatív töltések felé. Bár szerintem még nem látta senki, mi a valós helyzet, de nem is lényeges. Méréseknél és számításoknál a lényeg, hogy mindenhol egységes áramirányt vegyünk fel. A többi igazából meg nem számít. Itt általában nem a fizikai valóság érdekes, hanem annak alkalmazása. A töltések kiegyenlítődése a cél, nem a feszültségé. A feszültség, két töltéssel rendelkező pont potenciál különbsége. Az elektronok gyakorlatilag állandó sebességgel mozognak a vezetőben, ami közel fénysebesség. Ha nő a feszültség, akkor nem a mozgás sebessége fog növekedni, hanem az a "nyomás" ami hajtja Őket. Növekvő feszültségre az áram akkor nő, ha az ellenállás amin átfolyik állandó. De pont ezen összefüggést írja le az OHM törvénye. Elektronika szempontjából az alapok, az ismert villamos törvényszerűségek. A fizikai ismert tényleges alapok ( alaptudományos kutatások) évről évre felülírják önmagukat. Ezzel, csak magas szinten érdemes foglalkozni. Amatőr szinten nem. Változások azért vannak, mert léteznek összefüggések, mire nem jó a már megismert/alkalmazott törvények. Ekkor változnak a dolgok, nézetek. Erre pld. jó példa maga az OHM törvény. Mert váltakozóáramú hálózatoknál ez már nem érvényes, más számítások vannak. Azok sokkal komplikáltabbak, és természetesen lehet egyenáramon is alkalmazni. De egyenáramon még is változatlanul az OHM törvényt használjuk. Felesleges komplikálni az életünket, ahol a feszültség az árammal fázisban van.. De sok mindent megtudhatsz a hálóról. Mert itt minden "alap" kérdésre választ adni nem lehet, mert új könyveket nem célszerű írni, mint ahogy a meleg vizet sem érdemes már feltalálni.. üdv! proli007
Szia!
Egy atom egy atommagból áll, ami körül az elektronok keringenek. Az atommag stabil pozitív protonokból és semleges neutronokból áll. Az elektronok, negatív töltésűek, nincs olyan, hogy pozitív elektron(pontosabban van, az elektron antirészecskéje a pozitron, de az nem ide tartozik, az már atomfizika). Tehát a pozitív töltésű részek úgy jönnek létre, hogy elektron hiány lép fel, negatív töltésű részek pedig úgy, hogy elektron többlet lép fel. Ahol többlet elektronok vannak onnan vándorolnak az elektronhiányos rész felé, így jön létre az elektromos áram. Tehát a töltések a negatív pólustól a pozítív pólus felé áramlanak, de az áram iránya megállapodás szerint ennek pont az ellentéte. Abban az esetben, ha egy oldattal rendelkezünk, akkor abban pozitív és negatív ionok is lehetnek, tehát ott a töltések mindkét irányba képesek vándorolni. A feszültség azt jelenti, hogy egységnyi töltésnek mekkora a munkavégző képessége, az áramerősség pedig azt, hogy egységnyi idő alatt mennyi töltés áramlott át a vezető keresztmetszetén. A feszültség és áramerősség között kapcsolat van, ezt mondja ki az ohm-törvény. Az elektromos jelalakokat általában feszültség-idő grafikonon szokták ábrázolni, egyenáram eseten ez egy konstans függvény, tehát mindegy mennyire megyünk előre az időben, a feszültség ugyanannyi. A váltóáram azt jelenti, hogy itt a grafikonon egy szinusz függvényt fogunk kapni, vagyis a feszültség minden pillanatban a görbe alapján változik és tartalmaz negatív és pozitív összetevőt is. A váltóáram jellemzésére használják a frekvenciát, ami megmutatja, hogy egy másodperc alatt hány periódus játszódik le, és az effektív feszültséget, ami azt mutatja meg, hogy mekkora feszültségű egyenárammal lehetne elérni ugyanazt a teljesítményt, mint váltóárammal. Üdv, mate_x
Köszönöm. Így az írásodból most még jobban megértettem az áram tulajdonságait mint a tankönyvből.
Ha 5V -ot szeretnék 24V ra erősíteni, akkor milyen alkatrészekre van szükségem és milyen kapcsolást alkalmazzak?
Hello!
Így nem érthető a kérdés. Vélhetően 5V egyenáramból szeretnél 24V-ot készíteni. Ha erre gondoltál, akkor ezt a célt szolgálják, a StepUp DC/DC konverterek. De ha 24V-on 1A terhelést szeretnél elérni, akkor 100% hatásfok mellett, is az 5V-ot 4,8A terhelné. Tehát nagyon nem mindegy miből mekkora teljesítményt szeretnél átalakítani. De az hogy "erősítés" nem helytálló. Erősíteni csak bevitt energiával lehet. Vagy is kivenni valamiből csak kisebb teljesítményt tudunk, mint amekkorát bevittünk. üdv! proli007
Értem, ne haragudj a butaságért nem értek annyira hozzá. A pontos célom az lenne, hogy az említett LPT portól egy vasútmodellt tudjak irányítani. Előre és hárta.
Az vasútmodellhez jelenleg egy piko trafót használok.
Szia proli007!
Kreáltam egy kapcsolást, megszeretnélek kérni hogy nézd már meg hogy működőképes lenne-e ahhoz a 24V-os 300W-os motor lágy indításhához. Szóval úgy gondoltam hogy kanthal 0,8mm-es huzalok lennének az ellenállások. és a K1 kapcsoló bekapcsolásakor a motorra 8 V esik, ez az első indítás, aztán hozzá a K2 amikor már 16V van a motoron, aztán a K3 az a 24V tehát a kérdésem az hogy működne-e így, illetve milyen kapcsolók kellenének hozzá, meg mekkora dióda? Köszi a válaszod!
Köszi.
A hármas kötésnél az a ciróka-maróka, hogy ha egy elpukkan, a többi sem fog világtani, s vágod, hogy milyen gáz a fugában cserélni a ledet. Még egy kérdés... bár ez csak elméleti szinten lehet érdekes: Az örvényáram beleszól a képletedbe? Csak azért kérdezem, mert keresztmetszetet említesz, de emlékeim szerint az áram nem a teljes keresztmetszeten folyik. Ill. még egy kérdésem lenne (tényleg az utolsó miért kell oda-vissza számolnom a hosszt?Nagyon köszi
Ha a LED nem kap túláramot(-feszt), akkor az élettartama cca. 30000 óra min.. Az áram cca 0,5MHz frekvencia feletti frekin kezd el a felületen "közlekedni" ("bőrhatás"). Amely áram az egyik ágon elindul, az a másik ágon meg kell, hogy érkezzen, tehát mindkét ágon "közlekedik".
Sziasztok!
A kérdésem csak közvetetten kapcsolódik az elektronikához, de ha valahol, itt esélyes, hogy kapok rá választ. Napelem forgató mechanizmust keresek, de semmiképpen sem elektromosat, inkább rugós óraművet. Találkozott már valaki ilyesmivel? Nagyjából A4-es lap méretű táblát szeretnék mozgatni, ez még változhat. Tehát valami felhúzós dologban gondolkozom, ha nincs ilyen, akkor talán egy nagy vekkert át lehetne alakítani. Köszönöm!
Sziasztok!
Az lenne a kérésem, hogy nem csinálna e, valaki nekem egy áramkört, a 2 LED-es villogóroll ami, működne is! ![]() Köszönöm.
Sziasztok, van egy diódám
BA157 (1A 400V 150ns) és azt szeretném tudni, hogy ha a digit multi dióda állásban mutat egy számot (elvileg 485, másik irányban semmi) akkor ez jól működik. Köszi a segítséget!
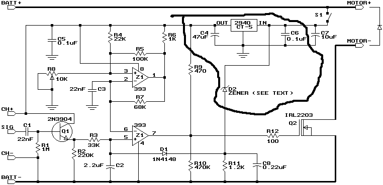
Üdv az alábi kapcsolásban milyen szerepet tölt be a a bekarikázott rész ?
Sziasztok!
Van egy nagyon régi, rossz állapotú laptopom, amelyen a Win95 éppen elfut. A műhelyemet tervezem, szervezem, ezért azt találtam ki, hogy levinném oda arra, hogy szkópként használjam. Ezzel is lehetne olyan hangkártyás szkópot csinálni, mint a többi géppel. Nagyon gyenge a teljesítménye, 500-600 mHZ max. Mikrofon aljzata elméletileg van. Illetve van esély arra, hogy a Sprint Layoutot kezelni tudja, hogy használhassam rajznézegetésre forrasztás közben? Helyesbítenék, egy Toshiba Satellite 210cs-ről van szó...
Igen tudom, gondoltam ha a körpálya megvan, egy íves sínnel lehetne terelni a tengely dőlését. Így amellett hogy körbefordul, billenne is. Nem kellene sebészi pontossággal működnie, ha csak közelít a merőlegeshez máris jobb mintha csak vízszintesen lenne a panel.
A linkeket átböngészem, köszönöm!
Hello!
Nincs semmi gond, csak ebben a formában nem lehet válaszolni a kérdésre, ezért írtam. Néha egyszerűbb és célravezetőbb, ha egyszerű szavakkal leírod mi is a cél. Az LPT portra lehet csatlakoztatni pld. egy optocsatolót, aminek kimenetével már kapcsolhatsz egy tranyót, és az a vonatot. De gondolom ez még édes kevés számodra, mert ha jól emlékszem ez a PIKO trafó, polaritást is vált és ellenállással szabályozza a sebességet. Vagy is azért át kell gondolni kit is vársz el ettől a port vezérléstől. Természetesen ha a tranyóval egy relét kapcsolsz, az kapcsolhatja a PIKO kimenti feszültségét. Így az irányt is. De hogy egyszerre ne tudjon előre és hátra is vezérlést kapni, valami kereszt retesz kell. Vagy hardveresen a relénél, vagy szoftveresen a programban. (előbbi egyszerűbb és biztosabb) De mind ez, csak beszéd a levegőben, míg nem tisztázod magadban mit is vársz el az áramkörtől. A portán minden esetre csak egy logikai jelet tudsz levenni, "megy-nem megy" alapon. Optocsatolót azért célszerű használni, nehogy a PC belegebedjen a vonatozásba.. üdv! proli007
Hello!
- Ezzel a felállással több fokozat is készíthető. OFF, K1, K2, K1+K2, K3. - Én nem kapcsolókat, hanem reléket alkalmaznák. Ekkor a kapcsoló lehet akármilyen nokedli kisáramú is, hiszen a reléket kell csak működtetni. A gépkocsinál használatos relék, 30..40A-t is tudnak, legalábbis adatlap szerint. - Védődióda csak abban az esetben kel a motorra, ha félvezető kapcsolná az ellenállásokat. A reléhez már lehet diódát alkalmazni, mikor a K1 és K2 kapcsolót egy időben szeretnéd működtetni. De oda megfelel egy 1N4001..4007 is. üdv! proli007
Hello!
Látom a filozófiai szakot is felvetted.. - Legalább akkora kaland egy Led-et cserélni,mint hármat. - Az örvényáram, a váltakozóáram által létrehozott mágneses tér anyagban történt ellenindukált feszültsége által okozott veszteségről szól. Apró gond, hogy itt alapvetően egyenáram van, tehát változó mágneses tér, csak ki és bekapcsolás pillanatában van maximum. Állandó áram által létrehozott mágneses tér nem okoz ellenindukált feszültséget, lévén hogy fluxusváltozás sincs. - Amiről Te beszélsz, az a skin , vagy is a bőrhatás. Ez erősen frekvencia függő, és itt újfent egyenáramról beszélünk. De ha hálózati 50Hz-el táplálnád a Led-eket (villognának) akkor jelentkezne, ha 100mm feletti huzalátmérőt használnál.. - Azért, mert az áram elmegy a Led-hez, és onnan visszafelé is kell hogy jöjjön. Mert csak a víz tud egy csövön folyni. üdv! proli007
Hello!
A bekarikázott rész két külön funkció. - A 7940 egy stabilizátor, ami az áramkör tápfeszültségét szolgáltatja. - A D2,R11,C8,D1 a kapcsolás alacsony feszültségű védelme. Vagy is ha kicsi a táp, nem ad a motornak vezérlést. (Mert gondolom az áramkör működése sem tiszta: Ez valami hangfrekire ugráló motorvezérlő. Az LM339 egy PWM szabályzó, ami a vezérlő jelét a Q1 tranzisztor emitter feszültségéből kapja az R3 ellenálláson keresztül. Ha kicsi a tápfesz, a zéner nem vezet, így D1 kinyit és az R3 által szolgáltatott vezérlő jelet, levezeti R11-en keresztül. Így nem lesz vezérlő jel, a motor áll. Ha meg van a tápfesz, akkor R11-en mérhető feszültség nagyobb, mint a C2-ben mért vezérlő feszültség, és D1 zárva van. Működik a PWM) üdv! proli007
Nagyából tudom hogy mit kéne neki csinálni de hogy tudnám esetleg kihagyni ezt a részt?
Hello!
"Minek az autómban a tank! Nem lehet kihagyni?" Miért is hagynád ki? - Legfeljebb az alacsony feszültség védelmet tudod elhagyni, mert ez vélhetően telepes tápláláshoz készült. Kiveszed az előbb felsorolt alkatrészeket. - A stabilizátort meg nem lehet kihagyni, mert ha elindul a motor, és a tápfesz változik, rángatni kezd majd a motor" üdv! proli007
Sziasztok!
Az lenne a kérésem, hogy nem csinálna e, valaki nekem egy áramkört, a 2 LED-es villogóroll ami, működne is! Köszönöm.
Bővebben: Link
Mi ezen olyan bonyolult? Még a működése is bőven le van írva. |
Bejelentkezés
Hirdetés |





miért kell oda-vissza számolnom a hosszt?





