Fórum témák
» Több friss téma |
Ezt úgy nevezik, hogy bistabil vezérlésű relé. Nincs más dolgod, mint építeni egy bistabil áramkört, aminek a kimenetén egy relé csücsül. Azzal pedig kapcsolgatod a tápfeszt.
Szerk.: "Be/ki kapcsoló egy nyomógombbal" Ide elfért volna a kérdés.
Szia csak egy ki be kapcsolü nyomógombal kapcsolás kell Bővebben: Link
Sziasztok!
Túrom a fórumot és a netet egy ideje, de nem lelem, ami kellene. Röviden: van 3 bistabil relém, amiket kapcsolgatnom kellene, méghozzá úgy, hogy egy nyomógomb megnyomásával hol az egyik, hol a másik állapotába billenjenek át a relék. 12V-ról járnak a relék és a kapcsolásnak is erről kellene mennie, és jó lenne, ha a 2 kimeneten, amik a relék R és S bemeneteit vezérlik, nem állandó fesz lenne, hanem csak impulzus, ami átrántja a relét, de nem eteti árammal a tekercseket folyamatosan. A relék 120mA-t vesznek fel összesen átkapcsoláskor. Be-ki kapcsolást találtam itt rengeteget, de hogyan lehetne legegyszerűbben megoldani a relék vezérlését? Kösz előre is. Öreg
Hello!
Kis ellentmondás van abban amit írsz. Ha nyomógombot használsz, akkor már is teljesül amit szeretnél. Kivétel, ha rajta ülsz a gombon. De ha még is, akkor lehet használni monostabil multit, vagy egyszerűen egy soros kondit. Csak azt kell megoldanod, hogy két gombnyomás között a kondinak legyen ideje kisülni. Ez lehetne akár a nyomógomb nyugvó érintkezője, vagy ha ilyen nincs, egy ellenállás pld. a kondival párhuzamosan. A kondi szükséges kapacitását, persze ki kell próbálni, hogy mekkorával hajlandó behúzni a relé. üdv! proli007
Bocsi, ha nem voltam elég világos.
Szóval 1 db nyomógomb van, és ezzel kell a bistabil relé R és R bemenetére felváltva feszt kapcsolgatni. Ezt a témában leírt kapcsolással jó eséllyel meg tudom csinálni, a Q-ra rákötöm az egyiket, a Q negáltra a másikat. Ugyebár, a bistabil kapcsolás kimenetein az átbillentésik folyamatos fesz van. A sorba kötött kondi jó ötlet, kösz, majd kísérletezek vele, bár a kapcsolónak nem sok köze lesz a kondihoz, lévén a kapcsoló a bistabil áramkört fogja vezérelni. Ha nem jön be, marad a monostabil multi, bár szívesebben csinálnék egyszerűbb áramkört. Kösz! Öreg
Üdv!
Tetszik ez a kis kapcsolás,meg is építettem és szépen működik,én relét kapcsolgatok vele. Azt szeretném kérdezni,hogy ki lehetne-e egészíteni egy piros/zöld leddel a kapcsolást valahogy?A cél az lenne,hogy kikapcsolt állapotban piros,bekapcsolt állapotban zölden világítson a led. Üdv.:Zoli
Hello!
Természetesen ki lehet egészíteni vele. Ha a zöld Ledet (előtét ellenállással) a relével párhuzamosan kapcsolod, a pirosat pedig sorba teszed az R1 ellenállással. Az R1 értékét, pedig lecsökkented 1kohm-ra. A dolog hátránya, hogy kikapcsolt állapotban is fogyasztani fog a szerkezet. (Ha nem érthető hozzárajzolom.) üdv! proli007
Szia!
Ez gyors volt. Érthető,köszönöm!Üdv.:Zoli
Hello!
"Ha lúd, legyen kövér". Itt a rajz is hozzá. üdv! proli007
Hirtelen eszembe jutott egy szintén :lama: kérdés.Amikor a relé kapcsol és a zöld led kigyullad,akkor a piros ugye kialszik ezzel egy időben?
![]() Üdv.:Zoli
Hello! Különben mi értelme volna? üdv! proli007
Különben semmi,ezért is kérdeztem.
![]() Köszönöm a segítséget! Üdv.:Zoli
Helló
Megépítettem a képen látható kapcsolást ami remekül működik ha nyomógombot használok de én távkapcsoló relékimenetével szeretném használni de valamiért csak bekapcsolni tudok vele kikapcsolni nem van valakinek valami ötlete? Köszi
Helló mindenki!
Jó ez a kapcsolás, de nem egészen így kellene működnie ami nekem kellene. Esetleg nem tud valaki oljan nyomógombos kapcsolót ami úgy működik mint egy impulzusrelé? Köszi
Hello!
Ha a relé kimenet alatt a relé kontaktusát érted, akkor annak ugyanúgy kell működni, mint a nyomógombnak. Ha a relé tekercse helyett kötötted be az áramkört, az nem lesz jó, mert ide mindentől független kontaktus kell. De ha valami logikai szinttel szeretnéd kapcsolni, akkor pld. ezt a kapcsolást választhatod, vagy egy CD4013-at, mint itt. Ahol a D bemenet vissza van csatolva a Q-negált kimenetére. A bekapcsoláskori alaphelyzetet a tároló Set vagy Reset bemenetével állíthatod a kívánt állapotra. üdv! proli007
Helló
Igen elvileg de én egy régi cardin 4 csatornás vevőt használok ami helyettesítené a kapcsolókat. ebben a vevőbe a relé cserélhető különböző típusúakra nekem sima relé van benne és jó helyre van kötve minden. kipróbálom azt hogy a távkapcsoló egy sima relét vezérel ami kapcsolja a kapcsolót mert lehet van valami elektronika a vevő reléjén ami bekavar. Üdv.
Hello!
Köss a relé kontaktusára egy Led-et (ellenálláson keresztül. Néz meg mit csinál a távirányító. Mert azt olvastam, "Relézett kimenet, bistabil-monostabil üzemmód". (Nem ismerem ezeket) Lehet nincs is szükséged erre az elektronikára hozzá és alapból a gond is ez.. üdv! proli007
Szerintem ez a kapcsolás a vagy működik vagy nem kategóriába tartozik.
A nyomógomb pergéseit nem kezeli töképetesen. Akkor jobb lehet, ha schmitt triggeres invertert használunk, de akkor sem nagyon hiszek benne. Az a két inverter mitől fog stabil állapotot felvenni? A tuti megoldás D vagy JK tároló vagy mazoistáknak MCU.
Helló
Ez csak addig kapcsol míg a távkapcsolót nyomva tartom bár van neki 4 csatornája amiből 3 db csak NO-t tud míg a negyedik No Nc kimenete van. Szerintem amire te gondolsz az a Techno vevő annak van mono és bistabil állapota is lehet inkább átállok erre kevesebb fejtörést fog okozni nekem.
Hello!
Nem egészen jól látod a kérdést. A 100kohm-os ellenállás, pozitív visszacsatolást hoz létre. Hiszen a kétszeres invertálás, azonos fázist jelent. Ha nincs megnyomva a gomb, akkor ez egy tároló, mely megőrzi az utolsó állapotát. Az első fokozat kimenetén a bemenethez képest ellentétes fázisú jel van. Így a kondi mindig másik logikai állapotra töltődik fel, mint ami a bemeneten van. Ez biztosítja azt, hogy a gomb megnyomása esetén, a kondi "megerőszakolja" a 100kohm-on jövő visszacsatolást, a bemenet ellenkező szintre vált. és úgy is marad, ha elengeded - a 100kohm miatt. A prellgátlást, az biztosítja, hogy nyomott gomb esetén a kondi a 100kohm által meghatározott logikai szintre töltődik fel. Amikor meg elengeded, a gombot az 1Mohm*1uF=1sec időnek kell eltelni, hogy másik állapotban jusson a kondi. Vagy is hiába kontakthibázik a nyomógomb. Amikor a nyomógomb nyomva van, a 100kohm pozitív, míg az 1Mohm negatív visszacsatolást hoz létre. De győz a jobb, mivel a 100k tízszer kisebb mint az 1Mohm, a pozitív visszacsatolás hat. Én is Schmittes inverterből/kapuból szoktam ilyeneket elkövetni, de ha megnézed, készítettem két Fet-el, két tranyóval is ami kitűnően működik, pedig ott aztán nincs Schmitt, de pozitív visszacsatolás van, ami által ez is "azzá" válik. De tárolóval sem leányálom a dolog, mert a prellmentesítést ott is meg kell oldani. Különben csúnyán váltogatni fog. Adott tárolónál, viszont a kondenzátoros prellmentesítés miatt, az órajel lassú, amit nem minden tároló tolerál. Vagy is egy tároló sem olyan korrekt kialakítású áramkör, mint amilyennek a blokkvázlat alapján feltételeznénk. Akkor lenne ténylegesen univerzálisan alkalmazható, ha minden bemenete annak is Schmitt-es lenne. De nem az. Látható is hogy az R1/C1 valamint az R3/C2 is a prellmenetesítést végzi. üdv! proli007
Akkor végül is a TINA vezett félre.
Hasonló képpen gondoltam én is, de mivel bizonytalan voltam magamban TINA-ba szimuláltam a kapcsolást. NAND kapukkal és NOT kapukkal nem működött TINA-ban csak Schmitt triggeres Inverterrel, de ekkor is csak bekapcsolni tudtam ki már nem.
Hello, nem tudom, szerepelt-e már ez a kapcsolás a fórumon, ez minden érintésre állapotot vált, rajtahagyott ujjal pedig "ketyeg" a bekapcsoláskor mindig az egyik állásában indul. Vannak nyák ötletek, relére, optóra. A neten is fent van ez a kapcsolás, de sajnos helytelenül: a bemeneteket le kell húzni.
Nagyon ötletes megoldás! Olyan változata is van ami "nem ketyeg" otthagyott ujjal, hanem csak egyszer vált?
Olyanról nem tudok, de ha a ellenállások és/vagy a kapacitások értékeit megnöveled, akkor ez a ketyegés lelassul, cserébe nem lehet olyan gyorsan váltani az állapotot.
Hello!
Remélem ez is megfelel.. üdv! proli007
Sziasztok! A segítségetekre volna szükségem. Adott ez az áramkör: Bővebben: Link
Hogyan tudnék neki a legegyszerűbben 12V DC-t előállítani 230V AC-ből? Ellenállással megoldható? Nem szeretnék neki külön trafót. Itt most a méret a lényeg.
Hello!
Ez legfőképpen attól függ, mit szeretnél az áramkörrel kapcsolni. Mert a fogyasztást vélhetően az fogja meghatározni. Ha pedig az nem relé, akkor pedig nem mindegy ki hova van kötve, de trafó esetén mindegy. Ellenállással nem túl célszerű, mert sok lesz a hőtermelés. A 230V-os táplálásra van külön topik. De ha ezt az utat választod, akkor az áramköröd, és főleg a nyomógombod hálózati feszültség alatt van, tehát fokozottan kell figyelni az áramütés veszélyére!. üdv! proli007
12V-os relét fog kapcsolni. Akkor célszerűbb lesz a trafós megoldás?
Hello!
Természetesen megoldható trafó mentesen, de csak a fent leírt kritériumok mentén. Pld. így. Tekintve, hogy egy 12V-os relé , 50mA árammal is beéri, a kondenzátorok kapacitása fele is lehet mint a rajzon látható. (A Led és ellenállása is felesleges és a zéner is lehet 12V-os.) üdv! proli007
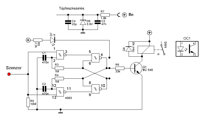
Sziasztok!
Szeretnék vezérlést építeni az autóm első parkolást segítő elektromagnetikus szenzorjához. A szenzor max. áramfelvétele 20 mA. Lenne egyetlen nyomógomb a műszerfalon, ebben egy bekapcsolt állapotot jelző piros LED. Bekapcsolás: gyújtás be ÉS gomb megnyomás (gomb elengedése után bekapcsolva marad) Kikapcsolás: gyújtás levétel VAGY gomb megnyomása VAGY gyorsításkor a központi zár záródása (7km/h sebesség elérésekor) (ekkor 1-2 másodpercig van egy ~ +14 Voltos jel) A gyújtás vezetékről felvett áram nem nagyon lényeges, de ha használva van az állandó 12 Volt, akkor onnan üresjáratban (szenzor kikapcsolva) legfeljebb 1 milliAmpert vehet fel a kapcsolás. Ez a kapcsolás leginkább járó motor esetén lesz üzemben, tehát 12-15 Volttal lehet számolni. Gyújtás ráadásakor minden esetben maradjon kikapcsolva a szenzor, csak gombnyomás után induljon. Relét nem szeretnék használni. Kérlek ha valakinek van egy kis ideje, segítsen nekem egy kapcsolási rajzzal. Ha valami infó kimaradt, szóljatok. Előre is nagyon köszi! -- Üdv, Noi |
Bejelentkezés
Hirdetés |




Érthető,köszönöm!









