Fórum témák
» Több friss téma |
Mielőtt kérdezel, a következő két dolgot ellenőrizd!
I. A helyes tápfeszültségek megléte.
II. A kimeneten van-e egyenfeszültség.
Élesztés.
Szerintem igen.
És a differenciál erősítő 2db tranzisztorát hozd azonos hőkuntaktusba. Ez jelentősen javíthat a kimeneti dc esetleges ingadozásán. Használhatsz bele pl MJ21194-et is a végére. -Ezzel talán még jobb lenne. Meghajtóknak sem tippet ajánlok.. inkább mje15034/15035g Az eleje meg Bc556b Nyugalmi áramot állító fokozat mje340 , -azzal stabil lenne
Rendben! nagyon köszönöm a segítséget,Üdv,Zsolt.
Nincs mit, az elején bc557 is lehet, ahogy említik is. Nézd meg melyikkel stabilabb ha van kedved kísérletezni vele.
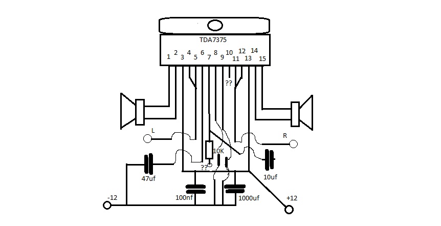
Hello.Ujra itt!Meg mindig nem jott ossze a TDA7375 ic vel a vegfokom ,pedig van 3 darab ilyen IC-m es nincs mit kezdjek vele ,mert sajnos arab vagyok a kapcsolasi rajzokhoz ezert megkernek valakit ,hogy segitsen nekem valahogy. Esetleg lehetseges ,hogy csak siman drotokkal es nagyon kevel alkatresszel uzemeljem be a cuccost ? vagy hujeseget kerdezek ?
) nyugodtan le is rajzolhatjatok paintba ha esetleg van ra valami mod.Elore kosz!
Ez megfelel?
hat nem igazan mert nincs nyakom,es a rajzokat se ertem igaazan de azert kosz!
Esetleg igy menne? a ??-hez ST BY-hoz es a diagnostics-hoz nem tudom mi jon.
Sziasztok, ma a már régebben megkezdett erőlködőmmel küzdöttem egy kicsit. (Akkor megépítettem, de nem indult elsőre. És mivel nem volt időm rá így hanyagoltam.) Ma rászántam magam és újra nekiestem. (Igaz szkóppal nem estem neki, az majd csak éjszaka lesz, amikor nincs annyira meleg a műhelyemben.) Erről a kapcsolásról van szó, ami itt csatolva is van: FET-es erőlködő
A kapcsolásban én 2 hibát találtam. A c13-as ELKÓ polaritása rosszul van, és mivel ez egy source követő kapcsolás szeretne lenni, ezért a T8 és T9-es FET source és drain lábát fel kell cserélni. (Elsőnek nem figyeltem és a rajz alapján csak gyorsan bekötöttem és a túlvilágra is küldtem egy FET-et vele. Mivel a 20V-os G-S feszültséget bőven átlépte. A tesztelésről annyit kell tudni, hogy 2*70V-tal van táplálva és 2db 22ohm-os ellenállás van a tápkörben hibavédelmi céllal. (+ biztosíték) És amit produkál az erősítő, az elég fura, mert 1Hz-nél kisebb frekivel néha lüktet. Ha egy hangszrót teszek a kimenetre, akkor néha pedig begerjed. Most a bemenetre tettem egy 100kohm-os potit és egy 3,5-es jack-et és egy kis lejátszóval teszteltem. Minden kondi értéke stimmel. A tranyók jók. Az ellenállások is jók, tehát nem értem mi lehet a gondja. Ami még fontos, ha csökken a tápfesz, akkor normálisan működik egy rövid ideig. (Elvileg ennek a 2*70V-ot tudnia kellene.) Ha bárkinek van bármi ötlete az írjon. Az éjjel meg majd nekiesek kicsit komolyabb műszerekkel is. MJE340-350-es tranyók vannak benne a T3-4-5 helyén. Üdv.: Miki
Nekem ez elsőre ment,miután a nanos és a pikos kondik a helyükre kerültek,mert nekem is lüktetett a hangszóró a kondik miatt,de én sikeresen felcseréltem a nanos és a pikos kondikat utána megszűnt és jó lett
És a T8-T9-es tranyót hogyan kötötted be? Illetve a negatív táp puffer kondiját hogyan tetted be, mert azok szerintem hibásan vannak jelölve ebben a kapcsolásban.
Üdv.: Miki
Mindent a rajz szerint csináltam a de nem ez a rajz szerint hanem ezt követtem az elkok jól vannak bekötve és jelölve megnéztem most.Mivel kettős tápról üzemel az egyik elko pozitivja lesz a föld
A ?? jelzés azt a + potenciálra kell kötni.
Ezen a rajzon jól vannak a FET-ek, bár a negatív táp ELKÓ-ja a kapcsolásban itt is rosszul van jelölve, a NYÁK rajzban viszont jó. (Egyébként a kimeneten lévő 220nF-os kondiból és 4,7ohm-ból álló RC tag hiánya lesz a hibája az én példányomnak. Emiatt gerjed be.) A rajzot feltehetnéd nagyban is. Bár mivel tudom hogy hol mi van, emiatt én rájövök könnyen, de másnak még jól jöhet.
Üdv.: Miki
Van még egy rajzom kicsit firkálva,de olvasható.
Köszi a rajzot. Már teljesen jól működik. Az RC tag hiányzott a kimenetről.
Üdv.: Miki
Valaki tud 5 sávos hangszínszabályzó kapcsolási rajzot küldeni, ami műveleti erősítőkből áll ?
Rádiókészülékek és hangerősítők építése, szerző: Sipos Gyula,
Nekem van egy pár, de mindegyik elég sok alkatrészt tartalmaz. (15 ill. 60 sávos gyári EQ kapcsolások.) Talán ez ami könnyen után építhető. Amennyi sáv kell, annyit építesz meg belőle.
Üdv.: Miki
Én pedig egy limitert akarok összedobni, mivel beindult a 2*400W+1*800W-os jószágom. És ez már megeszi a hangsugárzókat, ha valaki véletlenül odatekeri a hangerőt. Csatolok egy doksit, ez nekem szimpatikusnak tűnik. Tudtok hozzá NYÁK tervet adni. (Nem sok kedvem van most rajzolgatni. :S)
Valaki belinkelné nekem az "Alkotó"-s hangfal védő kapcsolását és a NYÁK-tervét. Mivel nem találom. Előre is köszönöm.
Üdv.: Miki
Még pár kérdés, a gyakorlatban hogyan oldják meg a nagy teljesítményű erősítőknél a bekapcsoláskor keletkező nagy áramlökést a szekunder oldalon? (Nekem 2*30000µF-nyi kondi van benne 2*70V-ra. És ha nem teszek áramkorlátozó ellenállást szerintem hazavágja a diódahidat. A primer köri áramlöketről már ne is beszéljünk. Egy sima lágy indítóval elintézik a primer oldalon, vagy esetleg még a szekunder oldalra is tesznek valami lágy indítót. Illetve 2 trafót akarok használni, mindkettő több, mint 1kW-os. És elég gyakran leküldi a kismegszakítót (külön-külön is), gondolom érdemes több fázist is használni.
Üdv.: Miki
Szia! Erre gondoltál? Én a ledes verziót építettem meg belőle, és makulátlanul teszi a dolgát.
Melyik erősítőt építetted meg? Teszel fel rajzot? Az áramlökést szerintem a lágyindító megoldja.
Szia, ezt az erősítőt építettem meg. 2*4-4 FET-tel. (+-70V-tal) és +1 szer 8-8 FET-tel +-90V-tal. És nem erre a védelemre gondoltam, hanem a sima tranyósra. Van saját tervezésű is, csak nem csináltam még neki NYÁK-tervet. Így egy jól bevált igényes projektet keresek.
Üdv.: Miki
Szia.
Egy lágy indító elég. 2-3kW-os toroidokat is elindít szépen. Lényege csak annyi, hogy a kezdeti előmágnesezési feszültség egy söntön fut át, míg a mag fel nem mágneseződik. Ez 2-3sec alatt lezajlik bőven, s a relé meghúzásával a kerülőágon már csekély áram folyik, hisz az áramnak is van annyi esze, hogy nem az ellenálláson való irányt válassza hanem a kis kontakt érintkezésű relés utat. A secunder oldalon a pufferekkel párhuzamosan kisütő ellenállásokat szoktak használni, de egy megfelelő nagyságú nyugalmi áram elvégzi a dolgát a kisütést illetően. A pufferek "meleg pontjával" sorba lehet tenni egy nagy áramú, 3,3uH induktivitást s azzal párhuzamosan pedig egy 47 Ohm-s kb 2W ellenállást. Ez megakadályozza , hogy a hálózat felől értkező magasfreki kisütést gyakoroljon az elkora. -(de ennyire nem szokták bonyolítani). A limitert tisztességesen méretezd majd be a mindenkori legalacsonyabb terhelőimpedanciának megfelelő műterheléssel, hogy csak akkor korlátozzon mikor már szükséges, Hisz a helytelen beállítással jelentősen csökkenhet a kimeneti teljesítményed.
Rendben, köszönöm az infókat.
Üdv.: Miki
Melyik védelemre gondolsz? (elég sok féléhez készítettem terveket, ráadásul fajtánként is több változatban)
Ha van valami olyanod, ami min. 2*70V-ot elvisel. És sima tranyós kivitel, az nekem megfelel. Itt a fórumon láttam régebben, de nem tudom hogyan tudnám megkeresni. A relé 12V-os és 2X 2áramkörös. Mellesleg ehhez a limiterhez nem készítettél NYÁK-tervet? Mert ha igen akkor megspórolhatnám ezt a műveletet.
Üdv.: Miki
Üdv. mindenkinek!!
Van egy FIRST AUSTRIA 360 WATTS 4-CHANNEL autós erősítőhő. Kapcsolási rajzot keresnék hozzá. Kellene bele egy tranzisztor aminek nem tudom a számát mert nincs benne. (TR2) . Elméletileg a táp részből hiányzik. A másik ami benne van A965 y 5j. Ajánlottak a boltban egy BC300-ast a hiányzó helyett,hogy próbáljam ki hozzá,de az egyik ic melegszik mint állat. Az ic ami benne van KIA 6210AH. Valaki tudna segíteni nekem??????
Szia! Van egy tervem 12V-os reléhez. 9,5VAC-ről megy. A venti miatt úgy is kellett 12VDC. Remekül szolgál. Elvi rajza. Van extrás változat, és mindezek NYÁK-tervei. Alkotó kollégánál is gyártásban van a full-os változat.
Nézd meg Elliott limiterét, egyszerű és a lényegi feladatát ellátja.
Szia. Mielőtt megépíted a limitert, nézz körül, tudsz e szerezni optó ellenállást, nekem itt bukott el a limiter projektem, pontosabban akkor nem tudtam szerezni, és azóta áll, pedig nyákot is terveztem, be is építettem, de akkor jöttem rá, hogy a sima optocsatoló ide nem jó.
|
Bejelentkezés
Hirdetés |




) nyugodtan le is rajzolhatjatok paintba ha esetleg van ra valami mod.Elore kosz! 










