Fórum témák
» Több friss téma |
Ez a kapcsi:
1. Szerintem 4,7uF 2. R6=1 ohm(nincs mértegység, akkor ohm) 3. Ut/2=a tápfesz fele=akkor jó, ha a tápfesz feleét mérheted a 4. lábon 4. Minden kondiból jó a 25Vos, csak azok legyenek nagyobbak, amelyeknek közük van a tápfeszhez. A trafód szerintem elég (kb 8 ohmon 500-600mA kell neki) Szerintem elég halk lesz 15ohm-on. De te döntésed (készíthetnél egy 1W-osat a TDA helyett )Szerintem SAL hangszórót vegyél és csinálj hangdobozt Én SR1620-ast + egy pieezó mellett döntöttem. Ha kell küldök tervrajzot.
Szia!
A csatolt rajzhoz lenne nehany gondolatom es a kerdeseidre is megprobalok valaszolni. Szoval ... - C1 maradhat 25V-os ha a tap 31V lesz - UT/2 a jelolt ponton azt jelenti, hogy ott a tapfeszultseg felenek kell megjelennie, azaz a te esetedben 31V/2=15.5V normal mukodes eseten - R6 erteke a rajz szerint 1 ohm - C3-nak a 4.7µF-os ertek jo - 15ohmos hangszorohoz nem kell elvileg semmit sem valtoztatni a rajzon. Gyakorlatilag en minel nagyobb tapfesszel hasznalnam a kapcsolast termeszetesen a hatarertekeket figyelembe veve! Kicsivel jobb is lenne a TDA2030A tipus ami nagyobb tapfeszrol mukodtetheto. Ez azert lenne szukseges, mert 15ohm ugyanakkora teljesitmenyu meghajtasahoz nagyobb feszultsegre van szukseg mint egy kisebb impedanciaju hangszoro meghajtasahoz. Maskent fogalmazva ha 31V lesz a tapfesz es 15ohm a terheles akkor nem szamithatsz tul nagy kimeno teljesitmenyre. Ja es meg vmi: a kicsatolo 1000µF-os kondi helyett lehet nagyobbat is hasznalni, mondjuk 2200µF-ot ... nem art
Köszi! Bár közbe megvettem az alkatrészeket, természetesen 1000µF-es kondikat vettem, de majd cserélem 2200µF-ra.
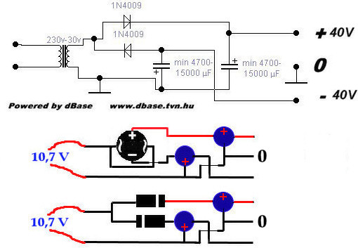
Viszont most egy nagyon komoly problémám van. A trafómat egy hozzáértő embertől vettem, aki azt mondta, hogy 21,5V jön ki a trafóból. És hittem is neki... nem néztem utána. De most mikor mérni akartam, nem találom a GND-ét! Melyik a föld? Sajnos a trafókhoz nem értek... 2 narancs színű és 2 piros vezeték jön ki belőle! Mértem ezt a 4 vezetéket, aztán megpróbáltam a hálózati zöld vezetéket (de ezt ugyen nem kell majd bekötnöm sehova? Fából van a dobozom...) aztán trafó "fémházára" is rátettem a műszer másik felét. De teljesen eltérő feszültséget kaptam mind a 4 vezetéken. Hol a GND?
Hali!
Nincs! 1.Műszert kapcsold váltófesz mérésre. 2.Műszer egyik vezetéke trafó egyik narancsszínű vezetékére, műszer másik vezetéke trafó másik narancsszínű vezetékére. 3. ld. a második pont, de most a piros vezetékekre. 4. Írd le mit mértél.
Természetesen váltó feszen méricskéltem...
A két narancsba dugva 23,9 V A két piroson 10,7 V Mi következő lépés???
Szóval akkor neked a két narancssárga vezetékre lesz szükséged.
Ezt egy egyenirányító híddal egyenirányítod, és elkóval megszűröd. (pl 4700uF) Ez fog menni, vagy segítsek?
Hááát, lehet hogy ezt a részét kezdem érteni....
Segítség mindenképp kell! Azt megköszönném! Kaptam a boltba egy 8 Amperes Graetz hidat meg egy 4700µF-es puffer kondit. Szóval mindenem megvan a cucchoz. Pár perc és megrajzolom mit is szeretnék, mert a kérdésem egy kicsit tovább terjed... Akkor Tényleg nincs GND a trafóban??? Vagy csak vicceltél?
Tehát van most egy előfokom amihez mindenképp kell a +-15V és a GND, amihez tartozik egy 1A-es Graetz.
Ezt hogyan kössem be??? És a 2 darab TDA 2030A tápjához mi szükséges még? Bármilyen ötleteket elfogadok! Ja és a képen beköthetnétek, vagyis átrajzolhatjátok az áramkört! Köszi!
A végfoktáp rendben lesz, úgy értem más nem kell hozzá. Gondolom, azt be is tudod kötni, bár a rajzon nem tetted meg.
Az előfok tápja már kicsit húzósabb lesz, tekintve, hogy nem középleágazásos a trafód.
A boltos mondott még egy kisebb kondit talán 100n-t asszem a puffer után...
És akkor az előfokkal mi a teendő???
Igen, az elkóval párhuzamosan betehetsz egy 100n-s kondit is.
Az előfok tápját pl. ezzel tudod megoldani. (Ekkor nem kell külön trafó)
A kérdésem az lenne, hogy ezt az áramkört már a 8 Amperes Graetz-em után kell ugye? Mert +- t is látok a nagyobb feszültséghez készített rajzon...
És akkor a kisebbik diódahídra nem is lesz szükségem... Aztán majd meglátom, hogy melyik megoldás lesz egyszerű vagy olcsóbb...
Ezt már egyenirányítás után kell kapcsolni, de nem árt, ha külön egyenirányítót használsz, pl a kisebbiket.
Esetleg van még ilyen megoldás is, persze a rajta lévő fesz. értékek nálad mások lesznek. (csak az elvét nézd) Egyébként DC-DC konverterrel is megoldható, de az még bonyolultabb. Vagy még az előerősítőn is lehet variálni. Tehát mint látod, több megoldás is létezik a problémára.
Te melyiket ajánlod?
Mert a második egyszerűbbnek tűnik, és azt már sok topicban láttam is.... persze megoszlottak a vélemények, vagyis nemtom, hogy tutira működik-e. Előerősítő rajzot küldjek? Bár "elég bonyolult" a cucc!!! És van benne parametrikus vágó is, szóval lehet, hogy muszály neki a +- és GND... Hát ja, még plusz egy trafót nem szeretnék, mert akkor az is "sokáig" tartana egy olyat találni (bár ki tudja) meg két áramkörös kapcsoló kellene... Persze, mindenen alakítani kell, hogy stimmeljen.
Én a legegyszerűbbel kezdeném, de hogy bevállik-e az előfokodhoz, azt ki kell próbálni.
Ja és ezt a megoldást a trafó piros vezetékére tenném. Nem nagy az alk. igénye, általában az ember otthon is össze tudja guberálni. Szóval szerintem rakd össze, mérj, aztán próbálj. Ha működik, miért bonyolítanád el jobban, persze ha nem, akkor jöhet a B-terv.
Erre gondoltál az egyszerűbb megoldásnál? Csinálhatom is akkor a Graetz-el? Vagy keresgéljek 2 diódát?
Az Elkók mekkorák legyenek? Mert lehet csak kisebb van, esetleg 2200µF vagy 3300uF. Végülis csak azt találom gyanúsnak, hogy annyira egyszerű a kapcsolás, akkor miért nem alkalmazzák, (miért ajánlott a fickó is a boltban egy kissebb trafót...) Viszont amin még elgondolkodtam, hogy a 10,7 V egyenirányítva nem biztos, hogy eléri a 15V-ot, nekem meg utána ott a stabilizáló 15V-os IC-ék és egy kicsit asszem több is ami kijön belőlük, mint 15V... Szóval mi történik akkor ha kevesebb feszültség megy be egy Stabil IC-ébe??? tudom itt csak pár mV-ról van szó. De, ha kb.:2-3Volt-al kisebb lenne a fesz, mint az IC, akkor "annak mi issza meg a levét"?
Kissebb feszről nem megy el az előfok?
Pl.12V? A stabicének kicsit több fesz kell, különben nem fog rendesen működni. Most nincs több időm, majd később részletesebben kifejtem, és rajzolok is.
Ez egy jól bevált gitár előfok, és a parametrikus vágás miatt szükség van a nagyobb feszültségre, így állítólag nagyobb freki tartományban tudom működtetni ezt a funkciót! /ezért volt a javasolt 15V... és azon nem is igazán szeretnék változtatni./
Előre is köszi!
Sziasztok!
Egyszerű és gyors kérdésem lenne: valakinek van nyák és beültetési rajza hidalt TDA2030-ra aminek +- táp kell? hány W körül tudok kihozni 2 ic-vel hídban? trafóm egy 2*14.3V/2A-es darab. Válaszotokat előre is köszönöm! üdv.
Hello! Tulajdonképpen már majdnem kész az erősítőm, már csak össze kell kötni a vezetékeket. De felvetődött bennem még 3 kérdés! A rajzom elég egyértelműen megmutatja.
Amúgy a 2db trafós megoldás lesz. Csak nemtom nem-e fog zúgni-búgni a ugye két trafó miatt? Minél távolabb tegyem tőlük a paneleket? És milyen vezetéket érdemes használni a végfok beüzemeléséhez? (mert hálózatival 220V-sal csinálnám, mivel azon kívül csak nagyon vékonyak vannak...)
Hali!
1.Elvileg mindkét GND-nek 0V potenciálon kell lennie, ill mivel ugyanez a GND a jelföld is, ezért össze kell kötni. 2. Szerintem egy 800mA-os bőven elég, nem hiszem, hogy az előfokod többet enne.(Esetleg mérd meg az áramfelvételét, és számolj rá egy kicsit.) 3. Szerintem szedd le azt a két ellenállást. (jó lesz az majd máshova. )Igen, célszerü a trafóka távolabb tenni. Hát inkább a 230-as, mint valami nagyon vékony. De a jelvezetékek árnyékoltak legyenek!
Sziasztok! Megcsináltam a végfokot és frankó lett! Viszont egy bajom van vele ami zavar, hogy ha hozzáérek az elektromos gitár fém részeihez akkor pattanik a hangszóró! Mit hagyhattam ki, mit nem földeltem le? Egyetlen nagyobb fém lesz esetleg testként, egy 6x57cm alu előlap. IC -hűtésen nincs test és átláltszó szigetelő lapkával a borda közt.
Meg van egy nagyon minimális "alap percegése", de csak ha közel hajolok a hangszróhoz, viszont csak 2 trafóval tudtam megoldani a cuccot, mert más tápok kellettek... Szóval szerintetek miért pattog a cuccos?
Lerajzoltam és így néz ki az erősítő! Nincs sehol semmi felesleges vezeték! Mi lehet a gond, mi okozza a pattanást, amikor a gitárhúrokhoz érek?
Gitár ügyben inkább az öcsém lenne illetékes.
Torzító van a rendszerben? Az öcsém gitárját amikor torzítón keresztül kötöttük erősítőre, akkor voltak zajgondok. Szóval gitárhoz nagyon nem konyítok, de a fémrésze le van testelve?
Torzító még nincs, de azt is rakni fogok, csak még nem kötöttem bele. Minek a fém részét kérded a gitárnak? Mert az egy frankó gitár, biztos jólvan összerakva...
Viszont az erősítő alaktrészei jelenleg semmilyen fémhez nem csatlakoznak, de mint írtam csak az előlap meg a hűtőbordácska ami alumínium, a többi rész azaz maga a doboza (fából) vagyis MDF bútorlapból lapból van. De ismétlem semmilyen fémhez nincs még hozzákötve a GND!!! Pedig kellene?
Egy sráctól kaptam egy ilyen lehetőséget! Állítólag ez a bibi!!!
A 4700u kondi negatív lábán kell 1 db közös nullát összehozni, ide kötni az összes nullát. Beleértve a hangszórókimenet nullpontját is. Ez talán megoldaná? Majd kiderül..... Lehet, hogy csak gitárnál van ez vagy sima hi-fi erősítőnél is így kellett volna?
Az természetes, hogy a GND-t egy ponton kell összekötni, különben földhurok alakulhat ki!
De mivel nyáktervet nem adtál közre, csak ezt az elvi rajzot, nem gondoltam rá, hogy nem egy pontban közösítetted. Szóval igen, a kondinál kösd össze őket.
Bocsi! Mivel ez az első erősítőm, ezért nem tudtam, hogy így kell. Végülis azért rajzoltam le, mert most fotózni nem tudtam, de így áttekinthetőbb úgyis. Ha a pufferhez kötöttem volna, akkor úgy rajzoltam volna!
Tényleg köszi mindent!
Nincs miért bocsánatot kérned! Jó pap is holtig tanul.
Persze én is gondolhattam volna rá, hogy felhívjam rá a figyelmed.
witti!
A negatívok bekötési módja a halk folyamatos búgást befolyásolhatja, de ha most ez nem zavaró, akkor ne alakítsd át, mert még sokkal rosszabb is lehet! Ez, amit most kialakítottál, szinte tökéletes ebből a szempontból, a csillagpontos kialakítás viszont csak egy elv, de gyakorlatban a megvalósítása egyáltalán nem problémamentes! A pattanást teljesen más okozza, a bemeneten. Valószínűleg a hangszedőd nincs leárnyékolva. A tekercs köré kellene egy vékony fólia, ami le van kötve a hangszedőt és előerősítőt összekötő árnyékolt kábel árnyékoló részére! A fóliát ahogy körbetekered (egy menet is elég), az eleje és vége legyen elszigetelve egymástól! A tekercsben a mágnest és esetleges fém részeket is az árnyékoló kábelre kell kötni! Az árnyékolt kábel árnyékolását az előerősítő bemeneténél az életvédelmi földdel össze kell kötni! Ez önmagában is segíthet valamennyire a pattanás ellen, és téged is véd. Még jobb lenne, ha kéttekercses hangszedőd lenne ellenfázisú bekötéssel, és szimmetrikus bemenetű előerősítőd. Ezen kívül az összekötő kábelnek kéteres árnyékolt kábelnek kellene lennie, a két ér a tekercs két végére, az árnyékoló harisnya a tekercs árnyékoló fóliájára kötve. Ha csak egytekercses a hangszedő, akkor az egyik eret az előerősítőn belül kell összekötni az árnyékolással (GND). Ha ez így van, vagyis külön viszed az árnyékolást és a hangszedő két vezetékét, akkor az árnyékolásra a gitár fém részeit is rákötheted, ezzel az esetleg még megmaradó pattanást tovább csökkentve. (Ha viszont a hangszedő egyik vezetéke rögtön az árnyékolásra megy, akkor az ide kötött megérinthető fém részek fokozhatják is a hatást. Ezt már nehéz előre megmondani, ki kell próbálni hogy hogyan jobb!) A rajzodon a szimmetrikus tápban a graetz után nem látok elkókat! Tényleg nincs benne, vagy csak a rajzról hiányzik? Egyébként gratulálok, nagyon jól átlátható rajzot csináltál! |
Bejelentkezés
Hirdetés |




)










