Fórum témák
» Több friss téma |
Fórum » Keverőpult építése, javítása
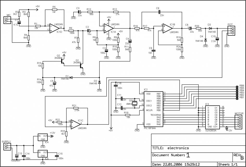
Sziasztok.A téma indítása óta én is fejlődtem.Elkezdtem foglalkozni AVR-el.Túl vagyok egy kazánvezérlőn aminek Nokia 3310-es telefon kijelzőjén jelennek meg a hőmérsékletek, közben egy diszkófényhez csináltam vezérlőt ami az ütemnek megfelelően vezérli a motort és a 3 alapszínből kikeveri a többi színt is nagyon látványos lett, ezután fordulatszám mérőt akarok csinálni és ezután jöhet a BPM számláló bár RPM=BPM
. Jól gondolom?Kokozo a hangfrekis szűrőd milyen paraméterekkel rendelkezik? Értem ezalatt hogy mekkora a sávszélessége, rezonancia frekije és a jósági tényezője?
Szia! Egy diszkófény ütemvezérlőjéből rögtönöztem a teszt idejéig és egész jól működik, annyi baja van, hogy mikrofonról megy és a az automata hangerő szabályozása lassú ami látszik is a videón, elég lassan áll be ami a diszkó fénybe nem vészes, de itt 4-5 ütemet nem mér a zene elején, most csinálok egy végleges gyorsabb verziót ami már nem mikrofonos lesz. Majd azt a verziót fogom feltenni ezt még nem.
Én egy másik limiteres mikrofonerősítőt csináltam hozzá az már az elejétől kezdve mér majd ahogy növekszik a hangerő a halkabb hangokra úgy válik érzéketlenné és amint eltelik kis idő akkor szépen visszaáll.függ attól hogy a soros RC tag hogyan zárja le a tranzisztort nállam egy jFet zárja rövidre a mikrofonerősítő kimenetét, ami nállad párhuzamos RC.
Csak egy kérdés... Szerintetek mettől meddig kellene mérnie a számlálónak. Lassan nekiállok a szoftver megírásának. Nézegettem egy gyári BPM számlálót és azt tapasztaltam, hogy szinte azonnal kiírja az értéket, először kicsit pontatlanul, de aztán elkezd átlagolni és beáll.
Szia! A videókat megnézve látszódik hogy max 199 ig mér a legtöbb, de szerintem ez is sok, mert a legtöbb zene 120-140 bpm között van ritkán van ennél gyorsabb. Az átlagolást meg a 2. ütemtől kezdve kell elkezdeni és akkor lesz az amit írtál hogy közelít egyre jobban a valóshoz. a 200-as limit arra is jó hogy a dupla basszusos zenék nagy részét kiszűrheted. Tehát ha 120 bpm.es zenében dupla basszust tettek akkor a 2.at figyelmen kívül lehet hagyni igy pontos marad a számlálód és nem fog 2x-es értéket kiírni. A pioneer bpm számlálóját meg úgy se tudjuk lemásolni, mert abba több év mérnöki munka van és az ára se épp olcsó egy olyan keverőnek..
Hát én azért egy kicsit lejjebb is megyek, mert sok 100 BPM-es zenét is hallottam. Köszi azért, hogy megerősítettél, jó lesz a 200-as limit.
Nem is említettem, hogy pioneer keverőt lestem le! Honnan jöttél rá?
Üdv! Van egy IMG Sage Line MPX 1 -es keverőm és az egyik kimeneti csatorna halkabb mint a másik, mi okozhatja ezt? Más minden működik...
Sziasztok!
Megépítettem innen a bal alsó kapcsolást, annyi különbséggel, hogy az első három csatornához raktam egy nagyon egyszerű mikrofon előfokot. (A 10-ks ellenállások elötti részt lecseréltem az itt lévő mic bemenekere, a potiig bezárólag.) A mikrofonok mennek is szépen, az utolsó 3 line bemenet viszont nagyon csúnyán szól, mély egyáltalán nincs benne, a többi is furcsa, kb. mintha 32kbps-es mp3-at hallgatnék. Mind a háromnak ilyen hangja, van, a hangerőszabályzás működik. Ez mitől lehet?
Szia!
Ezen a képen bal oldalon alul található kapcsolásban szereplő erősítő táp lábait milyen feszültségre kötötted?
Szia a kondikat cseréld ki nagyobb kapacitásúra. Szerintem akkor nem fog torzítani. esetleg a szimpla keverő kimenetére az inverter felé tegyél be egy kondit,Üdv.
Ez elsőre úgy hangzik, mintha valamiféle túlvezérlés lenne az áramkörben. Vagyis vagy a bemenő jel szintje túl nagy, vagy a kimenetre kötött erősítő kisebb jelet várna (pl. mikrofon vagy lemezjátszó bemenetre van kötve a keverő kimenete).
Esetleg próbáld meg a bemeneten lévő kondenzátort kisebb/nagyobb értékűre cserélni, ez is segíthet (azokon a bemeneteken, ahol a torzítás jelentkezik). Ezzel komolyabb bajt nem okozhatsz, maximum ha nem jött be, visszateszed a régit. Akkor jártál volna a legjobban, ha a "6 input mixer" nevezetű kapcsolást építetted volna meg, úgy, ahogy van. Semmi variálás, az egy teljesen jó, egyszerű keverőáramkör. Amit először belinkeltél, azon a keverő kicsit meg van bonyolítva. Ha esetleg próbanyákra készült, akkor megpróbálhatod átépíteni. Bár a másik kapcsolással sincs gond, csak fölöslegesen van benne +1 IC.
Hello!
Köszönöm a válaszokat, sajnos a probléma nem oldódott meg. Kicsit pontatlanul foglamaztam. Nem úgy torz a hang, mintha túl lenne vezérelve, inkább mintha csobogó víz alól hallgatnám, és többnyire csak az 1 kHz körüli hangok szólnak. Az egyik bemeneten kicseréltem a kondit egy 20µF-es re, de nem vettem észre változást. Csináltam pár felvételt, így sikerült a problémát is pontosítanom: mikor jelet adok a bemenetre úgy, hogy le van halkítva teljesen, majd adok rá kis hangerőt, akkor néhány másodpercig rendesen szól, csak utána romlik el. Utána időnként változik, hogy melyik frekvenciákon szól hangosabban, van mikor csak mély, van mikor csak magas, de mindig megmarad a víz alatt effekt. Erről töltöttem fel egy felvételt, az aaaa.mp3-at. Ez úgy készült, hogy elindítottam a felvételt, bedugtam a bemenetre a kábelt, majd nulláról kicsit feljebbhangosítottam. Az utolsó pár másodpercben pedig maximum hangerőn ment. Próbáltam úgy is, hogy egy mikrofon bemenetre adtam nagyon halk line jelet, ugyan ez lett az eredmény, pár másodpercig szépen szólt, aztán torzulás. Vettem fel mikrofont is, azzal továbbra sincs probléma, szépen megy. Úgy néz ki a kimenettel lesz valami, mintha nem szeretné a line jelet. Feldobtam a kapcsolási rajzot is, ami alapján a nyákot csináltam. A valóságban az összes bemenet és kimenet mono, a felvétel is úgy készült, hogy a számítógépből egy mono kábel ment a keverőbe, a keverőből pedig szintén egy mono kábel a számítógép mikrofon bemenetére. Ezek alapján valami ötlet?
Nem tudom, hogy asztali vagy laptopot használsz, de ezt a problémát akár egy földhurok is okozhatja. A Fujitsu laptopoknál előjött hasonló probléma amikor tápról ment, de amint csak a telep hajtotta a gépet megszűnt.
Ha a gépre viszel vele jelet, akkor egy rossz hangkártya driver is szórakozhat. Csak egy kérdés, van a gépedbe Tv tuner? Mert a laptopba ha bedugom csak az átalakítót hasonlókat művel.
Szerintem erősen gerjed.
Tudnál valami normális zenét (nem tüc-tüc-öt ) feltenni ugyan így mp3-ban? Két dologra gyanakszom: - brumm - vagy kifogyott az elem Egyébként maga a kapcsolás iskolapéldája a rossz konstrukciónak. Nincs egy értelmes része. Persze erről nem te tehetsz. Tanulni sokat lehet belőle.
Itt egy új felvétel, nem a zenei stílus volt a baja
![]() Mindkét felvétel egy asus laptopon készült, az előbbi akkumulátorról, ez a mostani hálózatról. Volt olyan gépem ahol zavarta a beépített hangkártyáról felvevést a hálózat, itt szerencsére nem vettem észre különbséget. Az elemek még újak, csak itt voltak használva, kb, 8.75 V-ot mutat a multiméter mindkettőre, néha pár század eltéréssel. A brumm ha jól tudom a tápegység hibájából eredő 50Hz-es zaj, bár ebben nem vagyok biztos, de ha igen, gondolom az elem miatt ezt kizárhatjuk. Kapcsolás minőségéről azért tehetek, én követtem el, bár igaz hogy nem értek hozzá, az első hozzászólásban lévő kapcsolásokról ollóztam össze. Most már legalább biztos vagyok benne, hogy nem volt nagy ötlet Ha esetleg picit részletesebben le tudnád írni, hogy mi miért rossz, vagy egy linket tudnál adni, ahonnan ezt kb. meg lehet tanulni, azt megköszönném
Sziasztok!
Kaptam javítás céljából egy keverőpultot. Bővebben: Link A probléma ott kezdődik,hogy olyan ember nyúlt hozzá aki nem nagyon ért hozzá. A CH1-es potit ha jól tudom kicserélte a "MASTER" potival. Azóta meg sem szólal de a visszajelző ledek villognak a jel hatására.Szerintetek mi lehet a probléma? Mit javasoltok miket nézegessek meg?
Ha a kivezérlésjelző LED-ek villognak a kijelzésnek megfelelően, akkor a némító fetek gate-jén kellene feszültséget mérned, mert ott valószínű hogy a kimenet némítva van..
A táp modulon van a két tranyós vezérlése.
A két fet gate-jén 10,65V van.
A C3198 és az A1266-os tranyón feszültséget ne mérjek, csak azt,hogy nem mentek-e tönkre?
Mind a két tranzisztor megfelelően működik nem hibásak.
Ott a baj. A gate-en zárófeszültség van, (10,65V) 0V helyett, ezért nincs a kimeneten jel. Ahogy nézem a vezérlés egy be-kikapcsolási tranziensek megszüntetésére hivatott nyakatekert kapcsolás. Nézd végig a félvezetőket, (a diódáját is!) első körben.
Átnéztem az egész kapcsolást de csak a táp részében találtam diódákat illetve félvezetőket. Na meg IC-k azok mindenhol vannak de azokat nem tudom,hogy hogyan kell megnézni,hogy jók-e.
Vagy a táp részére gondoltál,hogy azokat nézzem át?
Sikerült megcsinálni.
![]() 7805-ös feszültségstabilizátor volt meghalva. Még egy olyan kérdésem lenne,hogy hol lehet beszerezni ilyen tolópotmétert? Minden csatornának a potiját lehet,hogy kicserélném. Én nézegettem sok helyen de sehol nem találtam ilyen lábkiosztásút. két oldalán van 3-3 lába neki és 87mm hosszú és 12mm széles kb.sztereó
Üdv,
Segítséget szeretnék kérni hogy ezt a két kapcsolást összeköthetem-e vagy érdemes-e más kapcsolást használni.
Üdv! Ez a keverő akkor fele meg számodra, ha a jel felére csökkenése nem okoz gondot.
Köszi a segítséget, de az lm1036-ban van előerősítő akkor miért esik a jel a felére? Van egy másik kapcsolás szerinted melyiket lenne érdemes megépíteni.
Az LM1036-ban nincs előerősítő. Jelet csak a hangszín kiemelés növel. Az utóbbi linked elvén működő keverés minden szempontból előnyösebb. Annál 470k/100k-szoros erősítés van.
Sziasztok!
Segítséget szeretnék kérni a következő kérdésben. Ahogy én tudom, a keverők úgy szoktak felépülni, hogy bemenetenként van egy poti-műv.erősítő-ellenállás és így vannak közösítve egy közös kimeneti erősítőfokozatra. Kérdés az, hogy az egyes bemenetekre érdemes-e közvetlenül (tehát már a hangerőszabályzó poti elé) 1. egy síma követő (egységnyi erősítésű) fokozatot illesztésnek, vagy 2. már egy valamekkora erősítésű fokozatot betenni. Nem tudom, érthető-e a kérdés. A cél az lenne, hogy mikrofon vagy hangszer jeleket keverjek, és minél kisebb zaj, torzulás kerüljön a rendszerbe. Ilyen szempontból ad-e valamilyen többletet az 1. vagy a 2. (esetleg érdemes mindkettőt sorba betenni)? Előre is köszönöm!
Szia! A 2. verziót javaslom. Bővebben: Link
A jelet fogadó fokozatot úgy kell méretezni, hogy ne vezérlődhessen túl. A mögöttes poti leosztja ennek zaját, ez nagy előny.
Értrem, köszi!
|
Bejelentkezés
Hirdetés |




. Jól gondolom?Kokozo a hangfrekis szűrőd milyen paraméterekkel rendelkezik? Értem ezalatt hogy mekkora a sávszélessége, rezonancia frekije és a jósági tényezője? 

Nincs egy értelmes része. Persze erről nem te tehetsz. Tanulni sokat lehet belőle. 
Ha esetleg picit részletesebben le tudnád írni, hogy mi miért rossz, vagy egy linket tudnál adni, ahonnan ezt kb. meg lehet tanulni, azt megköszönném


