Fórum témák

» Több friss téma
Fórum » Elektronikában kezdők kérdései
- Ez a felület kizárólag, az elektronikában kezdők kérdéseinek van fenntartva és nem elfelejtve, hogy hobbielektronika a fórumunk!
- Ami tehát azt jelenti, hogy a nagymama bevásárlását nem itt beszéljük meg, ill. ez nem üzenőfal!
- Kerülendő az olyan kérdés, amit egy másik meglévő (több mint 17000 van), témában kellene kitárgyalni!
- És végül büntetés terhe mellett kerülendő az MSN és egyéb szleng, a magyar helyesírás mellőzése, beleértve a mondateleji nagybetűket is!
Lapozás: OK   1875 / 4036
(#) proli007 válasza Mdavid hozzászólására (») Dec 12, 2012 / 2
 
Hello!
Ezt neked kell eldönteni. Én a helyedben még ha "ki is dobnám", először feléleszteném ezzel a nyákkal az egész áramkört, és majd ez után készítenék másikat ha szükséges a megszerzett tudás/tapasztalat alapján. De..
Ha egy Led-et kihagysz a kékek közül a sorból, és ehhez számítod az előtété ellenálást, akkor már működnie kell a dolognak. Elsőként kivenném a Led-eket, és egyenként egy ellenállással (ami kb. 20mA nyitóáramot ad rá) megvizsgálnám, melyik működik, melyik nem, megmérném a nyitófeszültségüket, és felírnám. Ez után már lehet döntést hoznia sorsuk felől.
üdv! proli007
(#) marone hozzászólása Dec 12, 2012 /
 
Helló !
Ha ebben a kapcsolásban a 2N3904 tranzisztorok helyett BC546 -okat használnék (mert csak olyan van) akkor szerintetek azzal működne ?
Kösz !
(#) kadarist válasza marone hozzászólására (») Dec 12, 2012 /
 
Szia!
Igen, jól működne azzal is.
(#) marone válasza kadarist hozzászólására (») Dec 12, 2012 /
 
Kösz !
Akkor valami mást q..am el.
(Mert nem működik.)
(#) gakushi hozzászólása Dec 12, 2012 /
 
Üdv!
Az a kérdésem lenne, hogy egy amerikai szabványjelöléssel rajzold kapcsolási rajzon a kondenzátor értékei a következők:
.01
.22

Ezt hogyan kellene leolvasni?

A rajz linkje:
http://www.voxamps.com/downloads/circuits/wahwah80.jpg

Köszönöm a segítséget!
(#) marone válasza gakushi hozzászólására (») Dec 12, 2012 /
 
0.01 uF
0.22 uF
(#) gakushi válasza marone hozzászólására (») Dec 12, 2012 /
 
Köszönöm szépen!
(#) Mybuster hozzászólása Dec 12, 2012 /
 
CCFL hidegkatódos csövet szabad használni kivezérlésjelzőnek? Mennyivel rövidül élettartalma?
(#) BárányD hozzászólása Dec 12, 2012 /
 
Sziasztok !

Megépítettem EZT a PIC programozót, pic felprogramozva, de amikor rádugom gépre, pickit 2 program megnyit, tools->chek communication akkor a következőt dobja ki : Pickit2 Vpp voltage level error.Check target &retry operation.

A nyákot már százszor átbogarsáztam, az IRF9Z34 helyére mint a linken is látható egy BC640 es tranzisztor került. kérlek adjatok ötleteket, mi lehet a hiba.
(#) Davidd hozzászólása Dec 12, 2012 /
 
Sziasztok! Van egy ütemre villogom házilag van elkészítve , ez az a bemente kb 1V-1,4V hogy villanjon erősen fel, most keverőről kap jelet megszeretnem mikrofonosra csinálni, van egy kicsi dinamikus mikrofonom, valamilyen előerősítő fokozatot ajánlanátok nekem ami kepes erre?
(#) Davidd válasza (Felhasználó 13571) hozzászólására (») Dec 12, 2012 /
 
Ezzel akkor működésre bírom nyerni, ez megépített valami, szóval ha nem indul én hibáztam. Ez tökéletes köszönöm!Kezdem is tervezni a panelt.
A hozzászólás módosítva: Dec 12, 2012
(#) proli007 válasza Davidd hozzászólására (») Dec 12, 2012 /
 
Hello!
Azt azért előtte tisztázd, hogy tényleg dinamikus mikrofonod van-e. Attól ez az erősítő még erősítő, csak a mikrofon táplálása fog hiányozni ha még is Elektet lenne..
üdv! proli007
(#) dave500 hozzászólása Dec 12, 2012 /
 
Sziasztok!
Az a problémám, hogy van egy SHARP CD-S6470 típusú hifim, és a távirányítója nem működik!
Egészen idáig tökéletesen működött, 2x le lett ejtve (de ez előtt többször is, semmi baja nem lett) leejtés után még működött, egyszer csak azt vettem észre, hogy nem tudom kikapcsolni.
Semmilyen gombra nem reagál, az elemek jók (multiméterrel mérve 1,43, meg 1,39), az infra led jó (telefonnal nézve látszik a fény) a hifi mégsem reagál. Miben lehet a hiba?
Előre is köszönöm!
(#) kadarist válasza dave500 hozzászólására (») Dec 13, 2012 /
 
Szia!
Cseréld ki az elemeket!
(#) dave500 válasza kadarist hozzászólására (») Dec 13, 2012 /
 
Szia! Igazad volt, de sosem gondoltam volna, hogy 2,7 V-al nem megy egy távirányító.. a TV-é szinte teljesen lemerült elemmel is ment.
Köszi!
(#) Davidd válasza proli007 hozzászólására (») Dec 13, 2012 /
 
Üdv!Gondoltam megnéztem kepéken hogy hogynezki,de nem segített mert ugyanolyan külsőbe van, egy olyan panelen volt ami billentyűzet volt, és volt benne egy tea2025b végfok meg ez a mikrofon is, nemtudom hogy ez segített a milyenség meghatározásában. Lényegében miben különbözik a kettő?
(#) zoltan0801 válasza Davidd hozzászólására (») Dec 13, 2012 /
 
Helo!
Ha a wikipedián kicsit utánaolvasol a mikrofonoknak, ott leírnak több dolgot is, de lényegében, mint már Proli007 írta, az elektret-nek kell külső áramforrás, viszont nagyobb az érzékenysége, és a jobb hang minősége. Szóval ha mégis ilyened lenne, akkor nem biztos, hogy az erősítőt rontottad el, csak a mikrofon nem dinamikus.
(#) jocka0012 hozzászólása Dec 13, 2012 /
 
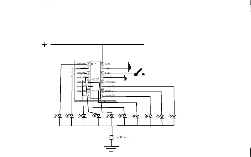
Üdv mellékeltem egy kapcsolási rajzot (bocs a minőségért) , egy 4017-es ic bekötéséről.Ezen a módon kötöttem be és valamiért nem stabil állapotban működik , néha jól működik , néha meg elkezd villogni az összes led vagy "megfagy" és nem lép tovább a számláló , ha megnyomom a gombot.Azt szeretném kérdezni , hogy mit lehetne módosítani a kapcsolási rajzban , hogy helyes legyen a működés , ha lehet (az is lehet hogy a forrasztást rontottam el , de átnéztem alaposan úgy hogy azzal nincs gond ugyanúgy van összeforrasztva mint a rajzon), és még annyit , hogyha a reset bemenetre is szeretnék egy gombot kötni , azt hogy kéne bekötni , és esetleg még , ha abban tudnátok segíteni , hogy leírnátok a reset bemenet helyes bekötését.Előre köszönöm a válaszokat!

4017.jpg
    
(#) zoltan0801 hozzászólása Dec 13, 2012 /
 
Helo!
Több munkatársam is megkeresett azzal a problémával, hogy elvesztették, vagy tönkrement a fényképezőgép akkumulátorának a töltője. Azt szeretném megkérdezni, hogy esetleg egy lm317-el meglehetne-e oldani az aksik töltését? Az egyik biztosan 5V-os a másikat nem tudom még perpillanat.
(#) Sorby hozzászólása Dec 13, 2012 /
 
Üdvözlet mindenkinek!
Van egy trafóm amin a következők vannak feltüntetve:
Sec.: AC 24V 850mA 20.4VA
erre szeretnék ledet kötni. A led paraméterei: 5mm dip nyitó fesz.: 3.0-3.4V, 20mA -es. Ebből van nekem 1500db!!!
A kérdésem: hogyan tudnám rákötni a trafómra? Pontosabban: mennyit kössek sorba, és mekkora ellenállást tegyek? Tudom hogy van itt program hozzá, de az egyenáramra van, az nekem nem jó! Válaszokat elöre is köszi! UI.:kültéren lenne fenyőfa világítás.
(#) kadarist válasza Sorby hozzászólására (») Dec 13, 2012 /
 
Szia!
Ez úgy nagyjából 90-95 watt teljesítményt jelent. Ez a trafó kicsi lesz ennyi LED-hez.
(#) zoltan0801 válasza Sorby hozzászólására (») Dec 13, 2012 /
 
Helo!
1. Az összes LED-et szeretnéd használni?
2. Miért nem egyenirányítod a feszültséget?
3. Ha már így is úgy is váltót használsz, akkor miért nem 230V-ról járatod a őket?
Google-be beírod, hogy LED 230V-ról és számtalan kapcsolást kiad...
A hozzászólás módosítva: Dec 13, 2012
(#) Sorby válasza zoltan0801 hozzászólására (») Dec 13, 2012 /
 
Kültéren lenne azért szeretném a trafót használni. Mindet szeretném rákötni. Ha csak egyenirányítva lehetséges akkor azt is megoldom.
(#) zoltan0801 válasza Sorby hozzászólására (») Dec 13, 2012 /
 
Azért kérdeztem a darabszámot, mert ahogy Kadarist is írta az túl sok lenne ennek a trafónak...
(#) pucuka válasza Sorby hozzászólására (») Dec 13, 2012 / 1
 
A LED -nek pedig egyenáramra van szüksége. Bár dióda, de nagyon kicsi a záró feszültsége (kb. 5 V), így önmagának nem tudja egyenirányítani a trafó feszültségét.
(#) Sorby válasza pucuka hozzászólására (») Dec 13, 2012 /
 
Akkor marad a hálózati feszültség. Köszi a segítséget.
(#) proli007 válasza Davidd hozzászólására (») Dec 13, 2012 /
 
Hello!
Egy fénykép egyszerűbb lett volna (vagy kerestél volna hozzá hasonlót a hálón). De majdnem biztos hogy Elektret. Mert a egy dinamikus mikrofon, olyan mint egy hangszóró, csak kisebb membránnal, finomabb kidolgozásban. Ma már nem használnak egyszerű alkalmazásoknál, csak Elektret mikrofont. Ha ez egy kisujjnyi fém tok, akkor biztos az.
üdv! proli007
(#) proli007 válasza jocka0012 hozzászólására (») Dec 13, 2012 / 1
 
Hello!
Egy CMOS IC bemenete, nem "lóghat a levegőben". Minden zajt összesed. Vagy is minimális program, hogy az órajel benet és a GND közé, egy 100..100kohm-os ellenállás kell. További gond, hogy így nem léptethető, mert a nyomógombod kontakthibázik, és ara annyit lép, amennyit épp akar. Vagy is a bemenetre minimum egy kondi kell a GND felé. Hogy ha egyszer megnyomtad a gombot "H" szint lesz, és elengedted (vagy is érintkezés hiba van) akkor ne legyen egyből "L" szint.
üdv! proli007
(#) Davidd válasza proli007 hozzászólására (») Dec 13, 2012 /
 
Ilyen tokban van. Az ilyen mikrofonhoz milyen előérősítót ajánlasz akkor?
Most per pillanat nem szolgálhatok képpel, nem tartózkodom abban a községben.
A hozzászólás módosítva: Dec 13, 2012
(#) mindenes válasza jocka0012 hozzászólására (») Dec 13, 2012 / 1
 
Szia! Hibás a rajzod! Bővebben: Link
Következő: »»   1875 / 4036
Bejelentkezés

Belépés

Hirdetés
XDT.hu
Az oldalon sütiket használunk a helyes működéshez. Bővebb információt az adatvédelmi szabályzatban olvashatsz. Megértettem