Fórum témák
» Több friss téma |
Fórum » Ki mit épített?
Ez a téma ha úgy tetszik a mi "kiállítótermünk", nem pedig a ki mit csinált volna másképpen, mások helyett, és legfőképpen nem javítós téma.
Minden készüléknek van saját témája, ott kell kitárgyalni a részleteket!
FONTOS! A kapcsolási rajzok keresésére is van saját téma, ott keressetek rajzokat!
Sziasztok!
Végre elkészült a TDA7294-es végerősítőm,ami+/-32V -ról üzemel és így ad le 80W-ot egyelőre csak monóba.
Hello
Hogy vitted fel a lötstopot úgy a felületre, hogy a forrszemekre nem jutott? Lötstoppal szeretném a későbbiekben én is konzerválni a nyákjaimat, de nem tudom, hogy hogyan fogom tudni forrasztani őket utána. Üdv.
Helló!
Kell egy maszk a lötstophoz is, meg kell világítani, ahol UV érte a lötstopot ott bekeményedik, a maradékot le lehet oldani. Ez után még lehet világítani, hogy jól bekeményedjen.
Még azt megkérdezhetem, hogy milyen lötstoppot használsz?
Üdv.
Ilyet: Bővebben: Link
Villanytrabi!Bővebben: Link
Hát ez nagyon király hatalmas lángnyelvek kellenek. Meg egy másik autó amit le tudc gyorsulni :nyes:
Szia!
Csúcs a járgány, jó sok melót bele tehettél. Meg persze jó sok zsetont is.
Gratulálok! De tudd, irigyellek. Két éve, megőrülök a Trabantokért, szép kis autók, és még hogy elektromos is.. Megőrülök a vezetésért, főleg estiért. Sajnos még várhatok egy-másfél évet, mire jogosan is mehetek.
Én szeretem a trabantokat(kicsit sajnálom is hogy szét van szedve)
De vezetni nem nagyon szeretek... Mondjuk ezt vezetni különleges élmény.
Azta ! nem gyenge! :eek2:
Kipufogót majd leszeded? Vigyázz, el ne lopják az akkuk miatt! Bár biztos dobna egy hátast aki felnyomná a csomagtartót XD
Nos elég nehézkes lehet ellopni... Túl sok az egyedi megoldás...
A kipufogóval terveim vannak... Lehet teszek rá egy agregátort, egy fűnyírómotor közepes fordulaton jó hatásfokkal töltené az akukat és a rendőrnek se tűnne fel hogy nincs hangja. Ezzel ki lehetne tolni a hatótávot. Még azért van meló rendesen. Kellenek C-s gumik meg kombi lengéscsillapítók, mert így hanyatt akar esni. Az akukra visszateszem az üléshuzatot és nem is látszik semmi. Most tervezem a töltőt meg az új 72V-os PWM-es vezérlőt.
Szia! Napelem a tetejére az is tölthetné amikor csak kint áll az udvaron, még gazdaságosabb lenne.
Csak sose térül meg... A jelenlegi napelem árak mellett.
Illetve nincs akkora felület a trabanton, ami érdembe tölthetné.
A legjobb a kiselefánt a hátsó ablakban!
Idézet: „és a rendőrnek se tűnne fel hogy nincs hangja” Apropó, ezt vizsgáztatni kell ilyenkor? (gondolom) Hogy lehet lepapirozni?
Gratulálok.
Frankye:
Ha tudnád hogy ráhibáztál. Kadóban a műszerintézet kabalája az elefánt. Én is műszeres vagyok! zsoltee0001: Kellene vizsgáztatni, de nem egyszerű a dolog. A részletekre nem térnék ki, a permanent odalon le van írva. Kb 150e FT.
Üdv.
Fejlődik a mobiltöltő projectem. ![]() Idézet a korábbi hszből: Bővebben: Link "de egyszer én is felfejlődök arra a szintre, amikor li-ionokat fogok használni." Akkor 5x1.2V ni-mh cellát kapcsoltam sorba, dög nehéz súllyal, költségesen, 7805-el(amit javasolt Szervízmacska, hogy könnyen zárlatos lehet, szóval jobb megoldás egy dc dc konverter) azután 3x1,2Vni-mh cellát picit még költséges, de nem akkora súllyal, nagy dobozzal.. éééésss most, kb 800Ft-tal kevesebbért, több mAh-val, és 1db Li-Ion cellával, kb. fele akkora dobozban, és úgy ahogy a 3x1.2V ni-mh celláknál, itt is dc-dc konverterrel.(a telefon töltéséhez) Sikerült belezsúfolni ebbe a kis dobozba (ami 7 hosszú, 4 széles, és 2 cm magas, a korábbi 10x5,5x2cm-hez képest) a Li-ion cellát, (igaz a magassága miatt pár tized mm-t ki kelett marni a dobozból)egy CD4011-el felépített érintéskapcsolót, ami egy szuperfényes ledet kapcsol érintésre(zseblámpa ) a li-ion töltőt, ami egy sot23-as, 5 lábú csodából áll fel, és magát a dc-dc konvertert, ami 3V-os cellafesznél is képes leadni az 5V-ot 400-450mA melett(valódi tükörképe a PC USB tápjának), nah meg az USB csatit, a töltő dugaljat, és még egy 10A-es, 73 fokos hőbiztit is. Kisebbet nem találtam, holott 1A-es is még elég lenne.A tesztelés még folyik, minden tökéletes, a gondom annyi, hogy a dc-dc konverter túlságosan lemeríti a cellát, akár fél voltra is.. ami nem lenne nagy baj, mert jó ideig 0 feszültségen lévő li-ion cellát visszahoztam a sírból, és még a terhelést is tartja, na dehát, ha én ezt a fél voltos, de még a 2V-os cellát tölteném, a töltő elektronika(MCP73831)felvesz 10mA, és azzal tölti 3V-ig(nagyon lassan), onnantól 400mA-el. Szóval 2 lehetőségem van. Van a konverternek egy shutdown lába, azt kéne vezérelnem egy ici-pici fesz.figyelővel, hogy kb. 2,5V cellafesz környékén leálljon a konverter, vagy venni egy olyan li-ion töltő IC-t, ami alapból 400mA-al tölt. Jelenleg az elöbbi megoldással próbálkozok. Ennek ellenére az épphogy csak le nem merült telefont feltölti fullra a 2200mA-es li-ion cella. ![]() Képeket csatoltam. Üdv.Tomi
Van még egy megoldás.
Lámpába való LI-ion cellát veszel, abban benne van a védőelektronika. De szép munk
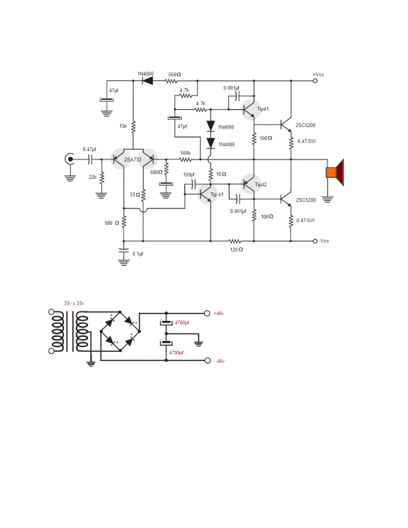
Hali! Íme egy újabb hangszóró gyilkos kis erősítőm,2x100,és 1x200w,mivel hídba lehet kötni.Izelitőnek pár kép,és csak ajánlani tudom mindenkinek,nagyon jó erősítő.Üdv,Zsolt.
Sziasztok !
Szomorú hírt kell közölnöm..... Sokak által ismert lidi Barátunk ,kollégánk , ismerősünk elment utolsó útjára...... Emlékezzünk rá kegyelettel ! Aki szeretné megtisztelni utoljára a temetésén ,kérem keressen privátban és tájékoztatom a részletekről . (2012.08.23) István
A fotok minosege...hat nem mondok semmit.
Amugy a lenyeg latszik szep. Azt elmondod hogy hany ohm-al terheled?
Ez valami iszonyat brutális, persze maximálisan pozitív értelemben. Nagyon profi, részletes kidolgozottság, igazi remekmű lett, gratulálok!
Gondolom nem mindennapi használatra lesz
Hali! Köszönöm,és 8óhm a terhelés,de szerintem 4óhmon adja le a 100w-ot,de nekem 8óhmon is bőven elég teljesítményt nyújt. Még annyit,hogy amiről nincs véleményed,akkor ne kezdj bele.Kicsit gúnyos volt a meg jegyzésed,de ez van.
|
Bejelentkezés
Hirdetés |

























