Fórum témák
» Több friss téma |
Sziasztok!
A segítségeteket kérném a tekercselésről. Szereztem ugyanis egy régi nagy monitortápot. A táp lelke egy STK 730-080, 210W-os IC amiben egy teljesítményFet dolgozik. A trafója (na azt nemtom milyen típusú) többféle szekunder feszültségeket állított elő: -7--20,16,20,60,160 V, amíg szét nem szedtem, mert azt hittem hogy olyan egyszerű lesz áttekercselni. Akkor furának tartottam, hogy a primer tekercset miért nem tekerik fel egyszerre, de aztán olvastam hogy így jobb. Na a lényeg hogy a sorrendet nem jegyeztem meg csak a menetszámokat: a primer 24+18 (ez nem teljesen pontos), a két segéd-tekercs pedig 9 és 2 menet (a rajzon Nd1 és Nd2). Meg tudná nekem valaki mondani hogy hogyan, milyen sorrendben tekercseljem vissza úgy hogy a szekunder oldalon mondjuk egy kétoldalas +-20, vagy+-30V mellett a maximális teljesítményt ki tudjam hozni belőle? Egyáltalán mekkora teljesítményt lehet a szekunder oldalon kivenni, ha az Ic 210 W kimenetit ad meg?
Mivel Potyo nem hajlandó válaszolni a privát leveleimre, felteszem itt is a kérdésem a táppal kapcsolatban:
A következő módon állok a tápommal. Összeraktam a kéttrafós verzióban, szépen működik is ahogy kell. Izzókkal 300W-ot kihúztam belőle, talán még picit többet is tudna, de ez nekem bőven elég lesz. Megfigyeltem, hogy a jelalak a trafón kis terhelésnél nagyon ronda, nagy terhelésnél viszont beáll nagyon szép négyszög alakba. Semmi gondom nem származott belőle, de azért megmutatom, szerintetek ez normális? Kéttrafós összeállításban készült a kép, de egy trafóval is ugyanezt produkálta. Akkor a kép: íme. Amit még nem értek teljesen, a kettős táp feszültségei. Beállítom 70V-ra a tápot, szépen tartja, rendben is van a dolog. Viszont amikor a középkivezetés és egyik széle között mérem a feszt, érdekes dolgokat látok. Először is, totál más a két oldali feszültség. Például az egyik 35V, a másik 45V. Furcsa a dologban az is, hogy ezeket összeadva többet kapok mint egyben mérve a két széle közt. A másik fura dolog, ha ezeket az értékeket mondjuk kis terhelésnél mértem, nagy terhelésnél pont fordítva jönnek ki a feszültségek, amelyik oldalon az előbb kisebb volt, most nagyobb lesz, és fordtva. A két trafó szekunderjét külön egyenirányítottam, és egyenitányítás után közösítettem. Puffer egyelőre csak a két széle között van, 4700uF. Elképzelhető, hogy emiatt a mérési pontatlanság, vagy esetleg meghülyül a multi a szórástól? Egyébként egyformán melegednek a trafók, (mondjuk nagyon gyengén), szerintem nem egyenetlenül oszlik meg a terhelés köztük. Két egyforma EI-40es PC táp trafóról van szó. Olyan erősítőt fogok építeni hozzá, ami csak szimpla tápot igényel, de azért nem örülök ennek a dolognak, meg amíg nincsen kész ez az erősítő, egy normál duplatápossal letesztelném a tápot, nem tudom így ráköthetem-e. Még szimpla tápfeszes változatban, egy trafóval, +30V fesz mellett kipróbáltam egy A osztályú JLH erősítővel, de siralmas volt az eredmény. Brumm dögivel, pedig nem tudom alacsony frekis zaj honnan származik egy kapcsitápból. Ez a kábelen, és a levegőben is terjedt. A táptól hosszú kábelen elvezetve a feszt, az erősítőt egy másik szobában beindtva is búgott, illetve égőket tápláló kapcsitáp mellett a toroidról járó erősítő is búgott. Ennek konstans 2A körül volt a fogyasztása A osztály lévén. Úgy gondolom, átlagos AB osztályú erősítővel sokkal jobb eredményre jutottam volna, mert kisebb terhelés mellett kevesebbet szór a táp, de akkor is, nem tetszik ez annyira így. A kéttrafós változat alatt a következőt értem: 2 egyforma trafó, primerek párhuzamosan, szekunderek sorosan. A segítséget előre is köszönöm. Üdv, Tom
Anyit tudok mondani hogy az alacsonyfrekis zaj valoszínüleg a visszacsatolás miatt van. Az én tápomban is a kimeneti fesz teteje fürészes volt. Sajnos egy rossz mozdulat miatt elszáltak a fetek és a fetvezérlö.
Jó ötletet adtál. Tényleg lehet az, mert a visszacsatolás potijait tekergetve el lehet érni olyan helyzetet is, hogy látható módon villognak a rákötött izzók. De esetleg nem tudod mit lehetne vele kezdeni, hogy megszűnjön? Optós visszacsatolást használok.
Üdv!
A jelalak teljesen normális!
Hogy a két kimeneti feszültség egyforma legyen, ahhoz együtt tekercselt (ugyanazon a trafón!) szekunderek kellenek, de ennél is fontosabb, hogy a kimeneti fojtónak (már ha egyáltalán van) is közös magon kell lennie. A feszültség ingadozásai ellen a szabályzási hurkot méretezni kell. Ehhez ismerni kell a kapcsolásnak majdnem minden részletét, elsősorban a fojtót és a kimeneti elkót, de az optó és környezete is szükséges.
Császtok! Végre sikerült szkópot szereznem és az lenne a kérdésem hogy a pihent állapotban lévő Skory féle tápomnál mire kéne mérni. A kimenetre + a FET Gate lábán a jelalakra??? Előre is köszi
Köszi, akkor a jelalakkal megnyugtattál.
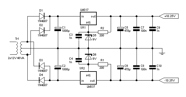
Fojtók természetesen vannak. De külön magon, és nem is fordítottam nagy figyelmet rájuk, még a menetszámuk sem egyforma. Amennyi kitelt az eredeti PC táp fojtó 12V-os tekercséből a szálat duplán fogva. Nemsokára lesz vékony tekercselődrótom, majd sodratból fogom elkészíteni a fojtókat, ha ilyen fontos, akkor pontosan. De valószínű nem fog a két tekercs elférni egy sorban, nagy baj lenne ha egymás tetejére tekerném őket? És akkor fordított irányban, mint PC tápokban szokás? Azt nagyon megköszönném ha segítenél a szabályzás rendbetételében. A kapcsolást csatolom. A fojtó majd ahogy leírtam, és kb 15 menet PC tápos toroid magra, vagy tudnál mondani valami számolási képletet erre? Elkónak még jönne 2x 10000µF a kimenetre puffernek, vagy ha elég kisebb is, akkor akkora, mondjuk 1000-4700uF. Üdv, Tom
Bocs hogy beleszólok .
Arra gondoltom akik erősítőhöz építenek tápot: Ha meghajtanátok folyamatosan maximális kitöltéssel a trafót igen stabil lenne a fesz - olyan mint egy 50HZ-es trafó csak kisseb utólag pedig egy áteresztő 78xx icvel stabilizálni :whatever: (csak sok feszültség ne essen rajta mert nagyon melegszik de olyan 5v az még nem sok) Arra már láttam példát hogy 50hz-es trafó után volt áteresztő ami igen stabil és nem gerjed brummogni meg főleg nem fog Tom025!!! Szimmetrikus tápot eggy kondival szűröd ?! Vagy rossz a rajz vagy a látásom Mert oda 2 puffer kondi kell + 2 100n
Sajnos nem az igazi az elképzelésed, folyamatos max kitöltés mellett nagyon rendesen esne a fesz terhelés hatására.. Ezért kell a kitöltésállító viszacsatolás. 78xx-szel lehetne stabilizálni, ha jóval nagyobb feszt ad eredetileg a trafód, ami eshet lefelé. Csak akkor oda a jó hatásfok..
Kettős tápot egy kondoval szűröm? Ha elolvasod a kommentárt is nem csak a rajzot nézed, ott van hogy jön majd még 2x 10000 µF a végére puffernek, vagy ha elég kevesebb akkor annyi, amúgy meg a középső ág nem lesz kihasználva, csak a teszt erejéig.. A rajz nem rossz, megépítettem, és műkszik, a fent leírt hibajelenségeken túl.. Üdv! Tényleg nem olvastam végig Bocs ! Bár én nem tapasztalttam komoly fesz esést Igaz nem tettem bele szűrő induktivitást a szekunderen. Ha terheled a trafót pedig csökken a feszültségesés a stabilizátoron . Na minegy csak egy ötlet a zavar fesz ellen .
Az optót miért zénerrel és miért nem TL431-el hajtod? (kicsit pontosabb és határozottabb a működése)
Például mert:
- Így volt az eredeti kapcsolás. - Nem ismerem a TL431-et - A zéner feladatata csak hogy korlátozza a LEDre eső feszültséget, magyarul ne lehessen a poti rossz beállítása miatt túlfesszel kiégetni. Nem a stabilitás a fő szempont. Normális működés esetén úgyis 5V alatt mozog a fesz a leden. Meg a finomállítás úgyis a potival megy. Nem változik talán a zéner feszültsége sem, lényeg hogy állandó legyen. Üdv! Idézet: „Mivel Potyo nem hajlandó válaszolni a privát leveleimre, felteszem itt is a kérdésem a táppal kapcsolatban:” Az még véletlenül sem fordulhat elő, hogy van olyan dolog, aminek magasabb prioritása van attól, hogy neked válaszolgassak a privát üzenetekre? Egyébként sem értem, miért privát üzenetben kell valamit megtárgyalni, ami teljesen publikus, tökéletesen beleillik a témába, és mások is tanulhatnak esetleg belőle?! Nem telt el két nap sem attól kezdve, hogy írtad az üzenetet.
Hogyne lenne.
De ha a fórumba is írogatsz, azzal kb egyenértékű szerintem. Ezt tényleg 2 napja írtam, de volt egy előző is, amit már nagyon régen írtam, helyzet ugyanez. Nem tudom, mennyit kellene várjak hogy erre érkezzen válasz, ha egyáltalán érkezik. Én pedig haladni szeretnék a táppal, elég régen elkezdtem már. Egyébként pedig azért neked írtam, mert konkrétan ezzel a kapcsolással van tapasztalatod. Remélem megérted. Üdv!
Hello Tom!
Első ránézésre nem látok különösebb szabályozástechnikai hibát, mélyebb analízishez viszont több idő kellene, és konkrét tekercsértékek. Idézet: „égőket tápláló kapcsitáp mellett a toroidról járó erősítő is búgott.” Mármint úgy érted, hogy egy különben jól működő erősítő elkezdett búgni, amikor tőle függetlenül beindítottad a tápot? Ha igen, akkor ott nagyfrekis zaj a probléma, meg az erősítő is túlérzékenynek tűnik ilyen szempontból.
Amint lesz konkrét tekercsérték, majd megosztom, illetve majd amint lesz időm rá, elkezdek szkópolgatni a visszacsatolás háza táján...
Igen úgy értem, miután mindenhogyan búgott az erősítő a táppal, rákötöttem egy sima 50Hz-es trafóra, a kapcsitáptól teljesen függetlenül, hogy ezzel is búg-e, de nem búgott, viszont amint bekapcsoltam mellette a tápot, elkezdte, a táp kis terhelésénél csak halkan, majd egyre nagyobb terhelésnél egyre hangosabban. Próbáltam hogy a táp áramköre fölé borítottam egy PC táp tetőt, amit leföldeltem (konnektor védőföldjére), de semmit sem változott a helyzet. Biztos hogy a táp szórása keltette ebben az esetben a zajt. Az erőstő egy JLH 10W-os volt, de talán nemsokára ki tudom próbálni valami átlag AB osztályúval is... Üdv, Tom
A bementi szűrőt (fojtótekercs, X és 2*Y kondi) is be kellene tenni! Az árnyékolásra 1-1 kondin keresztül (10...47 nF 1000 V) célszerű rákötni a kapcsitáp bemeneti és kimeneti pufferének 1-1 lábát is.
Bemeneti szűrő (hálózati zavarszűrő) idáig nem volt betéve, csak leválasztótrafó. Számíthat esetleg? Bemeneti és kimeneti pufferből is kettő van, melyik lábakat kössem a kondin keresztül a házra? A közöseket?
Idézet: „Számíthat esetleg?” Talán kicsit segíthet, de nem biztos. Idézet: „melyik lábakat kössem a kondin keresztül a házra?” Inkább a negatívat, de általában mindegy!
Na megejtettem a táp próbáját AB osztályú kettőstápos erősítővel. Nagyon jól teljesített. Az állapota változatlan, de kikötöttem a leválasztótrafót előle, és beraktam helyére egy zavarszűrőt. Mivel nem bíztam a kimeneti feszek szimmetriájában, inkább bekötöttem a két szélét a 70V-nak a pufferekre, és a két puffer közös pontjáról vettem le a 0V-ot. Nem elegáns megoldás, de a teszt erejére jó volt így. Alig hallható az alapzaj. Viszont megfigyeltem valami mást (mondhatni újra). Ha az erősítő mellé bekötöttem némi kis teljesítményű izzót a tápra, szép egyenletes halk alapzajt produkált. Viszont ha kikötöttem az égőt, az alapzaj szaggatott lett, és így jobban ki is lehetett hallani. Rájöttem, hogy szaggatott üzemben működik ilyenkor a táp, és a szünetekben a pufferből táplálkozik az erősítő. Találkoztam már evvel a jelenséggel már korábban is, a visszacsati potijainak egy bizonyos állásánál. De mint kiderült, terhelésfüggő is. Vajon miért lehet?
Már rájöttem, hogy át kell majd tervezni a panelom egy kicsit, mert az optó ledjének előtétellenállása melegszik kicsit, és fűti az optót is, ami miatt szép lassan magától is elkezd esni a fesz. Mikor már vagy 5V leesett, benedvesítettem kicsit az optót és fújni kezdtem - párolgás hőt von el - és segített is. Viszont, amíg hozzáértem kézzel az potóhoz, szintén szakaszosan ment. Ennek a szakaszoskodásnak a frekije simán szemmel látható, 5-10Hz között lehet. Valami ötleted rá mi lehet? Persze megcsinálom majd a tekercset is meg minden, de biztos az lesz a hunyó? Üdv, Tom
Lenne egy érdekes kérdésem került ide hozzám javításra egy ipari kapcsoló üzemű tápegység, amire az van írva hogy 50V 8A ugye ez 400W nem is ez az érdekes hanem az, hogy a primer oldalon 1Db tranzisztor van csak ami kapcsolgatja a trafót és annak a típusa 2SC4237. Létezik az hogy ez tud 400W-ot??
10A-s a tranyó, de primer oldalon ~320VDC van..
1 darab ? 400 w-os flyback ? :eek2: A tranya 150W-os 800voltos 10amperes A maximális kapcsolási teljesítményt: U*I 800A*10A=8000W Azt nem értem hogy miért alkalmaznak kizárólag kapcsolótranzisztort a pctápokban ? Lehet hogy nem megbízható a fet
A kapcsoló elem -félvezető két állapot között váltakozik :
1 teljesen bekapcsolt állapot 2teljesen kikapcsolt állapot Mint egy mechanikus kapcsoló A bekapcsolt állapotnál a maximális áram folyik és ideális esetben nem esik rajta fesz. A kikacsolt állapotban nincs áram és maximális feszültség esik a tranyón. Ezáltal alacsony veszteség (hő) érhető el. A másik az áteresztő üzemmód itt a bázisáramot folyamatosan szabályozzuk . Ilyenkor egy ellenálláshoz hasonlítható a tranzisztor és a rajta eső feszültség * áram adja a veszteséget amit hővé alakít .A veszteséget Wattban adják meg a tranzisztor adatlapjánPl BD249 = 125W
1.: ha a terhelés nagyon kicsi, akkor előfordul, hogy a táp nem tud elég rövid PWM impulzust kiadni, és túltölti a kondit. Aztán a szabályzás teljesen 0-ra veszi a kitöltést, a kondi elkezd merülni és kezdődik előről.
2.: kis terheléseknél a PWM modulátortól a kimeneti kondiig tartó szakasz átviteli tényezője megnő, a szabályzás hajlamos belengésre. Ezt lehet lengésmentesre is méretezni, de csak a teljes kör pontos paraméterei alapján. Idézet: „1 darab ? 400 w-os flyback ?” Lehet nyitóüzemű is!
Ma összeraktam ezt a tápot és úgy néz ki hogy tényleg tudja a 400W-ot most is itt megy mellettem 50V-on 7,5Ampert veszek le róla és még nem is nagyon melegszik kb 35fokos a hűtője.
Hellósztok!
![]() Én 12v-ból szeretnék 220v-ot eszkábálni már reduktorral próbáltam majd lemértem és csak 75v-ot mért ami még egy mikróhullám sütő izzóját is csak egy picit táplálta. ![]() ezen kívül van ez a reduktór , van egy 16v-os 2,5A 35 wattos trafóm, van egy12v-os nem tom hány amperos 65 vattos trafóm,még van egy 4.5v-os 300mA os 4 wattós trafóm,egy HP 30v-os 400mA es tápom és végül egy váltóáramot leadó 9v-os trafóm. Amiket idáig kipróbáltam csak váltóáramról ment ez baj? Ha valaki tud valamit bátran írjon a: scooby_@freemail.hu ra vagy ide a fórumba
Sziasztok!
A topikban találtam ezt a kapcsolást és megszeretném építeni, de nem tudok hozzá szerezni semmi féle leírást. Az lenne a kérdésem, hogy egy ETD 49-es vasmaggal szeretném megcsinálni és hogyan tudnám kiszámítani, hogy mekkora huzal átmérő kell hozzá és menyi menet szám, és az L1 tekercset hogyan lehet megcsinálni, valamint mekkora frekvencián működik a tápegység??!! Segítségeteket előre is köszönöm. Roland |
Bejelentkezés
Hirdetés |







vagy a látásom Mert oda 2 puffer kondi kell + 2 100n 
Tényleg nem olvastam végig
1 darab ? 400 w-os flyback ? :eek2: 







