Fórum témák
» Több friss téma |
- Ez a felület kizárólag, az elektronikában kezdők kérdéseinek van fenntartva és nem elfelejtve, hogy hobbielektronika a fórumunk!
- Ami tehát azt jelenti, hogy a nagymama bevásárlását nem itt beszéljük meg, ill. ez nem üzenőfal! - Kerülendő az olyan kérdés, amit egy másik meglévő (több mint 17000 van), témában kellene kitárgyalni! - És végül büntetés terhe mellett kerülendő az MSN és egyéb szleng, a magyar helyesírás mellőzése, beleértve a mondateleji nagybetűket is!
Hello!
Az antenna, maga a fejhallgató vezetéke, így valamilyen hosszúságú vezeték kell a hangszóró és a vevő közé. Lehet, hogy a felhallgató kimentet le kell zárni egy 47ohm-os ellenállással, mert a kapcsolás esetleg hiányolja a hallgató ellenállását. üdv! proli007
OK! Csak felszisszentem. Nekem megvan a full, de nem használom. A logikája nem az én gyakorlatomhoz illeszkedik.
Köszönöm. Az jó ha az antennát rákötöm a jack gnd pontjára egy 47ohm os ellenállással?
Mindez egy robogóba épített hang rendszer miatt kell, az adást (zenét) egy telefonhoz csatlakoztatható fm transmitter adná, és hogy ne kelljen felállni zenét váltani stb e miatt akarom így megépíteni. Plusz kapna egy elegáns antennát.
Üdv mindenkinek?! láma kérdésem lenne, ha két db kis 20 VA-s toroid(1x12)ból akarok egy szimmetrikus tápot eszkábálni, követendő az alábbi elgondolás?:
a primer tekercsek ágait közösítem, és így egy hálózati kábellel kötöm a nagyfeszre, majd a két szekunder egy-egy kivezetését összekötve kapok egy gnd-t, egy -12-t, és egy +12-t? Bocsi, de ez a mínusz feszültség számomra misztérium néha
Nem!
A két szekunderre külön - külön teszel egy egyenirányító hidat. Utánuk egy - egy szűrőkondit. Ekkor van 2 tápod aminek van + és - pólusa. Ekkor kötöd össze az egyik + -át és a másik - -át. Ez lesz a Gnd. A maradék + és - adja magát.
Köszönöm a tippet, próbálom összeegyeztetni a dolgokat.
Tud valaki egy jó olvasmányt antennákról, nagyfrekis jelek irányításáról? Kivételesen nem messzire lőni kellene, meg ilyesmik, hanem pld antenna kiképzéssel, vagy teljesítmény játszadozással arról gondoskodni, hogy minnél jobban határos térfogatra tudjak korlátozni kommunikációs lehetőségeket. Az egyik antenna fixen elhelyezett bot antenna (adó), a másik szabadon kiképezhető / irányítható (tudom látószögre irányítani is, de valami mobil kivitel kellene) stb mozgó vevő, amit ügyesen kellene kiképeznem, hogy pld egy méteres távon kívül már semmit se vegyen. És persze aggódom az épületen belül szanaszét verődő hullámok miatt is, valahogyan azok hatását is semlegesítenem kellene. Erről lenne jó valami olvasni való. Ami akad.
Hello!
Ezek szerint nem érted. A Jack és az erősítő között van egy kábel, ennek végére (árnyékolás-jelvezeték) kell a 47ohm, ami imitálja a fülest. Elvileg úgy van megoldva a dolog, hogy a füles GND egy tekercsen keresztül csatlakozik a rádió GND-jére. Ez a hangfrekit átvezeti, a rádióhullámoknak meg ellenállást jelet. De ugyan erre a pontra csatlakozik a vevő bemenete vélhetően egy kondin keresztül. Az a hangfrekit nem engedi át, de a rádióhullámokat beengedi a vevő bemenetére. Így van kettéválasztva a két jel. Vagy is ha nem a füles vezetékét használod antenna gyanánt, akkor a kondit kellene levenni és a füles madzagja helyett az antennára kötni. De azt is megpróbálhatod, hogy a Jack-et rákötöd az erősítőre, és a GND potjra ráteszed az antennát is. ezzel olyan gond lehet, hogy az erősítő GND a motor GND-vel közös, az aksis táplálás miatt. Vagy is söntölheti az antenna jelét. De ki kell próbálni, mert ez a rádió elég egyszerű lelkületű valami. üdv! proli007
Kedves mex!
Te azt a youtube linket amit belinkeltél elhiszed? Neharagudj ha bolondnak néztelek volna! A fizika egy törvénye amit én régen nem osztottam: Energiát nem lehet sem előállítani sem elpusztítani 10 évesen én is elhittem minden ilyen videót ami a youtube-n volt.
igen igen! köszönöm! a graetz-ezés kimaradt, de úgy gondoltam én is, nem a váltakozót összekötni
Sziasztok!
Az lenne a kérdésem ,hogy mi a különbség a Lineáris és Logaritmikus potenciométer között? Egy erősítő bemenő hangerejét kellene szabályozni és nem tudok választani.Az tuti ,hogy 50 K Ohm -os .
A hangtechnikában szinte mindig logaritmikus potit használnak : ennek a "skálája " illik a fül érzékenységéhez
ha lineárist teszel bele akkor hirtelen fog változni a hangerő , míg logaritmikus potinál szépen folyamatosan emelkedik csökken a hallott hang ..
Illetve még az lenne a kérdésem ,hogy van egy trafóm
Több leágazással 0-6-12-24V-al A primer oldalon 3A-os üvegbizti van. A trafón Szekunder oldalán jelenleg A 0-24V-os körön 0,6A fogyasztok A0-12V-os körön is 0,6A fogyasztok ÉS a 0-6V-os kör jelenleg üres. az a baj ,hogy a trafóvas melegszik? Ha 20 másodpercig fogom simán tűri a kezem nem süt csak meleg. Ezt a nagy terhelés vagy pont az ,hogy keveset veszek ki belőle? Baj ha kicsit megmelegszik?
Ha bírja a kezed akkor elvileg a trafónak sem árt az a meleg. De gondolom valami szellőzése csak van ha be van építve.
ha meg keveset veszel ki belőle attól nem kellene hogy melegedjen csak minimálisan. De javítson ki valaki ha tévedek. Amúgy meg olyan trafót nem láttam még ami nem melegszik
Egyenlőre csak teszt ként az asztalomon van.
5 elektroncső fűtését szeretném róla hajtani és egy kis 150mA-t fogyasztó erősítőt.Összesen elvileg 1,5A szeretnék kivenni belőle.Az primer körben mekkora Áramot eredményez? Aktív azaz ventilátoros hűtésre sajnos nincs lehetőség,viszont nem lesz agyon használva inkább csak bemutató célra max 1-2 órás üzemmel.
Mekkora körülbelül ez a trafó? az egész körülbelül 25wattot fogyaszthat. ami nem túl sok. Egy régi Nokia adapter ami 12v 0,8A hajtok meg egy 2*25wattos erősítőt, és tűrhető meleg igaz csak a műanyag burkolata.
Esetleg megteheted hogy hajtod őket rendesen, és közben figyeled hogyan melegszik. de olyan 70 80 fokot bármilyen trafónak ki kell hogy bírjon.
Nyugodt lehetsz ekkora terhelésnél nem fog "leégni" a trafód ,melegebb lehet de túlterhelésnél elvileg megvédi a bizti
12V 0,8A 2x25W ra? Az nagyon nem jó... 50W 12V ról 4.2A és a hatásfokkal még nem is számoltam.
Megmértem a multiméterrel 53 C -t mértem.
A vas külső mérete: 2,5*8,5*7 Mást nem tudok lemérni rajta A Szekunder 0 és 6V kivezetése sokkal vékonyabb mint a 12 és 24 kivezetése
Nyugi nem maximumon megy. általában normál hangerőn. csak néha néha húzom fel a hangerőt
![]() egy tda 7375 a lelke
Sziasztok!
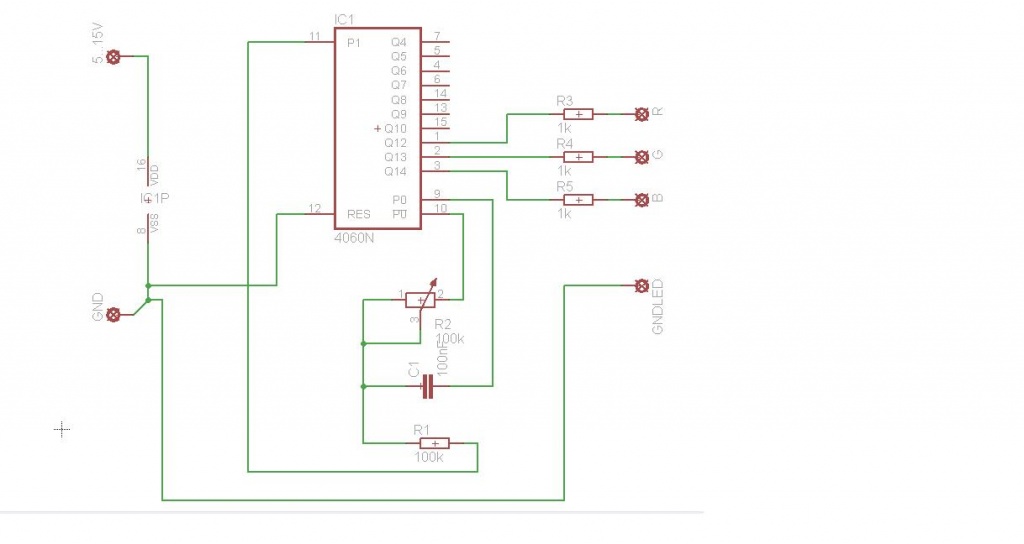
A CD4060 1,2,3-as kimeneteire PNP vagy NPN tranzisztorok kellenek, ha bővíteni akarom (tehát több ledet akarok meghajtatni vele). Esetleg tudja valaki, hogy az említett kimenetek hány nagyfényerejű ledet bírnak el párhuzamosan kötve? Csatolom az említett kapcsolást amihez kapcsolódik a kérdés. Az R, G és B kimenetekre csatlakozott eddig 1-1 led amiknek a közös negatívja a GNDLED-re csatlakozott. Köszi
Hello!
Egy CMOS kimenetet nem lehet terhelni, legfeljebb néhány mA erejéig. Sokkal egyszerűbb, ha a kapcsolásodhoz egy-egy NPN tranyót teszel a kimenetre. Ekkor tranyótól és bétától függően akár 600mA-ig is terhelhető a kimenet. (Bázis az ellenállásra, emitter a GND-re, Led-sorok a táp és a kollektor közé. Ha egy-egy Pcsatornás Fet-et teszel a kimenetére, akkor amperekkel is terhelheted. De a Led-ek párhuzamos kapcsolása nem célszerű. Jobban jársz, ha a tápfesztől függően sorba kapcsolsz párat, és ehhez megfelelő előtété ellenállást teszel. (Van segédprogram!) ezeket az ágakat, aztán már párhuzamosan teheted. Úgy fog kinézni, mint ha egy-egy ága a létra fokai lennének. üdv! proli007
Köszönöm a választ! Az akkumulátor egy két cellás Li-PO akku lenne (7,4V), a többletfeszültség így kipipálható. A hűtést se probléma betervezni. Tehát ha jól értem, akár 1,5-2A is lehet a töltőáram ezzel a megoldással. Mert ott leold magától. Illetve tönkremegy. Az sok.
Közben már találtam egy kész cuccot, pontosan ilyet szerettem volna csinálni http://www.hobbyking.com/hobbyking/store/uh_viewItem.asp?idProduct=24405, erre tessék, már gyártják is. Szép estét!
Üdv az kérdésem lenne hogy egy 12va trafo eltud-e látni 2db tea 2025 ic ?
A hozzászólás módosítva: Szept 1, 2012
Kösz
Nagyon jó az uj arculat ![]()
Még csak annyit, hogy a kimeneteken lévő 1Kohm ellenállás jó bázis ellenállásnak, ha mondjuk BC337-es tranzisztort használok és 2-3 nagyfényerejű ledet hajtatnék meg 1-1 tranzisztorral?
Hello!
Igazából a bázisellenállás érteke, a terhelőáramtól, a bétától (áramerősítési tényezőtől), a tápfeszültségtől függ. (De a nagyfényerejű LED, nem azonos a nagyáramúval..) Ha a terhelőáram 20mA, a béta 100, akkor a bázisáram 20mA/100=0,2mA. Ha a tápfeszültség 12V, akkor a bázisellenállás 12V/0,2mA=60kohm, ennél az ellenállás csak kisebb lehet. De ha nagyon kicsi, akkor az IC kimenetét "gyötörjük" csak. (A számításnál, a IC kimeneti csatorna ellenállása, és a tranyó bázis-emitter feszültségét elhanyagoltuk. Ha kicsi a tápfesz, és nagy a bázisáram, akkor nem lehet mellőzni ezeket. De adatlapból kiolvasható, hogy adott tápfesz és terhelő áram mellett, mekkora kimeneti feszültségre számíthatunk az IC-nél. Ekkor ezt kell használni a tápfesz helyett és levonni belőle a kb. 0,6V BE feszültséget.) üdv! proli007 A hozzászólás módosítva: Szept 1, 2012
Helo!
Pár hozzászólással ezelőtt feltettem egy képet, amiben van egy 7805-ös stabilizátor, egy aksiról menne pár led világításként, és a stabilizátor meg egy usb-re csatlakozna, ami telefontöltő lenne. A kérdésem az lenne, hogy Így lehet-e telefont tölteni, és ha igen esetleg kell e egy áramkorlátozó ellenállás? Ha valakinek lenne ötlete, akkor megköszönném, mert már csak ez az egy probléma választ el a megvalósítástól...
Üdv!
Mehet így ebben a formában telefon töltőként. Nem kell áramkorlátozó, a telefon (illetve az akksi elektronikája) maga szabályozza a töltési áramot. Ahoy! |
Bejelentkezés
Hirdetés |











