Fórum témák
» Több friss téma |
Mielőtt kérdezel, a következő két dolgot ellenőrizd!
I. A helyes tápfeszültségek megléte.
II. A kimeneten van-e egyenfeszültség.
Élesztés.
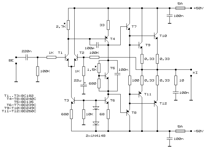
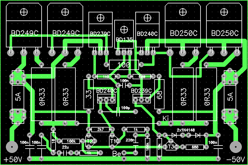
Szia, emersys kolléga megnéznéd nekem ezt a nyáktervet ha lesz egy kis időd, hogy nem-e hibáztam valahol. Köszönöm előre is a segítséget.
Szia!
ITT a rajz hozzá, az élesztéshez is meg volt valahol a dokumentáció, de nem találom. Ha gondolod el tudom mondani, mert még emlékszem rá. ![]() Hoppácska, valamit el néztem szerintem A hozzászólás módosítva: Szept 24, 2012
Szia.
Este utazom Pestre, akkor lesz időm átnézni. A visszahajló áramkorlát védelem nem kell bele (az csak vagdalná neked a csúcsokat idő előtt..), amit küldtem neked az profin megvédi úgy ahogy van. Ezeket a visszahajló áramklorátos védelmeket lehetetlen pontosan beállítani és olyan nincs, hogy a hangminőséget ne befolyásolná.
Az mitől visszahajló? Egyébként a visszahajló igenis kell egy ekkora végfokba, és be is lehet állítani. A hangba valóban beleszól, de az ennél a végfoknál nem szempont.
Nevezheted áramkorlátozó túláram védelemnek is, amely a meghajtó fokozat bázisát korlátozza. Nem ezen van a hangsúly.
Idézet: „A hangba valóban beleszól, de az ennél a végfoknál nem szempont.” Éppen, hogy szempont, hisz a cél hogy tisztességesen kivezérelhető legyen, úgy hogy az torzításmentes és megbízható legyen. Ennek érdekében készítettem el (kb 2 éve) hozzá egy elektronikus védelmet. Amely felelős a kimeneti rövidzárlat védelemért, a túlvezérlésért, késleltetésért, dc, és egy hővédelem is helyet kapott bent. Ilyen jellegű, komplementer szimmetrikus végfokok védelmére tökéletes. Egyszer avatkozik csak be, -mielőtt még "baj" lenne. Hangképbe nem szól bele, és trimerrel gyönyörűen kalibrálható. Csak jelzem, hogy a gyári túláram védelme nem védi meg a végfokot teljes kivezérlésen rövidre zárva. -Nem kell sok ,hogy drága tűzijáték legye belőle. Idézet: „Egyébként a visszahajló igenis kell egy ekkora végfokba, és be is lehet állítani” Nehéz lenne itt pontosságról beszélni...hisz az eltérő tranzisztorok nyitófeszültségétől az ezzel járó nem szimmetrikus vágáson át sorolható lenne.. Nem is akarok belemenni jobban ebbe a védelem témába, értelmetlen is lenne az elektronikussal szemben. Ui: Haliapu, -holnapra megtudom nézni a tervedet. A hozzászólás módosítva: Szept 24, 2012
De, a hangsúly pont ezen van. A rajzon lévő mezei áramkorlát esetén ha a végfok kimenetén zárlat van, akkor a teljes tápfesz a végtranyókon disszipál, aminek nemsokkal utána következménye is lesz. A visszahajlónak meg pont az a lényege, hogy egyrészt a névleges impedancia mellett simán túlvezérelhető a végfok anélkül hogy működésbe lépne, másrészt zárlat esetén a tranyókon lévő disszipáció a töredéke lesz a rajzon lévő megoldáshoz képest, tehát két legyet üt egy csapásra.
A "nem szimmetrikus vágás" problémájához pedig csak egy egy ellenállás kell pluszban amivel az eredeti érték jusztírozható, és máris gyönyörű, szimmetrikus ábrát fogsz látni a szkópon.
Nekem sok újat nem mondtál, úgyhogy hiába kacsintgatsz..
A legjobb az elektronikus (relés) úton megvalósított, mivel az teljes körű védelmet ad minden hiba ellen... És csak egy egyszerű teljesítmény ellenállás pároson való figyelésen alapul. Nem igényel semmi beavatkozást az áramkörbe. Haliaupanak már hónapokkal ezelőtt mellékeltem a nyáktervét privátban. (Csak akkor még nem volt aktuális ha jól emlékszem). A hozzászólás módosítva: Szept 24, 2012
Sziasztok, van nálam egy Denon 6 csatornás erősítő, amelyben az egyik végfok tranzisztorai tönkrementek. (Gyári Sanken tranyók vannak benne eredetileg.) A HQ-nál kaphatók bele típusszámra megegyező tranyók, de 2 gyártótól is van. (PMC és SKN) Az SKN majdnem dupla annyiba kerül, mint a PMC. Ti melyiket vennétek? Melyik a korrektebb? (A jobb első csatornában lévő tranyók szálltak el, de oda inkább átteszem a szub. csatorna gyári tranyóit. És a szub csatornához fogom tenni a most megvásárolandó tranyókat.
Üdv.: Miki
Szia.
Jobb lenne pedig a Sanken gyártmány, -ha anyagilag megteheted persze. A PMC-ben nem hinném, hogy az a chip lenne -kevesebb pénzért. Működni ugyanúgy fog feltehetően, csak teljesen más hangkarakterrel. -Nyugalmi áram újrakompenzálással (ofszetet is ha szükségeltetik). -Gyári doksijukban szokták írni az értékeket. Érdemes azért a hq-tól megérdeklődni van -e még nekik SKN raktáron pl., -volt már rá példa ,hogy csak kint maradt és ugyanazon áron adták el a hamisat. -Sajnos. A hozzászólás módosítva: Szept 24, 2012
Idézet: Igen, azért cseréltünk valamikor a 80-as évek végén 2 garnitúra végtranyót is az Orion se260-ban. Abban is az általad preferált megoldás van. Addig a 3-400ms-ig mit csinálnak a tranyók amíg a relé elenged? Ráadásul ha nem valami nagyon jó minőségű gáztöltésű darab, akkor a pogácsák közt kialakuló íven is tovább folyik az áram. „A legjobb az elektronikus (relés) úton megvalósított, mivel az teljes körű védelmet ad minden hiba ellen...”
Ne haragudj de 80as években kapható tranzisztorokat felesleges a mai teljesítmény tranzisztorokhoz hasonlítani, minden szempontból !
Ráadásul az sem biztos, hogy az a rövidzárvédelem megfelelően volt méretezve.. Nekem még sosem mondott csődöt. Pedig több diszkós ismerősöm erősítőibe is kénytelen voltam már ilyen jellegű védelmet beiktatni. -Azóta sem volt rá panasz. Sőt inkább köszönet, hogy ez tényleg hatásos...Felesleges riogatásokat én módjával kezelném. Főleg a ma kapható félvezetőkre levetítve ezt. -Részemről befejeztem. Én nem akarlak győzködni ,-mielőtt még félreértés lenne.
Heló, nem tennéd ide fel a vedelem rajzát, engem nagyon érdekelne. Ha van panel terveid hozza az is jó volna. Köszönöm
! A hozzászólás módosítva: Szept 24, 2012
Szia kolléga, az egyik nyákot védelemmel a másikat anélkül csináltam, hogy kinek mihez lesz kedve majd meg építeni ha kedve szottyan hozzá. De ha tudom, hogy ilyen vihart kavarok vele inkább privátban tettem volna fel. És előre is köszönöm a segítségedet.
Nincs ebből semmilyen vihar. Nem véletlen hogy a gyári készülékekben sem azt a megoldást használják. Az Orion vége rendesen túl van méretezve ( 2-2 pár végtranyó a 80W-hoz), ennek ellenére ez a védelem 3 esetből egyszer megvédte (lett is nagy pislogás a buli közepén amikor egyszer csak nagy csend lett (na ezért sem jó ez a megoldás), a másik két esetben pedig nem. De nem kellenek ehhez példák sem, csak ki kell számolni hogy az egyébként is kihegyezett végtranyónak hány periódust kell(ene) elviselni zárlatban addig, amíg a relé el nem enged. Csak halkan mondom, egy normális áramkorlát esetén egyet sem. Ezzel én is befejeztem.
Szia, az én erősítőm azért annyira nem lesz ki hegyezve, mert eleve az eredetihez képest én csak +-70V 1000W. tos trafóról 2x30 000µF szűréssel fogom alkalmazni. Mind össze csak 2-2db 18".os 400W.os 8.Ohmos Reflex hangszórót kell neki meghajtani párhuzamosan kötve egy egy mély ládában.
Mivel látom, hogy sajnos teljes homályban vagy, így munka után arra gondoltam, ha hazaérek kell készítsek egy videót a védelem teljesen hiteles működéséről.. Nem azért ,hogy győzködjelek, hanem azért mert olyan kijelentéseket teszel megalapozatlanul amibe én már sok-sok munkaórát fektettem évekkel ezelőtt , (Talán Reloop emlékszik rá leginkább a fórumozók közül). -és ,hogy ne hangoztass olyasfélét ami az ilyen jellegű védelmek megbízhatatlanságáról szólnak...
A hozzászólásod is teljesen téves elmék sorozata.., -hisz miért is vannak kihegyezve pl Haliapu által feltett kapcsolásban a végtranzisztorok? Szerintem ne próbálj meg új teóriákat alkotni,hisz abszolút nincs semmi ilyenről szó. A videón látható lesz a teljes kivezérelt állapot rövidrezárása, a klipp állapot rövidrezárása, valamint az is látható lesz, hogy a védelem már negyed hangerő felett képes leválasztani a terhelést és a kimenetet, -rövidzár érzékelése végett.. (A védelem míg rövdzárlatot érzékel nem engedi behúzni a relét, -és a hangerőt is lekell venni minimumra a folytonos fault jelzés végett, -kis hangerőn erre már nincs szükség) A Videót a Download Now fülre kattintva azonnal le lehet tölteni. A feltöltött oldalon nem biztos, hogy elindul a videó. Kapcsolási rajzot nem adom ki, mert vélhetőleg majd az Ágoston Lajos –Hibrid erősítős könyvben (pár hibrid kapcsolással együtt) teszem közzé. Soos Csaba, ha kell nyákrajzot adok ki, illetve beültetési rajzot is. (Privátban). (Ha speciális raszterkiosztású reléd van, arra szívesen áttervezem természetesen). De a rajz egyenlőre nem publikus.. Bővebben: Link A hozzászólás módosítva: Szept 25, 2012
Sziasztok!Elkezdtem egy projektet, ami egy régi autórádió külsejéből áll, 2xan6884 kivezérlés jelző és most perpillanat kicsit trafó ami éppen hogy belefér,és egy darab tda1519 végfok ic. Ezt inkább hifi célra szeretnem használni, namost kérdésem az lenne hogy milyen végfok ic-t ajanlottok aminek elfogadható a hangja,tudom ic, az nem hifi de valami aminek jó hangja van. Teljesítményben nemkellene valami irtonagy legyen ilyen hangszóró lenne 4 vagy 8 ohmosban, ehhez a hangszóróhoz legalább megadjak a pontos gyári paramétereket,amivel tudok majd ládát készíteni neki.Itt most a fő kérdésem az lenne hogy milyen ic-t ajanlottok, es az sem hátrány ha kevés helyet is foglalna, tapfeszulseg,hat most meg fuggetlen,de nem lenne hátrány ha menne 12 V-rol[ilyen feszültségű toroid trafót tudok csak szerezni, EI magos trafó nem fer el a 4 cm magas radioban]. Gondolkodtam kapcsoló tápon, mert van 2 darab rossz pc tápom,abban mar megvannak a kicsi trafók, és akor valami egyszerű tápot készíteni vele. Szerintetek mi lenne jó választás?
Üdv!
Szerintem ne kapcsolóüzemű táppal hajtsad meg az erősítőt, hanem a hagyományos trafós táppal, egyenirányítva, pufferelve.
Az ilyen tápból azért a nagyobbat vedd meg.
Sziasztok készítettem egy végpanelt kicsit átdolgozva de mintha gerjedékeny lenne,ha elmegyek mellette akkor is változik a zúgása,és kicsit sistergős. Van e ötlet esetleg a megoldásra vagy tipp.Ha kezemmel közelitek a bemenethez akkor is erősödik a zúgás.
Minden ki lett cserélve rajta minden tranyó,a végek MJ15024-25,a meghajtók MJE15032-33,és MJE340.jelenleg még 55v + - megy,de 75v lesz rajta .Köszönöm A hozzászólás módosítva: Szept 25, 2012
Szia! A 100k ellenállás miatt nyitott bemenettel érthetően érzékeny. A jelerősítése is egész rendkívüli, ez magyarázza a súgó hangot. A 220nF előtt a bemeneti pontokat összezárva hogyan viselkedik?
Hát igy a levegöben nem is csoda.
Rakd be egy tisztességes fém dobozba, keresd meg a földeléseket, mérd le az érzékenységet, utánna lehet panaszkodni.
Ezt nem tudtam megint tanultam valamit,holnap első dolgom lesz így kipróbálni,esetleg lehetne csökkenteni az érzékenységét?
A visszacsatolás mértéke adja az érzékenységet...és a bemenetet vagy rövidre kell zárni, majd le kell terhelni, ahogy az késöbb is lesz az elöfokozat esetén. (vagy poti lesz ott).
|
Bejelentkezés
Hirdetés |




















