Fórum témák
» Több friss téma |
Fórum » Elektronikus hangszerek
Sziasztok!
Az érdekelne, hogy vannak-e köztünk olyan hozzám hasonló emberkék, akiket érdekel a zene és az elektronika kapcsolata-nem a konzerv zene-erősítő,hangfal stb.-hanem a zene születése. Eddig egy "rokon" témát találtam, ami az amatőr keverő építéséről szólt. Jómagam szintetizátor rajongó vagyok, épül is néhány. Évek óta... Szóval?
Hali!
Én csak annyit tudok mondani, hogy én imádom a zenét. Bár nem a szintiket, de olyan korszakom is volt régebben, amikor azokért rajongtam...meg egyszer elkezdtem egy elektronikus orgonát is. Mostanság a lassabb, indiai chill-outokra vagyok rákattanva...egészen pontosan január 19-e este óta ![]() Akkor ugyanis történt velem valami, ami még eddig sose. Nagyon félelemetes és egyben nagyon jó érzés volt. És ez nem más volt, mint katarzis...EGY zene hallatára...nagyon meg voltam lepődve miatta, mivel eddig sose éltem át ilyet életemben. Kirázott a hideg, borsózott a hátam, és megeredtek a könnyeim...erre azt szokták néhányan mondani, hogy ez egy lelki megtisztulás, lelki továbblépés, feljebbjutás egy újabb "szintre". De hogy honnan jutottam el hová, még azt nem tudom ![]() Egyébként nem sokára tervezem egy gitár megvételét (1-2 héten belül), engem ez az eszköz csábított el igazán, mint hangszer ![]() Na meg a hangja...
Szia!
Én most is chilloutot hallgatok egy netes rádióból. Amikor a gép előtt kell ülnöm mindig ez az adó szól-vagyis nagyon szeretem ezt a műfajt. A gitár az jó dolog-mint minden hangszer. Engem elbűvül az is, mikor az általam annyira szeretett technikából valami "magasabb rendű",azaz zene szól. Jó gitározást! st
Köszi mspike!
Bár sajnos a picekkel(PIC-ekkel) nem vagyok igazán jó viszonyban. Amikor igazán befogadóképes korban voltam még nem voltak divatban. De minden a témába vágó dolog érdekel,egy normális midis dolgot meg nem lehet megcsinálni nélkülük. Analógban nyomulok, annak más hangja és feelingje van...
Üdvözlet megszállottak!
Minden zenész megszállott, de ez így van jól. Ha nem lennék az, nem mondanám. Amikor először akartam szintit csinálni, második éve tanították nekem az elektrot, de gyorsan letettem róla, inkább vettem. Az Emulator csodálatánál csak a Moogoké nagyobb, meg az, hogy amikor a Roland D20-asom MIDI szinkronizálásával küzdöttem PC és egy Kawai között, akkor rohadt dühösen annyit mondtam: Bakker, ezt Bartosék mát "76-ban megcsinálták, pedig a MIDI csak "81-ben született, és most ezzel a nyomorult MIDIvel nem mennek normálisan a gépeink.
Szia!
Érdekelne miért mondtál le az építésről? Illetve, hogy azért más "szerkezet" épült-e a zene témában?
Bocsit akartam kérni azoktól, akiket sértene az eredeti megfogalmazásom, de elkéstem (MOD). Talán Pataki után szabadon őrültet helyesebb lett volna mondani (Gyere őrült).
Azért mondtam le az építésről, mert rájöttem, hogy iszonyat zöldfülű vagyok hozzá, és akkoriban ("88-ban) még nagyon gyárkapukon belül tartották az információkat, meg akkor gőzöm sem volt egy ilyen feladat nehézségéről, ám amikor kezdtem kapisgálni, akkor megijedtem. Szerkezet? Hangszert nem csináltam, torzítót sem, keverőt - háááát egy nagyon primitívet, meg egy orosz keverőt átalakítottam picit. Ja, meg nem akartam 7000 forintot adni egy pedálkapcsolóért, ezért egy irodai risztó taposó pedálból csináltam meg a Hold és a Start/Stop pedált. Ja, meg 5 méteres MIDI kábelt forrasztottam, mert akkor nem lehetett kapni készen ilyen hosszban. Szóval ilyen egyszerű dolgokat (kábeleket) ütöttem össze.
én a dob híve vagyok, ebben nincs sok elektronika szerintem
Sziasztok. Én, mint már egyszer írottam volt, igazán nem értek a zenéhez, az elektronikai tudásom pedig.. szal azt is hagyjuk
Nyílt már egy olyan topic, hogy vocoder készítése, de asszem ott meghalt a dolog.Emlékszem, még bratyó dobta elém egy szinti kapcsrajzát, mondván, ezt kéri. Szépen mosolyogtam rá. (még pákát nem fogtam akkor a kezemben, épp csak kaptam egyet ) Amúgy a paia-nak vannak félkész szinyói, építőkészlet formában meg is lehet őket venni. Egész jók. Ennyi lettem vna.
Ez egy jó oldal(nak tűnik), csak kicsit bizalmatlan vagyok.
Mi mennyi? Mit tud? Biztos jók ezek? (meg ilyenek...)
erre azt tudom mondani, hogy az adatlapokon van demó, azt hallgatsd meg, ha megtetszett vmelyik, sztem még nézz szét kicsit neten (google, hitspace, nem tom hol..)
mi (mein bruder) vett egyet egy Fatman-t, összerakva, de az nem működött. Valaha biztos működött. Erre én csak azt tudom mondani, h én meg vettem egy épkészletet a Conradban, összeraktam, de nem akarta a jót (elég elkedvetlenített), a rizikó gondolom ugyanannyi. Mindenesetre ajánlom, mert ha működik (és sztem azért az a gyakoribb, pláne, ha Te rakod össze), akkor nagyon jó kis gépek. (Árak meg sztem ott vannak, nem?)
Szia!
A Paia az egyik legnagyobb ilyesmivel foglakozó cég. Az oldalukon nagyon jó dolgok vannak. De rendelni nem lehet tőlük-legalább is velem nem álltak szóba. Érdekel esetleg a téma? Ha kitekre gondolsz, talán ezt tudom ajánlani(bár nem próbáltam, mert saját konstrukcióban nyomulok) ha meg igazán építeni akarsz akkor ezt.-ez a kedvencem. Ray egy szuper fazon.
Üdv mindenkinek!
Én is majd meghalok a szintikért (jelenleg a másodikat tépem, igaz ez gyári). Egy kérdés: nincs valakinek valami kapcsolási rajza amivel mikrofon hangját lehet eltorzítani realtime-ba? Vagy más effektprocessor is érdekelne. Ha nincs az se baj, de próba cseresznye alapon megpróbáltam.
Rengeteg effekt rajzot találhatsz a neten-nekem is van néhány, de papíron-holnap utánanézek...
A neten még nem néztem körül, de majd körülnézek.
Amid van az érdekelne :yes:
Hát azt csinálni nem nagyon lehet...
Bár minden csak kitartás és elszántság kérdése
Sziasztok!
A képen látható megoldást szeretném megvalósítani. Van egy egyszerű kis szintetizátor, ami rendelkezik egy fejhallgató kimenetel, valamint egy táp csatlakozóval. Ebbe egy 3.5 mm-es jack aljzatot akarok beletenni, ezt pedig rákötni a hangszeren belül egy olyan pontra, ami a fejhallgató előttii erősítőhöz megy. Még nem szedtem szét, nem láttam, hogy milyen belül. Az lenne a kérdésem, hogy ez egy kondi és vele sorosan egy ellenállással megoldható?
Igen, erre gondoltam. De poti nélkül kell, fixen egy ellenállással. A szintet majd állítom pl. a laptopon az abból kimenő hangerővel. Vagy akkor a poti helyett rakok két sorba kötött ellenállást.
Amiért kimondottan szeretem az elektronikát az a hangkeltés és hozzá tartozó dolgok. Szintetizátort és hozzá tartozó dolgokat szeretnék építeni és nem utolsó sorban billentyűkontrollert is hozzá építeni.(Bocsánat ha van már ilyen téma kerestem a keresőbe de nem találtam.)
Szervusz!
Esetleg van kérdés is, ha már ,,pontra menő témát" nyitottál? Üdv.: Hurka
Igen, modulátort, osc-t, billentyűt és egyéb finomságot hogyan lehet építeni?
Üdvözlök Mindenkit!
Az lenne a kérdésem, hogy hogyan tudnék egy KORG Monotron-t, vagy KORG Kaossilator-t készíteni? (például ilyent:Kaossilator,Kaossilator Pro,Monotron) A lényeg az lenne, hogy programozás nélkül szeretném megoldani. Tudom a példákban lévő első kettő olyan, hogy azt nehéz megoldani, de az utolsó, a "Monotron", már kicsit egyszerűbbnek tűnik. Lényegében annyi lenne a kérdés, kérés, hogy egy változtatható hangmagasságú, és változtatható hangerejű gépet csináljak, aminek kicsit gépies, rezgő hangja van. A segítséget előre is köszönöm!
Továbbá lehet a hang generálásához oszcillátort használni, vagy elég, ha csak áramot kötök egy kvarcra, és abból ami kijön, megy a hangszóróba, vagy más is kell? Például, ha a kvarc használható, a hangerő, és a hangmagasság hogy lesz állítható?
Az lenne a kérdés, hogy mennyire értesz a szakmához?-"Ha csak áramot kötök egy kvarcra"...
-A kvarc nem vezeti az áramot (egyenáramot) A kvarc olyan, mint egy kondenzátor, azzal a kis különbséggel, hogy a sarkaira kötött feszültség a dielektrikumban mechanikai deformációt okoz, és az anyag, amikor visszarugózik, elektromos feszültséget hoz létre a vezető anyaggal bevont felületén (piezoelektromos hatás). A kvarc csak valamilyen erősítő eszköz segítségével hozható rezgésbe. Az általam ismert kvarcok frekvenciája magasan a halható hangok tartománya felett van, ezért integrált áramkörös számláló, és osztó áramkörökkel lehet különféle frekvenciájú hallható hangokat előállítani. A hangerő szabályozása külön téma. Erre vannak a potenciométerek kitalálva, illetve helyettük újabban fel-le gombnyomásra működő elektronikák, vibrátó áramkörök, stb.
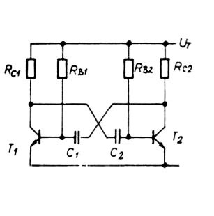
Végül is a legegyszerűbben astabil multivibrátorral lehet ilyet megépíteni. A frekvenciát az rb1 rb2 ellenállásokkal, valamint a C1, C2 kondenzátorok értékének változtatásával lehet beállítani a tranzisztoros változatnál, az 555 IC-nél az R2 és C tagok változtatásával lehet ugyanazt elérni. Egyetlen generátorral ún. monofónikus, illetve ahány hang, annyi generátor: polifónikus orgona építhető. A generátorok kimeneteit a billentyűkre, illetve azokon keresztül az erősítőre vezetjük.
Hehe... bizony a hőskorban az első elektronikus megszólalású cuccok ilyesmikkel működtek!
Az előző hsz-ban az astabil multivibrátor egyik bázis ellenállása volt kihozva egy nagy méretű kerámia huzalellenállásra, és azon huzigált egy fémpálcát a Rezsőbácsi: Ezer éves bohóc Az a nyekergő hang egy ilyen egyszerű kütyüből jön! |
Bejelentkezés
Hirdetés |





alapon megpróbáltam.



