Fórum témák
» Több friss téma |
Mielőtt kérdezel, a következő két dolgot ellenőrizd!
I. A helyes tápfeszültségek megléte.
II. A kimeneten van-e egyenfeszültség.
Élesztés.
Köszi gondoltam rá,de a hiba új keletű pár napja vettem észre,igaz csak szám.gépről hallgatok mindent.
De kipróbálom,van baró 25A-es 0.035uf es kondim rákötöm A hozzászólás módosítva: Dec 30, 2012
A µF legyen minél nagyobb.
Amúgy nekem is átjön az asztali kislámpa kapcsolójának a zaja a számítógépen. A kapcsolóba be tudtam építeni zavarszűrő kondit, de csak kicsit. Valamelyest csökkent a zaj. A számítógép tápjába kellene kicserélni egy jóval nagyobbra a bentlévőt, de még garanciális, nem akartam hozzányúlni.
Vannak még nagyobb kapacitású kondijaim,250-375v ak kisérletezem majd,ez egy 600w végfok
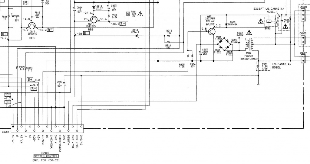
Sziasztok valaki tudná hogy egy Sony sa-w551 aktiv subláda szalagkábel nélkül hogyan üzemelne
Szia! Mikor megépítetted jó volt? Azóta változtattál valamit?
Ellenőrizd a tápot és a csatlakozókat!
Amikor építettem tök jól működött, még augusztusban.
Kezdd el ellenőrizni. A tápfesz megvan?
Szia RCA bemenetek megvannak de a bekapcsolás, hangositást a saját szallagkábeljén menne volna egy részlet rajzom ha valaki értené
Reloop.
Tettem még egy lépést. Szerintem felfogod ismerni a "kakukktojást".. ![]() Rengeteg pozitív változást hozott.
A bekapcsolás +UNREG és POW/RY összekötése. Tudsz még vele sub fázist fordítani. Hangerő szabályzást nem nézek ki belőle.
Mi lenne a szalagkábel túlsó végén amúgy?
Igen.
Ez80 az anódban. Egyutas egyenirányítás. 2x-es crc. Áteresztő fettel. A fet kell bele, Brumm (100Hz alatti) szűrést előszeretettel elvégzi. Ui: -Hangban is hoz. A hozzászólás módosítva: Dec 30, 2012
szia kösz a gyors segitséget beindult a lábak összekötésével a másik végén egy HCD- 551 Sony hifi van aminek a távirányito ján a szubládát lehet hangositani azért gondoltam hogy valameik lábak összekötésével tudnám vezérelni
Szia!
C29 cserélve lett egy másik 5000µF-os kondira és párhuzamosítva van egy 10 000 µF-os kondival, a rajtuk lévő feszültség 46,x V. A tápegység része annyiban módosult, hogy az előfok csak egy 12V-os stab IC-n keresztül kapja a tápot (2200µF kondi szűri a 12V-ot), mert 12V is elegendő hozzá (tesztelve, tökéletes), valamint a trafócsere miatt (régi zárlatos lett) egy darab Gratez-híd váltotta fel a két utas egyenirányítást. Eme módosítás miatt lett 46.x V-os feszültség a kondikon. (50V a kisebbik, 63V a nagyobbik puffer kondi.) Most nézem, hogy az egyik T4-es tranyónak a teteje kicsit mint ha meg lenne ütve és le is pattant belőle egy darabka. Cserélem és várom a legjobbakat. ![]() Írok hogy mi lett vele továbbiakban Viszont a tápegységet akkor sem értem mért nem megy feljebb 17V-nál. Üdv McDeath
Erősen remélem, hogy a 46V csak elírás 28V helyett.
Nem, nem az, teszteltem előtte a kapcsolást és kb 60V-ról járattam meg 12V-ra. Kibírta, de melegedett. így ahogyan van ,éppen, hogy minimálisan melegszik. Volt tesztelve még fényorgonával is, ami igen csak húzta az áramkört 2-3A-al. 2*16LED ugye meg a többi amihez energia szükséges. Kibírta azt is. Ami jelenleg benne van, nem a teszten átment KD602-es tranzisztor, ezért erről nem tudok semmit. Ez egy szétkapott NZC420-as lemezjátszó végtranyóit szolgálta ki régebben, most tápegységben van. Amúgy rájöttem, hogy a T4 előtti R45 vagy R46-os poz. számú ellenállást nem kötöttem be forrasztási hiba miatt, ezért táp nélkül maradt a T4 tranzisztor és az összes ellenállás ami a kollektorában és bázisában van.
A tápegységet viszont továbbra sem értem, de majd mindjárt elkezdek méricskélni benne. (hozzáteszem labortáppal indítom el elsőnek, úgy a biztos.:jump A hozzászólás módosítva: Dec 31, 2012
Lelked rajta. Ennek a végfoknak a +22V nagyon elég lenne. Huszon voltokat nem lehet a fesszabályzón ejteni, mert terhelve megfő.
Elhiszem, de nem nagyon tudok megoldást rá mert így sem szeretne 16.5V-nál magasabb feszültséget kiadni magából, még ha 28V-al hajtom meg akkor se. Apropó tényleg csak annyi lett módosítva, hogy a kétutas egyenirányítás helyett Gratez-híd, meg a nagy kondi bele és semennyivel sem több. Így nem értem a tápegység makacsságát.
![]() Na mindegy mára ennyi, majd holnap reggel még kicserélem kompletten a tápalkatrészeket, hátha valamelyik fránya tranyó volt a ludas, vagy éppen a zener dióda (azon meg 10,7V van). Üdv McDeath A hozzászólás módosítva: Dec 31, 2012
Sziasztok!
Megcsináltam újra a végfokot külön kis panelre - MÁR NEM GERJED !!! Köszi a segítséget, Reloop! hdcc
Az erősítőben nincs hiba, eddig jó volt.
Az jutott eszembe, hogy akkor az is jó, ha a keverőnek a fejhallgatókimenetére kötöm? 2 kanálisos DJ keverőm van, rákötöttem, szól. Az az igazság, hogy halk, ha pedig maxra erősítem röcsög. (de még ekkor is rettenetesen halk) Ha a keverő nem bánja, akkor rajta hagyom, de illene valamit mégis tenni vele. Egyszerűen nem lehet valami kis előerősítőt rakni a keverő elé, hogy a füles kimeneten jobban durrogjon a hangszóró??? Az AMP (erősítő) kimenetre is rákötöttem a hangszórókat, de az nagyon rossz minőségű hangot ad ki.
Olvasom itt a fennállt gondod de nem egészen értem az egész történetet?
Egyszer egy fejhallgató erősítőről irsz majd hangszórókról na itt elveszitettem a fonalat .
Na szóval: -van 2 db kb 6cm átmérőjű hangszóróm dobozban
-van 1 db fejhallgató erősítőm, TL072-vel, BD139 és BD140-el 2 fülesre -van 1db 2kanálisos DJ keverőm -1db laptop A probléma: rossz minőségű a PC hangszórója, nem lehet zenét hallgatni. Szerettem volna a PC-re kötni a fejhallgatóerősítőt, hogy a fejhallgató kimenetekre a 2 hangszórót kössem, hogy valamelyest (nem hangosan) hallgathassam a zenét, de a PC túl gyenge jelet ad ki, és nagyon fel kell csumázni az erősítőn, de akkor már recseg. Kipróbáltam a keverőmnek a fejhallgató kimenetére is kötve, és ott jobban tetszik, de itt is nagyon halk, ezért ha szerintetek nem bántja a keverőt a két hangszóró,akkor valahogy szeretném megoldani, hogy ott erősebben szóljon..
Sajnos ezek a megoldások amikkel eddig foglalatoskodtál tévútra vezettek .
Fejhallgató erősítő ! na ittt ragadjunk le egy pillanatra , sem a kimeneti impedancia sem az erősítés mértéke nem teszi lehetővő a hangszóró rákapcsolását erre a kis erősítőre ! A PC -re kötve sem lesz még kielégítő sem sajnos mert ott gyakorlatilag ugyan azon helyzet ál fent mint a kis erősítődnél , egyszerűen ez a kimenet nem hangszóró meghajtására készült . A megoldás egy pár Watt-os erősítő lenne ami mind hangerőben és minőségben megfelelő illesztés mellett ellátná azt a kicsi hangszórót energiával ! A hozzászólás módosítva: Dec 31, 2012
Az oldalon lévő kapcsolásról szeretnék kérni pár infót. Megéri vele elsőkörbe foglalkozni?
Továbbá ha igen van valami amire oda kell figyelni az alap élesztés mellett? Bővebben: Link
Tudom. Régebben építettem is egyet, de abbamaradt, mert zajos volt, stb. Az a baj , hogy még sose találtam olyan erősítőt, amely jó lenne ennek a kis hangszórónak, és nem nekem kéne megtervezni mindent külön-külön , mert akkor minden zajos... Nekem olyan erősítő kellene,ami jól szól, nem zajos, és valaki megtervezte egykoron úgy, hogy minden egy panelon van, szűrés, egyenirányítás, stb stb..
Kb. fél éve, vagy több megcsináltam elég rendesen egy erősítőt, de mindent külön én terveztem, kusza lett, pedig igyekeztem és zajos. Be se fejeztem, mert nem volt kedvem.
Szia @!
Ennek a topicnak az elején van egy egyszerű 2W-os tranyós erősítő pl. De van olyan téma is, hogy egy tranzisztoros erősítő, meg többes is. Körül néztél?
Minek tenné? Itt vannak akik megteszik, és instant tálalják.
Nézegettem én tegnap este , meg ma az erősítőket, de nem igazán tudtam dönteni. Mayan cikkében nagyon sok kis egyszerű erősítő van, de nem igazán tudok dönteni.
Ki mit ajánlana, hogy ezeknek a feltételeknek megfeleljen: - ne IC-s legyen - 2db, kb 5-6cm átmérőjű hangszórónak elég legyen -ne legyen zajos sem inditáskor, sem használat közben (ne susogjon, és ne durranjon ha bekapcsolom) -laptopra kötve elég legyen neki az audio jel -egyszerű, minél olcsóbb legyen ? |
Bejelentkezés
Hirdetés |











