Fórum témák
» Több friss téma |
Mielőtt kérdezel, a következő két dolgot ellenőrizd!
I. A helyes tápfeszültségek megléte.
II. A kimeneten van-e egyenfeszültség.
Élesztés.
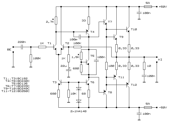
Sziasztok, egy kicsit át alakítottam ezt a 200W-os erősítőt, 400W-osá, kapott izmosabb tranzisztorokat is ,4-darab pár tranzisztort, és meg növeltem a feszültséget is. Szerintetek ez így működne, és le adná a várt teljesítményt?. Esetleg kell e még variálni valamit a rajzon?.
Értem. Nem nagyon ismerem azut az Ic-t azon kívül hogy volt, de nem én építettem. Ezért csak az adatlapból tudtam szólni.
Szia! Sajnos nem tudom elolvasni a monitoromon az alkatrészek jelöléseit. Annyit látok, hogy a 4 tranyós elnevezésű rajz T4 tranzisztora hibásan került át a másik rajzba, és hiányzik a kondenzátor róla. Így is nagy az affinitása a gerjedésre, le ne maradjon!
Jobban járnál, ha olyan kapcsolást használnál ami nagyobb tápfeszre van kitalálva. Én ezt használom és jó hangja van, még nagy hangerőn is. Végtranzisztort rakhatsz bele olyat amilyet akarsz.
Szevasz, remélem mar így jó lesz, nézd át légy szíves. Köszönöm. A T4, es T9-est fel kel cserelni, tényleg el néztem.
A hozzászólás módosítva: Okt 28, 2012
A T4 most sem jó!!! Fel van cserélve a C-E lába!! A kondi is hiányzik a B-C lábról!!
Van itt több gond is..
A differenciál fokozatba inkább 2n5401/5551-es párosból választanék. Áramgenerátorba nem célszerű a bc639.., -nem épp kis zajú. Oda is mehetne az 5551. A T5/T7 jobban együtt működne mje340/350, vagy 2sd669/2sb649-el. A meghajtó fokozatnak sem kellene ekkora áramot adni.. Felesleges..(főleg +-70V -on), 180-220Ohm elég lenne az emittereibe. Mellesleg nem ezt a meghajtót alkalmaznám azokhoz az Onsemi végtranyákhoz. 2sc5171/párja már jobban megfelelne. Hangra is...(Feltéve ha az is szempont). A hozzászólás módosítva: Okt 28, 2012
Próbálom ki javítani de nem megy nem rég ismertem csak meg a programot, és csak jpg-be mentetem le. Splan-ról van szó.
A hozzászólás módosítva: Okt 28, 2012
agressiv jó tanácsot adott a linkelt végfokkal. Elég átgondolt végfok. Érdemes lehetne inkább azt megépítened. Egy jó nyáktervet kér ugyan a tripla darlington kimeneti fokozat végett, -de megbízható végfok. És valóban jó hangú.
Ismerem a végfokot, nagyon jól szól ezt tanúsítom, de most engem ez foglalkoztat ez a végfok, csak kíváncsi volnék mennyit lehet ki hozni belőle, és persze sokkal kevesebb alkatrész is kel bele, na meg a hangja is tetszik!. Szeretnék vele kísérletezni, mar az egyszerűsége miatt is!
Esetleg annyit lehetne azon a rajzon módosítani, hogy az első fokozat A osztályos működésbe a második fokozat működése ne szóljon bele.. Az első fokozat emittereit kb 820 Ohm-al a második fokozat emittereit 270 Ohm-al kéne beállítani. A második fokozat pedig tudná szépen hajtani a tranyákat. -Ahogy eddig is..
Ez így nem biztos ,hogy szerencsés -hogy első és második fokozat árama függ egymástól.
Most már látom. Blasz kollégát kéne megkérdezni, terhelte-e már 4 ohm-mal, ő tudna autentikus választ adni.
Az erősítő bemenetén feltétlen elhelyeznék egy alul-áteresztő szűrőt (1-1,2k/680pF-et szoktam). P1 csak élesztés alatt legyen benne, fix ellenállással használd, mert csúszka hibánál elszalad a kimeneti DC. P2 lehet poti, de csak 1,5k értékű. T5/T7 140V-tal találkozik, ezt is vedd figyelembe.
Értem meg fogadom a tanácsodat, az alul-áteresztőt hova kötnéd?, a 220nF-os kondi után?,az 1K és 680pF-os kondít meg sorosan egymással és le a GND-re?.
Az 1k sorosan C1-gyel, a 680p párhuzamosan R2-vel.
Blasz kolléga +/-70V-on járatja ezt a kapcsolást, érdemes lesz vele felvenni a kapcsolatot .
Fel keresem akkor, nem tudod o is 4 pár tranyóval csinálta meg?.
Szia én megcsináltam már ezt a kapcsolást,csak nagyon picit módosítva.A végtranzisztorok MJ15024-25 2 pár,a meghajtók MJE15032-33,a T1-2-3 az MPSA 42,kapott még pluszba a bemeneti táprészen 1-1 plusz kondit 100v 100uf, így csendesebb lett.Az egyenfesz beállítására pedig feltétlen kell 4.7k trimmer mert a megadott 2.7k val 200mV van a kimeneten, ezt belehet állítani 2-5mV ra,ami nálam 1.85k ra jött ki.
Én 70v +- ról járatom és mondhatom hogy remek hangja van,de sokat kínlódtam a nem oda illő hangokkal/gerjedés/ de a kábelek rendes vezetése megoldotta,ja és hegyekbe raktam mindenhova 100v 100nf kondit, szűrni.A két panel egymás felett van,a melegedés igy nekem szinte semmi.2 venti,6v ról járatva,sorba kötve, egyenlőre teljesen hidegen tartja.Gondolkoztam a párhuzamosításon pluszba de igazuk van az itt előttem szólóknak, ahhoz szerintem komolyabb kapcsolás kell,de csak akarat kérdése.Kérdés van bátran amit tudok megírom,bár Reloop kolléga,meg Beringer600 kolléga nélkül még ma is csak bámulnám a pákát messziről.De verem az infókat a fejembe.
Az MPSA42 tranzisztoroknak fordított a lábkiosztása, fordítva kell betenni és a középső lábat előre húzni.
Szevasz, régebben én is meg csináltam ezt a kapcsolást, semmi átalakítás nélkül, és +-50V-ról hajtottam, meg mondom nagyon jól szólt, és nagyon érzékeny a bemenetele, és jó tökös melyéi vannak. Most azt gondoltam hogy mivel ilyen egyszerű a kapcsolás, meg kellene növeljem a teljesítményét!. Amúgy hova kel az a 4.7Khogy a kimeneten csak 2-5mv legyen?. Tedd már fel nekem légy szíves a rajzot és írd már minden alkatrész mellé az új értékeket amit meg módosítótál +-70V-hoz. Köszi
A hozzászólás módosítva: Okt 29, 2012
Értékben semmit sem csak a tranyokat cseréltem nagyobbra.A 2.7k ellenállás helyére kell a trimmer
Értem, én úgy csinálom hogy előbb be teszek egy trimert, be állítom a kimenetet 0-ra, és aztán egy fix ellenállással helyettesítem a trimert, biztosabb az!, ahogy reloop fórumtárs is mondta.
Pontosan de addig ne vedd ki a trimmert ameddig be nem melegszik mert addig felkúszik rendesen,nekem 50-10mV ment feljebb
A hozzászólás módosítva: Okt 29, 2012
Sziasztok! És köszönöm blasz fórumtársamnak az elismerő szavait.
Nincs mit Mester
Nem mérted szkóppal a kimenetet, mikor lép be torzításba, mettől meddig viszi át a frekvenciákat?, ilyesmit. Mennyire gerjed, mar ha csinál olyasmit ?. Én mikor meg építettem ezt a végfokot akkor még nem volt oszcilloszkópom, és nem tudtam meg merni, és azért kérdem.
A hozzászólás módosítva: Okt 29, 2012
Sajna nincs szkópom,csak a fülemre hagyatkozhatom.Ha nincs meg olvasd el.
Gerjedékeny de nekem csak dobozban rosszalkodott.Az új nagyobb tranyókkal másabb lett a hangja,van egy másik is megépítve de más végtranyókkal. A hozzászólás módosítva: Okt 29, 2012
Oké, nem baj, majd én le tesztelem szkóppal, ha meg építem majd!. Köszi a dokumentációt!
Most készül majd a 3 ik pár belőle,mindig tanulok valamit az előzőekböl. Bár az utolsó az nagyon kafa, nagyon szép hangja lett.Minden kondi fólia remix,meg stiro, jobban szűrnek szerintem mint a kerámia kondik.
Ha meg van az eredmény a mérés feltétlen ird meg
Az a baj, hogy ez a kapcsolás nem erre lett tervezve, és a kimeneti DC szint megoldható az említett trimmerrel, de munkapontok nem ekkora feszere vannak beállítva, valahogy nem hiszek abban, hogy jó hangja lenne és komolyan nem értem, hogy miért nem egy 70V-ra tervezett kapcsolást építetet meg és miért tákoltok összevissza....
|
Bejelentkezés
Hirdetés |






.
a fejembe. 







