Fórum témák
» Több friss téma |
- Ez a felület kizárólag, az elektronikában kezdők kérdéseinek van fenntartva és nem elfelejtve, hogy hobbielektronika a fórumunk!
- Ami tehát azt jelenti, hogy a nagymama bevásárlását nem itt beszéljük meg, ill. ez nem üzenőfal! - Kerülendő az olyan kérdés, amit egy másik meglévő (több mint 17000 van), témában kellene kitárgyalni! - És végül büntetés terhe mellett kerülendő az MSN és egyéb szleng, a magyar helyesírás mellőzése, beleértve a mondateleji nagybetűket is!
Tisztelt Elektroguruk !
Haweri körben felmerült ötlet(igény) egy kutyaugatás-szimulátor (hangjelző) elkészítésére. Kutakodás közben már találtam hangrögzítő-visszajátszó kapcsolást(kit-ben), de borsosnak tűnő ára visszatart. Ha nem tévedek nagyot, a HE újságban réges-régen volt szó valami IC-családról amelynek egyik tagja állathangokat "adott". Szeretnék kérni valami infót, létezik-e még ez az IC;estleg rajzot. Előre is kössz : M.
Sőt, jelent meg komplett ugatás szimuláló, spec ic nélkül...
Sajna nem tudom melyikben volt. (ha jól emlékszem LM324-el)
hi
van olyan IC amit kifelyezetten arra fejlesztettek ki, hogy néhány másodpercnyi hanganyagot lehessen rögzíteni rajta (16sec) (ISD1400Bővebben: Link) szerintem nem drága Meg kell egy blöki, hogy az ugatását fel tudd venni ![]() üdv
Ez lehet az...Ha érdekel valakit, küldöm a folytatást
Köszi !
Asszem +próbálkozom vele...
Sziasztok !
Beszerezheto Dual Port RAM tipus erdekelne (min. 32-64K) Esetleg honnan lehet bontani ilyesmit? Koszi.
Sziasztok,lenne egy kerdesem,milyen az a kapcsoló üzemű táp?
A két, aznonos tartalmú kérdés közül az egyiket töröltem. Felesleges ugyan azt a kérdést többször is feltenni, ha válaszolnak, az elsőre is válaszolnak. Ezen kívül a csupa nagybetűs írás a netikett szerint a kiabálást jelenti, az pedig kerülendő! Moderálva: Frankye[i]
Mikrovezérlő nélkül ne is álmodj ezek összekapcsolásáról...ugyanis a DS18S20-as teljesen digitális működésű, egyetlen lábán keresztül lehet vezérelni, és ugyanezen a lábán keresztül juttatja ki soros módon a mért hőmérsékleti eredményt is a mikrovezérlő "kérvényezésére"...
Erre csak azt tudom ajánlani:
- keress a keresővel!!! (pl. keress rá a kapcsolóüzemű szópárosra) - olvasd el az eredményeket!!!
Sziasztok!
Nekem van egy vezetekes telefonom,elment benne a mikrofon,tettem bele egy elektret miccet de persze nem lehet hallani semmit,a kerdesem mit tegyek bele szenmikrofon hijjan valami nagyobb omos hanszoro jo e lenne
Itt az oldalon nem szokás sürgetni az embereket!
Hányszor kell egy nap rádszólni különböző dolgok miatt?
Sziasztok!!
Hogyan kell átalakítani a köv. kapcsolást úgy, hogy ne 9V-ról hanem 12V-ról működjön és a Led olyan 30Hz körül villogjon? Ha nagyon bonyolult vagy nem lehet elég az is ha 12V-ról fog menni!! Köszi
Első ránézésre azt mondom, hogy a kondi értékét kell csökkenten. (Nem tudom, most mekkora frekivel villog, de abból lehet következtetni a kb. szükséges új kondi méretére.)
A "12V-osításnak" meg nincs igazán nagy akadálya, LEDtől függő előtét ellenállást kell választani hozzá.
Ezzel a kapcsolással villogót nem alkothatsz...semmilyet...
Ha villogó kell, vegyél villogó LED-et, vagy csinálj egy alap astabil multivibrátort. Az a legegyszerűbb villogó kapcsolás ugyanis.
ha jól tévedek, akkor ez a kapcsolás aztat csinyájja, hogy a bekapcsolás után kis idővel (a kondi értékétől függően...) kezd el világítani a led, majd a kikapcsoláskor nem alszik el azonnal... villogni nem fog :no:
hmmmm... ha jól tudom, akkor a mai telefonokban már nem nagyon alkalmaznak szénmikrofont - de ha mégis az volt a tiedben, akkor természetes, hogy nem lehet elektrettel helyettesíteni, mivel eléggé különböző a működési elvük... :yes:
a szénmikrofont nem tudod helyettesíteni hangszóróval, mivel a hangszóró (vö. dinamikus mikrofon) feszültséget indukál a tekercs mozgásával arányosan, a szénmikrofon pedig állandó feszültségről "dolgozik", és az ellenállását változtatja a hangnyomás függvényében.
Üdv!
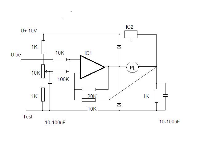
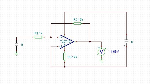
A segítségeteket szeretném kérni egy kütyü megépítésében. Műveleti erősítővel kellene megoldanom egy kis DC motor forgásirány váltását. A lényeg az, hogy a bemenő jelből, (amit 0-tól 10V-ig tudok szabályozni) kellene csinálni legalább kb.: -4,5v-tól +4,5V-ig terjedő fesz-t. Szóval ezzel oldanám meg a forgásirány váltást. Vagy ez hülyeség? A motor, amit meghajtanék nem vesz fel többet 500mA-nél, de a bemenő jel nem képes közvetlenül meghajtani. Ki is néztem egy TL071C nevű műveleti erősítőt. Próbáltam megépíteni, de nem sok sikerrel. Az IC-nek csak azt az 5 db lábát használtam, ami a schematikus ábrán is van. Vagy a többit is kellene? A tápellátása sem egyértelmű számomra. Bocs a sok kérdésért, de tényleg kezdő vagyok ezen a téren.
hi
ha egy dc motor forgás irányát akarod változtatni akkor miért nem egy sima 2 morzés 2 áramkörös kapcsolóval csinálod? Nem vagyok biztos, benne, hogy ez az Ic erre a célra lett kifejlesztve, de ha nagyon ragaszkodsz az Ic-s megoldáshoz ime egy Link, ezt a Toshiba gyártja és másológépekbe használják, kis teljesítményű dc motorokhoz, előre hátra forgáshoz + fék, szerintem ez pont megfelelő lenne neked, bár nem vagyok biztos, hogy lehet kapni, majd kutakodok egy kicsit mert szerintem van még egy pár ehhez hasonló üdv
Hi!
Azt elfelejtettem írni, hogy PLC-vel vezérelném ezt a motort, így a két áramkörös kapcsoló nem jöhet szóba.
Ja most döbbenek csak rá, hogy te arról a 2 morzés 2 áramkörös kapcsolóról beszélsz, amiben tekercsek dolgoznak.
Aham. Csak az a kérdés, hogy mi áramerősség kell egy ilyennek?
Próbáld meg így.
A IC1 TDA2030, IC2 LM7805 ha a bemenetre 0 vagy10V kerül, jobbra vagy balra forog. 5V a motor nem forog ezt a 10K potméterrel állítod be. A TL071 csak 15mA terhelheted. A prob1.JPG rajznál ott tévedtél, hogy ha rákötöd a motort az kap +4,5V és elkezd forogni. Középre kell hozni a motor egyik tápját csak úgy tudod a forgás irányt váltani. Még annyi hogy a IC1 bármit be rakhatsz ami 1A bír TDA2002, 2003, stb.
ICL7109-es ict mire lehet használni?köszi
12 bites A/D konverter. (Röviden)
Amúgy: Bővebben: Link Mint tudjuk. A barátok azért vannak, ogy segítsenek. És Ő a barátod.
Tudom ki a barátom.Én inkább arra letem volna kiváncsi, hogy evvel az icvel lehet e valami használhatot épiteni vagy ennek igy magában nincs értelme.
Gondolod az a jónéhány mérnök egy olyan IC-t tervezett, és gyártott le milliószámra, amely nem jó "valami használhatóra"? Az adott linkek ezt mutatták volna meg, hogy mire is... De jól érzed, magában egy AD konverternek semmi értelme...
|
Bejelentkezés
Hirdetés |






valami nagyobb omos hanszoro jo e lenne








