Fórum témák
» Több friss téma |
Igen azt mondták, hogy vezessem az ablak két sarkába a hálózatot a többit ők csinálják. a 2,5 keresztmetszetűt ajánlod végig?
Megépítés első lépcsője a rajz.Ha áramkört le tudod rajzolni ,akkor talán meg is tudod építeni.Ha lerajzolni sem sikerül nem érdemes hozzáfogni sem.Esetleg ha az áramkört ,amit meg kívánsz valósítani, berajzolnád ide ,tudnánk hogy jó lesz-e .Nem fordulna elő hogy egymás mellett elbeszéltek.(a kapcsoló előtt után ,milyen kapcsoló mit kapcsol... mind mind kérdéses számomra.Ha a redőny motorokat kapcsolja ,akkor a motorok irányváltása hogyan történik,ha fémből vannak ,a védőföldet is oda kell vezetni.)
Akkor viszont tényleg ajánlanám a szakembert, mert ott megfelelő minőségű és tartósságú kötéseknek kell lennie, stb. Én nem bíznám a családom és a redőnyt felszerelők életét a szaktudásomra.
Ha a kapcsoló elé kötöd, ahol folyamatosan van hálózati feszültség, akkor igen, független lesz.
A rajzon csak a megtáplálást rajzoltad meg, nincs ábrázolva a müködtető kapcsoló bekötése. Amit a rajz alján látni kapcsolót az úgy értelmetlen, gyakorlatilag párhuzamosan ábrázolod a hálózattal, földelés(PE) biztosan nem kell oda. A megfelelő, egymást kizáró kétbillentyűs kapcsolót a redőnymotorok elé kell bekötni. A kapcsolótól már 4 eres bekötés kell.
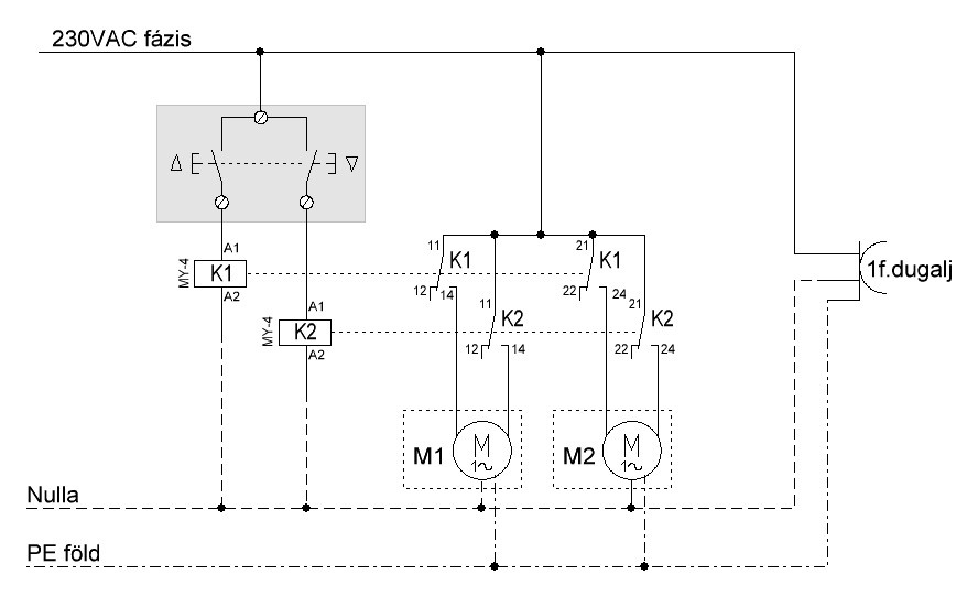
Készítettem egy kapcsolási rajzot a két motor egyidejü müködetésének helyes bekötéséhez, 2 relé kell hozzá:
Az is lehet, hogy fix tápot kell adni a redőnynek, és RF távirányítóval lehet föl/le mozgatni.
Rádióvezéreltre nem gondoltam, igen, akkor elég a három eres kábel.
Sziasztok!
Csak az egyszerűség kedvéért válaszolok zolee-nak, egyébként mindenkinek köszönöm a segítő hozzászólást. A lényeg, hogy a villanyórából 2 alumínium vezeték jön ki, szép kátránypapírféleséggel becsomagolva. Az egyik a fázis, a másik a nulla. Én a kismegszakító táblában a nullát és a "földet" összekötöttem, ahogy a villanyász javasolta. Így húztam át az egész lakásban a vezetékeket. Rendes villanyászra nem tellett, mert akit kérdeztem, 5eFt/falicsatit mondott, én meg dobtam egy hátast. Inkább csatornáztam és behúztam a kábeleket magam. Csak ez a földelés nem hagyott nyugodni. Még egyszer köszönöm a segítséget.
Stomo, egy lakásban a villany "csináld magad" bekötését semmiképpen sem javaslom.
Bocs, de ez nem játék és halálesetet is okozhat. Pláne, ha a védőföldelések nem működnek rendesen. Ha nem vagy biztos, hogy mit hogyan kell bekötni, akkor inkább fizesd ki az 5e/csatit ki, mintsem hogy félreköss valamit. Én fizettem a villany bekötéséért, pedig villamosmérnökként végeztem. Az egyetemen a villanyszerelést nem tanították, nem is értettem hozzá, ezért nem én csináltam meg. Sajnos egy csomó kókler is van a szakmában, szóval szerintem keress valaki olyan embert, aki ért is hozzá. Ha jól van az elektromos hálózat bekötve, az hosszútávon meghálálja magát. A hozzászólás módosítva: Nov 7, 2012
Szia Csabeszq!
Én is villamosmérnökként végeztem pár éve, de nem lettem Elektron Kalandor és azt én is észrevettem, hogy az messze van a villanyszerelő szakmától. Azért félre nem kötöttem semmit. Ennyire azért nem bonyolult a dolog. Csak a biztonságtechnikai résznél nem figyeltem annó eléggé, ezért bátorkodtam kérdezni olyanokat, akikről úgy gondolom, hogy járatosabbak a dologban. Sajnos az egész építőipar hemzseg a kóklerektől. 3M-t költöttem a felújításra, de a felét ki is dobhatom, mert csak pár hónap után jöttek elő a stiklik. Nem lehettem mindig jelen, hogy ellenőrizzem a munkát. Csak egy példa a tucatnyiból: az évtizedes tapasztalattal bíró burkoló lecsempézte a falba süllyesztett vízórát. Szóval így most már amit tudok, megtanulok és magam csinálom. Vagy csináltatom, de felügyelet mellett. Bocs az off-ért
Üdv! "Szabványos" megoldás, ha mindig levágná valami a kismegszakítót! Ma fotóztam
![]() Nagyobb felbontás: Bővebben: Link A hozzászólás módosítva: Nov 7, 2012
Igen, a poén csak az, hogy hiába ragasztja "fel" a nyelvét...
Talán inkább az a cél, hogy jelezze: mindent lehet kapcsolgatni, csak azt nem
Üdv mindenki
Nem rég volt villanyóra leolvasás , gondolom több családnál is ! Kevesebb lett a fogyasztás álltalánydíjhoz képest -30 000 Ft , na ezért kijött a kommandó ,minden rendbe !! Éljen . Az írott sajtó és TV rádió hangoztatja az energia takarékoskodást . Aki így van ahhoz kimegy a kommandó és meggyanúsítja áramlopással , multinak fáj a kevesebb bevétel " Zöldek hol vagytok ?" . Végül is nem szabad takarékoskodni , erre következtetek . Üdv A hozzászólás módosítva: Nov 8, 2012
Sziasztok
A problémám a következő. Villany bojler földelés rendesen bekötve, de amikor a vezérelt áramot bekapcsolják csíp (ráz) a víz és a fém mosogató tálca. A réz csővek utólagosan bekötve a földelésre igaz csak az egyik kötő dobozból mert nagyon rombolni kellene a rendes eph kialakításhoz. Mit lehet tenni a "csípés" ellen?
Örülj, hogy nem vertek rád "Áramlopást"... Ezektől kitelik
Szerintem mér(es)d meg a földhurkokat.
Egyértelműen ahhoz köthető, hogy amikor a bojler fűt, akkor csíp? Akkor feltételezhetem, hogy nincs áramvédő kapcsolód, és a bojler testzárlatos "egy picit", azaz üzemi áram is folyik a földelésen.
Stomo, utánaolvastam.
Azt vettem ki, hogy a nulla (kék) és a föld (sárga-zöld) valóban össze vannak kötve. A sárga-zöld jó ha vastag, hogy nagy áramot is elvigyen. A kékre és feketére rá van kötve egy áramvédő kapcsolás. (A kéken az áram mondjuk előre megy, a feketén vissza, a keletkező mágneses tér majdnem nulla, mert a két ellentétes irányú vezeték kioltja egymást. Amint az áramot a zöld-sárga viszi el, akkor jelentős mágneses tér keletkezik a fekete miatt, az elektronika meg lekapcsol). A lényeg: nem elég az, hogy a föld vezeték rohadt nagy áramot tudjon elvinni, hanem amint áram megjelenik rajta, a fázist le is kell kapcsolnia. A hozzászólás módosítva: Nov 8, 2012
Hali!
Bojlert szét kel szedni s fűtőszálat cserélni! Földelést megnézni jól van e bekötve a testre, palástra,szabályozóra. EPH t megcsinálni, nagyon fontos!!!
Megnéztem nálunk hogyan van bekötve:
Áramszolgáltatótól be, villanyóra, főmegszakító 40A 30mA FI relé (áramvédő kapcsolás) 5 kismegszakító a különböző helységeknek A hozzászólás módosítva: Nov 8, 2012
Nem pont villanyszerelés, de valamelyest kapcsolódik a témához.
Hamarosan földelési ellenállást kell(ene) mérnem. Mértetek e már?? Kinek milyen tapasztalatai vannak ezügyben. Milyen távolságra szúrjátok a szondát, ellenföldet? Ahol nekem kellene mérnem tiszta beton minden, legalábbis jó messze van olyan pont ahová tudok majd szúrni. Sajnos a rég elvégzett tanfolyamon is csak 1x mértünk, és sajnos a gyakorlati tapasztalatom ebben a témában elég kevés.
Üdv. Olyan nincs, hogy jó vastag... Jelentős földelésnek kell lennie, az nem azt jelenti, hogy jó vastag. Pl. a konnektorokhoz minimum akkora PE vezető kell, mint fázis, de ennek az oka egyértelmű... a PEN vezetőnek nagyobbnak kell lennie a keresztmetszetének, mint a fázisnak. Áram folyik és nem megy, és nem előre hátra, hanem egyik irányból a másikba
De az elv hasonló Talán még annyi, hogy az ÁVK-nak (FI) nem az a szerepe, hogy ha a PE vezetőn folyik a nulla üzemi vezető helyett az áram, akkor leoldjon. Ez már csak egy kellemes velejárója, hogy erre is képes. A hozzászólás módosítva: Nov 8, 2012
Üdv. EPH és FI hiánya plusz a bojler elektromos hibája...
Láttam már olyat hogy szét volt hasadva a fűtőbetét.
Egy bojler szétszedés nem nagy kunszt( már aki csinált, bár egyszer el kell kezdeni )Lehetne még előtte szigetelési ellenállást is mérni, persze feszültségmentes állapotba, és lekötött betápvezetékkel, de nem piacos multméterrel.
A téma felkeltette az érdeklődésemet. Kipróbáltam, nálam a 100W-os égő csodálatosan világított a földre rákötve.
Megnéztem a ÁVK-t, nyomogattam a teszt gombját, semmi. OFF-nál persze nincs villany. Alaposabban megvizsgálva festéknyomokat láttam, ami idősebbnek tűnt, mint maga a lakás, nekem meg felrémlik, hogy a szaki említette, hogy gazdasági okokból dísznek berakott oda egy rosszat. Mármint a biztosító megnyugtatása végett. Akkor még nem tudtam, hogy mi a fene az. ![]() Milyen sűrűn szokott egy ÁVK hamisan lekapcsolni? Van értelme a cseréjének? A hozzászólás módosítva: Nov 8, 2012
Idézet: „Megnéztem a ÁVK-t, nyomogattam a teszt gombját, semmi.” Ezért van rajta a tesztgomb. Vagy be sincs kötve (át van hidalva = a védőföld is átmegy rajta), vagy kuka. A hozzászólás módosítva: Nov 8, 2012
Rossz, de csak azért aggódom, mert még nem láttam ilyet működni. Szerintem a kezdetektől szar.
Namármost ha elkezd lekapcsolgatni, mert befolyik a víz a padlásról a gégecsövekbe, vagy néhány értelmes kínai konyhai eszköz megdolgozza, akkor a feleségem ÁVK-stul fog kivágni a lakásból. Ezért érdekelne, hogy akinek van és még működik is, annak milyen tapasztalatai vannak vele. A hozzászólás módosítva: Nov 8, 2012
Fizikailag nem tud hamis riasztást adni (max. a reteszelő mechanizmus fáradhat el), azaz a "semmiből" nem fog hibaáramot gyártani magának.
Viszont az lehet probléma, hogy ha rossz állapotban van a hálózatod, azaz egy kis zárlat van valahol, akkor ugye értelemszerűen lekapcsol. Amivel nem biztos, hogy tudsz mit kezdeni, ha a zárlat egy fixen beépített helyen (sérült szigetelésű vezetéken, lámpánál, beépített fogyasztóban - pl. bojler) található, vagy ha ugyan eltávolítható a "támadó" fogyasztó, mert ki lehet húzni a konnektorból, de szükséged van rá. A hozzászólás módosítva: Nov 8, 2012
|
Bejelentkezés
Hirdetés |








De az elv hasonló
)




