Fórum témák
» Több friss téma |
Fórum » Skoda Octavia elektromos probléma
Kedves VIM!
Lehet hogy értetlennek tűnök de teljesen burkolt az ajtó és nincs szerelő lyuk ahol a zárszerkezetet ki tudjam venni. Azért gondoltam hogy le kell-e fúrni a popszegecseket ahhoz hogy ki tudjam venni a zárat mikrókapcsolóstól mert csak apró furatok vannak rajta az ajtó oldalán 2db torx ami a zárat rögzíti és 3db vakdugós 1 nagyobb és 2 kicsi ami a kilincset rögzíti az elején ahol a kárpit van a zár alatt 1 porvédő gumi ahol a vezeték jön ki a zártól. Motor kód:BCA A hozzászólás módosítva: Nov 11, 2012
Kedves vl!
Néztem a linkeket de még nem is hasonlít az én ajtómra nincsenek rajta csavarok a kilincs kiszedéséig és a zár kicsavarozásáig stim. De utánna amik a linkeken vannak pirossal bekarikázva csavarok az enyémen nincsen csak egy nagy szürke lemez 8-10db popszegeccsel annyira le van burkolva hogy a szélvédőse látszik nem úgy mint az octavia 1 tour-nál ott egyszerű volt a felállás.
Kedves VIM!
Néztem az ajtó szétszedéséről a linket amit megosztottál az enyém csak hasonló kisebb az a burkolat és ami nálad csavarral van rögzítve az nálam szegecselve van.
Szia! Az volna a legjobb, ha mutatnál erről képet, hogy mi van nálad szegecselve, mert a BCA motorkódhoz sincs megadva ajtóalkatrészeknél szegecs. Az ajtózár pedig 2db M8X14-S13 jelű torx kulcsos csavarral van befogatva a helyére. Ha az ajtópanelod szegecselve volna az elég meglepő volna, mert az így nem szerelhető kivitelű. Mutass egy képet ami hasonlít, vagy olyan mint a Tiéd és azon hol vannak a szegecsek? Ha 4db szegecsről van szó az az ablakemelő mechanikáé. Ha minden csavart kiszedtél és nem jön le az ajtópanel, akkor a tömítés fogja (tarja az ajtókereten) az egészet. Ilyen nehezen megy a szétszedés? A 3B1 837 016A és a 6X1 837 014G gyári számú ajtózár való a kocsidba. A képeken találsz "robbantott" rajzokat is.
Megnéztem itthon az ETKA-ban, tényleg nem csavaros az Octavia II-ben az ajtó, mint a Golfban... Az alkatrészek rajza alapján egy darab maga az ajtó, tehát nem kívülről lehet hozzáférni a zárhoz. Az alkatrészlista szerint popszegecsek rögzítik az ablakemelőt tartó táblát. Hogy ezt ki kell-e venni a zárhoz való hozzáféréshez, az nem derül ki a rajzból.
Szia! Jobban nem tudom szemléltetni, csak a meglévő képekkel. Vagy a belső kárpit lebontása sem megy?
Ezek a fényképek nem egy Octavia I-ből valók? A II-es egy tök másik autó...
Ha szegecs van ki kell fúrni és probléma megoldva. Aztán csavar a helyére, hogy legközelebb ne legyen gond.
A hozzászólás módosítva: Nov 11, 2012
Hát igazad van! Most nézegetem a rajzokat ehhez a motorkódhoz de panelt nem mutat az ábra. A Skodáék kispórolták belőle, gondolom berakták az ajtóba amit be lehetett. Akkor passz ...
De akkor mire van felfogatva a zár, ha van neki tartóbakja (mert van) ha nem egy szerelőpanelra? Vagy akkor ez sincs neki? No ennyit a katalógus progikról. Persze ebben nem lehet alvázszámra keresni a hozzávalókat.
A Golf/Jetta-féle felfogatásnál nincs tartóbak, az ajtó vázára támaszkodik fel, és az ajtó élében a két 12-szögű csavar fogja meg. Az ETKA-ban sem látok az Octavia II-höz tartóbakot...
A Skoda zárját, az ajtó élén található 2 nagy torx csavar tartja, külön nincs neki tartója.
Ha ki akarod venni, akkor le kell furni azt a 10 darab szegecset, ami az ablakemelő mechanikáját tartja, majd kiakasztani az ajtónyító bovdent, és csak úgy férsz hozzá az ajtózárhoz. Ha nem bírod kiforditani a zárszerkezetet tanácsos kilazítani azt a másik 2 torx csavart ami a zárbetétet fogja, így kinneb tudod huzni a kulcs tárbetétéjét és egyszerübben kivehető a zárszerkezet. Kb 2 hete csináltam meg ezt a mutatványt mikrokapcsoló probléma iatt
Na nem eszik annyira forrón...
Nem kell lefúrni semmit. A 2db tozx az kijön és pont. Trükkösen kell kifordítani a zárat. Ne hogy lefúrj valamit! (ha csak nem akarsz + munkát magadnak) ![]()
Tisztelt fórumozó Társaim!
Ismét hozzátok fordulok segítségért. Octavia AEE motorkódú autóm alapjárata eltűnt. Pillangószelep tisztítása megtörtént, csövek megfelelően vissza rakva, de sajna nem történt változás. Amíg jó volt, addig lehetett érezni, hogy alapjáraton egy picit mozgatja a pedált az elektronika. Most nem tapasztalok ilyet. A pillangószelepben van a motorja. Lehet az adta meg magát? Kérem aki tud segítsen. Előre is köszönöm.
Sziasztok! Ha a GLX-nél a jobb,vagy bal oldali parkirt kapcsolok,és kiveszem a kulcsot sipól!! Ajtó becsukás után is
Szia! Nézd meg azokat az értékeket, amiket a megadott érzékelőkhöz adnak meg ehhez a V60-hoz.
Üdvözlet mindenkinek! AEE motorkódos '97-es Octaviám van! Néhány hete a jobb első ajtóm elektromos zárja elkezdett vacakolni! Hol lezár a központi zár(kulcsos, nem távos),hol gondol egyet és nem!A zárat kivettem, kitakarítottam, átnéztem. A mikro kapcsolók műszerrrel nézve kapcsolnak!Az ablak föl-le működik! A szervizben a számítógép nem írt ki semmi érdemlegeset!Két hete a jobb hátsó ajtóm ablaka az autó kulccsal történő nyitásakor (komfort elektronikás) le húzodott, és utánna jó ideig nem lehetett fel húzni!Miután újra működni kezdett egy hétig nem volt vele semmi baj!Egy hét után újra előjött a probléma, de az ablak azóta nem működik! Teljesen lehúzott állapotban megakadt, és csak az üveg fával történő kitámasztása hozott megoldást!Az ablak emelő kapcsolóba épített világítás állandó jelleggel működik!(lekapcsolt világításnál is) Az elektromos zár azóta itt sem működik! A szerviz számítógépe megint érdemtelen infókat adott! (elektromos zár hiba, nincs jel a zárról)Zárat kivettem át ellenőriztem,néhány láb forrasztását feljavítottam,mikro kapcsolókat le ellenőriztem!Vissza szerelés után ua!Szét szereltem az ablaktörlő motoron található elektronikát,kb 1 dl víz kifolyt belőle!Azt hittem, a víz zárlatossá tette a vezérlést, így vettem egy másik motort,bontottan leellenőrizve!Ezzel a motorral,vezérléssel sem működik,sem az ablak,sem az elektromos zár!A kábel köteget a csatlakozótól végig ellenőriztem, az ajtóban nem találtam szakadást!Tudtok-e tippet adni,hol és mit nézzek meg,esetleg kacsolási rajzot tudtok-e küldeni, valami normálisabbat,mert amit a szervizben kaptam az nagyon nem sokat ér,mivel csak egy elnagyolt,és nem részletes rajz! Előre is köszönöm a segítségeteket!Üdv.
Köszönöm szépen a gyors választ!
Szombaton lesz időm méricskélni, és tájékoztatlak a fejleményekről. Lehet az a kicsi motor adta meg magát? Ha az, akkor gond, mert nem is lehet kivenni.
Lehet. De annak a számítógépben is látszania kéne. Hibakódolvasás.
Szia! Amit leírtál hibaként az tipikus ajtózár mikrokapcsoló hiba. A mikrokapcsoló elkopik és bizonytalanul kapcsol. Nem a kontaktusával van baj, hanem a mechanikus működtetésével. Ha kulccsal használod azt az ajtót, akkor a zár belsejében lévő mikrókapcsoló és a műanyag "bakter" kopik el. Tehát lehet, hogy a mikrókapcsolókat nyomkodva, azok kapcsolnak, de a mechanika nem tudja működésbe hozni a kopottság miatt. Ha ez így van, akkor csak a csere segít. Ha ez a rész elkerülte volna a figyelmedet, akkor itt egy, csak riasztóval kapcsolgatott zár ment tönkre és szintén jobb első. Ha valamelyik ajtózár zárt állapotát ellenőrző mikrókapcsoló ment tönkre, akkor az rendszerint csak abban az egy ajtóban okoz gondot. Ha viszont a motorja kezd vacakolni, akkor a végállások nem lesznek egyértelműen meghatározóak, ezért a kpz. elkezdi működtetni az ablakemelő motorokat, amelyik ajtónál ez nem jó pozícióban van. Az ablak kitámasztása "fával" nem célszerű, helyette csak a vezérlő csatlakozót kellett volna lehúzni az ablakemelő motorról és kész. A hibás ajtózárat is így kellene kiszűrni. Lehet, hogy az első ajtódnál csak a mikrókapcsoló a rossz, a hátsónál pedig a belső motoros résszel van a gond. Ha a forrasztási pontokat kijavítottad, a mikrókapcsolók jók, akkor marad a motorhiba.
A hozzászólás módosítva: Nov 16, 2012
Tisztelt fórumozó társaim!
Még egy kérdéssel fordulok Hozzátok. Azt szeretném tudni, hogy skoda octavia AEE motorkódos autóhoz melyik VAG-COM program használható. (Van aki azt mondja csak a régi 3.1-es.) Mert sikerült szereznem magasabb verzió számút és az magyar nyelvű. Válaszaitokat köszönöm.
Tisztelt VIM!
Válaszod köszönöm,amióta írtam a fórumra,azóta méricskélni kezdtem! A "B" oszlopon levő csatlakozótól átjön a 12 volt a motorig( egy vastag piros-barna, egy vékony piros-barna vezetéken), a motorról az zár elektronikáig már csak 8,5; 5,8- volt jut el az eredeti, és 3,9 volt a vásárolt (bontott,ellenőrzött) elektronikáról! Az ablak emelő kapcsolóra pedig semmi sem megy fel!A kapcsolót a másik oldalon ki próbáltam,tökéletesen működik!A másik oldalon kimértem ugyan ezeket a pontokat, ott mindenütt egységes 12 volt mérhető! A motorra menő csatlakozó és az ablak emelő kapcsoló között a vezeték nincs eltörve,direkt árammal, és multiméterrel is ellenőriztem!(Direkt áramnál az ablak emelő motor is ment de csak egy irányba forgott,bármelyik irány megnyomásakor) Én úgy tudom, hogy a motoron lévő elektronika vezérli az ajtó zárakat+az ablakot is! Ha a mikrokapcsolók nem működnek, akkor az okozhat olyat,hogy az ablakemelő kapcsolóra nem megy fel áram? A másik oldalon ugyanitt mérhető a 12 volt!Csak jövő héten lesz időm újra neki látni a méricskélésnek, akkor mélyebben elmerülök a mikrokapcsolókkal kapcsolatos ellenőrzésnek!Még egyszer köszi, üdv.
Szia! Én úgy gondolom, hogy a zárszerkezet végzi az ellenőrzést az ablakemelőknél, mert ha le van húzva az ablak és rázársz az ajtókra akkor a nyitott ablakok felhúzódnak, bezáródnak. Tehát ha minden ablakemelő végálláson van a zár fog ráellenőrizni az ablakokra és nem fordítva, mert a zárban még van egy "zárt ajtó" visszajelzés is külön.
Idézet: Szerintem a zár nem adja ki a zárási "parancsot" az esetlegesen nyitva felejtett ablakemelő motornak. Az a baj, hogy a múltkori javításom alkalmával nem méregettem ki a zárból kijövő kapcsolószálakat, így nem tudom melyik-melyik kapcsolószála. „Ha a mikrokapcsolók nem működnek, akkor az okozhat olyat,hogy az ablakemelő kapcsolóra nem megy fel áram?” A hozzászólás módosítva: Nov 17, 2012
Hali!
Segítségeteket szeretném kérnéi. Valaki szedett ki második generációs (2-es) Skoda Octavia-ból gyári fejegységet? Hogyan lehet nekifogni, és kivenni az nélkül, hogy tönkretedd és szétbarmold a műszerfalat...? Előre is kösz!
A fejegység körül egy műanyag takaró van.
Ezt szépen ki lehet pattintani. A fejegységet 4db csavar fogja, ami azután látható hogy a műanyag takarót eltávolítottad. Bátran neki kell esni. Patentes.
Sziasztok! Tisztelt VIM! Újfent szétszedtem az elektromos részét a jobb hátsó ajtóm zárjának!Meg kellett állapítanom, hogy a zár ha akarna sem tudna működni,ugyanis semmi áramot nem kap!A mikrók működését kézzel hajtva a fogaskereket kipróbáltam, ami a csatlakozóhoz közelebb van, határozottan kattanva kapcsol! A felette levő is kapcsol,de nekem úgy tűnik a fehér műanyag, ami a kapcsolást végezné,nem billen át annyira,hogy kapcsolhasson!Nagyjából a tengely alatti pozícióban (kb. félúton ) kézzel hajtva mintha meg akadna! De van más is! A kormány alatt lévő dobozt( egyesek azt mondják ez a komfort vezérlő,ami az ajtó,ablak működtetésért felelős) kivettem,és az addig semmire nem reagáló ablakemelő motor elindult.Igaz csak akadozva egy irányba,mintha végállást keresne! Az ablak mozgató gomb továbbra is hatástalan!A doboz kivett állapotában a két bal oldali ajtó,ugyan úgy nyitott zárt, mint addig, a csomagtér ajtó zárja viszont csak mechanikusan nyílott,elektromosan nem!A doboz csatlakoztatása után viszont újfent működött!Esetleg nem lehetséges olyan,hogy ez a doboz tiltja (vagy nem kapcsolja a motor elektronikában levő relét) a két jobb oldali ajtó elektromos rendszerét? Az elektromos zár jobb hátul,sem jobb elől sem dobozzal,sem nélküle nem működik!A jobb elsőnél valószínű mikró kapcsoló hiba!Azt még nem volt időm meg nézni!Van két vékony vezeték,ami a "B" oszlopban átjön az ajtóra (lila,és lila fehér csíkkal), aminek nem tudom mi szerepe van! A másik 3 egy barna test, két piros-barna pozitív (állandó)!Mivel eléggé besötétedett nem volt lehetőségem a két lila kiindulási pontját meg keresni!Tudsz e ezekről valamit mondani? Előre is köszi. Üdv.
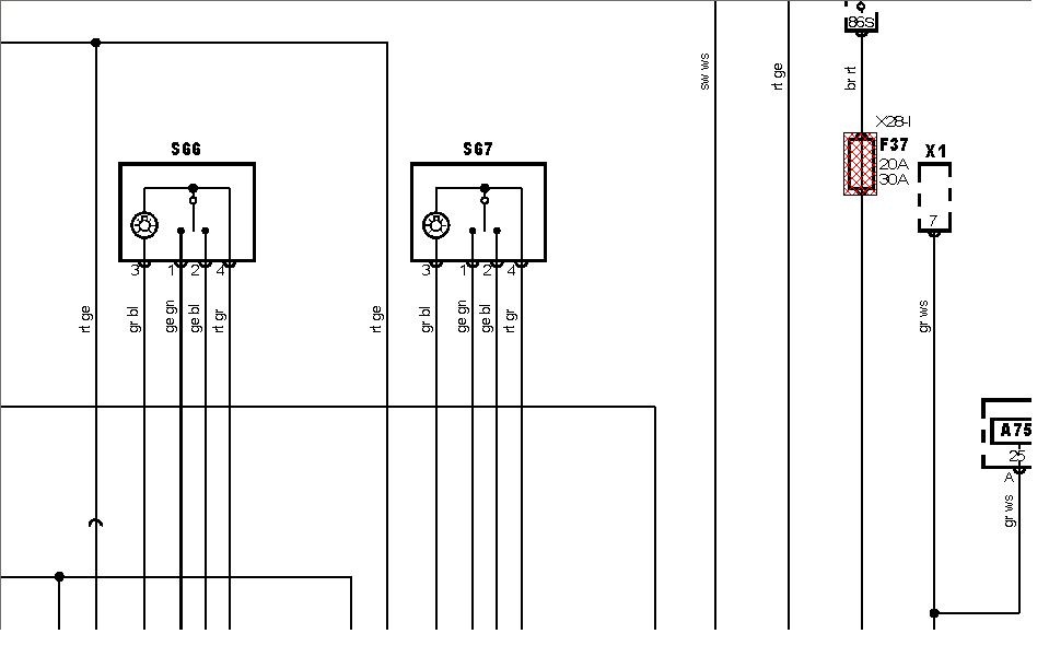
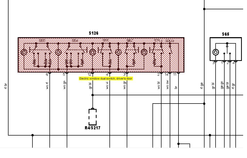
Szia! Akkor először az ablakemelőkről egy ismertető rajz és a színjelölések. Valahol el volna törve a vezeték? A kp.-t majd holnap megcsinálom hasonló módon, ha megfelel így.
Köszönöm, igen, így már el tudok indulni a vezetékek kibogozásával!Üdv.
Octavia 1.9TDI üzem meleg motornál hosszan kell indítózni. Ez mitől lehet?
|
Bejelentkezés
Hirdetés |









De akkor mire van felfogatva a zár, ha van neki tartóbakja (mert van) ha nem egy szerelőpanelra? Vagy akkor ez sincs neki? No ennyit a katalógus progikról. Persze ebben nem lehet alvázszámra keresni a hozzávalókat.
Nem kell lefúrni semmit. A 2db tozx az kijön és pont. Trükkösen kell kifordítani a zárat. Ne hogy lefúrj valamit! (ha csak nem akarsz + munkát magadnak) 










