Fórum témák
» Több friss téma |
- Ez a felület kizárólag, az elektronikában kezdők kérdéseinek van fenntartva és nem elfelejtve, hogy hobbielektronika a fórumunk!
- Ami tehát azt jelenti, hogy a nagymama bevásárlását nem itt beszéljük meg, ill. ez nem üzenőfal! - Kerülendő az olyan kérdés, amit egy másik meglévő (több mint 17000 van), témában kellene kitárgyalni! - És végül büntetés terhe mellett kerülendő az MSN és egyéb szleng, a magyar helyesírás mellőzése, beleértve a mondateleji nagybetűket is!
ITT szinte minden alkatrész adatlapját megtalálod PDF-ben.
Ezt én már néztem csak nem tudtam eldönteni mert itt mt1 és mt2 van nekem meg A1 és A2. Csatolom a kapcs rajzot.
Módosítás: Az mt1 az a1 az mt2 az a2 és a g a g?
Az a helyzet, hogy a triak egy olyan 3 lábú állat, aminek 2 lába felcserélhető
![]() És ez nem más, mint az általad is már említett MT1 és MT2. A gate a vezérlőelektróda, az az egy, amire figyelni kell. A másik 2 láb felcserélhető. Keress rá a TRIAC szóra Google-val a képkereső részében, és meglátod, hogy ha a GATE-et nem figyeled, akkor egyébként teljesen szimmetrikus kialakítása van (olyasmi, mint 2 ellentétes irányban, párhuzamosan összekapcsolt dióda).
Ez így nem igaz! Az A1 és A2 felcserélhető, de abban az esetben ha pl. fázishasításos teljesítmény szabályzásra használod és figyelni kell a nullátmenetet a gyujtási időpontok miatt akkor már nem fog működni! (ha felcserélted)
Tehát bizonyos esetekben cserélhető csak fel...
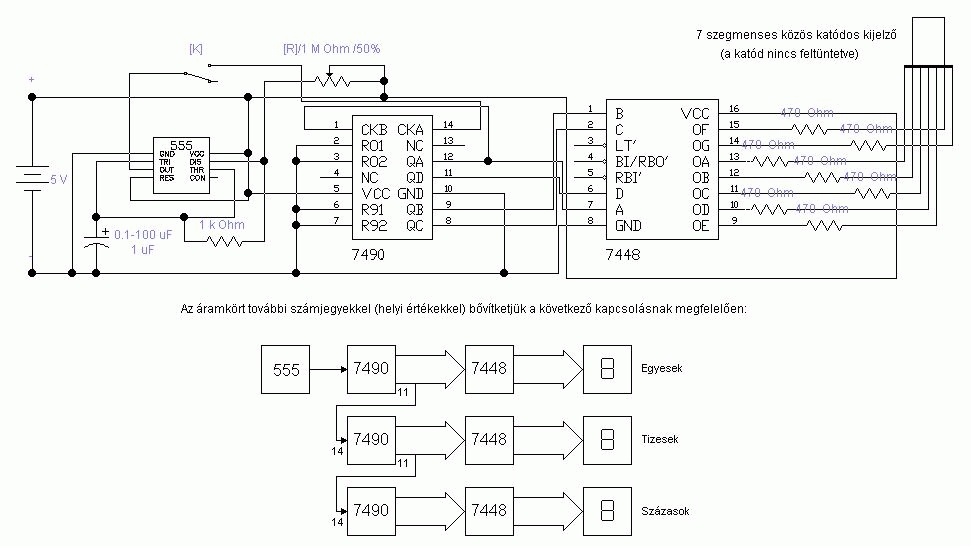
Szóval van egy pici kérdésem, kár lenne rá fórumot nyitni, és tényleg kezdő. A /!kapcsolasok/vegyes/feny/led-es_szamlalo kapcsoláon van egy ic, amit úgy fejből nem tudom emgmondani, hogy milyen típusú. Valami 12 bites counter lehet, de pontos típust tudna mondani valaki?
Az IC típusa: CD4040...és jól tippeltél, ez egy 12 bites számláló.
csak tipp: cd4040be (12-BIT BINARY COUNTER 16p. - C-MOS I.C.)
Helló!
Keresgettem ma számlálókat. Igazából nekem egy olyan kellene ami 9999ig számol ezt 7 szegmens kijelzőkön mutatja. A számláló egyik felén egy infra vevő a másikon adó lenne, mikor elforgatom előtta akkor 1et lép. Hogy lehet erre rákeresni? Ja és ne pic-es legyen Köszi előre is.
hali all!
Valami ötletet szerének arra kérni, hogy mi módon lehetne valami egyszerű kis helyfoglalású cím dekóder áramkört építeni 8 bites cím buszra? Valami olyasmi kéne, ami egyetlen egy tokban van megvalósítva és valami utón, módon programozható, persze gyors is legyen. Előre is köszi mindenkinek. Üdv tom.
Találtam egy ic-t ami teljesen megfelel az elvárásaimnak. 74F521.
Esetleg máa ötlet is jöhet.
konkrét megoldást nem tudok mondani, ötletet annyit, hogy ha egy számláló legutolsó lábát (legnyagyobb helyiértékűt) rákötöd egy másik léptetőjére, akkor ki tudod bővíteni. a 9999 hez meg 14 bit elég, úgyhogy egymás után kötött 2 db 8 as számlálóval 15 bitet tudsz összehozni. Esetleg dekadikus számlálót, csak azzal az a baj, hogy azt nem ilyen egyszerű rákötni, gondolom nem szeretnéd, hogy 9-nél udgorjon a tízes, ne pedig 0-nál.
Ha 4 db tizes számlálót összekötsz az átvitel kimenetén keresztül akkor az neked pont jó lenne.
Az elöző átvitele a következő bementére.
Itt ez a marha egyszerű kapcsolás...
Én mondjuk szeretném, hogy a LED-en legfeljebb 100 mA menjen át. Az egyszerűség kedvéért feltételezem, hogy a tranzisztoron és a LED-en nincs feszültségesés, ezért R2 értéke 120 Ohm lesz. Mekkora legyen a bázisáram? A minimum az nyilván 100 mA/hFE. De mekkora lehet legfeljebb? Legyen például 5 mA? És akkor R1 legyen 2,4 kOhm? És akkor feltételezem, hogy érdemes olyan tranzisztort választani, ami elbír 200 mA-t. Jól gondolom így a dolgot? Aki esetleg nem látta a Hülye kérdések témát: teljesen kezdő vagyok az elektronikában.
Elméletben lehetséges ilyeneket feltételezni, hogy nem esik fesültség a tranyón meg LED-en, de a gyakorlatban ez teljesen máshogy van. A tranzisztornál attól függ az emitter és kollektor átmeneten eső feszültség, hogy mekkora áramot engedsz be a bázison. De ez egy fordított arányosság. Minél jobban "nyitva van" a tranzisztor, annál kisebb a rajta eső feszültség a C-E között. Magyarul a bázis úgy működik, mint pl. egy pneumatikus vezérlésű, fordítottan működő vízcsap: ha több/nagyobb nyomású levegőt adsz be neki (nagyobb a bázisáram), akkor egyre jobban elzáródik a csap (egyre kisebb a C-E feszültség).
A LED meg a másik. Annak az a lényege, hogy esik rajta feszültség. Típustól függően 2,4V-tól egészen 3,5V-ig kb. Tehát ezekkel számolni kell a gyakorlatban.
Mit az az SMD?
Nekem a legegyszerűbb a RET-nél vásárolnom, mert útbaesik a lakhelyem és a munkahelyem között, és az árlistájukban vannak ilyen csoportok, hogy tranzisztorok, meg külön SMD tranzisztorok. Meg valami j. tranzisztorok, ezt se tudom, hogy micsoda. A nagyfeszültségű tranzisztorokat alighanem kitaláltam . Meg vannak nagyfrekvenciás tranzisztorok, ez se mond nekem sokat, de valószínűnek tartom, hogy ilyenekre nem lesz szükségem egy darabig.
SMD = felület szerlt alkatrész.
Ha bele nézel a pc-be akkor ott láthatsz egy csomó kis valamit a nyákon amit még nagyítóval is alig látni inkább valami bray (nem tudom, hogy irják) irásnak tünik. Nos az az smd alkatrész. Igazából nincs a tokoknak kivezetésük.
Kukk:
braile írás A braile írás olyan rendszer, amely a vak ember számára lehetővé teszi az írás (és olvasás) tevékenységét. Cellák sorozatából áll, amelynek mindegyike egy 3x2 domború pontból álló mátrixot tartalmaz. Bocs az off-ért!
SMT = Sourface Mounting Technology (felületszerelési technológia)
SMD = Sourface Mounting Device (felületszerelt alkatrész) Lényege, hogy az alkatrészeket nem furaton keresztül ülteted a nyákba, hanem a folián kialakított helyekre forrasztod rá (esetleg ragasztóval) J tranzisztor? J-FET esetleg?
Köszönöm a válaszokat, végülis leszűrve a lényeget: egyelőre csak "sima" alkatrészekkel próbálkozom, SMD-vel nem.
Közben megnéztem a j. tranzisztorokat, csupa 2SA, 2SB, 2SC, 2SD, 2SJ és 2SK kezdetű nevük van. Ez közelebb visz esetleg a megfejtéshez?
Azok a számok igenis olvashatóak...hogy tudtam volna beültetni korábban kézzel pár ezer/tízezer darabot, ha nem láttam volna, hogy mi van ráírva?
![]() Egyszerűen jó szem kell hozzá...illetve úgy mondanám, hogy éles szem, amivel közelre jól lehet látni...én pl. távolra csak szemüveggel látok jól, de közel még mind a mai napig látom az SMD-n lévő számokat/betűket.
pifpaf...nekem elsőre erősítők ugranak be ezekről a kezdetű típusszámokról. Erősítős témákban láttam sokat ezekből a fajtákból...
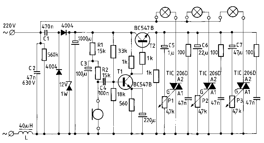
Ezt a kapcsolást tudom ajánlani; egy kicsit át kell alakítani, de ez gondolom nem gond.
Üdv mindenkinek! Kaptam a fizikatanáromtól egy kapcsolási rajzot, hogy építsem meg. A kapcsolási rajzot mellékeltem. Azt mondta, hogy a lényeg az, hogy npn tranzisztort használjak (egy BD139-est használtam). A gond ott van, hogy megépítettem, de nem akar erősíteni. A hangszóró búg, nem reagál semmire. (Lehet, hogy hülyeség, de nem ott a gond, hogy túl nagyok a kondenzátorok??? Azoknak az értékeit nem tudta a tanár és azt mondta, hogy 4 és 500 közöttit használjak...)
Nagyon hálás lennék, ha segítenétek! Köszönöm! Az ellenállások értékei: 100k, 1k, 100 ohm-os pot. A két kondenzátor értéke: 470 mikroF (Ha valami nem tiszta az ábrán, nyugodtan kérdezzetek!) ui.: Ha nem esetleg nem tudnátok a hiba forrását, akkor azt is megköszönöm, ha egy hasonlóan egyszerű erősítő kapcsolást küldenétek!
persze a 10k -s ellenállat akkor kell, ha pc mikrofont kötsz rá.
helósztok, lenne egy alap kérdésem:
van egy mágnestér-érzékelőm, ami a negatívot kapcsolja (npn tranyó van benne) ha ott a mágnes. nekem az kéne, hogy erre rá tudjak kötni egy "erős" tranyót amivel relét vezérelek. Ezt hogy oldjam meg, inverterrel, optocsatolóval? vagy van valami egyszerűbb megoldás? Kössz!!
Én az optocsatolót javasolnám, de hallgasd meg mások véleményét is!
azokban is npn van nem, mármint az optocsatolókban, és az sem bír el egy relét?
Van amelyikben pnp van? tipus? |
Bejelentkezés
Hirdetés |







. Meg vannak nagyfrekvenciás tranzisztorok, ez se mond nekem sokat, de valószínűnek tartom, hogy ilyenekre nem lesz szükségem egy darabig. 







