Fórum témák
» Több friss téma |
Sejtettem, hogy így van, de miért kell ehhez tudni a típust? Egyébként olyan, amilyet írtál.
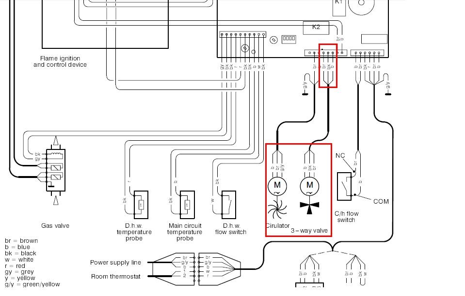
Ahhoz képest, hogy ha jól értem, csak benyúlik egy nyelv a másik csőbe, és amíg a sodrás viszi, benyom egy gombot, 16-26e. Drágább mint az egész cirkó. Mondjuk gondolom a melegvíz csövén a bimetál is ugyanezt biztosítja. Azt hittem az áramlásérzékelő a szivattyút is kikapcsolná, ha nem kapna vizet. A 3. LED valami kémény elakadásjelző, az nem világít, de érdekelne, hogy az mit néz, és hol van, és honnan tudom, hogy jó-e? Van valami a legalján, ami szintén valamit kapcsolhat, de nem tudom mi az, és, hogy jó-e, de érdekel.
Nézd, szép dolog a kíváncsiság, hiszen az az emberiség továbblendítője. Hogy előre-e vagy hátra, azt most inkább hagyjuk.
De azért néhány gondolat még: A készülék típusát azért kell tudni, mert egyikben ilyen, a másikban másmilyen műszaki megoldást alkalmazott a konstruktőr. Az ő valamikori mérnöki döntése számunkra meglévő tény, teljesen felesleges az okát keresnünk, hogy miért és hogyan és.............. Készülékjavítóként a hibákat kell felismernünk és javítanunk. Tehát nem azon kell spekulálnunk, hogy az áramláskapcsoló minek, hiszen úgyis leold majd a hőkorlátozó! Láttam már vörösre izzított Vezuv hőcserélőt, ahol a vízcsőbe húszcenti hosszan olvadt bele a légtelenítő műanyag bele. Szedtem ki C24 armatúrából acélgolyót, hőcserélő torkából esztergált vízáramlás-szűkítőt. Ezeket mind ezermesterek szerkesztették be................ De hogy segítsek is neked, ezért elmondom, hogy a kijelző harmadik, vörös ledje a füstgázvisszaáramlás jelzője. Ezt lehet alul visszakapcsolni, feltéve, hogy FELELŐSSÉGGEL meggyőződtél a visszaáramlás okáról. És persze azt meg is szüntetted! A működőképességéről úgy tudsz meggyőződni, hogy a készülék fölött a füstcsövet kiveszed, a nyílást egy fémlemezzel lekarod. Kellő szellőzés mellett a kazánt így elindítod. Négy-öt perces működés után a kazánnak tiltania kell. Lángmoduláció meg azért nincs, mert azt ez a kazán nem tuggya......................... Szerencsére..........
Közben szétszedtem, és összeraktam, már jó. És jobban megnéztem azt is amiről nem tudtam mi, biztos egyről beszélünk, szóval ha a rákötött hőérzékelő túl melegben van, gondolom, akkor kapcsol.
Miért jó, ha nem tud lángmodulációt?
A lángmoduláció jóságáról vagy szükségességéről beszélve már tüzeléstechnikai alapkérdésekhez érünk.
Eszerint a tökéletes (leggazdaságosabb) égéshez állandó gáz-levegő keverési arány kell. Kéményes vagy állandó fordulatszámú ventilátoros készüléknél az égési levegő mennyisége közel állandó. Ha ehhez csökkenő (moduláló) mennyiségű gázt vezetünk, akkor a modulált állapotban az égés légfeleslegtényezője durván megnő. Ez a hatásfok lényeges romlásával jár. Ezért a komolyabb készülékeknél változó fordulatszámú ventilátort alkalmaznak, így biztosítják az állandó légfeleslegtényezőt. Ezeket a készülékeket csak füstgázelemző műszerrel lehet beállítani, a CO2 vagy a lambda mérésével.
Ha a földgáz kevesebb, és a levegő ugyanannyi, akkor az égő földgáz több levegőt kap, mint mikor ugyanannyi levegőben több földgáz ég. Több levegőben több az Oxigén.
Miért rosszabb ettől az égés hatásfoka? A lambda az hullámhossz nem? Minek a hullámhosszát méri? Minden lángmodulációs készülékben változó sebességű venti van, vagy csak a komolyabbakban?
A fali kazánok atmoszférikusak. Van kéményes (B) és turbós (C).
A különbség a kéményes a helységből "veszi" a levegőt, mig a turbós un. zárt égésterű, amikor is a füstgázt egy ventillátor tolja ki a 60 (80) -as csövön. A gázt ugyanúgy egy gázszelep engedi be az égőhöz a fúvókákon keresztül az összes biztonsági feltétel teljesülése után. Az égés hatásfoka azért lehet rosszab, mert az égő levegő nyílása állandó, csak a gáz nyomása változik (gyártótól függően) 2-13 mbar között. A hozzászólás módosítva: Dec 1, 2012
Jelentem , meleg van!!!Szép estét kívánok mindenkinek!
Üdv Judit
Hmm! Biztos voltam benne, hogy nem fogsz megfagyni, de mit csinált a szerelő? Persze tudjuk, meleget, de hogyan?
Ne az árát mondjad és azt, hogy melyik kezével dolgozott. Mit cserélt ki?
Kedves VIM!
Jól tudtad h nem fogok megfagyni... Nos a szerelő kiiktatta a meleg vizet,-most szó szerint idézek"lebutította a modult"na tudod mit jelent? Várom válaszod!u.i:ingyen volt mert vagy belefért még az előző javítás árába,vagy jó voltam nála-ezt sosem tudom meg és jobb kezes
Szia! Szerintem a szervómotort és a vízáramérzékelőt lehúzta a panelról és kész.
Mivel h elromlott a panel,így ott semmi nem funkcionál.Tehát a "butítással"beállította a fűtésemet ,akkor mit csinált?
Üdv Juditbocsi ,jobbról az első kapcsoló jó,azzal tudom kikapcsolni a kazánt A hozzászólás módosítva: Dec 2, 2012
Kedves Judit!
A panelnek ehhez semmi köze! A váltószeleped nagy valószínűsggel szorul és ezért maradt mindig HMV készítés állásban. A kolléga egyszerűen megszüntette a működését. Gratula az otthon melegéhez! A hozzászólás módosítva: Dec 2, 2012
Szia!
![]() Váltószeleppel biztosan így van ahogy írod.Azt hiszem h a motorra mondta h beállt,azt csere-berélte és végül beakasztotta egy szöggel.DE annyira csereberélt h nem tudom h mit tett vissza.Mert én éreztem kis hamisságot..... Ja mert volt nála vagy négy motor és mikor próbálgatta mindet "behúzta"-ha jól emlékszem ezt mondta,tehát akkor olyan állapotban voltak mint az enyém,akkor az enyémet is be lehetett volna akasztani.Lehet h csinibb volt az enyém és megtetszett neki? A hozzászólás módosítva: Dec 2, 2012
Te tudod, Te láttad! A lényeg, hogy tudtok fűteni!
Az utolsó mondatod a lényeg!
![]() Szép estét! ![]() Judit Idézet: Ezt nem kellett volna. „az enyémet is be lehetett volna akasztani.Lehet h csinibb volt az enyém és megtetszett neki?” Még biztosan találkozni fogtok. ![]() Macerás a kazánom,mikor szóltam jött és csak egyszer kellett fizetnem az elején az elsőt! ![]() De most megígértem neki h ehhez soha nem hívom,így elköszöntünk egymástól!
Üdvözletem mindenkinek!
Segítséget szeretnék kérni. Van egy Buderus Logamax U012-24 tip. falikazánom - csak fűtésre, melegvíz nincs. A gondom a következő a kazán rendszeresen lekapcsol égőzavar hibával, a könyve szerint a (G) piros led világít az előlapján. Reset után elindul, de változó időpontokban - 1 hónap, 1 hét, 3 nap után ismét a fenti hibakóddal kikapcsol. A mai nap pl. óránként kellett resetelni. már az örületbe kerget, több szerelő is látta, de a hiba okára nem tudtak rájönni. Mi lehet a gond okozója? A segítséget előre is köszönöm! ( a több mint 2800 hozzászólást még nem tudtam végig olvasni )
Ennél a kazánnál szinte tipushiba a panelon egy relé és egy kondenzátor meghibásodása. A mellékelt képen bekarikáztam ezeket. Azért csak hozzáértőnek ajánlanám a javítást!
Köszönöm a választ, megpróbálom kicserélni őket. De mitől mennek tönkre? A csere alkatrészek nem fognak szintén tönkre menni?
Ezek gyárilag elég gyenge alkatrészek, csere után jónéhány évig simán működnek tovább! A kondenzátor 330nF-os, de figyelj rá, hogy minimum X"-es legyen, ez általában rá van írva a kondi oldalára.
Ha égőzavar hibávak kapcsol le, akkor a középső elektródát csiszolóvászonnal tisztítsd meg.
Égőzavarkor a hálózati zöld LED és a piros láng LED világít! Ha a piros melletti zöld villog, akkor lehet levegő pressostát és vezérlőpanel gond is. JZoli általi rajzon a pirossal bekarikázott kondenzátor szokot idő előtt tönkre menni. A hozzászólás módosítva: Dec 4, 2012
Égőzavar hibával kapcsol ki, a piros led világít ( nem villog ) valamint a hálózati zöld led világít. Az elektródával nem lehet baj, mert a reset után egyből gyújt. Még annyit kérdeznék, hogy a kondinál az " X " mit jelent? Valamint a relé típusát nem tudja valaki, mert akkor már keresnék és rendelnék is egyet most.
Hello!
Pontosabban X2 típusú kondi, ami kimondottan hálózati váltófeszültségre készült, (250V~ vagy 275V~ van rajta) öngyógyuló, tűzálló kiöntéssel. üdv! proli007 A hozzászólás módosítva: Dec 4, 2012
Parancsolj, a típusa: Schrack T7NS5D1-48
Az ionikus elektróda szerepe a lángőrzés! Ha oxidos kicsit, már nem vezet. Mérd meg az ion áramot, 5 mikroamper felett kell lennie kialakult lángnál. A hozzászólás módosítva: Dec 5, 2012
Szia! ma szétszedtem a kazánt és megnéztem a panelt, a kondin amiről szó van azon az U33 és 400 felirat van. Amit linkeltél " X2 " jó helyette? Mert akkor most megrendelem.
Köszi a segítséget!
Hello!
De gyors a kezed. Mindent háromszor mond - háromszor mond -háromszor mond.. Az nem túl szép, ha ez van ráírva, mert feltehetően ez egy 400V-os DC kondi volt. De mindenképpen X2-eset tegyél. pld. amit linkeltem. (Egy kőkorszaki REMIX kondival százszor jobban járnál. Lehet cseppet nagyobb lenne, de nem tikkadna ki.) üdv! proli007 A hozzászólás módosítva: Dec 5, 2012
Szia! Nem a kezem gyors, hanem az egerem
. FKP1-330P/1600 - ilyet rendeltem a tme.hu-ról, remélem ez jó lesz.
Szerintem nem jó amit rendeltél, mert az csak 330pF-os, ide 330nF kell ami 1000-szer akkora. Az X"-es a jó ide, ráadásul 275V~ ra méretezett, nagyobb feszülrtségű nem jó oda, mert az meg már nem fér el. Ha még idejében van akkor módosítsd azt a megrendelést : JFV-330n/275-p15 tipusút szoktam rendelni tőlük, ennek a lábtávolsága is megfelel!
Sziasztok!
Én mostanában fogom majd a vezetékes gázt bevezettetni mert eddig fával és szénnel fűtöttem de rá szeretnék segíteni gázzal.Viszont én a gáztól félek ezért egy gázérzékelőt szeretnék a füstjelző és a szénmonoxid érzékelő mellé .Az lenne a kérdésem ,hogy az érzékelőt a mennyezetre vagy a padlószintre célszerű vezetékes földgáznál felszerelni mert már olyan sokfélét mondanak,hogy nem igazodok ki ? |
Bejelentkezés
Hirdetés |




Üdv Judit
Ne az árát mondjad és azt, hogy melyik kezével dolgozott. Mit cserélt ki?







