Fórum témák
» Több friss téma |
Sziasztok!
Vettem 1-1-1 db Piros-Zöld-Kék színű LED-sort, melyből hangulatvilágítást szeretnék készíteni. 1 LED-sor, 60 db magasfényű SMD LED-ből áll. Egymás mellé helyeztem Őket és azt szeretném elérni, hogy kb. 10 másodperces szünetekkel folyamatosan változtassa a színeit. A színeket 7 részre osztottam, amik a következők: (RGB) 001-010-011-100-101-110-111-001-... és így tovább. A rendszer 12V-al kellene, hogy működjön. Kb. 5 évvel ezelőtt végeztem elektronikán, de nem a szakmámban helyezkedtem el, így kb. 3 nap x 3 órás netes böngészés után hozzátok fordulok. Kérlek segítsetek, hogy hogy tudnám a legegyszerűbben kivitelezni. Én arra gondoltam, hogy NE555-el megoldanám a 10s-os órajelet, amit rákötnék egy számlálóra. A kérdésem az lenne, hogy melyik (CMOS) IC-vel és milyen kapcsolással tudnám a körkörös, véget nem érő számlálást megoldani, mégpedig úgy, hogy ne legyen 000, azaz fény nélküli állapota. Kérdezném még, hogy a kimenetekre, az illesztés végett megfelelő lenne-e LED-soronként egy BC 182-es tranzisztor, vagypedig nagyobb teljesítményű kellene? Válaszotokat előre is megköszönve, üdv:Robi
A 60 db-os LED sorhoz valami nagyobb teljesítményű darlington tranzisztort válassz. A BC182 nagyon-nagyon kevés. CMOS ic-vel nem tudod megoldani, hogy ne legyen 0. (Esetleg a nulla helyi értéken inverterrel megoldható) CD 4020
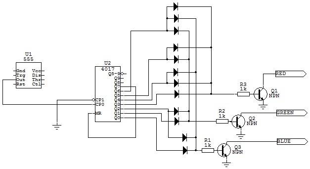
Szia!
Szerintem az 555 jó lenne órajelnek, a CD 4017-ből pedig készíthető a neked szükséges 7 kimeneti állapotú számláló ( a 8.állapotnál RESET, ami olyan gyors, hogy szerintem nem érzékeled ). Az egyes kimenetekre az adott csatornát vezérlő tranzisztorról rákötsz egy-egy diódát a rajz szerint ( remélem látható és nem kötöttem el , nézd át!) !A tranzisztort a LED sornak megfelelően kell megválasztani! Steve u.i. A kiegészítő elemeket és tápfesz csatlakozást nem tüntettem fel, csak az elvet akartam szemléltetni! A hozzászólás módosítva: Dec 6, 2012
Hello!
A problémát igen egyszerűen is lehet kezelni. - Három bitnek 8 variánsa van. Te tulajdonképpen egy bináris jelsorozatot írtál fel, csak a nulla állapotot szernéd kiküszöbölni. Vagy is nem 8, hanem csak 7 változatra van szükséged. - Mivel bináris kód van, legkézenfekvőbb egy bináris számlánc alkalmazása. Így a CD4060-at érdemes alkalmazni, mert abban benne van az oszcillátor is. - Ha a számlálót a bináris 7-nél (111) töröljük, akkor csak 0..6-ig avagy hét lépésben fog számlálni. De ezek között benne van a nulla is, amikor mind sötét lenne. De egyszerű susztermattal, nem a jelet, hanem annak invertáltját használjuk fel. Vagy is nem akkor kapcsoljuk a Led-et, mikor a kimenet "1", hanem amikor "0". - Mivel 7-nél mind három kimenet magas szintű, és a Reset bemenet is ekkor aktív, csak egy mezei diódás ÉS kaput kell alkalmazni. - Az inverz működést simán elérhetjük, ha P-csatornás Fet-eket alkalmazunk. A Fet alkalmazása azért is célszerű, mert a 60db Led elég nagy áramot fog felvenni (nem írtad menyit), így nemkel nagy bázisáramot biztosítania a CMOS IC-nek. - Természetesen a Led füzéreket a LD1..LD3 kimenet és a GND közé kell kapcsolni, valamint számodra olcsóbb P-Fet-et is használhatsz. (IRF9024 IRF9610 stb.) (De ezért nem kellet volna külön topikot nyitni. Majd a kedves Modik áthelyezik, valamelyik Led-es topikba..) üdv! proli007 A hozzászólás módosítva: Dec 7, 2012
Köszönöm a segítőkész válaszokat.
Egész gyorsan össze lett elméletben rakva a kapcsolás. A 4060-as IC-s áramkört, invertált bekötéssel a hétvégén meg is építem. Köszi:Robi
Szia.
Én inkább ezt ajánlom Bővebben: Link sokkal látványosabban megtudod oldani a hangulat világítást. Ezt már párszor megépítettem. Forrás is megtalálható az oldalon, és tetszés szerint kivitelezheted a saját ízlésed szerint. Ha szükséges tudok benne segíteni. Üdv Tamás A hozzászólás módosítva: Dec 7, 2012
Igen ez tény, hogy kifinomultabb, mint egy számláló, de az egyszerűségéből adódóan először inkább a 4060-as kapcsolásnál maradnék. Később, ha képes leszek belemerülni a PIC rejtelmeibe, akkor természetesen érdekelni fog az a téma is. Addig is köszönöm a lehetőséget.
Üdv: Robi
Betáraztam én anno 12f683 as pic-ből soic8 tokost.
Feltudom neked programozni (nem fogok rajtad nyerészkedni). Néhány kép, az általam épített 40db rgb led-es hangulat világításról. A hozzászólás módosítva: Dec 7, 2012
Megépítettem a 4060-as Ic-s kapcsolást, aminek a végeredménye az alábbi linken látható:
Bővebben: Link Pont ezt akartam megcsinálni. Köszönöm a hozzászólóknak! Üdv: Robi A hozzászólás módosítva: Dec 8, 2012
Hello!
Örülök, ha valami néha realizálódik is, nem csak beszélünk róla. Használd egészséggel! üdv! proli007
Hello!
Ahogy néztem a videót, az jutott eszembe, lehet szebb lenne a hirtelen átváltás helyett, lassú átmenet a Led-eknél. Így ki is egészítettem a kapcsolást. A probléma viszonylag egyszerűen, egy IC és néhány alkatrész "feláldozásával" megoldható. Hátha van kedved ezt is elkészíteni. - Az U2a egy kb. 300Hz-es háromszög generátor. Az U2b..d pedig komparátorok. Így a kettő,együtt, egy impulzus szélesség modulátort alkot (PWM). Ez biztosítja a Fet-ek, majd a Led-ek kapcsolását, hogy ne analóg módon szabályozzunk. Így a veszteség (hőtermelés) elenyésző lesz. - A lassú átmenetet az R9..R11 és C4..C6 egyszerű integráló tag biztosítja. A fel lefutás idő kb. R*C vagy is 3..4sec körül van. (De akár változtatható is.) üdv! proli007 A hozzászólás módosítva: Dec 9, 2012
Hello!
Köszönöm a továbbfejlesztett változatot, de már be is dobozoltam az elektronikát, emiatt körülményes lenne a kapcsolási rajz kivitelezése ezen az áramkörön. Talán a következőn! Ugye jól értelmezem az fenti rajz működési elvét: - U2a kimenete U2b komparátor egyik bemenetére ezt ("VVVVVVVVVVVV") a 300Hz-es jelsorozatot küldi, ami a ledsort 300Hz-el villogtatja (ennek köszönhető a veszteségcsökkenés) - U2b komparátor másik bemenete pedig egy RC kapcsoláson keresztül megkapja a számláló pillanatnyi értékét, ami a ledsor fényerejét fokozatosan növeli, majd csökkenti (ennek pedig a lágy átmenet köszönhető) A rajzról felmerült egy kérdésem, hogy ha kihagyom a háromszög generátort és a komparátor (PWM), akkor csak az RC kapcsolással, megtudnám-e oldani a lágy átmenetet mégpedig úgy, hogy a 4060 kimente és a FET Gate lába közé építeném be? Üdv: Robi
Hello!
Kb. jól érted. A komparátor állítja elő a PWM jelet. A háromszög jel "VVV" kerül összehasonlításra kerül az integrált jellel. Így a komparátor kimenetén, egy változó kitöltésű négyszögjel lesz. A kitöltés arányos lesz az integrált jel pillanatnyi értékével. Igen a Led-ek tulajdonképpen 300Hz-el villognak. De Te a villogás átlagértékét látod, vagy is fényerő változásként észleled. (Szem nem képes követni az ilyen gyors változást. Vagy is Ő is integrál.) A PWM azt jelenti, hogy egy ütemen belül, milyen arányban ég és van sötétben a Led. Ez változik. De a Fet, nem szabályoz, hanem mindig csak ki-be kapcsol a PWM jel szerint. Ezért nincs veszteség, nem a villogás miatt. Mert a Fet vagy ki van kapcsolva, ekkor a feszültség rajta van, de nincs áram. Vagy be van kapcsolva, ekkor viszont folyik ugyan áram, csak nagyon kicsi a DS feszültség. A teljesítmény U*I. Ha ezek közül a feszültség vagy az áram közel nulla, akkor a veszteségi teljesítmény is közel nulla. Ha az integráló tagot kötnél a 4060 és a Fet közé, akkor hasonló eredményre jutnál. De csak "hasonlóra". Mert a Fet ekkor analóg szabályzóként működne (mint egy soros változtatható ellenállás), így Led-áramtól függően, komoly veszteség lenne rajta. Másik, hogy a Fet ugyan "változtatható ellenállás", de éppen a Drain áram nem arányos a Gate feszültséggel. Mert van egy GS küszöbérték, ami alatt le van zárva, felette, pedig szinte nyitva van. Tehát az integrált jel mikor elérné a küszöbértéket, rohamosan nyitna ki a Fet. (De nem azért tervez-rajzol az ember komplett áramköröket, mert két ellenállással is elérhető ugyan az. Ezt csak a kezdők feltételezik..) üdv! proli007 A hozzászólás módosítva: Dec 10, 2012
Hello!
Az alábbi mondattal értettem meg a kapcsolási rajz működési elvét: Idézet: „ A komparátor kimenetén, egy változó kitöltésű négyszögjel lesz. A kitöltés arányos lesz az integrált jel pillanatnyi értékével.” Én teljesen abban a hitben éltem, hogy a Led-re jutó teljesítményt szabályozza a kapcsolás, nem pedig a négyszögjel kitöltését, ez annak is köszönhető, hogy a FET-ekről tanult infóm igen hiányos. Ha jól értem a Led-re kimenő jelet az alábbi, egyszerűsített rajzon rajzolt jelsorozatként kell elképzelni: üdv: Robi A hozzászólás módosítva: Dec 11, 2012
Hello!
Ez így van, csak a teljesítmény és a munka, csalafinta dolog. Mert a teljesítmény nem végez munkát, ha nincs idő. Ugyan is a munka a teljesítmény és az idő szorzata. A PWM, mindig azonos teljesítményt kapcsol a Led-re (pontosabban azok mindig ugyan annyit vesznek fel) csak éppen az idő elteltével ahogy ki-be kapcsolja az elvégzett munka lesz kevesebb-több. Ami meg világít, az a munka. Villogni meg nem látod a szem tehetetlensége miatt. (A perifériás látás tehetetlensége sokkal kisebb, mint szemből az éleslátás mezeje. Nem véletlen,mert míg az egyik az alapos megfigyelést, minél nagyobb felbontást szolgálja, a másik a mozgás érzékelésre lett "kihangolva". Ha egy Led 100Hz-el villog, szemből nem látod, viszont ha oldalról "sandítasz" rá, vagy hirtelen elmozdítod a fejed, akkor látod a villogást, vagy egy szaggatott vonalat.) A fényerőt a PWM jel integráljaként érzékeljük, vagy is egy periódus alatt számított görbe alatti területtel arányosan. De analóg műszerrel, mérhetjük az átlag egyenáramot is, amit a Led-ek felvesznek. Kicsit van még az érzékelésnek egyéb szerepe is, mert ha villog a jel, akkor máshogyan érzékeljük a fényességét, mint mikor ugyan akkora árammal járatjuk a Led-et, mint az átlagáram volt. Vélhetően ez is a szem sajátossága. üdv! proli007
Hello!
Köszönöm az elméleti oktatást. Örülök, hogy írtam a fórumra, mivel tanultam belőle egy picit. Már ki is pattan a fejemből a következő projekt. Egyik ismerősöm még a nyáron megkért, hogy csináljunk egy állítható fényerejű barlangász LED lámpát. Az idő hiánya közbeszólt és emiatt még nem kezdtünk hozzá. Én elméletben másképp találtam ki, ami most megváltozott. A fenti PWM modulátor segítségével tervezem majd megoldani a disszipáció minimalizálása végett. Azon is gondolkodtam, hogy CREE led-et építek majd bele, de még nem tudom, hogy a kettő együtt összehozható-e? Jövőre terveztem a megépítését, úgyhogy lassan elkezdek a Led-es fórumok közt böngészni, hogy rátaláljak a legmegfelelőbbre. Köszönök mindent, üdv: Robi A hozzászólás módosítva: Dec 12, 2012
Üdv!
Hangulatvilágítás céljából szeretném megépíteni ezt a kapcsolást, RGB ledekkel. Ha jól gondolom, akkor közös katódos LED-et kell a színeknek megfelelő lábakra kötnöm a megfelelő előtét ellenállással?
Szia!
Véleményem szerint mindkét fajtát be tudod kötni, az alábbi kapcsolás valamelyikével. Kezdő vagyok még, úgyhogy az a biztos, ha valaki rámondja az áment. Üdv: Robi
A lemaradt rajz:
Az alsót nem igazán érzem működőképesnek.A FET vezérlő feszültsége nyitott állapotban minimum 4-5V tehát ennyivel több jut rá ami felesleges(túlzott) melegedést okoz.Ha "polaritást akarsz fordítani ,akkor vagy kell három inverter a 4060 kimenetére,vagy a kimeneten lévő fetekkel kell még három fetet vezérelni.
Hello!
Én mindenesetre készítettem mind két áramkörhöz nyomtatott áramkört is, hátha valakinek kedve támad megépíteni.. üdv! proli007
Szeretném megkérdezni a kapcsolásban zölddel bekarikázott áramköri rész működését.
Köszönöm.
Utána néztem az adatlapban a 4060-as IC-nek...
Így már világos a diódás ÉS - RESET áramkör.
Sziasztok!
Akár a 4017 akár a 4060 ugye csak egy irányban számol? Mert a vázolt áramköreitek érdekelne engem 3 csatornás LED futófényhez, de nekem 2 irányban kellene fusson.. Próbálkoztam 74hct193-al ami ugyebár up end down de nem jól működik. Azaz nem tudtam úgy kapuzgatni hogy pont 3-ig számoljon ...
Hello!
- Igen, csak egy irányban számol. De amíg a 4017 egyenként lépked, addig a 4060 binárisan számol. - Viszont ha csak három kimentet használsz, akkor pld. a 4017 futhat egy irányba, ha az 1-es és 3-as kimentet felcseréled, akkor a Led-en ez látszólag visszafelé fog futni. |
Bejelentkezés
Hirdetés |




, nézd át!) !






















