Fórum témák
» Több friss téma |
Hello!
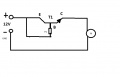
Milyen segítséget vársz? Adott a kapcsolási rajz, az IC úgy van ábrázolva, mint a felülnézeti képe. Már csak az alkatrészeket kell azonosítanod és forraszthatod. Apropó hogy szeretnéd elkészíteni? Levegőben vagy nyákon? Egyébiránt az egy IC-s változatban hiba van. A kimenet nem az ellenállás után van, hanem az IC 3-as lába. üdv! proli007
Köszi, oda figyelek majd rá egyenlőre csak így futtában levegőben icipici krokodilcsipeszekkel csak hogy üzemel-e.
A krokodil csipeszeket, mint vezeték/alkatrész rögzítést felejtsd el! Egy pillanatra összeér kettő, kész a zárlat. Jó, nem nagy értékű (pénzügyi értelemben) alkatrészek, de bosszúság, ha épp nincs otthon valamelyik. (Arról nem is beszélve, hogy ha nem veszed észre, napokig törheted a fejed, hogy miért nem működik az áramkör...)
Használj olyan "dugdosós" próbapanelt, ami a cikkben is van (a fehér, műanyag), az biztosítja a jó működést. De akár rögtön "próba-NYÁK"-ra is megépítheted, mert olyan egyszerű az áramkör, mint a faék! Ha jól kötsz be mindent, akkor "első rúgásra beindul".
Hello!
Kicsit átrajzoltam hátha így érthetőbb. Ha a levegőben is szerelsz, akkor is forraszd össze az alkatrészeket. De egy dugdosós panellel sokkal jobban jársz, ha próbálkozni szeretnél. üdv! proli007
Sziasztok!
Valaki nem tudja, hogy PC táp-ból kibányászott venti forgásirányát, hogy lehet megváltoztatni?
megfordítod a ventit... egyébként szerintem sehogy.
A polaritással vigyázz !! Könnyen agyonverheti a ventillátorban lévő elektronikát.
Köszönöm!
Az állórészt nem lehet valahogy lebányászni a műanyag lapról? Mármint a tekercset meg az alatta lévő elektronikát szeretném leszedni. De nem tudok rájönni, hogy kell.
Szia!
Erőteljesen ragasztva van és csak nehezen leszedhető sajnos. A ragasztó nem tudom miből készült de szerintem minden ventilátornál más és más anyaggal ragasztottak így oldószert nem tudok ajánlani... Sok sikert azért Üdv McDeath
Köszönöm szépen!
Akkor nem valami egyszerű művelet ez :S
Sziasztok! Lenne egy pár kérdésem, ventilátor szabályzással kapcsolatban,
Meg építettem a feltöltött,kapcsolást sajnos nem működik...a segítségetek kérném! Ezeket használtam, P1: 100 ohm-os potméter -t T1: BD 244 c-t Mi lehet a probléma? Sokan írták,hogy NTC meg NTK, bevallom gőzöm nincs,hogy mi az..de utána kerestem,(ha az persze) A P1-t erre kellene lecserélnem? Bővebben: Link A hozzászólás módosítva: Szept 21, 2012
Ez így nem is fog működni. Egyrészt NPN tranyának jelölted, másrészt a kollektort emitternek jelölted és ráadásul fordítva van az egész. Nézd csak mit találtam: http://www.hobbielektronika.hu/cikkek/_ventillator_vezerles.html
proli007 feltett egy képet a lap tetején, próbálkozhatsz azzal is, de ezt amivel próbálkoztál felejtsd el.
Értem...mást próbáltam,ki Simán csak bekötöttem a potméter..így tudom szabályozni, a ventilátort .
egy 100 Ohm-t kötöttem rá,csak melegszik sztem jobb lesz az 1k-poti. Jelzem,nem Pc tápról megyen! hanem egy külön trafóról! mert erősítőbe kell! így szerintetek? A hozzászólás módosítva: Szept 22, 2012
érdekes..Elfüstölt az 1K, és egy 100k-s poti.. a 100 ohm-s meg nem.
Annyira nem meglepő dolog. Ha egy kis időt fordítanál Ohmbácsi törvényeire és a teljesítmény, áramok vizsgálatára, rájöhetnél, hogy mit is rontottál el. Ez a poti bekötés, meg abszolút egészségtelen.
Ilyen potikat használok, direkt pchez kitalálva
![]() A poti hűtését,megoldottam gyorsan, hővezető ragasztóval ráültettem egy hűtőbordára.
gyula1990 azt hiszem a dolgok magukért beszélnek. Kár a szóért.
Sziasztok! PChűtőt szeretnék 0-100% fordulatszám-szabályozni. Igazából az alsó határ a minél alacsonyabb fordulat elérése, de 100 RPM-mel már beérném. Néztem ezt a leírást (http://www.hobbielektronika.hu/cikkek/szamitogep_tunningolas_i_-_pc_ventillator_szabalyzo.html), illetve proli007 utolsó becsatolt képét. Ilyen alacsony fordulat állítható velük?
Nem hűteni kell, hanem forgatni, mágneses keverőhöz.
Hello!
- Ilyen alacsony fordulatszámot csak akkor érsz el, ha van fordulat visszamérés és azt a szabályozásba bevonod. - Amúgy ez a motor nem igazán alkalmas alacsony fordulatra, de szerintem egy mágneses keverőhöz gyenge is. üdv! proli007
Szerintem mechanikus áttétellel (akár ékszíjjal) jobban jársz. Lassú és erős is lesz.
Elég erős, mindenki így építi. Otthoni sörfőző eszköz, élesztő felszaporításához. 1-2 liter folyadékot kell megkevernie, egész pontosan olyan örvényt csinálni, ami leér az aljára. Kipróbálom egy állítható sebességű ventilátorral, azok 6-800 RPM-mel indulnak.
Ékszíjas áttétel rengeteg nyomatékot elvesz, annyi alkatrészt nem is ér meg a projekt
Viszont ha nem ragaszkodom a 100-as fordulathoz, hanem a minimum 6-800-hoz, akkor ahhoz már jók a linkelt leírásaim/kapcsolásaim?
Sziasztok!
CPU hűtő ventilátoron miért van 3 szál? Piros 12V, fekete GND, de a sárga?
Fordulatszám kimenet. A fordulattal arányos impulzusok jönnek ki.
Értem, köszi
Hali mindenkinek!
Gyors segítség kellene!!! Megépítettem az oldalon található pc-s ventilátor szabályzót a potisat. Annyit változtattam hogy a poti helyére egy 10kohm-os NTC ellenállást raktam be. Úgy gondoltam hogy majd ha az NTC-t a hűtőbordára rakom akkor majd a melegedés hatására jobban forog a venti, ahogy csökken az éréke. Az a baj hogy nekem fordítva működik mégpedig, hogy hő hatására csökken a fordulat a ventin... Kérdés hogy mit cseréljek fel?
Hello!
Elég természetes a jelenet, mer a poti ellenállásának növelésére nő a kimeneti feszültség. A termisztor ellenállása, a hőmérséklet növekedés hatására csökken, és nem nő. Tedd az NTC-t az 1kohm-al párhuzamosan. Potival meg állítsd be, hogy mely hőfokon induljon el a venti. De nehezen fogod hozzáilleszteni a hőfokot a venti működéséhez ezzel az egyszerű módszerrel. üdv! proli007
Hellosztok! Lenne felétek egy kérdésem megépitettem az oldalon is található ventilátor szabályzót (LM317) hogy tudnám megoldani hogy a szabályozás 5-6 voltól induljon és ne nullától?
Segitségeteket is elöre köszönöm üdv Attis! Bővebben: Link |
Bejelentkezés
Hirdetés |







Viszont ha nem ragaszkodom a 100-as fordulathoz, hanem a minimum 6-800-hoz, akkor ahhoz már jók a linkelt leírásaim/kapcsolásaim?





