Fórum témák

» Több friss téma
Fórum » Ultrahangos távolságmérés
Lapozás: OK   7 / 8
(#) SDezsi82 válasza Gajdos hozzászólására (») Jan 1, 2013 /
 
Hát, az úgy van, hogy elvileg mindig merőlegesnek kellene lennie a felület adott pontjában az érintősíkra. Csakhogy vannak 90 fokos ívek, és ilyenkor a robot motorjainak majdnem végtelen sebességgel kellene forognia (amit sajna nem tudnak ) ezért lelassul a darab. Ezért, hogy a munkadarab sebessége ne ingadozzon annyira, már a kanyar előtt el kezdjük dönteni. Arra figyelünk, hogy a döntés mindig a mozgás irányába történjen.
A kiadagoló amúgy fix, a munkadarab mozog
(#) Gajdos válasza SDezsi82 hozzászólására (») Jan 1, 2013 /
 
Ha a cső merőleges a felületre akkor minden további nélkül lehet használni. A lézersugár pont a cső alá essen a felületre
(#) Gajdos hozzászólása Jan 1, 2013 /
 
Ha meg nem akkor mégis ultrahangos időmérős rendszerben kelleneBővebben: Link gondolkozni.
(#) SDezsi82 válasza Gajdos hozzászólására (») Jan 1, 2013 /
 
És mit szólnál ehhez:
A fotószenzor vagy akármi által mért távolság kétváltozós függvény. Egyrészt a távolság, másrészt a beesési merőleges és a kiadagolófej által bezárt szög függvénye. A beesési szög két tengely mentén változhat. Tehát ha kettő, egymástól 90 fokra elforgatott mérőrendszert rakok fel, illetve még egyet 45 fokban, és egymás után mérnek gyorsan, akkor van egy mérésem, ahol az eredmény az egyik elfordulás és a távolság, egy másik mérés ahol a másik elfordulás és a távolság, illetve egy ahol mindkét elfordulás egyenlő arányban és a távolság. És akkor ebből elvileg visszaszámolható ez elmozdulás, sőt még a térbeli szög is.
Ne mondjuk ez így nem egyszerű szerkezet az fix.
A hozzászólás módosítva: Jan 1, 2013
(#) szabics válasza SDezsi82 hozzászólására (») Jan 1, 2013 /
 
A robot nem ismeri a kontúrt? Mert akkor az ofszettel lehet tartani a távolságot. A vezérlő számítja.
(#) SDezsi82 válasza szabics hozzászólására (») Jan 1, 2013 /
 
Nem ismeri, pont az lenne a feladat, hogy beállítsuk neki. Persze ha a távolság már mindenhol egyenletes, akkor tudunk offsetelgetni.
(#) szabics válasza SDezsi82 hozzászólására (») Jan 1, 2013 /
 
Van tanuló módja, megtanítható a kontúr.
(#) SDezsi82 válasza szabics hozzászólására (») Jan 1, 2013 /
 
Igen, tisztában vagyok vele (12 éve foglalkozok robotokkal ), pont a betanításhoz kellene a kütyü.
(#) Gajdos válasza SDezsi82 hozzászólására (») Jan 1, 2013 /
 
Az egyszerűség mércéje inkább a robusztusság, a sok alkatrészt nem értelmezem bonyolult szerkezetként. Elvileg ebben nincsenek ezredmásodperces időtartamok,a fényérzékelő és a lézerdióda tápfeszültsége nyugodtan változhat akár üzemeltetés közben is, 2...4 Voltot
(#) bankimajki válasza SDezsi82 hozzászólására (») Jan 1, 2013 /
 
Szia, elolvastam a problémát és nekem eszembe jutott még egy ötlet. Mivel kicsi távolságon kell pontos mérés és a mérőszenzor hozzáérhet (követheti) a mért felületet, így az jutott eszembe hogy kellene 2 vezető felület (kondenzátor elektródák) és közé valami ruganyos szigetelő anyag. (Az elektróda mondjuk 1 kis 10x10-es alufólia lenne és ezt megküldeni valamekkora frekvenciájú szinuszos jellel, majd az áramot mérni. Minél jobban összenyomódik a zselé annál közelebb kerülnek az elektródák egymáshoz, ebből adódóan nő a kapacitás és az áram. Nem tudom milyen zselét lehetne használni, de egy próbát lehet megérne. Mivel nagyon könnyen össze lehet rakni egy kis próbamérőt. ) Zselé helyett levegő is lehetne. (Lufi. ) Majd írd meg a fejleményeket.

Üdv.: Miki
(#) bankimajki válasza bankimajki hozzászólására (») Jan 1, 2013 /
 
Vagy ha csak egyszer kell letárolni az utat, akkor akár az is szóba jöhetne, hogy vezető anyagot juttatsz a mérendő felületre. (Festék, alufólia....stb.) És azt meggerjeszted. Egy kis szenzorral közelítesz hozzá. Értelemszerűen, minél közelebb kerül a tárgyhoz annál erősebb jel generálódik benne.

Üdv.: Miki
(#) SDezsi82 válasza bankimajki hozzászólására (») Jan 2, 2013 /
 
Szia!
Kapacitás alapján mérésen én is gondolkodtam. Én levegőre gondoltam dielektrikumként, mivel a munkadarab mutat fémes tulajdonságot (induktív szenzorokkal érzékeljük őket) tehát elvileg működhetne. Csak attól tartok 10 mm távolságnál már elég komoly feszültségre lenne szükség a gerjesztéshez (csak sejtés, nem számoltam utána). Főleg, hogy a csőrön lévő elektróda lehetőleg minél kisebb kellene hogy legyen a pontszerű mérés miatt. Illetve ha jól gondolom akkor az áramkör ebben az esetben a testen keresztül záródna, ami nem tudom mennyire jó ötlet.
Persze mindenképp az eredményt majd közzéteszem, hátha tudja más is használni
A hozzászólás módosítva: Jan 2, 2013
(#) Gajdos hozzászólása Jan 2, 2013 /
 
http://www.kwesto.hu/shop/nav/EN_UK_23505/200114/4294967037 ilyen kerekekből van egészen kisméretű is a kereskedelemben. A kerék egy elmozdulást nagyító mechanikát mozgatna. Pl. Ha egy emelő rövid karjának végén akkor az emelő hosszabb karjának végén a karok hosszainak arányában növeli meg a mérhető kitérést. A hosszabb karon így tehát nem 0,5 mm-t érsz hanem teszem azt 5 mm-t ami már jól mérhető távolság. (10szer hosszabb karral mint a kereket tartó kar hossza)
(#) Gajdos hozzászólása Jan 2, 2013 /
 
Megpróbáltam lerajzolni. A ez emelő hosszabb karjának végén egy LEG lenne és az mozogna e fotoellenállások mellett
(#) SDezsi82 hozzászólása Jan 4, 2013 /
 
Köszönöm az eddigi ötleteket, csinálunk néhány tesztet, és ennek az eredményei alapján majd megosztom a tapasztalatokat.
Még egyszer köszönöm
(#) szabics válasza Gajdos hozzászólására (») Jan 4, 2013 /
 
Ha nem kell elektronikusnak lennie akkora mérőóra tökéletesen megfelel ennek. A Pontossága 0,01 mm a tartomány 0-10 mm De léteznek digitális mérőórák.

http://beta-szerszam.hu/spd/beta_1662dgt/Beta_1662DGT_digitalis_meroora_pontossag_1100mm
(#) Gajdos válasza szabics hozzászólására (») Jan 4, 2013 /
 
Ez tény és egy mérőóra mutatója kijelezhető valahogy hanggá vagy LED-es, távolabbról is látható LED-es fénnyskálává,
(a lényeg gondolom, hogy ne hajoljon közel a műszerhez, az nem lehet valami ergonómikus).
(#) SDezsi82 válasza szabics hozzászólására (») Jan 5, 2013 /
 
A mérőóra több szempontból sem jó.
A kiadagolócsőr, és a darab között 5-7 mm lesz. Ide nem fér be az óra. Tehát csak valami ferde konzolos tartó jöhet szóba, ami ferde mérést tesz lehetővé, ami nem igazán jó. Vagy kb 20 mm-rel odébb teszem a mérőfejet, ahol már teljesen más a darab alakja.
Ahogy a robot viszi a darabot és egy emelkedőhöz ér, oldalirányú erő éri a mérőt. Tehát vagy eltöri a 10 000 eurós kiadagolót, vagy leveri a 75 000 Ft-s mérőórát. Vagy kioldózsinór, de nincs több szabad kezünk.
Mivel a ragasztás 3 méter magasban történik, és 1,5 méter távolságból nézünk rá mindenképp át kell alakítani a mért jelet, tehát szét kell szednem a garanciális mérőórát, és csinálni vele valamit.
A hozzászólás módosítva: Jan 5, 2013
(#) szabics válasza Gajdos hozzászólására (») Jan 5, 2013 /
 
Ezekben a mérőórákban már van csatlakozási lehetőség, adatgyűjtő csatlakoztatáshoz..
(#) szabics válasza SDezsi82 hozzászólására (») Jan 5, 2013 /
 
No, hogy tisztán lássak. A feladat az, hogy új gyártás indul és a robotot meg kell tanítani, hogy az új járgány kontúrját lekövesse. Mert egy adagolófejet tesznek rá ami kb. 7 mm magasságban megy végig a kontúron?
(#) szabics válasza SDezsi82 hozzászólására (») Jan 5, 2013 /
 
No, hogy tisztán lássak. A feladat az, hogy új gyártás indul és a robotot meg kell tanítani, hogy az új járgány kontúrját lekövesse. Mert egy adagolófejet tesznek rá ami kb. 7 mm magasságban megy végig a kontúron?
(#) szabics válasza Gajdos hozzászólására (») Jan 5, 2013 /
 
Ezt a megoldást is lehet adapterként használni a mérőórához. Az optika sor nem kell a rúd rövidebb. Az óra a karra rögzítve a karhoz ér a mérőcsúcs. Nem tör senki semmit A karok aránya megadja a pontos távolságot.
(#) szabics válasza Gajdos hozzászólására (») Jan 5, 2013 /
 
Ezt a megoldást is lehet adapterként használni a mérőórához. Az optika sor nem kell a rúd rövidebb. Az óra a karra rögzítve a karhoz ér a mérőcsúcs. Nem tör senki semmit A karok aránya megadja a pontos távolságot.
(#) SDezsi82 válasza szabics hozzászólására (») Jan 6, 2013 /
 
Majdnem jól látod. Valóban új gyártás, valóban meg kel tanítani a kontúrt. A különbség, hogy az adagolófej fix, ami kb. 3 méter magasan van. A robot pedig felveszi a munkadarabot, ami olykor mondjuk az egész oldalfal, és mozgatja a kiadagolófej alatt.
Való igaz, ha Gajdos mechanikáját használjuk akkor nem kell optikázni. Még mindig probléma, hogy ott van a fél autó köztem és a kiadagaló csúcs között, és nem tudom leolvasni az értékét.
Ezért kellene valami olyan kijelzés, ami 3 szín. Névleges kis tűréssel (mondjuk 6,2-5,8 mm): zöld, tartományon belül(5-7 mm): sárga, tartományon kívül: piros.
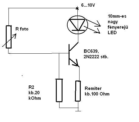
(#) Gajdos hozzászólása Jan 6, 2013 /
 
de ha a fotoellenállások előtt mozgó LED megvan akkor onnan már meg tudod oldani, nem? Minden fotoellenállás egy-egy bipoláris tranzisztor feszültségosztójába kerül a kollektor és a táp közé pedig bekötsz egy nagy fényerejű nagy átmérőjű LEDet amelynek a fényét már jól láthatod.
(#) Gajdos hozzászólása Jan 6, 2013 /
 
Például így

kijelzes.JPG
    
(#) Gajdos hozzászólása Jan 6, 2013 /
 
tehát három ilyen egyszerű áramkörre lenne szükséged mindegyikhez más más színű LED-el. A LED-eket a dobozon kívül helyezed el hogy láthasd őket.
(#) SDezsi82 válasza Gajdos hozzászólására (») Jan 6, 2013 /
 
Persze, amit felvázoltál, teljesen jó megoldás. Jelenleg az egyik gépészünk dolgozik azon, hogy hogyan tudja összehozni a mechanikát nem túl drágára, és hogy elférjen.
(#) SDezsi82 válasza SDezsi82 hozzászólására (») Jan 6, 2013 /
 
Bár valahogy úgy tervezem, hogy egy potit fog mozgatni a szerkezet, hogy állítani lehessen az értékeket. Mert biztos hogy változtatni fogják, hogy mondjuk ne 5-7 mm legyen, hanem 6-8 mondjuk
(#) Gajdos válasza SDezsi82 hozzászólására (») Jan 6, 2013 /
 
Ne potival csináljátok, az állandóan megszakad nem ad egyenletes jelet
Következő: »»   7 / 8
Bejelentkezés

Belépés

Hirdetés
XDT.hu
Az oldalon sütiket használunk a helyes működéshez. Bővebb információt az adatvédelmi szabályzatban olvashatsz. Megértettem