Fórum témák
» Több friss téma |
Fórum » Logikai szintjelző (ceruza)
Sziasztok!
Szeretnék készíteni egy logikai analizátort, és ehhez szeretném a segítségeteket kérni kapcsolási rajz terén. A kijelzést 3 LED-del gondoltam el, magas szint, alacsony szint és tiltott tartomány, a segítséget előre is köszönöm! A hozzászólás módosítva: Jan 9, 2013
Kettő darab komparátor kell hozzá. Ellenállásosztókkal be tudod állítani a komparálási szinteket, a kimenetekből meg egyszerű logikai kapukkal elő tudod állítani óhaj szerint a LED-ek vezérlését.
Hello!
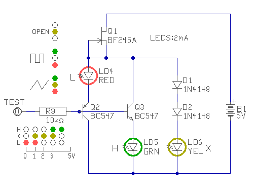
Tessék! De a tiltott sávok áramköri családonként más-más lehet, az osztót ennek megfelelően módosítani kellene, ha ez igény. üdv! proli007
Szia!
Nagyon szépen köszönöm a rajzodat, pont ilyesmire gondoltam! A hozzászólás módosítva: Jan 9, 2013
Egy megjegyzés,ez 5V alatti áramköröknél nem igazán működőképes .Erre számíts,egyébként nagyon jó.
A hozzászólás módosítva: Jan 9, 2013
Szia!
SMD kivitelben ez meg belefér egy filctollba is.
Sziasztok! Köszönöm szépen mindenkinek a segítséget, nagyon hálás vagyok érte nektek.
Szia!
Köszi szépen még egyszer a rajzot, megépítettem és jól működik az áramkör, teszek fel képet milyen is lett és a nyáktervet is felrakom, ha valaki kedvet kap hozzá akkor könnyedén meg tudja építeni. Én SMD alkatrészekkel csináltam meg, így elég kicsi lett, ha valami hibát láttok az alkatrészek forrasztása terén, az csakis azért lehet, mivel ez az első ilyen SMD-vel szerelt áramkör amit összeraktam. A hozzászólás módosítva: Jan 11, 2013
Sziasztok!
Találtam a neten egy eszközt, és érdekelne a véleményetek róla! Árulnak ilyet dobozolva is, de itt szépen rajzzal mindennel le van írva hogy mi ez. A dobozos elvileg ugyanez, csak drágább, mert már össze van rakva, ebben meg ha jól látom, még fw sincs. A kérdésem az, hogy ez a motyó tényleg tud 24MHz-en mintavételezni? Az számomra nem derült ki, hogy mennyi ram-ot tartalmaz. Elképzelhető, hogy real-time tolja át az adatokat a pc-re? Az ára nem is vészes, de szeretném tudni, hogy érdemes-e megvennem. LCD-k adatformátumát, buszokat akarok vele tanulmányozni mikrovezérlős berkekben. szerk.: éppen nem ceruza, de ha így jobb helyen van.. A hozzászólás módosítva: Ápr 7, 2013
16KB RAM van benne, meg egy 12..48MHz-en ketyegő, 8-bites 8051 mikrokontroller-core (tudásban összemérhető egy 8-bites PIC-kel), amit kb. 30 éve terveztek.
Nem tudom, hogy mit vársz tőle, én sokat biztosan nem várnék. De miért én olvasom az adatlapját helyetted? A hozzászólás módosítva: Ápr 7, 2013
Én is olvastam az adatlapját, csak láttam benne egy olyat valahol, hogy egy utasítás négy órajel alatt megy le. Most ez lehet hogy félreolvasás volt részemről, de ha 24MHz-ről lár a cucc, akkor ha jól gondolom, marad 6MIPs a végére. Másfelől ott van benne egy PLL is, szóval nem tudom mik a valós képességei. A 16K-t megtaláltam, de ebből még lejön az is, amit a fw fog használni, tehát nem marad meg mind a tényleges adatgyűjtésre (meg az a 16K mintha flash lett voltna a prgramnak, de most már megnézem újra).
Ezért bátorkodtam kérdezni, hogy aki jártasabb a mintavételezős témában, talán tud véleményt mondani. Túl sokat persze nem várok tőle, de ha már pár MHz-en tud gyűjtögetni, akkor már jók vagyunk A hozzászólás módosítva: Ápr 8, 2013
Megnéztem, tényleg 16K ram van benne.
Megjött az eszköz, ha valakit érdekelnek a tapasztalatok, akkor kérdezzen nyugodtan! EBay-en lehet rendelni, max 24MHz-en mintavételez, és a drágább "Logic" eszköz programjával úgy tűnik tökéletesen üzemel. Adtak hozzá usb-t, meg tapogató vezetékeket. Az ára sem vészes, kb 4000Huf. Ha beválik, akkor nagyon fogom szeretni
A hozzászólás módosítva: Ápr 25, 2013
Hello! Egy kis színesítés, hátha valaki a tranyókat jobban szereti.
üdv!
Engem az érdekelne, de most biztos idiótának fogtok tartani, meg olvassak utána (megtettem), de még mindig nem teljesen értem, hogy mire való ez az eszköz? Mit lehet mérni vele? Vagy hogy lehet értelmezni a kapott jelet? Az ceruza méretű eszköz hasznát se értem!
![]() Előre is köszönöm, ha valaki megválaszolja! ![]() üdv A hozzászólás módosítva: Máj 5, 2013
Proli007!
Neked érdemes visszakeresni a csatolt állományaidat, mert könnyen összerakható, és nagyon hasznos kapcsolásokat raksz fel! Köszi!
Hello! Ezt sokan nem tudják, és nem mernek összerakni olyan kapcsolást, amit én természetszerűleg nem nem szoktam megépíteni. Sokszor idétlen BSS kapcsolásokkal jönnek.. üdv!
Hát.. lehet kissé későn... De a lényeg: A TTL ceruzának, vagy logikai szintjelzőnek ott látod a hasznát - ahol nem láthatod műszerrel kényelmesen a magas, vagy alacsony digitális jelet. Például ha van egy dip40-es tokod és vársz valamilyen szintet az egyik lábon, amin semmilyen más kontroll eszközöd nincs - olyankor jó kis segítség tud lenni. Én megfejeltem egy zümmerrel is az enyémet, ami jumperrel ki-be kapcsolható, így nem kell kétfelé bandzsítanom, ha ránézek egy-egy lábra. A logikai analizátorok is ezt csinálják, csak egyszerre több lábon és ott a displayed egy monitor, vagy egyéb kijelző. én most rendeltem egy USB-s változatot, ez már csak 8 dollár. De a logikai ceruza is nagyon hasznos tud lenni magában, sok esetben még a szkóp helyett is használható. Gyors működésű, ezért ha jelfolyamra teszed az is láthatóvá válik. Gyakorlatilag egyes TCP/IP csatlakozók beépített LED-jei is hasonló diagnosztikai eszközként működnek (TX, RX jelzése). Természetesen szigorúan digitális áramkörök tesztelésére alkalmas. Ha jót akarsz magadnak éppen ezért nem árt némi védelemmel is ellátni, mert az ember néha bizony mellényúl ...
A hozzászólás módosítva: Júl 25, 2013
Szia! Én nem építettem ugyan meg, de mivel nekem is van egy jó marék maradék alkatrészem, lehet, hogy nekiszaladok (kb 15 perc kell neki legalább
)Én Erre a megoldásra gondoltam. Nem kell programozni, nem kell PIC és meglévő anyagokból össze tudom dobni. Van már egy "buta" teszterem, abból okultam, így lehet, hogy kicsit módosítok rajta. Ami sokszor jól jön - ha nem kell figyelni a kijelzőt is és a mérendő áramkört is. Ezért egy piezo-csipogó már a mostaniban is van (persze a család nyugalma érdekében ez kikapcsolható. Ennyit még tupírozok rajza. Sokszor az egyszerűbb - jobb. Ha bonyolultabb kell - ott a generátor és a szkóp. De sokszor egy ilyen kis eszköz többet mond ezer műszernél. Ami még nagyon jól jött gyakorlat szinten e meglévővel, hogy nem annyira jó a réz tüske. Tudom - le fogtok hurrogni - de nekem a 4-es kerítésdrót jött be. Flexxel szépen megformáltam a hegyet, jól bekentem forrsztópasztával és gyönyörűen leónoztam. Még melegen áthúztam egy törlőkendőn, ami a felesleges pasztát leszedte. Nem görbül, nem nyeklik és a hegye is olyan, mint új korában. Ráadásul így forraszthatóvá is vált. még igazándoboz sem kell hozzá, csak a raszteres panel, kötegelő a vezeték rögzítéséhez és egy nagyobb (meg egy kisebb a hegy bevezető részén) zsugorcső. |
Bejelentkezés
Hirdetés |
















