Fórum témák
» Több friss téma |
Fórum » Feszültségnövelés
Témaindító: kicsi_huszar, idő: Feb 24, 2006
sziasztok! nekem valami olyan kapcsolás kellene amivel DC5-7volt -ot fel lehetne emelni DC 12-14 voltra! Tud valaki segíteni ebben? Előre is köszi!!!
Esetleg azt szabad tudnunk, mekkora áramerősségre kellene?
Talán DC-DC konverter! Használd a fórum keresőjét, volt már ilyen topic
hali!2-3 A eggy 6 voltos rendszerü motorba akarok 12 voltos előgyujtásszabályozós gyujtást építeni.
Sziasztok !
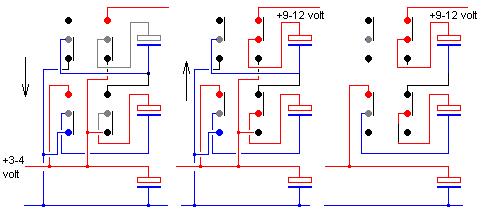
Van egy 9V - 12V 300mA impulzusos működésű mágneszáram. Ha egy 9V elemet hozzáérintek az érintkezőihez minden gond nélkül nyit. A kérdésem az lenne, hogy nekem csak maximum 3V-4V áll rendelkezésemre, hogyan lehetne ezt a feszűltségen megnövelni, hogy a mágneszár nyitásához elég legyen ??? Esetleg valamilyen áramköri rajz ??? A 3V-4V alapfeszúltség fix, nincs lehetőség más módon növelni !!!
Nézz szét EBBEN a topicban van rá megoldás!
Az attól függ mekkora áram kell a tekercsnek és mekkora áramod van a 3 4 voltos forrásodból.
A 3 4 voltodat tornázd fel 1 kapcsoló üzemű táppal , pontosdabban 1 teljesitmény oszcilátorral 12 volt környékére. 12Volton 300mA eszik akkor az 3 4 volton durván 1 ampert kell legalább beletolni. Igaz impulzus szerűen akkor sokkal többet is. Ezen felül a átalakítód veszteségéere is kell gondolni így több áramot kell biztosítani. Tehát 1 DC/DC konverter kell neked ami 3 4 volt ból 12 voltot produkál. Kell bele 1 2 tranzisztor tekercs és már jó is vagy IC ami mindezt megeteszi náéhány külső alkatrésszel. PL.: STEP UP converter IC-k !!! a MAXIM honlapján keressél rá milyen ICk vannak a családban !!! Itt Topinak is van cikke erről !!! 1.2V -> 5 Volt csinálódik DE van olyan ami 3- > 12 voltot ad ki vagy amire beállítod. Van ilyen IC a MAXIM nál !!!
Szia
Talán egy feszültségkétszerezővel, amit csatoltam.Ha 4V van azt megkétszerezi és akkor már 8V lesz, nem tudom ennyi elége e.
hi
neked egy feszültség 3szorozó dc-dc konverter kell ezek a mágneszárak épp, hogy működnek 9 volton, én 12V- osra csinálnám
Igaz ha váltó feszed van akkor már majdnem jó ez is ...
De ha DCje van akkor meg stup up konverter ! Patexati ügyesen be is linkelte amit keresned kell ![]() Kösszi ! Ezek meg a Maxim step up most elérhető darabjai : ezek kozt is keresgéljél : Ami a Cikkben van az csak 5 voltot ad neked a duplája kell! Tehát olyan IC-t keressél ami bemenő feszedet 12 körülire alakitja és képes legalább fél ampert is kiadni magából ! MErt különben nem húz be a jelfogó leesik a fesz . pl.: ezek a tipusok első közelítésben : MAX8795A TFT-LCD DC-DC Converter with Operational Amplifiers MAX17010 Internal-Switch Boost Regulator with Integrated High-Voltage Level Shifter and Op Amp MAX1896 1.4MHz SOT23 Current-Mode Step-Up DC-DC Converter MAX1522 Simple SOT23 Boost Controller Hogy csak 1 párat emlitsek a sok sok közül bemenő fesz / kimenő fesz és áram paramétereiket figyelembe véve ! IC-t tudsz a MAXIM honlap SAMPLE linkjeire kattintva kérni !!! SOK sikert !
Talán ez lenne a legjobb a sok közt ...
De Te majd eldöntöd ! MAX1896 adatai: ennyi az egész DC/DC konverter : link
Pont rád gondoltak a MAXIMnál EVKITjükben pont 1 ilyen 12voltos kimentű táp komplett leírása van benne nyáktervvel alkatrészekkel mindennel 1üt !!!
![]() komplett táp leírás pdfben SOK sikert !
Címet pontosítottam. (a feszültség szó rövid "ü"-vel írandó...)
Ha van egy tolókapcsolód ( régi rádiók, stb. ), ezt kipróbálhatod. 3 db 2200-4700 µF 6,3-10 voltos elkó kell csak. Alapban feltöltve vannak, áttolod a kapcsot és ott a 3x fesz. Egy impulzusra elég talán, próbáld ki.
Utána vissza... A rajzon feltüntettem a "lecsupaszított" állapotot is.
Ha betudod szerezni akkor nem gond ...
igaz ez DIP8as és nem smd ... tok mint a MAXIM ... de szerintem van DIP tokban is MAX1896
Hali!
A hozzászólásod mellékletében lévő kapcsolás terhelhetőségét lehetne némiképp növelni? Mondjuk 2A-re? Ha igen, akkor ez a tranyók és a diódák cseréjével kivitelezhető?
Sziasztok! Nekem is hasonló áramkör kellene, de 2.4V-ból 3.5V kellene. Ezt hogyan lehetne megcsinálni? 2.4V-os feszültségről kellene üzemeltetni 6 db fehér LED-et.
Sziasztok!
Engem az érdekelne, hogy (ATX-es táp) 12V egyenfeszültségből 40-50V egyenfeszültséget hogyan lehet előállatni (ha lehet egyáltalán) (0.51 A terhelhetőség mellett). A MAX668-at találtam (itt), ami a táblázatban max 100V kimenő feszültséget biztosítana (persze bizonyos bemenő fesz mellett) Szerintetek ez jó megoldás lenne? Köszi! Zsolti
Nekem olyan egyszerű és gyors kapcsolásra lenne szükségem az autó 12 voltjából szivartyújtóról csinálna max 16 voltot.Van erre egyszerű megoldás (pic nélküli)?
Köszi!!!
Pic semmiképp nem kell hozzá, de mekkora áramra lenne szükséged?
Szia! Valószínűleg valamilyen feszültség növelő (step-up) kapcsoló üzemű átalakítóra van szükséged. Vannak komplett áramkörök (pl.:MC33063) amik alkalmasak erre, de nagyon sok más megoldás szóba jöhet. Ahhoz hogy ajánlani tudjunk valamit, több információt meg kellene adnod. Tudni kellene a terhelés nagyságát, és hogy mit akarsz erről táplálni.
Bocsi ezt elfelejtettem.1.5-2 amper kellene.Ha jól tudom a szivartyújtó 8-at ad.
18 voltos 1.5 amperes motort szeretnék meghajtani.Sajnos az 1 amperes szabályozható adapterem elszállt amikor erőltettem (esztergáltam a 18 voltos motorral).
Szia!
Csak most vettem észre, hogy áthelyezték a felvetésed. Ha még aktuális, akkor a motor lágy-indítása érdekében vagy egy polaritás váltós megoldást javasolnék, vagy ha fontos, hogy a motor a nulla potenciálon legyen, akkor a transzformátor közbeiktatásával egy záróüzemű átalakítót építenék föl. Ha még érdekes, írj, és részletesebben kifejtem. |
Bejelentkezés
Hirdetés |











