Fórum témák
» Több friss téma |
Hogy számold ki, pl 23db ledhez mekkora előőtét kell,(220V) sorosan v. párhuzamosan kell köttni.
Én is csodálkozom, hogy még nincs zárolva a topic!
Viszont nagyatesz172- nek igaza van valahol, hogy ezek a fényforrások 1500 Ft ért még semmire sem jók, esetleg éjszakai sejtelmes világításra, csúnya fehér fénnyel egy pontra. Mikor vettem egy ilyen lámpát az eladó azt mondta, akár olvashatok is mellette Én olvasok is, csak nem ezt a lámpát oltom fel. De ott van mellettem, s miközben nézem arra gondolok már megint bedőltem egy marketingfogásnak!
Valaki nem tudja véletlenül, hogy ezek a 220 voltos ledes lámpák használhatóak e fényerőszabályzóval?????????
köszöszönöm!
Tudsz segíteni???
Ezt nyugodtan megcsinálhatod.
Az 1N4007 megvédi a sort, ha egy LED meghal vagy kontakthiba van. Az átfolyó áramot a kondi állítja be ( megmérheted), az ellenállás meg a bekapcsolási áramcsúcs ellen véd. A LED-ek száma ésszerű határig nem kritikus... A kondira párhuzamosan tehetsz 1-2,2 Mohmos ellenállást, biztonságilag... kisüti kikapcs után.
Hozzá tennék néhány gondolatot...
Szerintem hagyd a fenébe a LEDeket, mert túl sok a macera vele. Viszont annál inkább ajánlanám a LUXENON LEDeket... Én is épp azon vagyok, hogy minden világítást kicseréljek ilyenekre. Nagy trükk, hogy 12V-ról mennek, egyszerű a szerelés valamint különböző diffúzorokkal különböző szórást és fényhőmérsékleteket lehet elérni. Arról nem is beszélve, hogy élből 1W, 2W és 5W-osat lehet kapni... Röviden ennyi!
Szia Divez!
Na engem pont a luxeon érdekelne de nagyon! :yes: 12V ? úgy tudom ezket áramgenerátorral kell meghajtani. Adatlap szerint pedig 3.xx a tipikus feszültségük. Áramgenerátorrol hogyan lehet pwm meghalytani? van áramgeneráto , van pwm jel. Csakhogy ha megszakítom a kört az áramgenerátor megugrik és nem fog jól menni. Remélem nem sok hülyeséget írtam ![]() Szóval akkor hogyan lehet meghajtani őket?
Nem viccnek szántam, egyik havernak a III.-as golfját átépítettük, a müszerfalat, és az egyébb világításokat amik alapba gagyi zöld volt.Az uj ledek meg piros víztiszta, csak sajnos kis szögü nem szórt fényű volt azért elcsiszoltuk.A kilóméterórába meg fehér került, elcsiszolva.
A legtöbb víztiszta led 60-120fokos. 2centire kb egy 2 centis kör, sokra nem megy az ember vele ugy. http://ledmaster.hu/ Lehet válogatni.
Elcsiszoltátok. És mennyire lett jobb a szórásuk? Csak kíváncsi vagyok, az asztalom fölé akarok a falra nagy fényerejű ledekből viágítást csinálni, hogy jól ki legyen nekem világítva, munkára. Így meg kevesebb ledet kellene vennem, ha elcsiszolva nagyot nőne a szögük.
A szórt fény olyan mint a telefonod előlap nélkül, smd ledekkel világítva. Neked szerintem ugyis több led kell, mert mégis kicsi a fényerejük.És ha jól megnézed, lehet kapni más más szögűt, de a láthatósági szög növekedésével csökken a fény intenzitás. Én azt mondom még hogy a ledek többsége még csak visszajelzőként laklmazható, nem viágításként. Tök sötétbe az 1 gyertya lángja is sokat ér.A kérdésedre válasz, kocsiba pont megfelelő lett, gombok alá főleg, és olyan erős, hogy még el kell tekerni a fényerőszabályzót is csökkenőbe.
Üdv Daveeboy!
Elsőre azt kell mondjam: Jujujujuj.... Másodjára meg azt kell mondjam, hogy ennyire egyáltalán nem ástam bele a témába... (megjegyzem hogy abszolute amatőrként indultam neki a dolognak) Onnan indult a történet, hogy rá találtam és mint olyan elég hamar kiépítettem egy kapcsolatrendszert amit épp a napokban fogok véglegesíteni. Ez azt jelenti, hogy az amúgy egyáltalán nem olcsó LEDek beszerzéséi árát úgy tűnik, hogy jelentős mértékben sikerül redukálni. Közben profi ismerősöktől ás néhány evvel foglalkozó oldalról felszedem a tudást, aztán elkezdem megépíteni. Állítólag sima 12V-ról lehet üzemeltetni. Ha érdekel a beszerzés szólok ha kialakul. (szerintemmár holnap lesz eredmény) Teszem hozzá, hogy a forrás akitől lesznek a LEDek nem kevés hozzáértéssel rendelkezik. Praktikusan minden evvel kapcsolatos kérdést fel fogok tenni neki...
Az király
Akkor maradok a kis izzóknál, vagy a halogén izzóknál. Majd elválik.
Csatlakozom az elöttem szólóhoz...
Ha ledekkel akarod megoldani az asztalod világítását akkor nem lesz egyszerű dolgod ugyanis ha csak kicsit is rosszul állítod be a szöget akkor vakítani fog és oda a célszerűség. Azt tanácsolnám, hogy nézz utána a lentebb említett luxeon ledeknek. Én is azon vagyok, mert már túl estem ezeken a próbálkozásokon... Sokat vesződtem az elhelyezéssel... Igazából hangulatvilágításra és látványnak jó, de nagyjából ennyi...
Csatolmányban megtalálhatjátok a választ a jelenleg legerősebb fényű, fehér LUXEON LED energiaigényeiről.
Sirályság!
Köszi! Honnan lőtted? JaJa! És még valami amire figyelni kell a kicsikéknél: Elég nagy a hőtermelésük ezért nem árt ha hűtése is van. (Elég a passzív hűtés)
Szerintem amiket ma gyártanak ledes spotokat, az valami gagyi gyár csinálja, vagy nemtudom. Azért gondolom ezt,mert a sima 5mm-es ledek vannak benne a foglalatban. Nem értem minek kell bele a tokba tokozott ledeket rakni. Ha normálisan meg lenne csinálva akkor már nem 5mm-es ledek lennének a foglalatban, hanem egy csomó "kis led" lenne egy foncsorban. Nem jól gondolom?
nem semmi, és 3,8 V körül hány candella a fényerő? mennyi lehet ezeknek az élettartama?
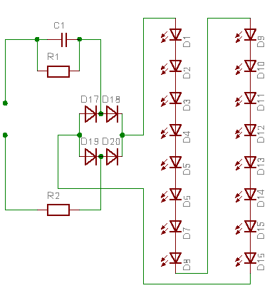
A #135386-ban javasolt kapcsolás helyett én ezt javasolnám. Ugyanis ott a két független ledsor kb 30%-os
kitöltési tényezővel felváltva 25Hz-cel villog, nincs jól kihasználva a led. Ennél egyszerre, 50Hz-cel, 60% körüli kitöltéssel villog.
Színezzük a papagájt?
Honnan vetted a 25 Hz-et? az felváltva 50 Hz.Az igaz, hogy nálad egyszerre és 100 Hz-cel villog, hi.... OK, jobb a tied...
Szaiasztok.
Egy másik megoldás. Én ezt csináltam meg csak 51 V-os Zenerrel és a túlfeszvédőt kihagytam. Bővebben: Link
20db lednél mennyi afesültségesés, és mennyi az átfolyo áram?
Attól függ, hogyan vannak kötve a LED-ek...
Szia!
Tanult kollégám néhány hozzászólással feljebb írta, hogy max hangulatvilágításnak is elég gyenge a cucc. Teljes mértékben egyet értek!!! Azoknak akik most akarják kialakítani, vagy esetleg a teljes otthoni világítást le akarják cserélni semmiképp nem javaslom. Mint már írtam a luxeon ledekkel érdemesebb lenne... Ha meg tudjétok várni (elvileg néhány hét) a leg konkrétabb saját tapasztalatokat fogom megírni, mennyire használható stb...
Helló!
Ha kelló mennyiségű világító testet helyezel el a szobában akkor nagyon jó fényt tud adni. Én most kisérletezgetek saját LED-es lámpa elkészítésével. Egy fényforrás 8db 100mA-es 10mm-es LED-et tartalmaz, melyet egy 800mA es áramgenerátor táplál 12V-os tápfeszről. Eddig nagyon jó tapasztalataim vannak vele. Üdv, Tiby
Urakok !
Kérdésem : A világitástechnikai boltban kapható LEDes spot miért olyan gyenge ? Kipróbáltam egyet, tizenx Leddel nem volt olyan fénye, mint EGY csupasz fehér lednek(két cerkaelemről!) Azt hiszem, ha a nagyteljesítményű ledek(CREE, LUXEON stb) ára lejjebb esik nagy áttörés lesz a világítástechnikában !
Azt nem tudom hogy miért olyan gyenge a bolti, de azt tudom hogy amit én összedobtam 8 LED-ből az sokkal erősebb mint a bolt 18LED-es. Esetleg ha érdekel valaki akkor feldobhatom a felhasznált LED-ek , illetve az alkalmazott IC típusát.
Én kiváncsi vagyok rá! Meg szerintem mindenki.
Mennyiért és hol vetted a ledeket??
A teljesség igénye nélkül néhány kép a ledekről...
A méret ne tévesszen meg... Állat nagy fényereje van... |
Bejelentkezés
Hirdetés |








az felváltva 50 Hz.







