Fórum témák

» Több friss téma
Fórum » Végfokozat TDA2030-40-50-el
 
Témaindító: sasorr, idő: Jan 16, 2006
Témakörök:
Lapozás: OK   62 / 274
(#) Albi válasza witti hozzászólására (») Okt 16, 2007 /
 
Mi a problema a GND vel
(#) witti válasza Albi hozzászólására (») Okt 16, 2007 /
 
Hát, ha értenék hozzá, akkor nem kérdezném!
De ha kicsit lejjebb olvasol, akkor meglátod akkor egy jó ideje ez a téma, hogy célszerű szétválasztani a jel és a teljesítmény földet, (mivel nem értek hozzá) nem sikerül külön választanom, mert valahogy valamelyik panel által találkozik a Puffekondim negatívjánál a kettő... (innen lefelé a legelső rajzomon láthatod).
(#) witti hozzászólása Okt 20, 2007 /
 
Sziasztok! :wave:
Itt a végleges erősítőrajzom, amit kiegészítettem 2db koppanásgátló hangszóróvédelemmel! (A rajzon csak az egyik van).
Nagyon szeretném, ha berajzolnátok a GND-ét a cuccba! Figyelembe véve a teljesítmény és jelföld különválasztását!
Mert most már be akarom fejezni végre!

Előre is köszönöm!
(#) xxxKiller hozzászólása Okt 20, 2007 /
 
hy all!

Lenne egy kérdésem: Csináltam egy TDA2030-csal elátott erősítő modult, és sajnos én hülye fejjel megkínáltam 12V-tal és !3! A-rel! A NYÁK-on a tápfesznek a + vezetője megégett de ez nem is lenne akkora baj, mert egy hidalással meg lehetne oldani ezt. A gond ott kezdődik hogy nem szól az egész! Ez most miért van? Mindent kimértem a konik jók, az ellenállások jók, a diódáknál (ami sztem a probléma forrása) nem mutatott semmit a műszer. A végfokot pedig nem tudom hogy lehetne kimérni! Szóval akkor a diódák mentek ki?

Előre is köszi!
(#) Norberto válasza xxxKiller hozzászólására (») Okt 20, 2007 /
 
A diódák biztos, hogy kimentek...

Valószínűleg a végfok is...

Jó irányban voltak bent azok a diódák? Vagy nem adtál esetleg először fordított tápfeszültséget a rendszerre?
(#) xxxKiller válasza Norberto hozzászólására (») Okt 20, 2007 /
 
Hát az úgy volt, hogy először 12V-450mA-rel nyomattam neki. Ment is szépen. De ez a tápfesz csak egy olyan "próba" volt. Ezért raktam rá 12V- 3A-t. És ekkor volt a sülés. Szóval az a bizonyos 3A után füstölt el. Esetleg a végfokot nem tudom kimérni valahogyan? A diódákat azt sejtettem hogy kimentek, ugyanis ha jól tudom ők felelnek hogy mérsékelt áram jusson a rendszerre vagy vmi ilyensmi a feladatuk.
(#) Kovidivi válasza xxxKiller hozzászólására (») Okt 20, 2007 /
 
Hello!
Ha a tápod 3A-t bír, és arról hajtasz egy erősítőt, lehet, hogy csak 100mA-t fog felvenni a 3A-ból (pl: halk zene esetén).
Ha az erősítő kis teljesítményű táppal ment, akkor valamit elrontottál. Vagy polaritáscsere lépett fel, vagy esetleg nem 12voltos volt a trafó, hanem nagyobb. Mekkora pufferkondit használtál (<- Erre kíváncsi vagyok)?
Ha a diódák megszakadtak, akkor azokat cseréld ki, és vegyél egy új IC-t! nem nagy pénz! kimérni őket nem igazán lehet (vagy én nem tudom, hogy kell.)>
(#) xxxKiller hozzászólása Okt 20, 2007 /
 
a tápról: biztos hogy 12V volt Polaritáscsere sem valószínű, mert arra direkt figyeltem. A pufferkondi 1000µF -os ha jól emléxem 25V -os.
(#) Kovidivi válasza xxxKiller hozzászólására (») Okt 20, 2007 /
 
Akkor csak egy dolgot tudok tanácsolni: képet rakj fel...tápról, erősítőről. De sztem ha kciseréled az IC-t, meg a diódákat, újra menni fog az erősítő. először próbáld meg a 450mA-es táppal, ha azzal megy, akkor jöhet a nagyobb.
(#) punkkazy válasza xxxKiller hozzászólására (») Okt 20, 2007 /
 
Szerintem az az 1000µF picit kicsi! Nekem már elszállt emiatt a TDA. Ha kicsi a puffer nagy feszkó is létre tud jönni, amit nem hiszem, hogy az erősítő kedvelne.
(#) Hroot hozzászólása Okt 21, 2007 /
 
csősztök az lenne a kérdésem h hány µF-es szűrést tegyek a tápra?
(#) punkkazy válasza Hroot hozzászólására (») Okt 21, 2007 /
 
2200 µF amperenként-szokták mondani. Én többet ajánlanék. ENNYI MINDENKÉPPEN! 4700-at szoktam amperenként.
(#) fureszk válasza punkkazy hozzászólására (») Okt 21, 2007 /
 
az alap az 1000µF/1A, és 2200µF/1A a javasolt. Legalábbis szerintem fölösleges több! :yes:
(#) idavid válasza punkkazy hozzászólására (») Okt 23, 2007 /
 
2200 elég amperenként, de persze egy komolyabb erősítőnél minél több, annál jobb...TDA2030nál csatornánként bőven elég a 4700 uF.
(#) Dióda válasza idavid hozzászólására (») Okt 23, 2007 /
 
Ergo te úgy gondolod hogy 10000mikró a sztereóhoz.
Tapasztalatból mondom nem jó , puha brummogós és mosott lessz a hangja.4700mikró tökéletesen elegendő a két csatornához és akkor aránylag szép feszes és tiszta lessz a hangja.
(#) idavid válasza Dióda hozzászólására (») Okt 27, 2007 /
 
a "2200 elég" nem azt jelenti, hogy 2200 a kötelező, hanem azt, hogy ennyivel nem lesz nagy gond.

és elírtam, én is 4700at raktam az enyémbe az egészre, nem csatornánként. elnézést.

(#) Hroot hozzászólása Okt 29, 2007 /
 
csősztök
lenne még 1 kérdésem...
a végfokom már megint rossz pár napja még ment most meg csak zúg.. mi lehet a gond
(#) patexati válasza Hroot hozzászólására (») Okt 29, 2007 /
 
Zúg vagy 50Hz-es brumm van bent?Nem megy ki a tápfesz a hangszóróra véletlen mert akkor elszállt a TDA Tápban szűrőkondi nem szállt el jól érintkezik?
(#) Hroot hozzászólása Okt 29, 2007 /
 
nem tom mien az 50herces brumm a kimenetnél 2.5 v körül van ha kapcsolok rá zenét eltorzítva de úgy is nagyon halkan hallani
(#) Peti_85 válasza Hroot hozzászólására (») Okt 29, 2007 /
 
Hát akkor lehet, hogy IC-csere lesz belőle!
A diódák jók? Az ellenállások? Stb...
(#) Dióda válasza Hroot hozzászólására (») Okt 29, 2007 /
 
Mekkora feszről járatod szerencsétlent?
Milyen tápegységről jár?
Muti egy képet arról a panelról.
(#) Hroot válasza Dióda hozzászólására (») Okt 29, 2007 /
 
RÉGEBBEN HARMINCÖT VOLTRÓL MENT MOSTANÁBAN TIZENKETTŐ VOLTOS ADAPTERT TETTEM RÁJA...
(#) Dióda válasza Hroot hozzászólására (») Okt 29, 2007 /
 
Na édes drága bogaram essél neki és csinálj neki egy rendes panelt és ne adapterről járasd mert ha oda tekersz az adapteren neki beszippantja az adaptert.Ami meg nagyon fontos IC-T NEM HUZALOZUNK mert az minen szirszar gerjedéstől kezdve a rádióadásokig mindent összeszed , tessék beültetni a panelbe.
(#) Hroot hozzászólása Okt 30, 2007 /
 
ok köszi
(#) Hroot hozzászólása Okt 30, 2007 /
 
vettem új ic-t betettem a panelra és még mindig csak zúg lemértem az ellenállásokat a kondikat a diódákat mind jó... mi lehet a baj?
(#) Dióda válasza Hroot hozzászólására (») Okt 30, 2007 /
 
Tápegység lessz a baj hidd el nekem.
Ami pedig a panelt illeti nézd át nincs-e zárlat.
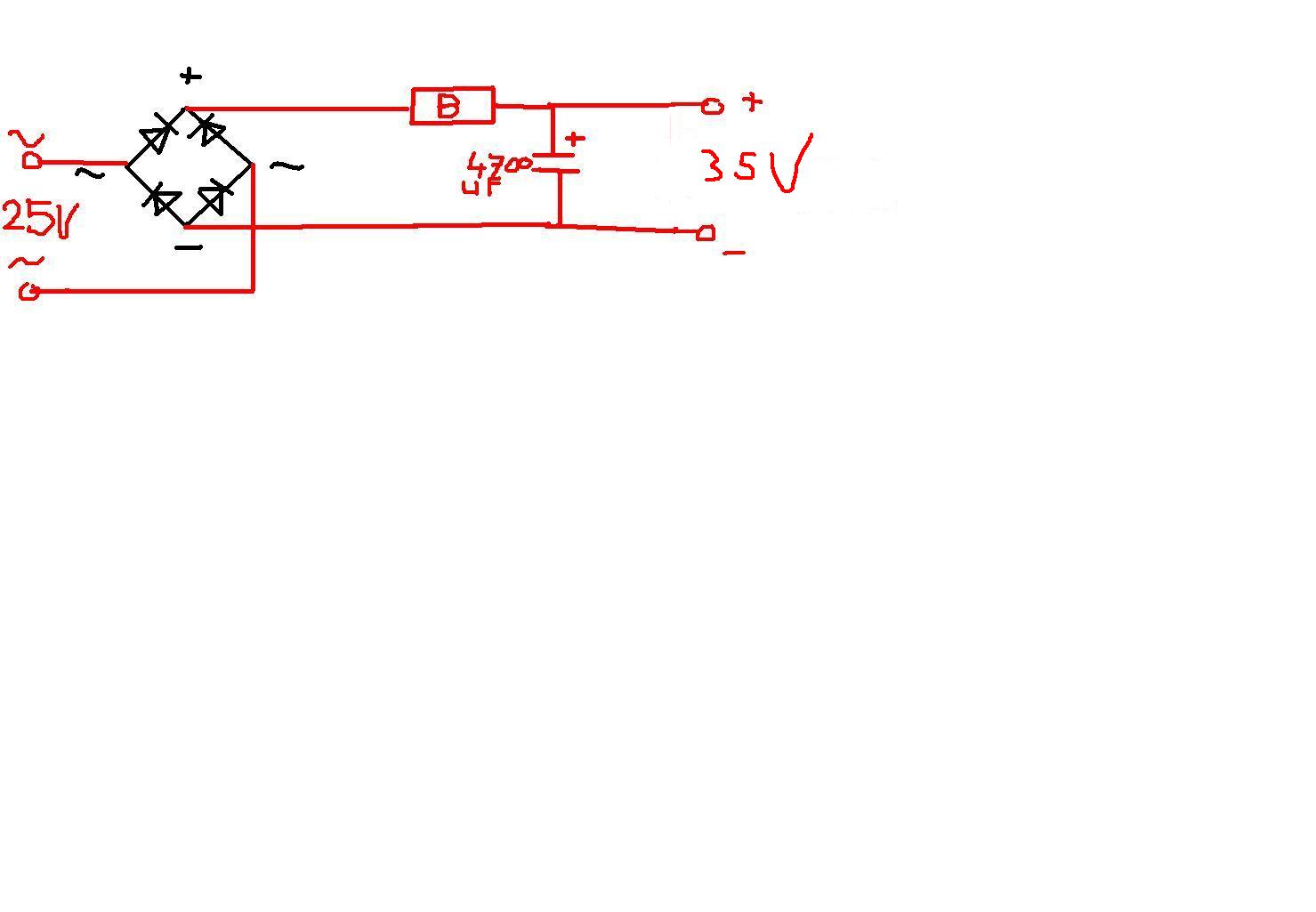
(#) Hroot hozzászólása Okt 31, 2007 /
 
csináltam neki tátegységet (lsd. csatolt képfájl) és semmi ugyan úgy zúg és most + 1 tünet.. bedugtam a gépbe az audió kimenetre és mint a bolond elkezdett sípolni a gép és nem lehetett leállítani nem tom mi leltel

névtelen.JPG
    
(#) Dióda válasza Hroot hozzászólására (») Okt 31, 2007 /
 
Akkor már csak panelprobléma lehet.
Apropó sose dugj rá semmi instabil dolgot a gépre mert könnyen a halálba lehet küldeni a hangkártyát.
(#) Hroot hozzászólása Okt 31, 2007 /
 
áttettem másik panelba és ugyan úgy zúg rámértem a kimenetre:S 14V :no:
(#) idavid válasza Hroot hozzászólására (») Okt 31, 2007 /
 
az közel a tápfesz fele, nem? annak a 14 voltnak szerintem nem kéne ott lennie.
Következő: »»   62 / 274
Bejelentkezés

Belépés

Hirdetés
XDT.hu
Az oldalon sütiket használunk a helyes működéshez. Bővebb információt az adatvédelmi szabályzatban olvashatsz. Megértettem