Fórum témák
» Több friss téma |
Fórum » Programozható kimeneti feszültségű kapcsolóüzemű tápegység
Témaindító: Giants, idő: Feb 16, 2009
Sziasztok, én egy saját fejlesztésen dolgozok. (Egy mindenes fejlesztőpanel.) És ebbe gondolkodom valami egyszerű kapcsolóüzemű analóg módon programozható tápon. (Ezt egy PC fogja vezérelni.) És mivel a stabil tápokat. (+-3,3V, +-5V, +-15V-ot LM2576-osokkal állítom elő, akkor miért ne alkalmaznám ezt az IC-t az állítható tápokhoz is. Csakhogy ő a szabályozást egy, a kimenetről vett visszacsatolással oldja meg, amit egy 1,21V-os referenciához viszonyít. Nos ezt kellene egyszerűen és okosan összehozni a vezérlőből kijövő 0-5V-os analóg jellel. (0V-nál, minimális kim. fesz. 5V-nál pedig mondjuk 25V) Bár ez utóbbit lehet nem fogja tudni, ha 20V a bemeneti fesz. Nekem elsőre egy kis komparátoros kiegészítés jutott eszembe, ami elvégzi ezt a funkciót. Lerajzoltam az ötletem és csatoltam az IC adatlapját, amelynek a 8. és 10. oldalon találjátok a fontosabb rajzokat. (A rajz nem túl szép, de ez csak egy gyors skicc akar lenni.)
SZIA Giants ! ÉN MOST KAPCSOLÓDOK BELE A TÉMÁBA ÉS AZ A PROBLÉMA HOGY AZ ELŐSSZÖR FELRAKOTT CUCCOK NINCSENNEK MEG... PL : ÁBRA 5. ???????
FELTENÉD MÉGEGYSZER HA MEGKÉRLEK AZ EGÉSZET?? ÉN IS PONT EGY ILYEN TÁPOT ÉPÍTENÉK (MÁR SIKERÜLT IS EGY NAGYON GAGYIT DE EZ PROFI LENNE ÉS TANULHATNÉK A DOLOGBÓL..ELŐRE IS KÖSZIKE!
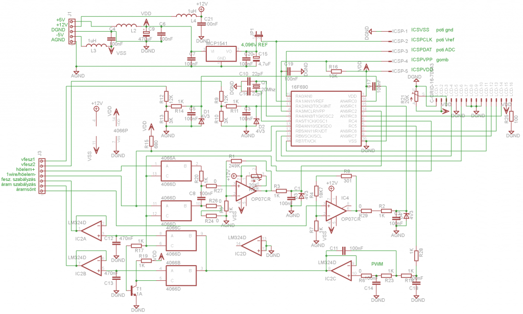
Elkészült a végleges terv, kész van a panel is, most már csak a program befejezése maradt és a zaj csökkentése. Közben beszereztem egy szkópot, sokat segített.
A PWM kimeneten 40mVPP-s zaj van, ezzel kell még szórakoznom, a táp is sokszor begerjed, de mindenfelé kábelek lógnak össze vissza, így nem csoda. Az előző félkész változaton volt pár változtatás, OP07es műv. erősítőt használok, mert jóval kisebb az offsete, 4,096Vos referenciát használok az ADC-hez, TL084 helyett Lm324et, mert a kimenete lemegy 0Vig. Analóg és digitális föld a panelen kívül van közösítve.
Szia!
Pár észrevétel: - A feszültség-mérésnél az osztókat gondold át, nem tudom beleszámítottad-e hogy a PIC A/D-jának impedanciája csupán kOhm nagyságrendű. - Az előbbiből eredően a feszültség-osztókon fog akkora áram folyni hogy bármiféle terhelés ráakasztása nélkül is kifolyó áramot fogsz mérni. - Érdekes hogy a vezérlőjelet (integrált PWM) kapcsolgatod vagy ide-vagy oda. Ennek a gyakorlati működését átgondoltad? Mondjuk valamekkora jelet adsz a feszültség-szabályozás kimenetre. Az áram-szabályozásra ekkor mi kerül? Semmi? Ez olyan mintha egy szimpla egyszerű potis labortápnak vagy a feszültség-állító potiját lehetne csak tekerni, vagy az áramot állítót. A másik pedig mindig le van tekerve. - Mi alapján dönti el a PIC hogy most feszültség vagy áram alapjelet ad-e? Eleve miért ő dönt erről? Ez már tulajdonképpen szabályozásnak minősül és "köztudottan" ilyen nagyon nem szabad mikrovezérlővel művelni. (No meg a kapcsolásodból látszik is hogy ezzel te magad is tisztában vagy.) - De tegyük fel hogy ez rendben van (sajnos nincs). Mi van a tranzienssel, amíg a PIC átkapcsolja a két alsó analóg kapcsolót? Az IC2C integrátornak idő kell míg átáll a kívánt más értékű jelszintre, de az analóg kapcsolók viszont AZONNAL átkapcsol. Ez csúnya dolgokat művel majd... Remélem építő jellegű kritikaként fogadod a gondolataimat. Amúgy én is ilyesmin dolgozom csak az kicsit bonyolultabb. Ha hazaértem írok még pár dolgot...
Jól gondolom hogy lábspórolás végett van ez az alapjel kapcsolgatás? Illetve persze azért mert csak egy PWM modulja van a felhasznált PIC16F690-nek. Olyannyira spóroltál hogy még az ICSP csatit is hadra fogtad. Így sokkal-sokkal nehezebb lesz szerintem a debuggolás. Miért nem választottál inkább egy több lábú típust aminek két PWM modulja van? A vezérlés is sokkal egyszerűbb lenne, csak beírod a CCPRx regiszterbe a kívánt kimenő feszültséghez vagy áramhoz tartozó értéket és kész. Az analóg szabályozókör meg elvégzi a többit.
IC2A és IC2B mi célt szolgál? Csak felesleges offsethibát visznek be. Apropó offsethiba; az dicséretes hogy az alacsonyabb offsetű OP07-et használtál a két mérőkörben, de az alapjel-előállításnál maradt az LM324. Így lehet hogy mérni relatíve pontosabban tudsz, de a minimálisan beállítható feszültség és áram tekintetében lehetnek problémák. Mondjuk a 10 bites PWM felbontással amúgy sem lövünk nyulat, de egy utánaszámolást vagy kipróbálást megérne hogy mekkora lesz az Umin és Imin.
Most olvasom hogy fentebb írtad hogy az IC1A-val és IC1D-vel a célod az OPA offsetének megmérése. Úgy, hogy rövidre zárod az OPA bemeneteit. Mint a PIC-es panelmérő II. műszeremben. De nem értem... hogyan záródik itt rövidre? Ha H szintű a PIC RC4 lába akkor az IC1A és IC1D összekötik a hőelemet az OPA-val, ha L szintre vált a láb akkor pedig olyan mintha leválasztanák a hőelemet. Az OPA bemenete egyszerűen csak kvázi a levegőben lesz, nem pedig rövidre zárva.
És R15 mit csinál? Ha az IC1D vezet akkor gyakorlatilag csak a tápfeszen lóg. Ha IC4D szakít, akkor pedig megemeli a hőelem negatív kivezetését kb a tápfeszre. Végképp nem értem, pedig amit írtál abból az látszik hogy márpedig működik. Nem értem...
Azért nem választottam másik picet, mert volt itthon 2db és el akartam 1-et használni, valamint így nagyobb kihívás
Már az elején mikor összeírtam, hogy hány lábra is lesz szükségem, láttam, hogy ez kevés, ezért is van több funkciója pár lábnak.Láttam, hogy elég nagy az LM324 offsete, de a pontos fesz. beállítást ez nem zavarja, valamint a minimális feszültség pár száz mV a 0V helyett, de ez nekem nem gond. Korábban terveztem a szoftveres offset nullázást, pont a te műszeredből lopva az ötletet, de inkább maradtam ennél a megvalósításnál. Mivel nem csak labortáp lesz hanem még a pákát is rá fogom dugni, ezért kell a 2 4066 kapu az opa előtt azért, hogy lekapcsolva a bemenetét. Így megtudom mérni egy 1wire buszos DS18B20 szenzorral a hőelem hidegpontjának a hőmérsékletét. Ami a pákába lesz beépítve és a hőelem vezetékére kötöm rá, ezért van az R15 is, mert az a felhúzó ellenállás. Most mennem kell dolgozni, holnap a többi kérdésre is válaszolok.
Ja így mindjárt más!
Közben visszaolvastam az előző oldalon írtakat is. Így már tudom hogy nem analóg szabályozókra megy a PWM kimenet.
Az impedanciára figyeltem, ezért is raktam oda a 100nFos kondit.
1,3mA fog folyni max. az osztó miatt, de 10mA-es felbontást tervezek és számomra ennyi még belefér. Opa alapú osztón én is elgondolkodtam, pont a cikked miatt, de nem volt elég hely a nyákon. A tranziensekre nem gondoltam, talán nem lesz gond, de ez majd kiderül ha megmérem, vagy kicsit várakozok az átkapcsolással a pwm beállítása után.
Szia LANDAU,
elvileg fenn van a szerveremen. De megnézem, hogy az elérhetőségét publikáltam-e. Elnézést a megkésett válasz miatt. G
Szia Attila,
kíváncsi lennék mivel indokolod az alábbi kijelentésed "...Ez már tulajdonképpen szabályozásnak minősül és "köztudottan" ilyen nagyon nem szabad mikrovezérlővel művelni. .." De az is lehet, félreértettem a mondatot és nem általában a mikrovezérlővel történő szabályozásra vonatkozik. G
Szia!
Azzal indoklom ami már rengetegszer szóba lett hozva, hogy a mikrovezérlő nem alkalmas arra hogy szabályozást valósítson meg. Azért nem, mert a mintavételezése, a minta (minták) konvertálása, kiértékelése és a döntéshozatal sok időbe telik. Főleg ha közben sok egyéb más dologgal (pl kijelző vezérlése, gombok, tasztatúra vagy enkóder kezelése stb...) is foglalkozni kell. Míg egy analóg, OPA-s szabályozókör nagyságrendekkel gyorsabban tud beavatkozni. Erre gondoltam.
Szia,
mégis jól értettem... A mondatot értem, de a kategorikus megállapítást nem. ".. A mikrovezérlő nem alkalmas arra, hogy szabályozást valósítson meg. .." Ez a kijelentés, ebben a formában egyszerűen nem igaz. A kellemetlen közérzetem abból ered, hogy a hivatkozott indoklásod nincs logikai összefüggésben a mikrovezérlővel megvalósítható szabályozók kérdéskörével. Elfogadnám azt az állítást, hogy a mikrovezérlővel megvalósított szabályozásoknak vannak előnyei és hátrányai. Ezek figyelembevételével célszerű megválasztani a szabályozó felépítését, hogy analó vagy digitális szabályozókört alkalmazunk-e. De ez az állításod elfogadhatatlan és ezer oldalról cáfolható. Napjainkban az alkalmazott ipari szabályozók döntő többsége már nem analóg technológiát tartalmaz. Vajon miért így építik fel ha a kontrollerek nem alkalmasak erre? Aztán rögtön, annak a topiknak a témája amelyben ezt mondod, egy működő szabályozásról szól. Hogy, hogy nem... egy mikrokontrollerrel. Hogy létezik ez ha igaz az állításod? Számtalan releváns érvet tudok még felhozni alkalmazhatósága mellet, de csak néhányat említek. A mintavételezési frekvencia lehet korlátja egy jel feldolgozásnak, de alkalmas technikák felhasználásával ki lehet kerülni ezt a problémát. Példaként említem a prediktív szabályozásokat. Analóg szabályozókkal elég nehéz megvalósítani... A mikrokontrolleres kialakítás viszont éppen a szabályozási algoritmusokból eredően lehetővé teszi a kisebb mintavételi frekvenciát. Egyszerűen annál az oknál fogva, hogy a jelváltozás, annak mértéke és sebessége jól kezelhető statisztikai módszerekkel, speciális algoritmusokkal. Sok olyan helyzet adódik, amikor kifejezetten csak digitális szabályozókkal lehet kézben tartani egy folyamatot. Ennek tipikus példája a többváltozós folyamatok. Arról nem is beszéltünk, hogy léteznek olyan kontrollerek, amelyek még laboratóriumi körülmények között is nagy sebességűnek számítanak. Nem is sorolom tovább... Sokkal elfogadhatóbb egy olyan érvelés, hogy "nekem az OPA a szimpatikusabb.." vagy "ahhoz nem értek, így nem szeretem.." G
Értelek. Amiről beszélsz az valljuk be, messze nem az a szint amiben a kolléga tevékenykedik amivel kapcsolatban a hozzászólásomat írtam. Ez a kapcsolási rajzból is jól látszik.
Ettől függetlenül igazad van, a kifogásolt mondatomat nem szabadott volna összességében mindenféle mikrovezérlős szabályozásra vonatkoztathatóan megfogalmazni. Úgyhogy bocsi a közérzetedért!
Köszönöm, máris jobban vagyok. Megtisztelő, hogy figyelembe veszed a közérzetemet.
Sziasztok!
Meg vannak még valakinek a cikk elején lévő pdf doksik, mert az én lementésem eltűnt, és most pont szükségem lenne rá. Légyszi, ha valakinek megvan, küldje el nekem. Előre is köszi!
üdv mindenkinek.
Keresek egy olyan embert aki tudna nekem építeni egy olyan boxot amely egy bemenő jelhez tetszőleges feszültséget kapcsol. A konkrét terv egy versenyautóban szeretném a légtömegmérőt felváltani map szenzorral vagy más típusú légtömegmérővel. Ha valakinek van kedve,ideje,háttere és persze tudása hozzá kérem írjon a guseppetd@gmail.com-ra. Köszönettel Attila.
Hello!
A PIC vagy AVR-es topikban írj. A jelet lehet AD-va átalakítani, és DA-val (PWM-el)vissza. Az összefüggést pedig programba vagy táblázatba tenni. De a be és kimenőfeszültség nagyságát, pontossági igényedet illik megírni.. (Email címet soha ne írj ide! Ot van az adatlapodon) üdv! proli007 A hozzászólás módosítva: Dec 26, 2012
Fiúk! Csinált-e már valaki ilyent? Nekem az az érzésem, az idő elgázolt bennünket, ilyeneket
kellene készíteni...
Na én is éppen ilyennek álltam neki a múltkor, de úgy látom nem kell annyit görcsölnöm. Ez a táp már nekem is kezd tetszeni
Ennél már csak az lenne jobb, ha eagle-ben is meglenne
Semmi gond az idővel. Ez a tápegység alapjait tekintve ugyanúgy működik, mint a többi áteresztőtranzisztoros tápegység. Annyi az újítás benne, hogy az olcsó potencióméterek helyett drágább digitális áramkörökkel történik a feszültség és az áram beállítása. Szerintem akkor inkább egy jó minőségű digitális mérőműszert a kimenetre.
Amúgy az az újság 12 éves. ![]() Még valami. Szerintem óriási hiányossága a kapcsolásnak, hogy az PIC-ket, LCD-t beállításra használja és nem méri a kimeneti paramétereket. A hozzászólás módosítva: Jan 15, 2013
További hiányosságai:
Idézet: „...nem méri a kimeneti paramétereket...” - A feladatra tökéletesen alkalmatlan, isszonyúan drága kontrollert alkalmaz, nincs benne A/D, UART, PWM stb (840Ft + Áfa). Ha most állnék neki egy 18F2423 (12 bit A/D, UART, PWM, stb) nem terveznék, ha a költségek nem engednék meg, akkor egy 16F1827 - 16F1847 -tel (380+Áfa) is megoldható lenne a feladat. - A PC -től nincs meg a galvanikus leválasztás. Beépíthető lenne a MAX232A és a PIC között, ekkor a MAX232 -ot egy leválasztós DC/DC konverterről kellene járatni. - A mai gépeken nincs is soros port. Egy USB - Uart konverter is kellene alkalmazni. Mondjuk egy 16F1455-tel felépítve. A 16F1455 járhatna az USB tápról, közte és a 18F2423 között optocsatolókkal megoldható a leválasztás. Szóval e terv felett is eljárt már az idő...
Nem én vagyok itt a nagy megmondóember, de ez pont az a fajta táp, amiről lebeszélnék mindenkit. Erősen marketing íze van ennek a cikknek, és vigasztal, hogy a németeknél is úgy hülyítik a népet, ahogyan itt próbálják.
Abszolut egyetértek. Ebben a tápban legalábbis a táprészben nincs semmi digitális, az abszolút analóg. Csak a két beállító potméter, és a két, feszültség, és árammérő műszer van helyettesítve egy "kényelmes" mikrovezérlővel. A soros csatlakozásnak meg amúgy sem sok értelme van hobbi szinten, nem gondolom, hogy otthoni körülmények között szükség lenne számítógép vezérelt mérőrendszerre. Amúgy is csak a beállított érték van kijelezve, aminél jobb a kimeneteken a tényleges mérőműszer, és a táp jóságát, stabilitását, védelmét sem a mikrovezérlő befolyásolja.
Véleményem szerint (ez)a processzor befolyásolja a táp "jóságát" és stabilitását, sajnos negatív irányban. Pláne, hogy az órajel 4MHz a lehetséges 20 helyett, na nem mintha sokat számítana. Analóg rendszerrel jobb táp lenne ebből. Na nem ilyen látványos!
A hozzászólás módosítva: Jan 16, 2013
Miért is befolyásolja a stabilitást a processzor sebessége?
Helló fiúk!
Elnézést kérek! Ez nem kapcsolóüzemű tápegység, csak tévedésből lett ide felrakva!
Ez viszont az, és programozható is. Nekem mondjuk nem nagyon tetszik, de haverom használja egy ideje és meg van vele elégedve.
A hozzászólás módosítva: Jan 19, 2013
Helló! Én is ugyanezt mondom, de annyit azért mindenesetre megér.(50$)
Fogalmazhatnánk inkább úgy, hogy akinek erre van szüksége, annak ennyiért megéri.
Sajnos mérsékelten sok (kevés) dologra használható egy állítható kapcsolóüzemű táp kimenete közvetlenül... |
Bejelentkezés
Hirdetés |





DE EZ PROFI LENNE ÉS TANULHATNÉK A DOLOGBÓL..
Már az elején mikor összeírtam, hogy hány lábra is lesz szükségem, láttam, hogy ez kevés, ezért is van több funkciója pár lábnak.




