Fórum témák
» Több friss téma |
Fórum » TV hiba, mi a megoldás?
Azonkivül 1 lépés atáp ellenörzése a szekunder oldalon
2 a fütöfeszültség ellenörzése a képcsőnyaknál .....lehet a fütököri áramkorlátozó ellenállás is bár nem jellemző. ......lehet g2 fesz....1 dioda +1 kondi ......lehet a képcső emissziogyengesége...ilyenkor még lehet megfüteni a képcsövet de nem fogja sokáig birni ......lehet még gyorsitófesz hiba../kevés/..nagyfesz egyenirányitó.
Üdv mindenkinek!
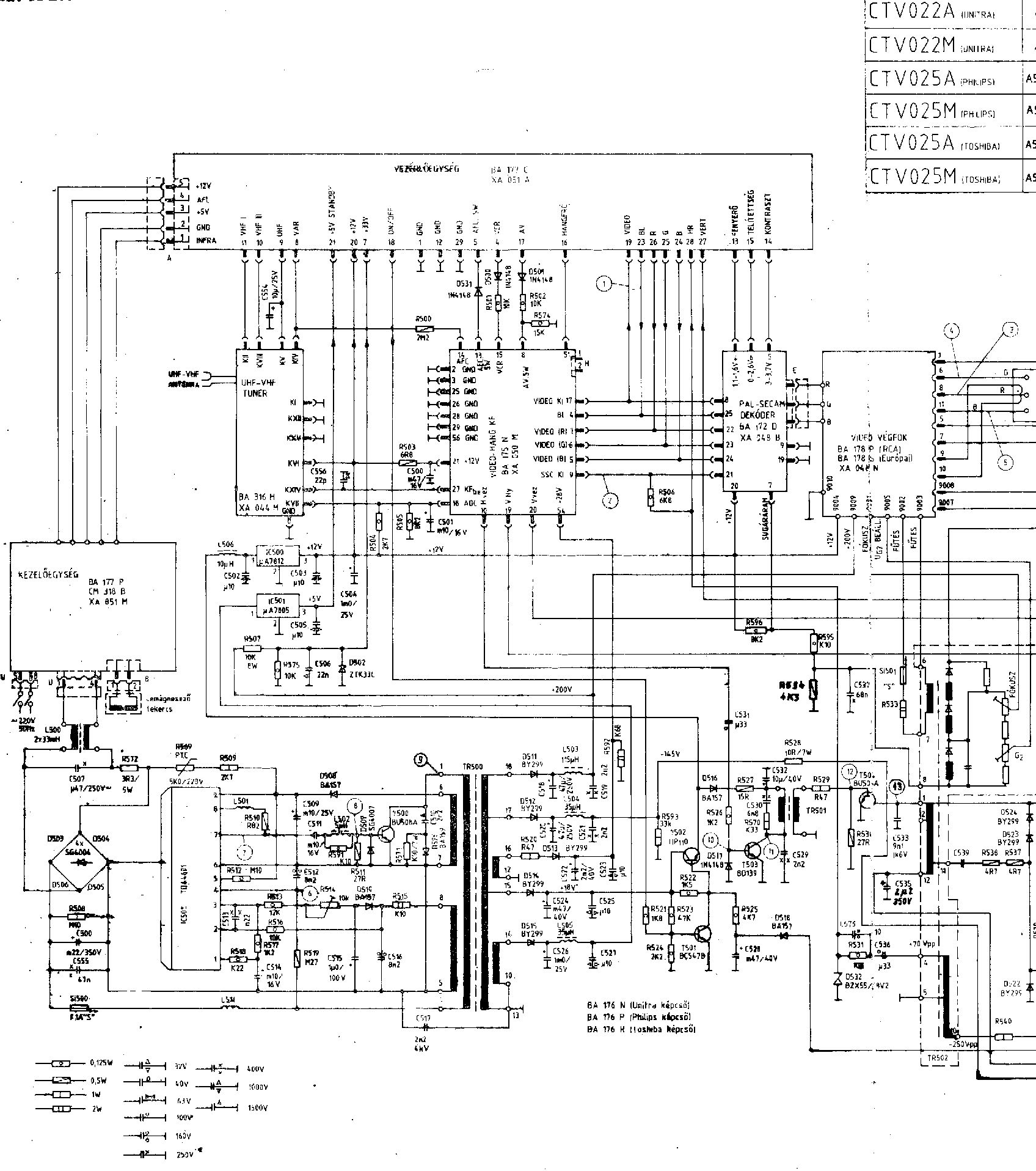
Ha valaki látogatja ezt a témát... Segítséget szeretnék kérni. Orion CTV 1225-ösrôl lenne szó. Egy viharkor készenléti állapotban volt és valahova a közelbe villám csapott ve, emiatt a hálózatban lett egy kis túlfesz és elszállt a TV, se kép se hang. (Nem vagyok gyakorlott TV-szerelô, de az egyik szakmám ez.) Visszakerestem e témában és találtam egy-két segítséget, javult a helyzet, de még nem az igazi... Röviden: TDA 4601 a tápban kicserélve, primeroldali elkók kicserélve, egy BY dióda (a mellékelt ? innen vett ? rajzrészleten D511) zárlatos volt, kicserélve. Készenlétibe bekapcsol, távirányítóra nem reagál, ha a frontoldali bekapcsológombot nyomva tartom elindul, de a hangszóró pruttyogó-berregô hangot hallat, nagyfesz van, kép van, de tejfehér, ha az antennát bedugom semmi különbség. Ha a gombot elengedem, visszakapcsol készenlétibe. Próbáltam az R528 biztosíték-ellenállás helyett 100W-os izzót, ugyanaz a jelenség, izzó világít... Ha valaki elküldene egy teljes kapcs. rajzot nekem, ami jobb minôség? a csatoltnál, azt megköszönném. logosz74@gmail.com És ha esetleg valakinek volt hasonló tapasztalata, mit érdemes még megnéznem? Köszönöm! A hál. trafó szekunder körében a BY diódákon mértem a feszültségeket, úgy tünik megvannak, bár a D513 után 23V-ot mértem, az a video-hang modulba megy és mintha a rajzon ott 28V lenne írva... Köszi a választ! Logosz
ohh
nemhiaba volt furcsa, en eggy cuc rajzot kertem pcvsat -tol ami meg nem erkezett meg !
Ok neharagudj csak nem értettem igazán a dolgot mert ezt nem én irtam:
"Lehet kicsket balfek vagyok,de nem tudom megnyittani!! Megkerlek konvertald at PDFbe!" nem akartalak feltartani de a #135490-böl ez nem derült ki. :taps: :nezze: Üdv: kocici17
hello mindenki
van két tv-m az egyik villámcsapott teljesen kuka mit nézzek elösször rajta a bizti jó. a másik néha kikapcsol, de elótte rózsaszinü és csikos lessz a kép és nagy fényerő. ha a képcső végén levő panelt mozgatom akkor ujra jó, van mikor több napig is. kösz a válaszokat
1. az egész táp primer oldala és akkor olcson usztad meg
2. ha nem usztad meg akkor tv függö de azt nem tudom milyen tv??????
szerintem a primer oldal jó méregettem és a fő panelig elmegy a feszkó
a tipus ELEKTA MODEL:CTR-21T30EMK köszi a gyors választ
Akkor a következö lépés hogy megy-e a táptranyó...majd jó- e a táp primet oldali zeener diodája /azt igen szereti tönkretenni a tipus/ és ha ezután van standby akkor meg a táp de ez nem azt jelenti hogy jo a sorvég.
a másiknál nézd meg hogy miért kontakthibás a képcsö áramkör. és vizsgáld át az összes forrasztást a panelon mert sok "kirohadt"forrasztás fordul elö. /kirohadt forrasztás= olyan forrasztás ahol elengedett a gyári forrasztás a forrasztási technologia /nem volt tiszta az alkatrész lába a forrasztásnál/ hibájábol és azokat a forrasztásokat komolyan forraszd át.. tuti sok KH van benne.
köszi holnap megnézem.
a panelhibás tv-rol annyit, hogy régen ez a panel ketté volt törve ugyrakosgattam össze, de évekig jó volt. már nagyitóval nézegettem próbáltam átvilágitani de ezidáig nem találtam hibát de holnap ezt is megnézem. kösz mindent!!! Idézet: „másik néha kikapcsol, de elótte rózsaszinü és csikos lessz a kép és nagy fényerő.” Ezzel vigyázz nagyon!! A nagy fényerő oka,hogy megszakad a 200 V. Ez azért veszélyes mert a képcsövet teljesen kinyitja ami borzasztó nagy sugáráramot okoz (azért is kapcsol ki mert a tápot túlterheli). Ennek rövid időn belül az eredménye a képcső halála lesz . Javaslom minél hamarabb forrasztd meg. Ellenőrzést meg úgy célszerű, hogy megszakítod a fűtés körét (a soros ellenállást kiforrasztod) és elindítod a kasztnit. Mivel fűtés nem lesz nem kínozod a képcsövet. A katódokon 90-120 V között kell mérned, ez képtartalommal változik. Ha valamelyiken 20-50 V körül mérsz még keresni kell a hibát.
Sziasztok! Van egy régi kb.86-os kiadású fekete-fehér Orion tv-m. A hibajelenség: képernyő felső felén vízszintesen van egy világos csík, ahol kicsit összehúzza a képet. Néhe, ha világosabb "kép" jön ingadozik a hangerősség. Szerintetek hol keressem a hibát? Válaszokat előre is köszönöm! :no:
Hali! Pontosan nem tudom melyik a típu szám... Ezeket találtam a hátulján:ORION TÁTRA 86025125 AT3061 ITJ 44-52-1 Küldök pár képet a hibajelenségről. Köszi a válaszokat.
hello
nem találom a hibát valami kontakt az biztos lehet hogy feladom pedig mértem, átvilágitottam, nagyitoval néztem de passz
Hali !
A képek alapján szerintem kevés a tápja ! Ami 99,5% azért van mert terheli a sorkimenő trafó nagyfesz tekercse (menetzárlat). Ha sokáig így nézed el fog szállni a tápja !!! Nem érdemes vele küzdeni mert már nem gyártanak jó minőségű nagyfesz tekercset sajna. hát ez nem hangzik valami jól. Tuti, hogy a sorkimenő nagyfesz tekercsében van a zárlat? Korábban olvastam "hasonló" hibáknál, hogy kondi kapacitásokkal voltak gondok... szerinted?
Szerintem ne csak nézd hanem foraszd is át mindet.
Szia ha alkatrészen mulik ne ad fel nekem vannak komplett tv-k megvannak de én bontásra itélem szoval szolj ha kell valami.
Szia!Szerintem is helytálló Vatti állítása.Sorkimenő nagyfesz tekercs zárlatos.Erről ugy tudsz megbizonyosodni,hogy leveszed a trafóról a nagyfesztekercset majd összeszereled ahogy volt.Vigyázz mert a két fél vasmag között légrértartó szigetelő is van.Ha így bekapcsolod a tv-t akkor a hangerő állandósul, és valszeg a tápfesz is.Ekkor tuti a tekercs a hunyó.Ha hozzá tudsz jutni ingyen orion tipus akármelyik jó bele ebben a kategóriában, érdemes kicserélni.Persze kihúzott dugóval és nem tapizni az alaplapot képcső nagyfesz is még sokáig megtartja a feszültséget.Csak óvatosan.!!!!!!!!!!
Egyértelmüen kevés a táp.
Elsödledesen nagyfesztekercs lehet, mert megfogja a sorkimenöt és halálra terheli a tápot. Ha megemeled ennek ellenére a tápot és mégis nagyf.tekercs akkor hamarabb megy telyesen tönkre. sajna ez van.
Hali!Nekem egy SHARP 70GS-62S tv-vel gyűlt meg a bajom valaki javított már ilyen készüléket?Nem megy a táp nem tudom mi lehet vele az a baj,hogy a fele smd a panelon és nem igen hasonlít a többi tv tápjához!
Hali! Köszönöm mindenkinek a válaszokat. Van egy másik orion tv-m, igaz más típus (Uránusz), 4 éve lett kivonva a forgalomból... szerintetek, ha átraknám a nagyfesz tekercset...? Az az igazság, hogy az elektronikában van gyakorlatom, de még tv-t nem nagyon javítottam, csak kisebb hibákat...
Jó esélyed van arra hogy müködni fog ha jo a malomkerék.
Álltalában univerzális malmot használtak ezekbe a tipusokba.
OK, a napokban nekiugrok.(most megyek melózni éjszakára) Kicsit pihentetem had merüljön a kicsike. Remélem a malomkerék nincs "kiszáradva". Majd írok a fejleményekről...
Ha megegyezik a két sorkimenő inkább kompletten rakd át, mert egyszerűbb is és ha nem jól rakod össze sípolni fog 1000-el. Ja és a nagyfesztekercs alatt van egy kistekercs ami könnyű leszakítani de azt le kell választani a nagy fesz tekercsről, és ha már jól összemelegedtek akkor tuti, hogy a vasmagról sem fog lejönni. Ha nem vagy benne biztos fotózd le mind a két rafót és megnézzük. A trafó csere előtt a képcsövet nem árt KISÜTNI !!!!!!
Jó munkát hali.
OK. Holnap reggel ha hazaértem lefotózom őket... A képcsövet hogyan lehet kisütni? Előre is köszi! Üdv.
A hálozatbol való kihuzás után hátlap le,
1 kettösszigetelt mérőzsinort elöbb a képszö árnyékolását, ill,földelését,stb, végzö árnyékolásra ráköt, /ez = a gnd-vel/ majd a szigelelést fogva a mérötüskét a nagyfesz klipsz müanyagja alá dugva rövidrezárni 2x3x a nagyfeszklipszet. utánna szerelhetsz. Ekkor a képcsö kölsö grafit bevonata és a belsö bevonat között lévö töltések kisütik egymást. Rossz közelitéssel mint 1 kondenzátor viselkedik. Ezt mindig meg kell ismételni ha 2 szerelés között bekapcsolod a tv-t. Nagyon meggondoltan és nagy odafigyeléssel végezd.
Sziasztok!Nekiestem egy Videoton TS 6357-nek.A következő hibát produkálja, hol jó hol nem jó.Ha nem mükszik akkor a készenlét se áll fel.Különben üzemel.Proci jó ,szinkronproci 8-as láb 8 v 4-esen 3* indít 7v.akkor is ha nem áll fel a készenlét.Condik, tranzisztorok diódák,forrasztások átnézve de ua.Egyszer csak észrevettem ,ha megemelem az alaplapot bekapcsoláskor akkor indít és fell áll a készenlét forrasztások újból átnéz táptrafo sorki átforrasztva, de ua. sehogy sem találom szerintem kontakthiba.Nyákszakadást nem látni forszem felszakadást sem.Asszem ennél a tipúsnál a procinak, szinkronprocinak, főtápnak ,sorkinek is müködni kell, úgy áll fel a készenlét.Ha van valakinek valamilyen ötlete kérem írja le. Köszike.
Hali! Lefotóztam a két tápot. Szerintem megegyeznek. Minden esetre nekiugrok aztán majd meglátjuk... üdv. mindenkinek!
|
Bejelentkezés
Hirdetés |





pcvsat -tol ami meg nem erkezett meg !
:taps: :nezze:




hát ez nem hangzik valami jól. Tuti, hogy a sorkimenő nagyfesz tekercsében van a zárlat? Korábban olvastam "hasonló" hibáknál, hogy kondi kapacitásokkal voltak gondok... szerinted?


