Fórum témák
» Több friss téma |
Fórum » Labortápegység készítése
A lágy indítót még szedd ki, légy szíves. Terheléssel és terhelés nélkül AC fesz. Csak a híd kondi.
indito nelkul terhelve ac 64.4V,dc 29.5V
terheletlenul ac 73v dc 30v
A lágy indító is tesz rá valamit, mert 64V még nem volt, és 29,5V se.
Erre nem tudok mit mondani. Indító nélkül vissza a panelra. U1,2,3 még nem kell. Ismét mérés, de most csak a hidat használd váltó mérésre ( esetleg tegyél 2,5K……..4K ellenállást, a+/- közé ) egyen, feszmérésbe nézd. Ha eltér a kettő mérés ( a híd magasabb akkor írd le az értéket „H” után ) DC/DC”H” C1, C3, D7 értékekre vagyok kíváncsi. C1: 29….31V, C3: 8……14V, D7: 5…6Vközött, de a jó 5,6V . A DC”H” mindenhol kicsire várom kb.: 1….5V. Ha továbbra is, a 70V környékén mérsz, valami nagyon nem jó. Ha a hálózatból kapod? Nem lehet, mert az trafó áttételét számolom 230/23=10 szeres és a 70V visszaszorzom, az 700V lesz. A 230V –ra nem hiszem hogy a áram szolgáltató 700V tüskéket rátesz. Esetleg a Solti nagy adó közelébe laksz? És a műszer összeszedi? Nem tudom.
asszem nincs a kozelben nagy ado(pilisbe).viszont most kicsit elvesztettem a fonalat.
egyeniranyitora kossem a tappanelt es az egyen iranyiton merjek ac,dc-t?mi ez a "h"? utana a panelon c1,c3,d7-et merjem ac,dc?
Amiért erőltetem a C1, C3 váltó mérését rajz A,B Ha kicsi a C1 kondi a táp kimenete lüktető lesz max feszültségnél és áramnál (24V/2A) ha kicsi a C3 lüktet a viszonyítási pontot veszíti el a kapcsolás.
A 70V AC –nél erre gondolok rajz C,D itt ha a félvezető max60V bír átüthet. U1,2,3 csak 36V utána tönkre megy. A hídmérést így értettem rajz E műszer elé teszed a dióda hidat, a műszer egyen feszmérésbe. Reggel jutott eszembe ha a trafó 230V voltos tekercse, és a 23V összeér elképzelhető a 70V. Mindig ugyan úgy dugtad be a 230V csatlakózót a méréseknél? (fázis mindig a trafó kezdetére ment. Vagy fázis egyszer a trafó kezdetére máskor a trafó végére ment ) Ha csak egy irányba mértél, fordicsd meg a 230V csatlakózót és lehet hogy 160V is tudsz mérni. VTGYÁZZ az márt kellemetlen. Nézd meg a trafót. csak az legyen bekötve AC mérés a 230V és a 23V tekercsek között. Majd húzd ki és ohmmérés ( ohm mérésbe nem bízok annyira, mert kicsi a mérő áram 1-10uA ) rajz F
A rajz jó. Valami nincs bekötve/nem oda van kötve (vagy nem talajhoz képest mérsz) ahogy a rajz mutatja. 24V váltó beadása esetében C1-en nem lehet(ne) nagyobb DC mint 36...38V, váltó terheletlenül nulla, terhelve C1 és a terhelés függvényében max pár V. C3-mal ugyanez a helyzet, váltó terheletlenül nem lehet rajta, DC magasabb mint C1-en a feszkétszerezés miatt. Ha bármelyik kondin igazi 70V körüli váltó lenne, akkor már rég elrepült volna...
Sajnos a saját hibánkat nehéz megtalálni, mert mindig átsiklunk rajta...
a rajz szerint let osszeallitva es igy mertem
C1 ac 63V, dc 29V C3 ac 0V, dc 0.5V d7 ac 0V, dc 0.6V ugy emlekszem hogy mindig ugyanugy dugtam be a csatlakozot. trafo semelyik kivezetese(primer sekunder kozott) nem mert ellenalst a muszer
A C3 mért értékek nem jók. Amit korábban írtam D5 trafó 1 pont. De előbb.
Ha nem veszed kötekedésnek, akkor a híd kondi vissza trafóra, ( a panelt ne legyen benn ) és újra meg kellene találni a ~73V-ot. És a trafó 230V csatlakozót, meg fordítani. Úgy mit mérsz? Esetleg a kijelző 23V ugyan olyan tekercs? Ha igen, arra szereld át, a hidat kondit, és ott is tudod mérni a 73V-ot?
Ahogy írtam fentebb, a negatív táp így is jó! Amit Te csatoltál, azok is jók, tehát az elvi rajzban nincs hiba (én is használom ezt a feszkétszerező kapcsolást).
Az a gyanúm, h inkább vmi nincs összekötve, mert a kondik ekkora váltónál már rég felrobbantak volna! Biztosan nem a kondi két kivezetésén lett mérve, hanem a talaj-fólia és a C1+ ill C3- között. Én szakadásvizsgálóval végigfütyültetném a graetz negatív-C1mínusz-C3plusz-talaj mérőpont (amihez képest most méve volt) összekötéseket, h megvannak-e? Csodák nincsenek, mennie kell...
Ezekről a kétszerezőkről nem sokat tudok, mert nem használóm. Ha valamihez kell, márt, úgy tekerem a trafót, ( +1 tekercs ) hogy nem kell kétszerező.
De akkor elfogadom. Hogy így is, jó. Az egész úgy kezdődött hogy a D7 diódán nagy volt a feszültség elvileg 5,6V nak kellene lennie 9V mért rajta ekkor kérdeztem rá a C3 kondira ahol DC: 9…12V ami még jó mert a soros ellenállás meg fogja. De a AC: 15….19V, honnan van. És valahol itt kérdeztem meg a C1 AC ami 73V. ami számomra érthetetlen. Ha azt veszem hogy +/-30V ami a kétszerező miatt lehetséges, még rá van ültetve egy 13….14V váltó feszültség Olyan mint a rádióba az AM és hogy honnan kapja ezt a 73V vivőt azt nem tudom.
az oldalrol toltottem le a nyakrjzot is ami alapjan megcsinaltam es mondom hogy mukodott a panel tobb heten keresztul es utana torten valami ami miatt tonkre ment.de szemmel lathato serules nincs (nem szakadtmeg a folia sehol alkatreszeken nem latszik semmi)
a kondi feszultsegeket a kondilabakon mertem a panelon. illetve amikor egy sima egyeniranyitott tettem a trafora es erre kapcsoltam egy kondit(4700u/63V) akkor a labain mertem a ac 60-70V-kat. csak holnap tudok vele ujra babralni addig filozok hatha eszembe jut valami.
Sziasztok!
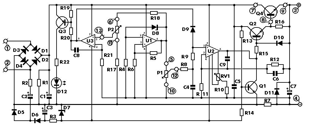
Ha valaki megépítette az Urbán-féle (Attila86 által utánérzett ) tápot, egy kis segítséget kérnék. Nálam előfordul, hogy egyik led sem világít és kimegy a teljes táp a kimenetre, bárhol áll a fesz.állító poti. Ha megtekergetem, beáll a kimeneti fesz és a led-ek megfelelően világítanak. Köszi Lala
Vagy gerjed a táp, vagy KH-s a poti. Egy szkópolás nem ártana....
Szia!
Ha az áramhatár potit tekerem meg, akkor is beáll a táp. Nem kh-s a poti. Most mérem, hogy a TL431 csak 5.33 v-ot ad le, 6.8 v helyett. Ez mitől lehet? Az ellenállatok a rajzon feltüntetett értékűek. Miután tekerek a poti(ko)n, beáll 6.5 V-ra. Forrasztások jók.
Szia!
Most mértem, érdekes, a c11-en 12.55 v, a 470 ohm másik sarkán 6.35 v van. De így is van, hogy bekapcsolás után a lenti jelenség tapasztalható. De tegnap még 5.33 v-ot mértem, az biztos. Az rc4136 gerjedne vagy valamelyik stabkocka?
levettem a tapot a traforol es visszaraktam ra a hidat meg a kondit(4700u/63V).
az hogy hogyan dugom be a konektorba tok mindegy mindig ugyanazt az erteket merem. elso bekapcs utan ac 66V-tol novekszik a fesz egeszen 74V ig.mindket leagazason probaltam ugyan az az eredmeny.(indito nincs bent)
Sia ! Én is megépítettem egy hasonló tápot a Hobbyelektronika folyóíratból ,és működik. A bizonyos ellenáláson 14v -nak kellene lennie ,mert nekem is problémát okozott a kimenő fesz és áram beállításánál . én úgy oldottam meg ,hogy az osztó elllenállás 1.5K -t kiváltottam idéglenesen egy 2.2k-s potira és beállítotam a referencia 6.8v-ot . A ref-nek stabilnak kell lennie minden esetben fügetlenül a kimeneti fesz vagy áramtól . Szerintem a TL431 a ludas .
Sziasztok !
Hosszas keregélés után végül az alábbi tápegységet készítettem. Asztalon már működik, még dobozolnom kell, a nyáktervel biztos nem nyerek gálát de még elég kezdő vagyok a dologban. Egy kérdésem lenne a hozzáértőkhöz : az RV1-es potit hogyan kell normálisan beszabályozni ?
Szia!
Én is ezt a tápot építettem meg, mert ez az Urbán féle táp. Holnap kipróbálom, amit írtál, de köszi. És a tl431 csere segíthet? Hál.istennek, van itthon belőle. Működni nekem is működik, de néha, (5-ből 1?) nem jön be a két ledből 1 sem. Utána már jó (vagy újra ki-be kapcsolás a trafón.)
Köszönöm a mérést. Nem ezt vártam. Amit vártam, hogy a 73V a másik tekercsre, nem megy át.
Másik műszerrel tudnál mérni? Most már látom, ez a műszer, erre a mérésre nem alkalmas. De azt mérés nélkül, nem merem kijelenteni, hogy ha mindent beraksz, működni fog.
sajnos nincs masik muszerem csak ezzel tudok merni.
azert koszi a segitseget.
Üdv Urak !
vkinek nincs esetleg TR9158-as tápja ? A belsejére lennék kíváncsi ( hűtés, elrendezés, stb.). Köszönet !
Szia!
Ha ez itt nem a te hozzászólásod, akkor itt érdeklődhetsz az úriembernél a tápegység ügyében mert azt írja, hogy neki megvan a kapcsolási rajza. Pl az e-mail címén. Feltéve, ha "FOK-GYEM TR9158" erről van szó. üdv.: Zoli
Sziasztok!
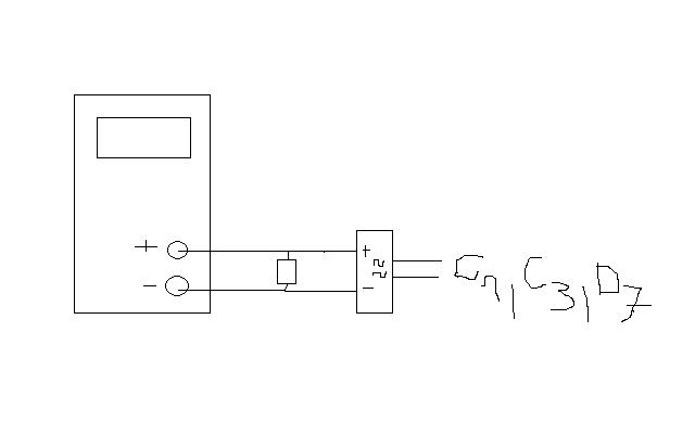
ujra megcsinaltam a labortapot most mar szerencsere mukodik is viszont nem kovetnem el ugyan azt a hibat megegyszer ezert lenne par kerdesem. A csatolt kepeken levo amper es feszmerot szeretnem a labortap kimenetere kotni. Az ampermeronek teljesen kulon tapja van(kulon trafoval es panellal) ebben az esetben is a negativ agba kell kotni a sont ellenallast? A feszmero egy sajat leagazasrol kapja az AC-t(+sajat tap panel) de ugyan arrol a traforol ahonnan a labortap kapja(ugytudom ezzel nincs gond).Igy rakothetem a feszmerot a tap kimenetere?
Ezt a feszmérőt NE építsd meg, mert nem jó!
Vedd a 7107-es IC adatlapján a minta kapcsolást, és azt építsd meg, az működik, vagy az Attila86 által a labortápjában lévőt, mert ezek működnek.
szia
mar megepitettem es nekem mukodott akkor ez most hogy van?
Sziasztok!
Idokozben elkeszult a labortapegysegem(meg dobozolni kell).Itt van nehany kep rola.A feszultsegmero az oldalon talaljato Topi fele leirasbol lett epitve amirol tobben azt mondtak hogy rossz es nem mukodik de a kepeken latszik hogy tokeletesen megy. Üdv.Marci
Szia
Arra tudod a választ, hogy a korábbi, mért nem ment? Vagy cseréltél mindent, és nem foglalkoztál a kiszedettel? Hadd tanuljak, melyik a hibás alkatrész. Örülök, hogy siker élményed is, lett. üdv. |
Bejelentkezés
Hirdetés |




















