Fórum témák
» Több friss téma |
Fórum » TV hiba, mi a megoldás?
Azt furcsállom hogy csak 10p után jönnek most már a piros foltok-pöttyök.
Esetleg a sus panelon vagy egy potméter. Nem tudom hogy pontosan mi az , de nem csak azt kéne beállítanom panel javítás miatt?
Készítettem képeket bemelegedés után 200V os beállítással.
Iszonyatosan be van égve a kijelző.
Telyes fényerő, lehetőleg fehér háttér. és 10 percig járasd. be kéne menni szervíz menübe az egyensúlyt beállítani, és kalibrálni. Ma nem voltam itthon , de holnap reggel leírom a belépés és a beállítás menetét, addíg hagyd békén pihenni. Jó ötlet volt a fotó sokat segített, igy már látom , hogy merre gondolkodjak. Az lg-nek van beállító ábrája a menüben, de majd holnapra összeállítom . A hozzászólás módosítva: Feb 14, 2013
Sajnos nem fogsz tudni belépni, mert szerviz távirányító és/vagy számítógép kell hozzá. Megnézem, hogy az eeprom tartalmat megtalálom-e valahol, mert akkor legalább azt defaultra lehetne írni.
Szerviz távirányítóm sajna csak Samsunghoz van.
De ha beégés, beállítás probléma van akkor hogy hogy nem jelentkezik bekapcsolásnál a hiba?
Szia bubuc.
Na megrágtam a látottakat, és a következőre jutottam ami ezt okozhatja. A tápról nem beszélek, mert tudjuk, hogy jó, tehát a kártyákon vacakolunk. Ha kizártnak tekintjük az Y-sus-t, akkor a következők lehetnek. Meg kell nézni, hogy az x ről a bufferre érkező tápkábelen, a 70-v ott van -e. Mindkét bufferen, mert egymásból kapják a tápokat, és a logik is a bufferől kap tápot. /5v, és a 70v ot végigkövetni./ A kondikra nagyon figyelni, mert ez táp "bufferelési " táp hiba. Azt is ellenőrizni kell, hogy a cof-ok ra el jut e a 70 v, mert az itt valamiért piszkosúl hiányzik. A buffereken van a 70v-nak az elkói ellenőrizd. /egyenként egy tuti elkóval próbáld le. piszkos nehéz ezt így távirányítani. Egyenlőre. A beégés még nem is annyira izgat, mert ha normális lesz a meghajtás, akkor nem fog gondot okozni. Ez valóban inkább "táp" és most nem a tápegységre gondoltam hiba. Ehhez tartozik a 200-v, a 70v- az 5v, 12v. Van egy felirat a z Y sus potméterénél, ird már ide. Még ami lehet az az Y-sus-on lévő segédtáp, /az állítja elő a 70v-ot/. Mindenképpen kövesd végig a buiffer kártyákon a 70v-ot egészen a cof-ig. A hozzászólás módosítva: Feb 15, 2013
Valamelyik nyomorúlt félvezető, vagy kondi szivat minket, és ezt levelezve nem egyszerü. mert az egész jelkezelés nem egyszerű dolog. /nem kimondott távjavítási téma/
A hozzászólás módosítva: Feb 15, 2013
Hello, a sorvég kollektorán kb 12V van, a sasszi szám a képernyőn van? Egyik gombbal se kapcsol be, a primer oldalon lévő 400V-os kondenzátor nem sül ki (ez normális?)
Hát az y-sus panelen van egy zavaró cicergés.
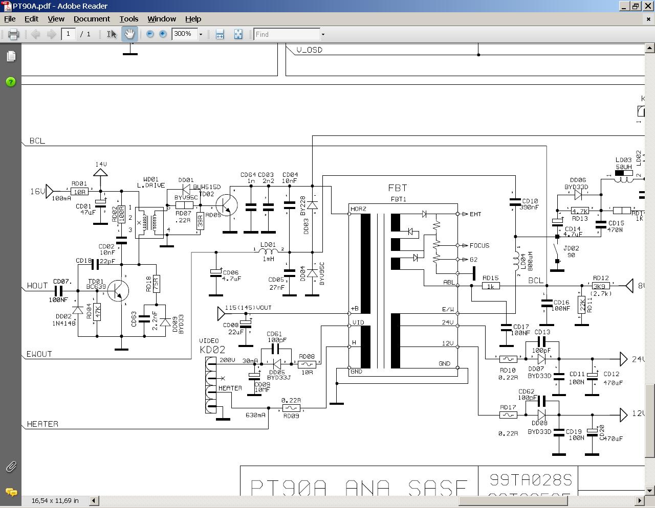
Csak itt kell lennie ennek a fránya hibának. Hisz hibátlan volt a tv míg nem lett zárlatos az a 2 fet. A képen 10X es osztóval látható a 70v os feszültség. Próbáljam akkor y-sus panelon kicserélni az elkókat próba erejéig, és a fetek lábán mérjem a feszültséget?
Siasztok bocsánat, hogy közbe szólok a fejjebb rmlitet tv-be már cseréltem trafó és a krobléma maradt még mindig kilövi a tranyót.
Tiszteletem!
Szeretném kérdezni, hogy az MZ72AL típúsú PTC kicserélhető-e egy AC290V típúsúra? Válaszokat köszönöm!
Én is bocs hogy beleszólok, nem lehet hogy a trafód áthúz valahol? Elképzelhető hogy emiatt "üti" ki a tranyóidat. Ilyen hibám nekem is volt mostanság. Nézz szét a nagyfesz körül, nincs e szigetelés hiba. Esetleg védődióda a sortranzisztorra is megoldás lehet, feltéve ha igazam van és ez okozza a gondodat.
Szia!
Ez a két dolog esetleg nem ugyanaz?
Szia, hogy érted hogí tudok rá védő diódát rakni és milyet?
Ez egy diódás sortranzisztor, úgyhogy ez megoldott.
A sortranyó kollektorára kötött kondenzátorokat meg egyéb alkatrészeket rendesen átmérted? Bővebben: Link
Hali!
A sasszé szám az alaplapon van a sorkimenőnél általában
Sajnos mostmár mindegy. PTC hibára gyanakodtam az itt olvasottak alapján, de sajnos mikor ki akartam egy ellenállással sütni az elkót, zárlatot okoztam és valami elszállt. Most már nem zöld a kép, hanem semmilyen.
Mehet bizony mert a zaj valamitől van.
n*ekem megmaradt
A hozzászólás módosítva: Feb 16, 2013
Szia Kadarist!
Találtam a padláson egy komplett panelt a Videoton tv-hez, aminek rossz a sokszorozója. Valami ezzel sem stimmel. Beterheli a tápot 2-3x ra kapcsol be. Olyan mintha túl áramot kapna a képcső. Szürke képet ad visszafutási csíkokkal. Fényes fehér kis pöttyel kapcsol ki ami a képernyő közepén jelenik meg. Kíváncsiságból beledobtam gyorsan egy másik Infracolor képcsövét. Azon bejön a hangyák támadása, de ugyan úgy kapcsol ki, hogy egy kis pont jelenik meg a közepén. Félek, hogy ezen is a sokszorozó rossz. Szerinted mi lehet?
Üdv Mindenkinek!
segítséget szeretnék kérni erre a három tv-re, hogy mi lehet a bajuk! 1, GRUNDIG - M 82-169 pal plus típusú TV-m. a hibája az, hogy mikor bekapcsolom, a képcsőnél hangos kattogó, sistergő hangott lehet hallani! És magától kiszokot kapcsolni, meg a hangja is magától elmegy! Mi lehet a gond! 2, funai tv-2000a mk6-os Tv! a hibája ennek az, hogy bekapcsoláskor nincs kép viszont az antenna bevan dugva és úgy sistereg mintha nem lenne benne az antenna! 3, ORION T2125a tv! hibája rá volt kötve egy ps2 egyik pillanatba sötét kép, utána tv-re át lett nyomva és a kép átlósan jobbra felfelé ugrál és jelzi hogy 5-perc múlva kikapcsol! Ha az antenna kivan húzva akkor nem ugrál a kép! Mi lehet a gondja akár melyiknek is! pénzem szervízre sajnos most nincs, ezért kérek segítséget! A Segítséget előre is köszönöm!
Az FX végűben valóban nincs, de a DHI végűben van, tehát most, hogy elárultad a pontos típusát már ezt is tudjuk. A PT90-es sasszikban eredetileg diódás típus van, tehát célszerű nem változtatni ezen. Bővebben: Link
Akkor maradjak az eredeti tranyónál csak az abaj, hogy már csak 1db van belőle és nem szeretném azt is kiégetni.
A rajzon mutatott, kollektorra kötött dolgokat kimérted? Azt is megteheted, hogy áramkorlátozottan, egy izzón keresztül kötöd a sortápfeszültséget a sortrafóra és így ha valami túláram lép fel, azt az izzólámpa ellenállása korlátozza.
Szia Kadarist!
Találtam a padláson egy komplett panelt a Videoton tv-hez, aminek rossz a sokszorozója. Valami ezzel sem stimmel. Beterheli a tápot 2-3x ra kapcsol be. Olyan mintha túl áramot kapna a képcső. Szürke képet ad visszafutási csíkokkal. Fényes fehér kis pöttyel kapcsol ki ami a képernyő közepén jelenik meg. Kíváncsiságból beledobtam gyorsan egy másik Infracolor képcsövét. Azon bejön a hangyák támadása, de ugyan úgy kapcsol ki, hogy egy kis pont jelenik meg a közepén. Félek, hogy ezen is a sokszorozó rossz. Szerinted mi lehet?
A képcsőnél a G1 elektróda körüli alkatrészeket vizsgáld át, mert a fénypontkioltás ott történik
Köszönöm a választ. Mindjárt át is nézem.
|
Bejelentkezés
Hirdetés |













