Fórum témák
» Több friss téma |
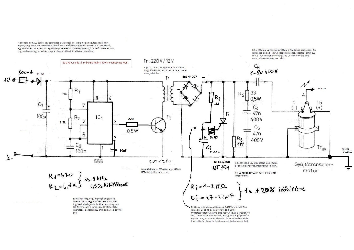
Sziasztok!Hozzájutottam egy házilag készitett bevizsgált készülékhez aminek visszafejtettem a kapcsolási rajzát és lerajzoltam felteszem ide hogy mindenki lássa és utánépithesse.A kapcsolásban semmi különleges nincs ugyanaz mint az itt is található sok-sok inverteres pásztor.Ám egy két aproság van a kapcsolásban amit nemtudok kideriteni hogy mi,mert annyira nemáll módomban szétbontani a müködö pásztort.Felteszem a kapcsirajzot és a jobban hozzáértök segitségét kérném hogy a fekete pöttyel jelölt diódák milyenek lehetnek?Meg hogy a meghajto tranzisztor az sima npn-es tranyo lehet e vagy esetleg fet?Mert a pásztorban levan festve ez az alkatrész és igy nemtudok meg rola sokat kiszedni pedig szintén nemáll szándékomba.A kapcsirajz végén az a 12voltos lámpa a szikraközt jelöli ami egy glim lámpa két 1Mohmos ellenálással rákapcsolva a két kimeneti vezetékre.Ami még kérdés az a kimeneti trafo...Erröl van egy két adatom ami nemtudom elég e a menetek és a huzalvastagság megfejtéséhez...Teszek fel rola képet is.A vasmag méretei:18*20*110mm.A kimeneti tekercs ellenálása 24ohm.A primer tekercs ellenása kicsi 0ohmot mérek és kb 1mm vastag rézhuzallal van meghajtva.Ettöl több infom nincs a kimeneti traforol nemtudom ezen adatok ismeretében mit lehet kideriteni.Segitségeteket elöre is köszönöm!
Sziasztok! Én is megépítettem oldman villanypásztorát( a fórumban leírt módosításokkal) és tökéletesen működik! A teljesítménye nekem elég(20m, kis kutya, rövid szőrű, de a fene egye meg, csak azért is szeretjük, akármilyen kártékony is!) A földelés fontos, mert tönkre mehet az áramköröd, és nélküle nem működik stabilan, és te is élvezheted a nagyfeszt! A PC mellett teszteltem, és az optikai egeret többször újra kellett csatlakoztatni a géphez, mert egyszerűen leállt, a gépben pedig visított valami, újra indításkor, minden rendben ment.
Szerintetek károsodott valami? Előre is köszi!
Szia! Mi alapjan irtal erteket az alkatreszekhez (tranzisztor, diodak) ha nem lehetett leolvasni?
Hát mert pl. az555 körülötti alkatrészek pontosan ugy vannak elhelyezve mint ahogy egy 55-kapcsolásnál 'szokás'...Az ellenálások nincsenek lefestve a diódák nincsenek lefestve.Ami levan festve az a kimeneti tranyo az ic meg a tirisztor.
Sziasztok! A segítségeteket szeretném kérni vill. pásztor ügyben. Milyet érdemes építeni egy gyümölcsös védelmére , melynek kerülete kb. 80-100 méter. Szarvasok és vaddisznók ellen kellene , valami hatásos megoldás. Engem az sem érdekel , ha odasüti a *, mert brutál milyen károkat okoznak most már rendszeresen. Szóval valami igazán erős, megbízható működésű 12V , vagy 230V -os készülék érdekelne. A vezetőhuzalt 5 sorban gondoltam kifeszíteni , szóval az 100 méternél, 500m "derót" . Tudtok segíteni?
A hozzászólás módosítva: Feb 11, 2013
Sziasztok!
Egy kis segítséget szeretnék kérni. Úgy döntöttem megépíteném a villanypásztort oldman féle rajz alapján. Kevésbé vagyok jártas a dolgokban, tudna valaki segíteni gyújtó trafóban? Milyet, hol, mennyiért? Nem tudná esetleg valaki, aki végig követte a témát összefoglalni, hogy úgymond mi a végeges és jól bevált kapcsolás (ha van valami változtatás az eredeti oldman féle rajzhoz képest), illetve hogy mire kell különös tekintettel figyelni, mit hova kell kötni, stb..?? ![]() Segítségeteket előre is köszönöm.
Építsd meg az inverterest,nem fogsz bent csalódni.Öt szál dróttal (párhuzamosan kötve) akár 1,5km is bekeríthetsz vele.Nekem,barátaimnak,csak jó tapasztalatunk van vele,megfogja a disznót is.
Úgy van, az inverteres a barátod.
A kerítést nem tudom, hogy gondoltad csinálni, ajánlom a 4mm-es horganyzott acélhuzalt, feszítőkkel. Így nem kell madzagot kötözgetned, legfeljebb időnként utánahúzni, ha nekiszaladnak. Ha jó a 230-as, akkor az elejét elhagyhatod, és 2 trafóval meg lehet csinálni. Én 20VA-es makrai féle riasztóba való trafót használtam, kiöntött kivitel, rajta saruk és biztosíték. Az 16V-os, ennek a szekunderére egy 12V 10VA-es trafó került, aminek a 230-as tekercse megy a graetz-re, és így egyenirányítás után olyan 400-450V körül ad le. 8u kondival melegedés nélkül működik, az áramfelvétel 8-9VA körül alakult.
A 16V-os kimenetet kötöd össze a 12V-ossal? Nem melegszik a második trafó?
Szia azért tegyél közé 5 ohm 3w-os ellenállást is mert tul melegszik és 500mA nél ne legyen tőbb az átfolyó áram
Nem melegedett, viszont én a graetz elé raktam ellenállást, ha jól emlékszem talán 100 ohm-ot. Ha ezt elhagyod, lehet, hogy nem zár le a tirisztor.
Sziasztok! Lenne egy kérdésem! Hogyan lehetne megoldani hogy ha a villanypásztor vezetékét elvágják vagy elszakad akkor például kapcsoljon egy relét hogy jelezze a vezeték szakadását?
Van valakinek ötlete vagy valami rajza ehhez? Előre is köszönöm!
Csak egy ötlet.. 10x1 megás ellenállás sorba kötve végén egy 5 voltos varisztor. A varisztor 2 pontján elvileg max 5 volt lesz amit bele viszel például egy optoba, ami meg már tud bármit kapcsolni. Például egy 555 időzítőt állandóan reszetel minden impulzusnál és amikor nem jön impulzus az 555 ki tudja adni a jelet.
Az ötlet jó hasonlón már gondolkoztam! A relé annyival lenne jobb hogy a morze kapcsoló részét tudnám riasztó zónára is kötni! Amit én a központon be tudnék állítani hogy pl késleltetett legyen-e vagy nem vagy PGM. kimenetet aktiváljon stb.
A leírtakat ha egy sch ba megtennéd hogy lerajzolod megköszönném azt is!
Meg ne építse valaki helyetted?
Keress vissza, nem olyan régen raktam fel rajzot egy változatról, ami nekem működik.
Elvi rajz amit nem építettem meg! Bekapcsolás után kb. 1 perc múlva ( 0,67 Ut ) átbillen a kimenet, ha nincs bemenet.
Szia! Köszi! Nem megépíteni kell! De ha *
A hozzászólás módosítva: Feb 15, 2013
Szerintem pont eleget segítettem már itt a topikban, és a fórumon is, nekem meg *
A hozzászólás módosítva: Feb 15, 2013
Szia! végig néztem 120 oldalt! Az állítólag feltett rajz csak 2-3 hozzászólásnál található sehol máshol amit kokozo tett fel!
Azért köszönöm a választ!
Köszönöm! Lehet kipróbálom de keresgélek még kicsit mert egy gyári készülékben pár éve láttam ilyen megoldást sajnos akkor nem másoltam le!
Megkerestem neked Cavalier verzióját Bővebben: Link
Köszönöm szépen! Eddig az oldalig már nem jutottam el jojózott a szemem!
Szia! Sajnálom! Lehet átfutottam rajta, de akkor sem az idézett szöveg a megoldás rá! " Meg ne építse valaki helyetted? Keress vissza, nem olyan régen raktam fel rajzot egy változatról, ami nekem működik."
Nem korrektebb megoldás ha a válasz az hogy itt találod vagy felteszem ismét!? Lehet csak én vagyok ilyen gondolkodású de más is ugyan ezt tapasztalja! Köszönök ismét mindent ígérem több segítséget nem kérek az oldalon!
Köszönöm! Megtaláltam a megoldást! Teszteltem működik! Aki segített annak köszönöm! Még 1 hónap teszt és akkor majd bízom ebben is!
Még egyszer köszönöm!
Melyik verziót teszteled? Mik az eddigi tapasztalataid?
Szia! Nem magyar oldalon találtam! Sikerült szereznem egy gyárit! Ha egy hónap múlva is stabil marad lerajzolom! Eddig jónak tűnik!
Oké, várom.
Ellenállást?! Ó micsoda energia pocséklás.
Itt van két fajta megoldás a problémára (szimpla és a kétszerezős). így biztos nem ragad be a tirisztor. Ja, és még egy elgondolkoztató primer kapcsolás. 555-t vezérel egy logikai fettet (max200kHz). Használjátok egészséggel. Üdv nyemi |
Bejelentkezés
Hirdetés |








Keress vissza, nem olyan régen raktam fel rajzot egy változatról, ami nekem működik. 



