Fórum témák
» Több friss téma |
- Ez a felület kizárólag, az elektronikában kezdők kérdéseinek van fenntartva és nem elfelejtve, hogy hobbielektronika a fórumunk!
- Ami tehát azt jelenti, hogy a nagymama bevásárlását nem itt beszéljük meg, ill. ez nem üzenőfal! - Kerülendő az olyan kérdés, amit egy másik meglévő (több mint 17000 van), témában kellene kitárgyalni! - És végül büntetés terhe mellett kerülendő az MSN és egyéb szleng, a magyar helyesírás mellőzése, beleértve a mondateleji nagybetűket is!
Találtam egy tranzisztort, ami talán megfelel, de nem tudom melyik a totális disszipáció, mert kettőt is ír. Mit jelent a Ta és a Tc?
BC337
A Ta a környezeti hőmérsékletnél, magyarul külön hűtés nélkül, a Tc azt jelenti, hogy a tok hőmérsékletet tartod a megadott hőmérsékleten. Magyarul végtelen hűtőfellületen.
Köszönöm.
Így már értem! Akkor ez is kevés nekem. Keresek valami nagyobbat.
Szia! BD135 és 900mW-hoz még egy kis hűtés is dukál.
Átolvastam az említett forumot de őszintén szólva semmivel sem vagyok előrébb. Egyáltalán nem lettem okosabb tőle. A motorvezérlés h híddal jó gondolat, de mivel így is úgy is 2 pin kell a vezérléshez mind1 ha megmaradok a régi ötletnél.
Sziasztok!
A kérdés még mindig várat magára. Biztosan valami nagyon egyszerű lesz a megoldás de nem bírok rájönni. Mellékeltem egy képet. Azon látható hogy lpt port 1 pinjére rá akarok kötni két tranzisztort melyeknek az lenne a szerepe hogy a + és - -t rákapcsolja egy motorra. A kérdésem az lenne, hogy milyen tranzisztort használjak, hogy kössem be és az lpt gnd jét hova kössem?
Tudod, a H hidnak az a nagy előnye (ha esetleg nem jött volna le), hogy nem kell a tápáram forrást megfordítani, ill. nem kell kettős tápot használni. Természetesen ebben is kapcsoló tranzisztorok vannak, és valóban két bit kell a vezérlésükhöz, és 4 tranzisztor. Annyira általános a kapcsolás, hogy minden játékvezérlőben ilyet használnak a motorok meghajtására.
De Te tudod. A hozzászólás módosítva: Feb 27, 2013
Sziasztok!
Olyan IC-t, hogy pioneer mosfet pal010a, honnan tudnék olcsóbban beszerezni, mint az egyetlen ebay-es aukció 6k felett? Gondolom helyettesítője nem létezik ezeknek? A hozzászólás módosítva: Feb 28, 2013
Sajnos erre a kérdésre csak olyan választ fogsz kapni, ami megint nem segít ki: a kapcsolástechnkából.
Sajnos sok sok gyakorlás és tanulás kérdése is.
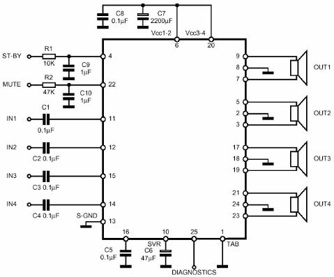
Nézd meg a TDA7560-at, azt javasolják sokfelé helyette. Esetleg meg kell nézni van-e pl. mute valamelyiken, amúgy állítólag kompatibilis.
Hello!
Ne Móricka rajzot rajzoljál (magadnak) hanem rajzold le kapcsolókkal, hogyan tudod megoldani. Egy tranyó, egy kapcsoló jeligére. Aztán majd meglátod hova jutsz. üdv!
Az az IC a 005-os pioneer-rel egyezik. Ki is lett probalva a 005-tel, azzal nem volt jo.
Tényleg elég nagy a bizonytalanság és mindenfelé összevissza próbálkoznak ezt a PAL010-et meg a 007-et helyettesítgetni. Mert a gyártó hadititkot csinált a dokumentációjukból .
Egyenlőre arra jutottam, hogy a fenti kettő lábbekötése kompatibilis, azoké pedig a TDA7850-ével (ha igaz, azért csekkold!) Ennek meg az ára már közelíti az ebay-es eredetiét A hozzászólás módosítva: Feb 28, 2013
Sziasztok
![]() Tudnátok segíteni nekem, hogy hogyan oldjam meg azt, hogy 555ös icével felépített kapcsolásban a led ne csak felvillanjon aztán abba hagyja hanem ahogy megkapta a jelet fokozatosan erősödik illetve halványodik? Úgy értem, hogy egy tranzisztor kapcsolgatná a jelét,de annak a bázisára valahogy átkéne alakítani ugye a négyszögjelet és gondolom erre jó lehet egy kondi meg ellenállás kombo, de nem tudom hogyan valósíthatnám meg igazán és sajnos kísérletezgetni sincs vele most túl sok időm így remélem tud valaki segíteni abban, hogy mit hogyan kéne kötni...és azt is megköszönném ha leírná nekem a mivoltját,mert tanulni is szeretek ám nem csak összerakni dolgokat
Ezt az 555 kimenetéről nem olyan egyszerű levenni. Az első képen van egy félmegoldás, mert ha jól értelmezem neked valamiféle fűrészfog alakú jelre lenne szükséged. Ezzel a megoldással elég asszimetrikus lesz , tehát erősödni lassan fog, elhalványulni gyorsabban.
Kísérletezésre jó lesz. itt ez a megoldás. A másik kézenfekvő dolog az ic komparátor bemenetén amúgyis jelenlévő fűrészjel, az viszont leddel direktben nem terhelhető.Tehát ezt a rajzot még egy fetes áramkörrel illene kiegészíteni, hogy ne befolyásolja az 555 kapcsolgatását. Ehhez meg Itt van egyb kiindulópont. Talán még ez lenne a legfrappánsabb megoldás. A rajzon a kimeneti nényszög jelzés ne zavarjon meg, azt rossz helyre rajzolták, ott már a fűrész jön ki, és elbírja a lededet is. A hozzászólás módosítva: Feb 28, 2013
Hello
Többrétegű nyákról felszakadtak azok a vezetősávok amik a csatlakozóhoz futottak. Hogyan tudom visszakövetni, hogy a csatlakozás lábai melyik alkatészhez futottak elsőnek?
Ha furatgalvanizált a nyák akkor műszerrel lehet ellenőrizni.
Köszönöm a gyors választ
))
Sziasztok,
EZ a kapcsolás életképes lehet? Összerktam, de egy folyamatos erős zugást hallat jel nélkül is. A kapcsolás lehet rossz vagy én ronthattam el valamit? Köszönöm
Szerintem inkább te hibáztál. Ha a bemenetét rövidre zárod akkor is búg?
Csak légszerelésbe lett megépítve, így könnyen hibázhattm...Bár nem találom a hibát.
A bemenet rövidrezárásakkor is búg. Viszont ezen a kapcsoláson kívűl illetve egy diódahídon és a trafón kívűl nincs más. Előfordulhat, hogy a gratz hibás?
Nincs a felsorolásban a puffer(szűrő) kondenzátor; van benne?
Nem igazán
![]() Azt hittem az csak a minőséget javítja. Elengedhetetlen lenne?
Az bizony mindenképpen szükséges, ha nem az 50Hz-et szeretnéd rajta hallgatni.
Kerítettem egy kondit. Mostmár műödik. Köszönöm a sgeítséget mindkettőtöknek. : )
Lassan csak megértem az alapokat...
A helyes polaritásra is ügyelj, mert nekem az első erősítőmön sikerült fordítva betennem. Kis próba hallgatózás után felrobbant és aluszerpentint húzva maga után átrepült a szobán.
Sziasztok.
Bocsi hogy ide írok, de a villanypásztor topicban nem kaptam rá választ és itt legalább van élet. Csinálni szeretnék egy villanypásztort és már napok óta megvettem az alkatrészeket, meg mindent, várom a választ és nem kapok abban a topicban. Itt állok egy csomó alkatrésszel a kezemben és nem tudom elkezdeni, mert nem tudom hogy mire való a szikraköz, hogy kell megcsinálni, miért kell, és pontosan hova kell rakni? Komolyan csak ennyit szeretnék tudni. Kérem ha valaki tudja árulja el nekem. Nagyon megköszönöm!!! Amúgy az egész szerkezet megépítésével...stb, semmi gondom, csak egyedül ennyit szeretnék megtudni hogy mi az a szikraköz és hová kell rakni. Itt a rajz:Bővebben: Link Előre is nagyon köszönöm a segítséget!!! |
Bejelentkezés
Hirdetés |




Így már értem! Akkor ez is kevés nekem. Keresek valami nagyobbat. 








