Fórum témák
» Több friss téma |
Írtam egy regényt, erre kicsúsztam a szerkesztési időből és elveszett...
![]() Ami a lényeg, hogy erre jó példa a z én gyári denon erősítőm, aminek a csatornánkénti teljesítménye 125W és ez a tápfeszből lazán megoldható, viszont a hátlapja és a transzformátor mérete szerint a felvett maximális teljesítmény 400W. Otthoni körülmények között ez több, mint elegendő, viszont hangosítási célokra a legkevésbbé sem alkalmas, ezért is külön kategória a PA és a Hi-Fi. Szóval a felhasználás módja legalább annyira fontos transzformátor választáskor, mint a tápfeszültség és maximális terhelhetőség. A hozzászólás módosítva: Márc 4, 2013
Pucukának:
A sinus négyzet x fourier sorbafejtése valóban nem generál felharmónikusokat, ugyanis a fourire sor pont arról szó, hogy egy tetszőleges függvényt hogyan lehet szinuszokból összeállítani. A szinuszok alatt viszont olyan szinuszokat ért, hogy a periódusra vett integrálja zérus. Ebből az következik, hogy akármilyen rendszámú felharmónikusból akármennyit adsz össze, nem lesz egyenáramú összetevője. A kiindulási függvény, viszont csak egyenfeszültség, mivel minden számnak a négyzete pozitív szám. Emiatt, nem lehet a hagyományos módszerekkel fourier sorbafejteni, legalábbis a szimulátorok ezt nem tudják. Ha mégis lehet, azt nem fouriernek hívják. ( gondolom én... ) De ha eltolod mondjuk egy kondival, meg ellenállással úgy, hogy az előbbi integrálos kifejezés zérust adjon, ( vagyis ne legyen egyenösszetevője ) akkor a szimulátorok is kiszámolják az együtthatókat. Eredményeket később teszek fel.
" Írtam egy regényt, erre kicsúsztam a szerkesztési időből és elveszett.."
Ezt én úgy oldottam meg, hogy állandóan be vagyok jelentkezve... ![]() Azért ne feledkezzünk meg a hálózati trafónál a rossz formatényezőről sem. Ugye, nagyon kicsi a folyási szög a pufferkondik miatt... vagyis baromi nagy áramok folynak a szekunderen. meg a primeren is...
A négyszögjelekre, meg azt írtad:
" Igen, a másodfokú átviteli görbe, páros harmonikusokat produkál, akár hol is van az erősítő láncban. A trafó konyulása miatt pont páros harmonikusok fognak keletkezni, nem a szimmetria miatt, hanem a konyulás miatt, nem "harap", tehát nem éles a vágás. Minél élesebb a vágás, annál több, és nagyobb amplitúdójúak a páratlan harmonikusok. Hasonlíts össze füllel egy négyszög, és egy háromszög jelet. Egy gyors felfutású négyszögben sokkal több és nagyobb amplitúdójú páratlan harmonikus van, nem is mondható kellemesnek." Nem páros harmónikusok keletkeznek, hanem csak páratlanok. Itt van néhány szimuláció, remélem, elég meggyőzőek. Ha mégis látsz elenyésző páros felharmónikust, az a szimulátor pontatlanságából ered. Tehát, ha egy jelnek a pozitív félhulláma megegyezik a negatív félhullám minusz egyszeresével, ( megfordítva fedik egymást ) akkor nem keletkezhetnek páros felharmónikusok. És ez nem attól függ, hogy milyen a négyszög, vagy akármilyen jel oldalmeredeksége. Gondolom, az nyilvánvaló, hogy egy trafó szimmetrikusan kezd telíteni, tehát nem feltétlen kell modelezni, hogy keményen, vagy lágyan kezd el vágni. Lényege a szimmetria, akkor csak páratlan felharmónikusok keletkeznek.
Ha nem alkalmas, akkor annak szerintem nem a valódi okát fejtegeted. 400W-os trafónak minden további nélkül, tartós üzemben le tudnia adnia a 400W-ot - holott erról szó sincs, zene erősítésekor átlagban jóval kevesebbet fogyaszt. Aki nem hiszi, mérjen utána. Újabb Denonoknál nem vagyok róla meggyőződve, de a régi, 1995 előtti típusokról tudom, hogy nincs a tápjuk alulméretezve. Átlagosnál érzékenyebb hangsugárzókkal kisebb termek behangosítására is használhatóak (az is PA).
Idézet: „Talán a Hifi magazinosoknak van igazuk, hogy az előfok?” Igen, és ezt egyszerűen nem úszhatod meg olyan végfoknál, amit a szabvány vonali szint csak pár Wattig hajt ki. Az előfok + meghajtó fokozat kikötése után megmarad a "hűvös" karakter, ám azzal együtt is határozottan eszköztelenebb, dinamikusabb stb. lesz. Vagy te másképpen hallottad? Idézet: „Vagy át kell kábelezni az egészet és Alps potikat bele..” Nem vagy, hanem és. Bennic kondikat inkább ne, bár ha sok ráfordítással sem akarsz lényegesen jobbat egy Arcam Deltánál...
Ez egy 7 csatornás erősítő, azt elfelejtettem írni.
Jók a szimulációk, köszi. Mindössze annyi a probléma, hogy az első harmonikus, nálad a második.
De ha jól belegondolsz az első harmonikusnak páratlannak kell lennie, hogy a négyszög teteje belapuljon.
Inkább építsétek meg, ahelyett, hogy szimuláltok és mindenféle elméletet hallucináltok.
Zene tartalmazhat negyszogjelet ezt az erositonek gyonyoruen att kellene vinnie.(altalaban keves az az erosito amelyik szepen atviszi a negyszogjelet ).
Eppen ezert egy erosito atviteli tulajdonsagait leggyorsabban negyszogjellel merve lehet vizsgalni , mert a negyszogjelen szabad szemmel lathato a legkisebb torzitas.A negyszogjel elvaltozasaibol lehet kovetkeztetni az atviteli gorbere is .A hatarolas nem nagyon ertekelheto . Szinusz jel kis torzitasnal nem nagyon lehet kiertekelni szabad szemmel , atviteli tulajdonsagokrol meg nem sokat latunk a szinuszjellel valo vizsgalatkor .A hatarolast a szinusz vagy haromszogjellel jol lathato . Ha lejatszo erosito hatarol es negyszogjelet "termel" az mar inkabb torzitonak hasznalhato ilyen modon. Negyszogjelet alapfrekvencia plusz 21 szinusz paratlan felharmonikusbol lehet gyonyoruen szintetizalni . Aszimetrikus kapcsolasban termelodnek ugy paros mint paratlan felharmonikusok . Szimetrikus kapcsolasban a paros felharmonikusok kioltodnak es maradnak csak a paratlanok . "Szinusz ero " ..az az ero amit az erosito 10 percig le tud adni torzitas es erokompresszio nelkul. "Zenei ero " az az ero amit egy erosito la adhat egy rovid impulzus tartalmara torzitas mentessen . Ez a ket "Ero tipus " nem fugg a bemeneti jel formajatol .az lehet akarmilyen osszetett a szinusztol ..a negyszog, impulzus , haromszog es mas jelalak . Stabilizalt tapegysegu erositoknel nincs kulombseg a "Zenei ero " es a "Szinusz ero " kozott ez esetben erokompreszio csak a hanhgszoroban jelehet meg . A hozzászólás módosítva: Márc 5, 2013
" Negyszogjelet alapfrekvencia plusz 21 szinusz paratlan felharmonikusbol lehet gyonyoruen szintetizalni .
Aszimetrikus kapcsolasban termelodnek ugy paros mint paratlan felharmonikusok . Szimetrikus kapcsolasban a paros felharmonikusok kioltodnak es maradnak csak a paratlanok ." Igen! De kérlek írd még oda, hogy ha pl. 1kHz-es a négyszög- legyen mondjuk a kitöltési tényezője 50%-tól eltérő, akkor milyen frekvenciájúak a páros- és milyenek a páratlan felharmónikusok.
Ez a ket "Ero tipus " nem fugg a bemeneti jel formajatol .az lehet akarmilyen osszetett a szinusztol ..a negyszog, impulzus , haromszog es mas jelalak .
Értem amit írsz, de a tájékoztatás kedvéért hozzá kell tenni, hogy négyszög jellel azért minden erősítő nagyobb teljesítményt tud leadni, közel a kétszeresét, mint szinusszal . ( azért nem pont a kétszeresét, mert azonos amplitudójú négyszögre jobban bezuhan a táp, mint szinuszra)
Szimetrikus 50/50 szabalyos negyszogjelre ertettem ami egy egyszeru szimetrikus hatarolasbol altalaban megjelenhet egy erositolancban .
Persze az impulzusszelesseg valtozassal a felharmonikusok tartalom valtozik . En csak a szintetizatorok generatorainak beallitasaval kapcsolatban es gitartorzitok altal foglalkoztam a dologal . Soha se altam neki bonyolult szamitasokhoz . A mindenfele szitetizatorhoz valo hanggeneralasi utmutatokbol .. 1/10 .. minden 10-ik felharmonikus hianyzik 1/5.. minden 5-ik felharmonikus hianyzik 1/4.. minden 4-ik felharmonikus hianyzik 1/2.. minden 2-ik felharmonikus hianyzik Ezt csak erdekessegkent tartottam eszbe mert igencsak komplikalt egy hangzas-hangszin elemzese es aztan szintetizalasa . De ez mind lenyegtelen mert arrol volt szo hogy ezeket akarmilyen felharmonikus tartalmu jeleket, egy rendes erosito , mind torzitasmentessen/valtozas nelkul at kell atvigye . Persze kiiktatjuk a hangszinszabalyozo aramkoroket vagy nullara allitjuk ha lehet . Azert erdekelt a dolog mert kulombozo hangzasokat akartam megvalositani amihez semmi adatom nem volt csak a zene-lemezen hallott hangzas . Mindenesetre ha egy " digital signal processor"-t ( DSP ) hasznalunk hangformalashoz a hasznalt erosito mar nem torzithat mert az egesz a DSP -vel bealitott hangzas ertelmetlenn lenne .De mindez egy analog rendszeru hangformalo eseteben is igaz . Van valahol egy regi szintetizatot programom abban van generator amin a felharmonikusok es azok amplitudoja beallithatok van vagy 20vagy 25 felharmonikus (allithatok mint egy grafikus EQ tolo potmeter gombjaival) , egy ablakban meg lathato az eredo hanghullam alakja . Rogton halhato is a hang aztan bonyolodik a helyzet hozzakeverve meg egy oszcilatort ,mindenfele modulaciok ...stb. Szoval ha hangformalo-t hasznaluk akkor egy majdnem "HiFi" es aranylag szelessavu erositore van szukseg meg a gitar eseteben is .
Pontossan .Megemlitettem hogy ha a tapegyseg stabilizalt nincs szinusz/zenei kulombseg .Tehat az a "rovid impulzus " impulzus lehet teoretikussan akarmilyen szeles .
Itt van egy teves hit a csoves es felvezetos esositok kiertekelesenel mint hangszer erosito . Egyesek csak a csoves erositok eseteben emlitik a "crest factor"-t ( headroom) . Persze ez teves dolog mert a felvezetos erositoknel is ugyanaz a "crest factor" van csak csunyabban szol mert elesebben hatarolnak a felvezetok .Az eles hatarolas miatt a magas-felharmonikusok "termelese" rogton fellep es recsego sercego hangzast ad . Csoves erositonel a "sarkok" kerekebbek a tullovesek nem olyan hegyesek es csak nagyobb kivezerlesnel lepnek fell halhatoan/zavaroan mint a felvezetok eseteben. Persze a kisebb IMD is jobban szebben szol .
Most már igazán nem tudom, hova írjam a válaszom, csak reménykedem, hogy nem kerül törlésre...
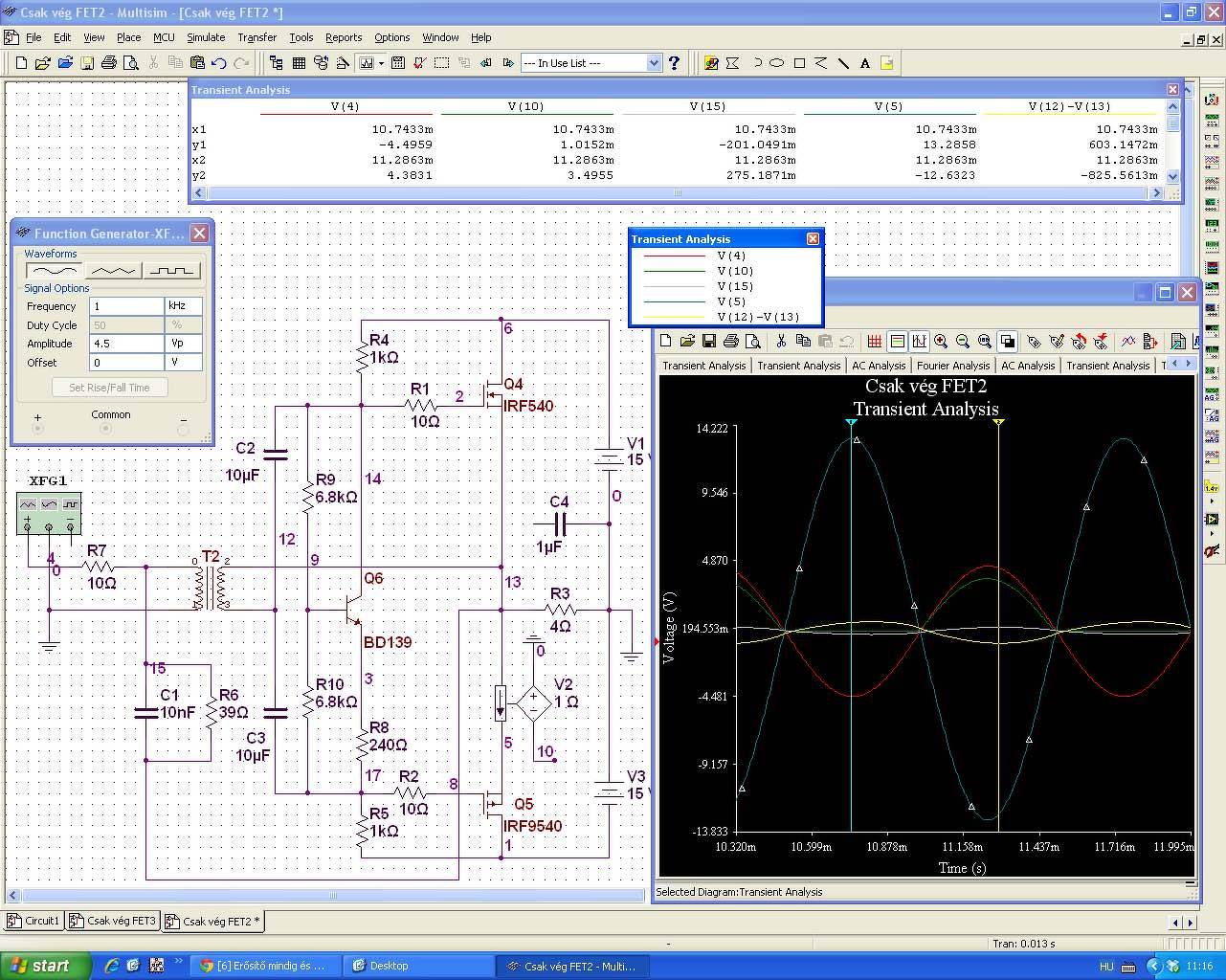
Tehát, ez a nagyon egyszerű végfok 2...3 tranyóval. Említettem, hogy lehetne FET-tel megcsinálni. Olcsóbb, jobb, stb. Végül is ilyet csináltam és ha már FET, akkor legyen komplementer tranyókból, így egy primer, meg egy szekunder lesz csak a trafón. Amint a szimulációkból is kiderül, a trafó szekunderén 0,5...2 v lesz csak, tehát ez még egészen alacsony frekvencián sem okoz nagyobb méretet. A 2 V akkor lesz, ha nagyobb áramra vannak kihajtva a FEt-ek, hiszen ehhez nagyobb feszváltozás kell a gate-en. Belecsempésztem még egy tranyót, ez a szokásos feszültséggenerátor, ezt a tranyót fel kell rakni a végtranyók hűtőbordájára, a nyugalmi áramot állítjuk be vele, hogy a keresztezési torzítás minnél kisebb legyen. Valamennyi negatív visszacsatolást lehet csinálni, ez nagyon kevés, de a torzításokba erősen beleszámít, meg lehet csinálni 1 % alatt. A bemeneti jel 4,5 Vp, ezt egy 1...3 W-os erősítő tudja szolgáltatni, erre mondtam korábban, hogy ez igazán akkor jó, ha van egy kisteljesítményű végfok valahol és ennek a kimenetét akarjuk feltornázni. ( Mondjuk egy pc mellett levő kétcsatornás "hi-fi". ) A négyszögátvitel az mesés, ha nincs benn a C1-es kondi, akkor 1 Mhz körüli a -3 dB-es pont, de akkor van egy néhány %-os túllövése a kimenetnek, ha a kimeneten van a terhelés mellé kötve egy 1 µF-os kondi. Ha a C1 benne van, akkor ez a túllövés nincs, igaz, akkor kisebb a sávszélesség. Sajnos, miután a negatív visszacsatolás csak nagyon kicsi ( ugye, nagyon kicsi a nyílthurkú erősítés ) a kimenet damping faktor is nagyon kicsi. Ez egyesek szerint nem baj, hát nem tudom... A másik probléma, hogy szereti a jól szűrt tápfeszt, hiszen a negatív visszacsatolás hiánya miatt a tápfesz brummelnyomása nagyon kicsi. Esetleg lehet olyan tápot csinálni, ahol a hullámosságot egy FET veszi magára, akkor nem kell bele annyi pufferkondi. A trafó áttétel 1:3, vagyis a szekunder háromszor akkora menetszámú, mint a primer. Kisebb teljesítménynél elég ha a szekunder 1...2 V-ra van méretezve, nagyobbnál meg mondjuk 4...5 V-ra. A trafónál nagyon lényeges, hogy jó nagy legyen a primer induktivitása, ugyanis a bemeneti összegzőpontra a trafónak az impedanciája csatlakozik. Ha a trafó mágnesezőárama nagy, akkor az terhelni fog és ez nagyon hátrányos minden tulajdonságra. A legjobb lenne valami nagyon jó mágneses vezetőképességű anyagból csinálni a trafót, mondjuk permalloy, vagy mumetall, vagy valami amorf vas. A menetszám minimuma természetesen akkora legyen, hogy az alkalmazandó feszültségen és a legalacsonyabb frekvencián még ne tudjon betelíteni. ( Itt aztán lehet mindenféle dolgot kipróbálni... ) Nem ártana a szendvics tekercselés sem, bár nem nagyon láttam, hogy a szórt induktivitásoknak komolyabban káros hatásuk lenne, még négyszögjelnél sem. Kicsit szokatlanok a bemeneten, meg a visszacsatolásban az alacsony értékű ellenállások. Ez azért van, hogy a trafó primer oldala ne nagyon tudjon beterhelni. Egy kész trafónál ezeket lehet növelni, amíg nem megy a minőség romlására. A C2, C3 kondikat meg kell növelni mondjuk 100 µF-ra a valóságban. Itt csak azért ilyen kicsik, mert bekapcsolásnál rövidrezárják a feszgenerátort és míg feltöltődnek, hosszú idő, de azt a szimulátornak végig kell számolnia. Így sokkal hosszabb lenne a szimulációs idő, ezért kisebbekkel lettek rajzolva. Egyébként, ez látszik is az AC analízisen. Itt vannak a képek, a kapcsolási rajz, meg a szinek alapján beazonosíthatók, hogy mi, hol értendő. A hozzászólás módosítva: Márc 5, 2013
Hm... arra akartam kilukadni, hogy a páros felharmónikusok azok, ahol az alapharmónikus frekvenciáját megszorozzuk egy nullától nagyobb, egész, páros számmal. Ez a szám mondjuk az "n", aminek az értéke felvehet 2, 4, 6, 8, stb. Ennek megfelelően egy 1kHz-es szimmetrikus négyszögjel páros felharmónikusai 2,4,6,8, stb kHz lenne, de ilyen nincs, mert a szimmetrikus jelekben nincsenek páros felharmónikusok, ahogy azt te is leírtad.
A páratlant ugyanígy képezzük, csak "n" értéke 3, 5, 7, 9, stb, vagyis páratlan szám. Na, ebből van rendesen a szimmetrikus jelekben. Az n=1 az alapharmónikus, jelen esetben az 1 kHz, n=0 meg mondjuk a DC összetevő, ami rögtön kialakul, ha az egyébként szimmetrikus négyszögjelnek megváltoztatjuk a kitöltési tényezőjét. Az n= 0 nem hiszem, hogy értelmes jelölés lenne, inkább A0 szokott lenni és az a DC összetevő együtthatója. Egyébként jól írtál le mindent, csak szerettem volna, ha egy kicsit kivesézed, mert ebből volt itt egy kis gubanc... ne csak én írjam már le, hogy miben van páros, meg páratlan, meg egyáltalán mi az...
Mit nem értesz ezen? Volt egy fazon, aki kitalálta, hogy a különböző hullámformák leírhatók szinuszok összegével. Amit le akarunk írni, annak van egy jellemző, legnagyobb amplitudójú összetevője, ezt hívjuk alapharmónikusnak. Mondjuk az 1 kHz-es négyszögnél egy 1 kHz-es szinusz. A fazon felállított egy kis matematikát, hogy milyen frekvenciájú és az alapharmónikus fázishelyzetéhez képest milyen fázisú szinuszok összegéből lehet az eredeti jelet összeállítani. Azt találta ki az elmélkedése folytán, hogy az alapharmónikus frekvenciájának egész számú többszöröseinek kell lennie ezeknek a szinuszoknak. Ezeket nevezte el felharmónikusoknak. Ezekből vannak páros, meg páratlan rendszámú felharmónikusok. Szóval, valami ilyesmi... de a wikipédián olvashatsz róla. Meg ezt használják a számgépes jelfeldolgozók, hangszínszabályzók, stb.
A hozzászólás módosítva: Márc 5, 2013
Ja, hogy ez már abból indult ki. Úgy értettem, hogy elvesztettem a fonalat és nem értettem, hogy miköze van ennek a kimenő trafós erősítőhöz, vagy tudom én is már, hogy miről volt szó, mert iszonyatos katyvasz lett belőle, ahogy azt Zoli is mondta.
Nem is muszaly erteni eppen mindent.
Arol lenne szo hogy a gitarerositoben peldaul a hibas kapcsolasi rajz valamint az olcso alulmeretezett alkatreszek es nem megfelelo erositesu cso hasznalata miatt lett a fantasztikus gitarhangzas a sok trorzitasfele es amplitudohatarolas. Igy ami egy HiFi erositonel nagyon artalmas az gitarerositonel eppen jo. A hires VOX AC 30 gitarerosito majdnem" A " osztalyu Push-Pull ami azert nagyjeleknel eltolodik .Visszacsatolas nincs igy a melyhang resz nem szenved a kimenet csillapitasatol .Ezek a dolgok es a nyitott hatu hangszorodoboz szabadon engedi a membrant ugralni a pengetes hatasara .Ez az ugras ad egy "punch" elejet a hangnak valamint a nagy kilenges miatt a hangszoro "betorik" es torzitast produkal sot frekvencia felezest is ..es ott a gyonyoru tomor lebego hosszan kitarthato gitarhang . A felhangokrol azert van szo mert a paratlan felhangokat tartjak zeneinek ,de elkel a paratlan felhang is kemenyebb hangzashoz .Ezek aranya es kulombozo amplitudoja /lecsengesi ideje adja meg egy egy hangzas "receptjet". Shynth Secrets A cikkekben targyaljak a szintetizalast . Dob,Zongora, Pengetett Huros hangszer , stb Ezek a dolgok jol jonnek ha egy Gitar FX multiefektet kell beallitani ,illetve uj sajat hangzast beallitani hogy ne tekergessuk a gombokat vaktaban . Paros felharmonikusok zeneileg megfelelo relacioban vannak az eredeti hangal . peldaul megduplazzak az alaphangot az oktavval feljebb ez egy tomorebb hangzast annelkul hogy nagyon zavaroan elvaltoztatna az eredeti hangot . A hozzászólás módosítva: Márc 5, 2013
Megjött Kínából a D osztályú 2x10W-os PAM8610-el épített erősítő. Került 7 USD-be ( hét!!). Hihetetlen, hogy mennyivel emberibb kiegyenlítettebb a hangzása, mint egy analóg erősítőnek. Egy kicsit olyan a hang, mintha áramgenerátoros lenne a meghajtás. A legvacakabb mini HIFI torony hangdobozon is ordít a különbség.
Tehát a hangzása nagyon jó, viszont a hangminőség az lehetne jobb is.
Elsősorban Reloop figyelmébe ajánlom ezt gondolat ébresztő kapcsolást. A látszólag közönséges hídkapcsolás több figyelemre méltó tulajdonsággal is rendelkezik. Először is abszolúte mentes a földhuroktól. Másodszor mentes az átfogó negatív visszacsatolás hatásaitól, bár ez nem látszik első ránézésre.
Az áramkör elvi jelentősége nagy, ugyanis a visszacsatolások keresztbe vannak csatolva, így mind két oldal nyílt hurkú erősítést erősít a saját vezérlése szempontjából és zárt hurkút a keresztbe csatolt negatív visszacsatolás szempontjából. Nem, nem fordítva, nem írtam el. Jó szórakozást kívánok az áramkör szimulálásához, 420Hz-en és 1KHz-n különleges dolgok történnek... A hozzászólás módosítva: Márc 16, 2013
Köszönöm, nem mulasztom el kipróbálni.
Bocsánat, kimaradt két ellenállás, úgy nem hozza a paramétereket. Megkérem a moderációt cserélje ki a rajzot, elnézést.
A hozzászólás módosítva: Márc 16, 2013
Helyettesíthetem műveleti erősítővel a rajzolás megkönnyítése céljából?
Ideális műveleti erősítővel nem fog jelentkezni a 420Hz -és 1KHz-s anomália. Ehhez a valós kapcsolás valós bemeneti árama kell. Ugyancsak nem fogod látni azt, hogy a kimeneteken a feszültség alak a nyílt hurkú erősítésnek megfelelő exponenciális görbe, mert a műveleti erősítő makrójában egy függvény van csak.
Pedig ez az izgalmas a kapcsolásban, hogy egyáltalán nincsen előtorzított jel, mint a szokvány visszacsatolt erősítőkben. Ezért azután nincsen többszörösen lefutó visszacsatoló jel sem. Például a zaj is maximálisan jelen van a kimeneteken, de azonos fázisban. Így azután nincsen zajmoduláció sem. A műveleti erősítős modell a földhurok nélküliséget viszont szépen mutatja, ugyanis ha generátort átkötöd egy potival, aminek a csúszkájára kötöd a földet, akkor a potival mindig meg lehet találni azt a beállítást, amikor egyáltalán nincsen brumm. Azt is mutatja az OPA-s modell, hogy a kapcsolás kimeneti offszet szempontjából tökéletesen önbeálló pV-ig pontosan beáll. Ha ragaszkodsz az OPA-s modellhez, akkor a képen látható módon tudod vizsgálni, mit csinál a kapcsolás a torzításokkal ( és a zajjal, mert azt ugyanúgy kezeli). Láthatod, hogy a szoros visszacsatolás ellenére egyáltalán nem csökkenti a dióda által okozott torzítást a két félhíd kimenetein. Ennek ellenére differenciálisan viszont még így is nagyon jó lesz a torzítás ( és a zaj is) A hozzászólás módosítva: Márc 17, 2013
Az igazi nagy előny azonban az a tulajdonság, hogy rendkívüli mértékben képes csökkenteni a hangszóró torzításait. Hogyan lehetséges ez?
Helyettesítsük a hangszóró torzítását egy ideális hangszóróval és egy 5kHz-s továbbá egy 3kHz-s áramgenerátorral ( 20 ohm belső ellenállással pl). Egy hagyományos kapcsolásban ebben az elrendezésben az erősítő működő visszacsatolása miatti kis kimenő impedancia elnyeli az áramgenerátorok áramát, azaz az ideális hangszórón átfolyik ez az áram. ( hiszen a valóságban a hangszóróval sorban, elosztott paraméterként található meg a torzításgenerátor) Ha átfolyik, akkor az ideális hangszórónk le is sugározza a torzítás generátorok áramával arányos hangnyomást - azaz a hangszóró torzít. Most nézd meg, hogy ebben a kapcsolásban viszont a visszacsatolás ugye nem hat a saját hurokra ( csak a túloldali félhídra), így az áramgenerátorok árama nem tud hová elfolyni. ( ezt mutatja, hogy az erősítő kimenetén megjelenik a hibafeszültség, hiszen nem tudja most elnyelni az áramot, nem elég kicsi a kimeneti impedancia) ugyanakkor az erősítő felől nézve nagyon kicsi a kimeneti impedancia, hiszen a híd másik fele mégiscsak utána húz, ha kell. Mivel azonban a valóságban ezek a hibagenerátorok sorban vannak a hangszóróval, ezért nem alakul ki áramerősség, azaz a hangszóró nem sugározza le a hibát. A valóságban viszont az történik, hogy a hangszóró által generált torzítással ( hibaárammal) arányos, de ellentétes áramot generál a híd, így a hangszóró torzítását képes a jelből kiválasztani és előtorzítani. Az ábrán láthatod, hogy ebben a kapcsolásban az erősítő nem nyeli el a hangszóró hibaáramát. A hozzászólás módosítva: Márc 17, 2013
No, tegyük tisztába ezt a hangszóróáram átfolyik a pufferkondin dolgot.
Tehát: 1. a hangszóróáram csakis a pufferkondikon folyik át ( csak addig folyik a diódák felé, amíg azok nyitva vannak és akkor is csak egy része, hiszen a puffer belső ellenállása sokkal kisebb) 2. a pufferek töltőárama folyik csak a transzformátor körben, a hangszóró áram nem A rajzról kétséget kizáróan kiderül, hogy a pufferkondik sorban vannak a hangszóróval a vezérlőáram szempontjából. Ezért nem mindegy a pufferek minősége, ezért változik a tápkondik cseréjével a hang... |
Bejelentkezés
Hirdetés |


























