Fórum témák
» Több friss téma |
- Ez a felület kizárólag, az elektronikában kezdők kérdéseinek van fenntartva és nem elfelejtve, hogy hobbielektronika a fórumunk!
- Ami tehát azt jelenti, hogy a nagymama bevásárlását nem itt beszéljük meg, ill. ez nem üzenőfal! - Kerülendő az olyan kérdés, amit egy másik meglévő (több mint 17000 van), témában kellene kitárgyalni! - És végül büntetés terhe mellett kerülendő az MSN és egyéb szleng, a magyar helyesírás mellőzése, beleértve a mondateleji nagybetűket is!
Sziasztok!
Az mitől lehet, hogy ez az LCD Bővebben: Link kijelző szinte pontosan 30 perc után néhány szegmensén elveszíti a fényerejét, elhalványul? CD4026 IC hajtja meg a tápfesz 5V.
Hibas a kijelzo. Esetleg ha noveled a frissitesi frekit, akkor jobb lesz?
Meg ramerhetnel a kontrasztfeszre is az elejen es a halvanyulaskor is. A hozzászólás módosítva: Márc 18, 2013
Sziasztok !
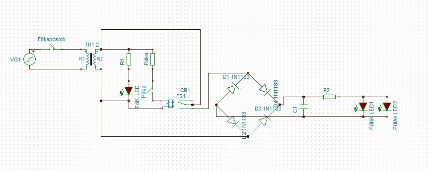
A TCP-s Weller pákámhoz tervezek egy tápegységet. Azt szeretném ha, lenne 3 LEDem. Az első a főkapcsoló átbillentésével kapcsolna fel , tehát jelezné , hogy áram alatt. A másik kettő pedig akkor ha a páka épp fűt. Ha jól tudom akkor ez a kattogós páka ha nem fűt akkor szakadásként viselkedik , ha pedig fűt akkor rezisztív terhelés. A problémám a fűtét jelző LEDek kapcsolgatása. Először egy relére gondoltam , de mivel itt 2-2,5A folyik így a relé tekercse nem bírná el. Viszont nincs más ötletem amivel váltakozó áramkörben ezt a feladatot meg tudnám oldani. Ötleteket szeretnék kérni.
Hello!
A CD4026 Led meghajtáshoz való, az LCD-t nem szabad egyenáramról hajtani, mert megpusztul.. üdv!
Szia! A én úgy csináltam, hogy raktam egy ledet párhuzamosan a kapcsolójával, bele a nyélbe (persze soros ellenállással), igaz ez akkor világít ha éppen nem fűt. De egy(inkább 3) soros diódán eső feszültség simán begyújt egy ledet, csak kell tenni a diódákkal párhuzamosan de fordított polaritással is egyet, hogy a páka megkapja a (majdnem)teljes váltót.
Az az LCD amit linkeltem nem? Ez egy 7 szegmenses kijelző. Máshol sem láttam másként.
Hello! Valahogy így, szerintem megoldható. Az áramfigyelő ellenállás 0,47ohm/2W legyen. üdv!
Hello!
Hol láttál ilyesmit? Az LCD BP hátlapját, a szegmensekkel ellen-fázisban forgatni kell. Vagy is amelyik jelez, az ellen-fázisban forog a BP-vel,amelyik nemjelez, az azonos-fázisban. Vagy is az azonos-fázisban nincs a kettő között feszültség, ellen-fázisban pedig váltóáram van. üdv!
Miért van az, ha bedugom a labortápot a konnektorba, akkor a kimenetet (mindegy hogy a pozitívat, vagy a negatívat) és a radiátort egyszerre megérintve ráz? A táp ki van kapcsolva, sőt a kimenetet kikapcsoló kapcsoló is ki van kapcsolva, mégis ráz! Ha kihúzom a konnektorból nem ráz. A kimenetek egymás között sem ráznak, csak a radiátorral. Mi ennek a magyarázata?
Hello!
Vagy a hálózattal képzet parazita kapacitáson keresztül ráz, vagy földelt, és a radiátor és a földelés között van potenciál különbség. A kimentét ha kikapcsolod, akkor sem mind két pontot szakítod meg. De félő, hogy egy-áramkörös hálózati kapcsolót alkalmaztál. Ami egyéb iránt szabálytalan. De az hogy "labortáp" elég bő fogalmat takar. üdv!
A labortápom gyári, én csak megvettem, nem szabálytalankodtam
Hello! Attól még lehet rossz konstrukció, és akár szabálytalan is. De gyári labortápoknál, sokszor feltöltődés ellen, a kimentet egy nagyértékű ellenálással, és/vagy egy kondival közösítik a földeléssel. Vagy kapcsolóüzemű tápoknál (mint a PC-táp) kondikat kötnek a GND-re. Ha a táp nem földelt, vagy rossz földelésű csatlakozóba van kötve, simán ráz.
üdv!
A táp egy igencsak drága fajta. Nem kapcsolóüzemű. Van hely a földelésnek, de nem kötöttem be. Csak attól tartottam, hogy valami baja van, de ezek szerint nincs.
Köszönöm!
A kapcsolási sebesség 8Hz és 500Hz között van. Az mindegy, hogy a terhelés hol van, ahogy könnyebb lenne kivitelezni. Több tranzisztorból is állhat az áramkör. Hűtőborda elfér rajta. Lényeg az, hogy négyszögjelet kellene előállítani 50% kitöltéssel.
Van elfekvőben egy marék BD437, BD438 tranzisztor, ha ezeket be lehetne használni az jó volna.
Hello! Ezzel a két tranyóval necces, de megoldható. Mert a határadata a 4A. Így nemlehet egy, és áramkiegyenlítés is kell. üdv!
Sziasztok!
![]() Az lenne a kérdésem hogy azt hogy tudom meg csinálni hogy ventilátor automatikusan bekapapcsol? ![]() pl:hűtésre
Szia
Egy hőérzékelő segítségével. A kapcsolások között találsz ilyet. Üdv,Csupasz
Anno még gondolkodtam, hogy a router és modem tápját közösre csinálom, kis helyen elférőre, de a gyári adaptert nem akartam megbontani (garancia miatt, bár soha ne legyen rá szükségem). Néztem eBay-en 12V/1A-es adaptert. Darabja kb. 800 pénz. Igaz, US villás dugóval (úgyis levágom majdnem tőből), és a kimenet dugója sem olyan, mint kellene, de ezt könnyen pótolom pár száz forintból. A gondom, hogy az egyikből 9V/1A-t kellene csinálnom. Ezt simán megoldhatom egy stab IC-vel? Hűtőfelületnek van bordám, akár nagy (5x5x3cm) méretű is.
Egy kis magyarázatot kaphatok a kapcsolás működéséről ?
Szia
Ha jobban rákeresel, találhatsz megfelelőt is, mert így drágább lesz, mintha veszel egyet itthon! Üdv,Csupasz
Ahogy számoltam, 2k-ból kijönne a kész egység, ennyiért kétlem, hogy nálunk kapok egy 12V/1A és egy 9V/1A adapter-t. Néztem ebay-en 9voltost is, de csak univerzálisat találtam, 15 dolcsi felett. Ez a 12V/1A elvileg térfigyelő kamera adapter, bár ez nem igazán érdekel. A stab IC olcsó, a kettő kellő dugó párszáz forint (router és modembe való), "csoki" filléres dolog, tápkábelem van, tápkábel aljzat pedig egy nyomtatóból bontódik. Az eBay-es cucc 5x5x3cm, szóval elég pici.
Hello! Nem egy nagy kaland ez.
- Az R1 ellenállás egy Shunt ellenállás. Vagy is azon figyeljük, hogy folyik-e az áram. Ha a páka 2A-t vesz fel, akkor azon, kb. 1V váltófeszültség lesz. - A tranzisztor minden pozitív félperiódusban kinyit, és töltögeti a kondit, amiből a Led-ek égnek. - Az R2 védi a bázist a túláramtól, a D1 ugyan ezt a fordított feszültségtől, az R3 a kollektort a túláramtó, a D2 a kollektor helyes polaritású feszültségét adja. R4 pedig a Led-ek előtét ellenállása. C1 azért kell, hogy a félhullámú jeltől ne villogjon a Led. üdv!
Sziasztok! Még az előző generátoros dologgal kapcsoltban van egy dolog ami nem tiszta. Gerjeszteni egyenárammal vagy váltóval célszerű? Én egyennel próbáltam és úgy működött is csak mégse vagyok benne biztos.
Hello! Egyenárammal kell gerjeszteni, mert a váltót, majd a generátor forgatása hozza létre. üdv!
Tehát ha váltakozó körre tervezek. Akkor:
A: úgy tekintem a pozitív félperiódusnál mintha DC lenne pozitív irányba , majd a negatív félperiódusnál ugyan úgy pozitív csak a másik irányba folyna az áram ? vagy B: Ugyan abba az irányba folyik csak egyszer pozitív másszor negatív előjelel ,ebből következően a negatív a negatív előfeszítésű diódán folyik át , a pozitív a pozitívon ? C: mind kettő butaság.
Hello!
Mondjuk az áram első félperiódusban "felfelé" indul el, másodikban "lefelé". Mert ugye a nevében is benne van, hogy váltóáram, avagy váltakozó irányú áram. De egyenáramnak nem tekinthető, mert az idő függvényében nem állandó, hanem a szinusz függvény szerint változik az értéke. Az iránya pedig másodpercenként 50-szer fordul. A pákának persze tök mindegy, mindegyik áramirányra fűt. üdv! A hozzászólás módosítva: Márc 19, 2013
|
Bejelentkezés
Hirdetés |













