Fórum témák
» Több friss téma |
Amit az előbb küldtem, a kondikat. Az egyik értéke: 2A 100nF. olyan téglatesz, zöld alakú. És ezt ugyanúgy lehet használni a kapcsolásokban, mint egy oylan kicsi, kör alakú narancsszinű kondikat? PL: 100nF.
Igen, pont ugyanúgy. Beforrasztod, és kondenzátorként viselkedik az áramkörben!
Mámma nagytakaritás volt az alkatrészek között, és találtam ilyeneket. ÉS kiváncsi vagyok rá, hogy mégis mik ezek!
szia!
a kétlábú kerek valamik kondik a hengeres alakóak induktivetások az az ezüstös színű akármi fóliakondi és a 3 lábúak szerintem ellenállások(több ellenállás van 1 tokban) Idézet: „a 3 lábúak szerintem ellenállások” Azok nem ellenállások! Rezgőkristályok! De ha valamit nem tudsz pontosan, akkor miért kell mindenáron tippelni rá? Ezzel akarod a másikat félrevezetni? Az is szép dolog tud lenni, ha valaki be meri vallani, hogy nem ért mindenhez és nem ismer mindenféle alkatrészt! Azaz nyugodt lelkiismerettel odaírhattad volna, hogy: "a 3 lábú bigyókról sajnos fogalmam sincs!" Mert így annyit sikerült elérned, hogy majdnem félrevezettél egy embert, ráadásul mellé még neked is károd származott belőle! Legközelebbre: amihez nem értesz, ahhoz nem kell hozzászólni feltétlenül! Kösz!
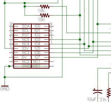
Helló mindenkinek Valaki megmondaná mi ez a képen. Én erősítőre tippelek van rajta KI BE GND szövek a lábainál.
sziasztok
egyik otletemhez kerestem fotodiodakat, es a doboz aljan talaltam az alabbi nyakokat.. tudja valaki, hogy mik ezek? hogy honnan szarmaznak? hogy hogyan lehet ezeket mukodesre birni? valaszaitokat varom ErdosJ
olyan tippet kaptam, hogy talan fenykepezo vagy fenymasolo alkatresz volt.. passz..
Ja, én is fénymásolóra tippelek, lehet, hogy ez az eszköz egy "fénymérő" aminek az emberi szemhez van igazítva a spektrális érzékenysége.
Sziasztok
Mostanában ráakadtam egy kinai fényfüzérvezérlő kapcsolásra(karácsonyfákhoz)és én sztem rizsszemízzókat vezérelt (cseppic,vezérlő tranyók) Minden müködik,rá is kapcsoltam 4 db fényfüzért,mert ennyinek van helye,és villogtat,egy alkatrész azonban hiányzik,ami a 230VAC-vel van sorbakötve(ennek kapcsolási rajzát csatolom)és LEHET?!?! ennek hatására melegszik a cseppicé eggyik ellenállása Bővebben:Milyen alkatrésznek lehet a kapcsolási rajza,a csatolt képen? UI:még egy fázisjavitó kondi is hiányzik(csak gondolom,hogy ez lehet,mert ez meg párhuzamosan van rákötve a 230VAC-re,és a kondi kapcsolási rajza is ott van)de ez sztem nem szükséges Köszi
sziasztok! valaki tudja mik ezek és mit lehet belőlük varázsolni?? thx
Egy ismeretlen IC egy tokban; egy triak vagy egy tranzisztor; 2 db kétszínű LED. Sorban ezek. Semmit sem tudsz varázsolni a 3-ból...
Hi
Medvének igaza van .... régi analóg fénymásolók autómata fényerő kalibrációjára szolgáló érzékelő. ADS (auto image density sensor). ez a kis panel gyakorlatilag nem más mint egy erősítőfokozattal ellátott fényerő mérő. ezt a tipust konkrétan nem ismerem. de ha én működésre akarnám bírni, először megkeresném a pufferkondik + és - kimenetét (az lesz a táp) megnézném mekkora feszültségű a kondi és az alatti feszültséggel kísérleteznék. a másológépeknél a 24 - és az 5 volt az elterjedt. ez a módszer nekem általába be szokott jönni ![]() üdv
Sziasztok!
Egy sziréna nyomtatott áramköri lapján találtam egy 16 lábú IC-t. A tetején a következő felirat van: K561TB1 02 86 Sem az itteni katalógusban, sem a neten nem találtam róla semmi érdemleges datasheetet ![]() Valami előerősítőnek gondolnám, mert a 14-es lába hang kimenet, kb. vonali kimenőszinttel. Létezik pedig, ITT is benne van a listában, csak épp datasheet nélkül ![]() Ha esetleg van ötletetek, mivel lehetne helyettesíteni (vagy hol találok ilyent) megköszönném!
Szerintem azok nem LED-ek. Látszik a pöcök rajtuk: két darab TO5 tokozású tranyó.
Egyébként Zozó, biztosabbat tudnánk mondani, ha leírnád, mi van rajtuk, mert ezen a képen nem sok minden látszik.
Esetleg ez: adatlap
Ez egy 24 lábú erősítő, bár egy csomó láb be sincs kötve, úgyhogy előfordulhat kevesebb lábú kivitelben is.
A K561 TB1 orosz ic megfelelője a CD4027A.
Szia
Gondolom,akkor vmi kerámiából készült lehet,de hogyha ez is biztositék jele,akkor a vizszintes vonallal áthúzott téglalap "jelű" biztositék mit jelől? Tehát mi a 2 között a különbség? Feldobok néhány képet a panelról(telós képek,ne ilyedjetek meg )Kép000:A kondi,amely a 230VAC-val van párhuzamosan,hiányzik! ...1:Erről beszéltem korábbi hsz-emben,a VU feliratot elfelejtettem közölni ...2:Ez az elenállás már a végén jár,a szinkódot,és az értéket feljegyeztem Amikor ráadtam a tápfeszt,akkor még az elején nem volt fekete,ezért jöttem ide,lehet,hogy a hiányzó bizti hibája! Köszi
Igen, az IEC szerinti szabványos jelölés az az, amit Te mondasz. Az az ellenállás hol van pontosan? Nem lehet, hogy túlterheled?
Nem,nem lehet,hogy túl lenne terhelve
Ezt a panelt ugy találtam,és rá voltak forrasztva a vezetékek,amik le voltak vágva továbbá az a kondi,és a bizti hiányzott(hiányzik) amikor kezem ügyébe került,csak levágott vezetékek voltak hiányos alkatrészek,de annak az ellanállásnak semmi baja nem volt mikor a 230V AC-re rákötöttem továbbá a fényfüzéreket,néztem,hogy milyen "villogás" van beprogramozva a csepp ic-be ekkor éreztem a szagot és az ellenállást ekkor vettem észre,rendesen végezték a dolgukat a kapcsolgató tranyók is ez az ellenállás a cseppic áramellátását szolgáltatja na de nem off-olok megvan a hiányzó alkatrészre a válasz és olyan kerámia biztit,hogy lehet kérni? (boltban eladoktól.) én csak az "üvegcsövesekhez" értek perr pillanat ugyanugy 250V,xy mA amennyit felvesz a "ketyere" Köszi Tamás
Helló!
Uj vagyok itt, de nagyon tetszik a fórum. Rögtön lenne is egy kérdésem. Találtam egy nyákrajzot és nemtudom, hogy milyen alkatrész van benne. légyszi segitsetek! mellékelem a képeket. Ez a hozzá tartozó szöveg: Now install the 20 pin SpinStudio connector in the position marked with a Green C. Note - This component is inserted from the bottom of the board, and soldered on the top, opposite of the other components! You may want to solder 1 pin first, check to be sure the connector is positioned snuggly against the bottom of the circuit board before soldering the remaining 19 pins. Also you may want to turn the circuit board while soldering, to "attack" the pins in each row from a different angle.
Sziasztok.Ez az alkatrész egy BOSS hőfokszabályozó áramkör 24 v-os bemenetén a táp +,-,között van.
Fordított polaritás ellen védő elemnek tünik,úgy néz ki mint egy dióda.A GOGLE azt hozta 47v 1500w Találkozott már ilyennel valaki?? Esetleg latalógus, adatlap??
Hello, ez egy tranziens elnyomó dióda, a bemenetet védi a nagyfeszültségű lokésektől
|
Bejelentkezés
Hirdetés |











)










