Fórum témák

» Több friss téma
Fórum » Házilag építhető fémkereső
Lapozás: OK   76 / 272
(#) titilla válasza Ge Lee hozzászólására (») Ápr 6, 2013 /
 
Az IGSL rajzát megtalálom itt a fórumon? Hátha abból is tudnék valamit kimazsolázni...
(#) titilla válasza titilla hozzászólására (») Ápr 6, 2013 /
 
Köszi, megtaláltam!
(#) motyo válasza titilla hozzászólására (») Ápr 7, 2013 /
 
Én is megtaláltam! Csak beestem a fórumra én is! Érdeklődtem és mateatek jó fej volt! Segített mindenben! Persze nem esik az öledbe a gép!
(#) mateatek válasza kirally hozzászólására (») Ápr 7, 2013 /
 
A vevőerősítőnél értelemszerűen megtalálod. A két fázis-egyenirányítónál, és a két erősítő csatornánál pedig az azonos pozícióban lévőket kell párba válogatni.
(#) mateatek válasza titilla hozzászólására (») Ápr 7, 2013 /
 
Egy jó vevőerősítőt nem könnyű összehozni. Ez leginkább abból adódik, hogy nincsen gy átlag barkácsolónak olyan helysége, ami a rengeteg elektromos zavar és zaj ellen le van árnyékolva. Tehát bekapcsolod az űber-szuper erősítőt, a vevő tekercs meg összeszedi a sok zajt, amit a vevő erősítő fölerősít, és csak nézed, hallgatod, hogy mi ez.
Tehát nem könnyű a műhelyben egy ilyen gépet csinálni. Zavarja a számítógép kapcsolótápja, zavarja az energia takarékosé, a szkóp bezavar, a labortáp, meg a szomszédban üvöltő nótatévé.
A jó minőségű vevő erősítő eredményeit le tudja rontani a gép további pozícióiban lévő válogatatlan alkatrész halmaz, de akár a gagyi, vagy rosszul bekötött fejkábel.
Az SMW vevőerősítője jó konstrukció. Ugye mindig az első fokozat zaja határozza meg leginkább az erősítő fokozat zaját. Hát itt van módod a diszkrét alkatrészeket válogatni, polírozni. A TGSL-IGSL kombóba meg szerintem nagyon jól tud muzsikálni egy 5534.
Vagy, ha nagyon irtod a zajt, akkor pakoljad bele a fejbe az oszcillátort, és a vevőerősítőt.
(#) kirally hozzászólása Ápr 7, 2013 /
 
Az azonos színűeket párba kell válogatni?
és még ezeken kívül miket kell?
Légyszi jelöld be.
Köszönöm előre is!

tgsl2.jpg
    
(#) marjanz hozzászólása Ápr 7, 2013 /
 
Sziasztok,

Építenék egy BFO-s fémkeresőt. A problémám az, hogy egy nagyobb méretű fémdarab hatására nagyon minimális változás mérhető csak a buzzer kapcsain. Többször átnéztem a rajzot és a kapcsolást jónak találtam. A rajz szerint a kereső tekercs 100mH induktivitású. Leírás szerint 9 cm átmérőjű és 30-as tekercsszámú (...nem tudom hogyan lehet 100mH...), amit 0.15mm-es átmérőjű huzallal tekertem fel, de gyanús, hogy vagy a huzal, vagy valami nem stimmel a tekercssel kapcsolatban.
Le tudná valaki írni részletesen hogyan kell ilyen induktivitású tekercset összehozni?
Előre is köszi.
(#) mateatek válasza kirally hozzászólására (») Ápr 7, 2013 /
 
R29-31, C13-16, C20-23, R32-34, R33-35. A két JFET-et sem lenne hátrányos megválogatni. Technics erősítőkből bontottam dual JFET-eket, amik ilyen helyre tökéletesek. Nem színezek, mert ennyi szín már nem létezik linukszon.
A hozzászólás módosítva: Ápr 7, 2013
(#) titilla válasza mateatek hozzászólására (») Ápr 7, 2013 /
 
Hmmm. Oszci és vevőerősítő a fejbe ez bizony nagy 5let! Számomra érdekes, hogy az smw vevőerősítőjét írtad. Nekem pont a TGSL tetszett ebből a szempontból, mert az szimmetrikus bemenetű, így elméletileg kevésbé zavarérzékeny. Bár ez csak elmélet, a gyakorlat lehet, hogy mást mutat... Amit még nem igazán értek az az, hogy a vevő, illetve az adótekercs rezonáns körét, azt miért nem azonos frekire hangolják. Van ennek valami gyakorlati oka?
(#) titilla válasza motyo hozzászólására (») Ápr 7, 2013 /
 
Elég nagy projekt lesz, de csináltam már hasonló volumenű dolgokat. Szeretem a kihívásokat! Ezek szerint Te is IGSL-t készítettél. Nem zavar a terepen a potirengeteg ami a gépen található?
(#) mateatek válasza titilla hozzászólására (») Ápr 7, 2013 /
 
Sajnos nagyon hiányos a szakirodalom fémdetektor ügyben, ezért sok dologra az embernek magától kell rájönnie. Egyszer sikerült egy fejet konstruálnom, ahol min minden jónak tűnt, csak nagyon érzéketlen lett. A vevő tekercs rezgőköri kondiját módosítva, tökéletes lett. Akár kisebb, akár nagyobb kondit tettem be, jó lett. De az adott értékkel nagyon gyenge volt. Azt hiszem, hogy akkor sikerült rezonanciára hoznom a két tekercset.
Az én tapasztalatom szerint, egy jól összerakott SMW erősítővel nagyobbat lehet erősíteni, mint a Tesoro által használt szimmetrikus bemenetűekkel. A földeken meg nem sok a zavar.
(#) Yowie válasza marjanz hozzászólására (») Ápr 7, 2013 /
 
Egyrészt vannak a neten tekercs kalkulálók, keress egyet....

Másrészt, ne küzdj vele, egy BFO 9cm-es tekerccsel igazából semmire sem való, max valami ipari célra, fémkeresőnek nem. A BFO önmagában problémás, a 20cm alatt nem igazán fogsz háziépítésű, használható géphez jutni. Itt a TGSL, elég egyszerű és jó gép.
A hozzászólás módosítva: Ápr 7, 2013
(#) motyo válasza titilla hozzászólására (») Ápr 7, 2013 /
 
Én most szívok az IGSL-lel géppel! A fejjel... kontakt hibás lett sajna, de ha működik: http://videa.hu/videok/tudomany-technika/igsl-gMFka9CxWjg2A4lD Az "régi"1 Ft-ost harmincról így viszi...
(#) Yowie válasza motyo hozzászólására (») Ápr 8, 2013 /
 
Szeretem ezeket a videókat, ahogy így rángatjátok a céltárgyat, remélem a terepen is így mentek, mert akkor még az unokámnak is marad mit találni.
(#) wolf92 válasza mateatek hozzászólására (») Ápr 8, 2013 /
 
Kösz akkor maradok valószínűleg a AAA-s elemek összekötésénél amúgy a Surf PI kapcsolási rajzon nincsenek feltüntetve hogy a kondik, ellenállások stb.-k hány Voltosak mert ez akadályozza hogy megtudjam építtetni..... :/ valaki megtudná adni az adatokat???????
(#) mateatek válasza wolf92 hozzászólására (») Ápr 8, 2013 /
 
Nem igazán találok olyan helyet a rajzon, ahol a 16 voltos kondi nem bírná a nagy feszültségeket.
(#) wolf92 válasza mateatek hozzászólására (») Ápr 8, 2013 /
 
azaz nagy valószínűséggel a 16 Voltosak a cuccok?
(#) mateatek válasza wolf92 hozzászólására (») Ápr 8, 2013 /
 
Igen. Ha nagyobb, az nem baj.
(#) kirally válasza mateatek hozzászólására (») Ápr 11, 2013 /
 
Köszönöm!
És még lenne pár kérdésem, ha nem baj.
Mennyi az az eltérés, amire már azt lehet mondani, hogy jó?
JFET-et milyen szempont szerint kell mérni?
(#) mateatek válasza kirally hozzászólására (») Ápr 12, 2013 /
 
UGS alapján próbálnám meg válogatni. Egy egyszerű kapcsolással, voltmérővel és potival megoldható.
Szerintem, ha 1 százalékon belül vagy, az jó.
(#) kirally hozzászólása Ápr 12, 2013 /
 
Köszönöm szépen!
(#) DaviS válasza mateatek hozzászólására (») Ápr 12, 2013 /
 
Szia!
Haladok az SMW-vel, arra lennék kíváncsi, hogy hogyan lehet a gépet 15KHz-re hangolni a jelenlegi 10KHz-ről. Az oszcillátort át tudtam hangolni 15 KHz-re, a tekercsen az amplitúdó kb. 110V pp-re nőtt, de a szelektivitást és a talajkiegyenlítést el is vesztette. Ez a magasabb frekvencia, vagy a nagy amplitúdó miatt lehet? Illetve a PHASE trimmer mire jó?
(#) mateatek válasza DaviS hozzászólására (») Ápr 13, 2013 /
 
Ahhoz, hogy ez a dolog működjön, először is a vevőerősítőt is át kell hangolni, mert annak is van fázistolása. A fázistolóknál lévő R-C tagokat is át kell hangolni, mert ugye más frekvencián kell valószínűleg más fázisszöget tolni.
Ha jó a talajkiegyenlítés beállítása, akkor a CD4053 4-es lábán a csatolt képnek megfelelő ábrát kell a szkópon látni. A 15-ös lábán a szinusz hullám alsó periódusait. Ezt tudod a phase trimmerrel állítani.
Kérdést vet föl az is, hogy a kb 10kHz-es fej hogy fogja szeretni a 15kHz-et. Előfordulhat, hogy megnő az offszet feszültsége, amit ki kell egyenlíteni.
De miért akarod a gépet áthangolni?
Ha a nagyobb amplitúdó kell csak, ami az adó tekercsen ébred, azt 10kHz-en is elérheted, ha az oszcillátorban a 440n-os kondikat megnöveled. Két hely van a nyákon egy kondinak. Tegyél beléjük 330n, vagy nagyobbat. Ha elhúzza a frekvenciát, akkor a 150n-s (47+100) kondival beállíthatod. Ott is két hely van. Persze az oszcillátor tranzisztorai izzadósak lesznek, lehet, hogy azokat is ki kell cserélni. Meg zabagép lesz a készülékedből.

föld.jpg
    
(#) DaviS válasza mateatek hozzászólására (») Ápr 13, 2013 /
 
Igazából csak kísérleteznék vele, a nagyobb freki azért lenne jobb, mert talán akkor a nagyobb vasdarabokra kevésbé lenne érzékeny, mert egyenlőre nem valami jó a diszkrimináció (amúgy az IGSL diszkriminátorát, nem lehet valahogy összeépíteni ezzel?). A gép érzékenysége már így is kiváló, az 5Ft-ost 38-40cm-ről hozza. Az oszcillátorban lévő kondikat már kicseréltem tegnap 1mikrósra, és a 47nanósat kivettem így visszaállt 10KHz-re, gyönyörű szinuszjellel.
(#) mateatek válasza DaviS hozzászólására (») Ápr 13, 2013 /
 
A nagy darab vasakat benyeli szerintem akkor is a gép. De ha jól fülelsz, akkor ki tudod szűrni őket füllel. Egy érmére például a jelnek van egy felfutó, és egy lefutó része, a kettő között erős hanggal. Nagy vasra a jel hirtelen kezdődik, és hirtelen véget ér. Esetleg van benne recsegés. Egy érmét szépen hoz a gép minden irányból. A vasra sok esetben csak egy irányból szól, és ha lengeted fölötte, akkor azt is csak például akkor, amikor jobbról balra lendíted. Visszafelé már nem.
(#) titilla válasza DaviS hozzászólására (») Ápr 13, 2013 /
 
Hi!

Jelenleg valami hasonlóm agyalok. Mármint a 2 gép hibridjét megépíteni. Egyenlőre még az elméleti fázisnál tartok, ám ha minden jól megy, akkor a jövő héten elkezdem a nyák tervezését. Az új nyákot úgy fogom elkészíteni, hogy egy alaplapból, és rá merőlegesen forrasztott alapegységekből fog állni, hogy lehessen több oszillátorral, illetve vevőerősítővel kísérletezni... Találtam egy nagyon jó kis leírást, ami segít megérteni a TGSL-IGSL működését. Nem tudom, hogy fent van-e a fórumban, azért csatolom.
(#) mateatek válasza DaviS hozzászólására (») Ápr 13, 2013 /
 
Az IGSL azért nagyon jó gép, mert külön jelzi a vasat. Ez nagyon megkönnyíti a szemét kiszűrését. Sajnos ennyire jó az SMW nem lesz, eleve, hogy nincsen vas csatornája.
De elég mélyre megy, ahová az IGSL nem.
(#) mateatek válasza titilla hozzászólására (») Ápr 13, 2013 /
 
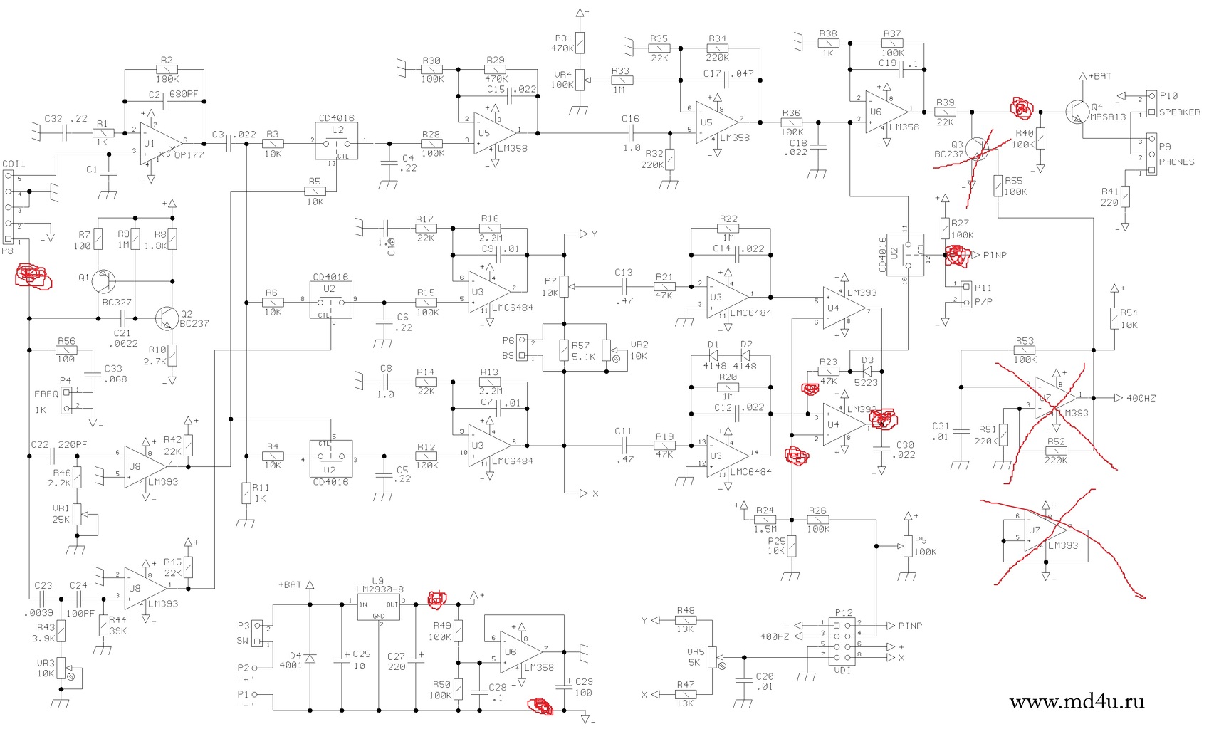
Azért ne végy mindenről példát, amit a leírásban látsz. A 7. oldal második képén a diszkriminációs csatorna kapujele kettőzik. Ez hiba. Ha ilyent látsz, akkor javítsad ki, vagy fuss!
Ha módodban áll, akkor USB kábelt is csak végső esetben használjál.
Ha meg ilyen "árnyékolást" látok, akkor én futok...
A hozzászólás módosítva: Ápr 13, 2013
(#) DaviS válasza mateatek hozzászólására (») Ápr 13, 2013 /
 
Az SMW-t is meglehetne építeni két csatornásra, de a vas külön jelzésére van egy egyszerűbb megoldás. Az IDX-PRO-hoz van egy "2 tone" kiegészítés, az SMW felépítése nagyon hasonló az IDX-hez így szerintem össze lehetne építeni ezzel is. Ez nagyban megkönnyítené a szelektálást.
(#) mateatek válasza DaviS hozzászólására (») Ápr 13, 2013 /
 
Persze, hogy meg lehet csinálni két csatornásra. Én már láttam is ilyen gépet. Bip-bipp böp-böpp.
Következő: »»   76 / 272
Bejelentkezés

Belépés

Hirdetés
XDT.hu
Az oldalon sütiket használunk a helyes működéshez. Bővebb információt az adatvédelmi szabályzatban olvashatsz. Megértettem