Fórum témák
» Több friss téma |
Fórum » Házilag építhető fémkereső
A kábelt nem használnám, inkább helyette duplán SVHS-t.
Ezzel mi a baj?Árnyékolt és 4 eres,vagy más is számít?
Az adót és a vevőt nem árt külön árnyékolni.
Persze nem muszáj.
Ha annyira szükséges akkor csak 2 eret használok fel belőle és duplán veszem ,van annyi vezetékem
És sok kis tekercset meg kondenzátort kapcsolsz ezzel a fejre, meg a kábelre és nem fogod érteni, miért nem működik úgy, mint másoké. Pl a tescoban párszáz forint az SVHS, de elektronikai boltokban jobb minőségűt is kapni. (olyat ne vegyél, amin van egy plusz fólia árnyékolás, pl egyes sencor típusok, talán a vastagabbak)
pl a cobra kábele, ami nem rossz gép, két koax egy csőbe behúzva, az is megoldás.
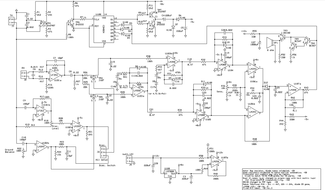
Sziasztok! elkészült a TGSL-nyák plusz a a két tekercs,először csak a TX-et kötöttem rá.bekapcsoltam a gépet ,adott hangot is,de ha bármelyik poti vezetékéhez hozzáérek vagy a fejkábelhez akkor sípolni kezd,csak a sens poti nem csinálja.Ha valaki találkozott ilyennel írjon.Az eddigi segítségért és a dokumentációért köszönet mateateknek.Csatolok néhány képet,ha valaki észrevenne valami hibát az írjon.csak egy kezdő vagyok.
Már privátban is föltettem a kérdést, itt is fölteszem.
A tápfesz konverter működik? Van negatív tápfeszed? Megmérted?
igen működik a tápfesz konverter és van negatív tápfesz .
Ha az működik, akkor rezeg az oszcillátor, van jel az adó tekercsen.
Ha a vevő tekercs pontjait rövidre zárod, és akkor is jelez mindenre, akkor valami rejtélyes hiba van. Az adó tekercs árnyékolása testre van kötve?
ha rövidre zárom a vevő tekercset akkor nem jelez semmire.a 7808 be oldalán 12,6V a kimeneti részén 7,97V a c5-ös kondinál -5V-van írva és 6,37V-ot mérek.
A feszültségek jók.
Most jöhet a szkópos beállítás. Ha a fejkábelhez hozzáérsz, és bejelez, akkor az nem fejkábel. Vagy nem jól van az árnyékoló harisnya bekötve.
Egy milivolt érzékenységű bemenetet szabadon hagyva mindenre nyivákolni fog. Az IC foglalat nekem ilyen áramköröknél nem vált be. A felhasznált alkatrészek nagyon pontatlan típusok (sajna ezeket kapni, ill ellenállásból van jobb vagy lehet mérni). Így hátulról nézve mintha neked is földhurok lenne a panelon körbe, ehhez okvetlen ragaszkodtok? Én is szerettem régebben, olyan profinak néz ki, csaj sok hiba sok kis dologból jön össze és ezért jobb megszakítani valahol...
A nyál tuti, hogy nem hurkos. Ezzel a nyákkal régebben én is csináltam gépet, és jó volt.
üdv Yowie! mit értesz az alatt hogy pontatlanok az alkatrészek? lehet újraforrasztom a foglalatokat.
Én a foglalatokat kihagynám, pár száz forint az a pár IC, értelmetlen foglalatokkal vackolni. Az ellenállások is nagy tűrésűek, ezek a kondik meg...hát csak tájékoztató az érték rajta.
De csinálj egy fotót a nyákoldalról is.
A készülékben több olyan alkatrész is van, ahová nem árt válogatott alkatrészeket tenni. A vevő tekercs különbségképző erősítőjébe, például párba válogatnám az erősítés beállítását szolgáló ellenállásokat.
Ha a fázis-egyenirányítóban a szerencsétlen J FET-et nem válogatja az ember, de azért a passzív alkatrészeket illene. Mint ahogy a két csatorna erősítését is az alkatrészek válogatásával lehet precízen belőni. A gyártók az ilyen helyekre nem röstellik betenni a 0.5-0.1 százalék tűrésű ellenállásokat, és válogatott kondikat. Persze, ha ezeket elmulasztod, attól még fog működni a gép. De ne reméld, hogy a legjobban.
Ezt jó hogy csak most tudom meg amikor már kiköltekeztem,ha előbb tudom....de hát ez van az ember a saját hibájából tanul.
Mintha már lett volna szó a topikban az alkatrészek válogatásáról.
Egy ilyen fémdetektor azért elég precíziós egyveleg. Nem igazán lehet futva elkészíteni, mint egy nájtrájderes futófényt. Sajnos, magyar nyelven nem sok szakirodalom van ezekről a gépekről. De ha valaki elhatározza magát, hogy ilyent épít, hát előtte illendő lenne azon a kevésen kissé átrágódni. Fogalmat ad arról, hogy mibe vágsz bele. Mivel egy ilyen házi készítésű gép elkészítéséhez az egyik fontos műszer maga az elektronika, így azt kellő odafigyeléssel kell elkészíteni. Az elektronika nélkül nem tudod megcsinálni a fejet, vagy csak nagy nehézségek árán. A fej nélkül meg nem tudod kipróbálni az elektronikát. Vagy csak nehézségek árán.
Sziasztok. Habár új vagyok itt, azért figyelem a fórumot rég óta. Ha már pinpointer, akkor a Minimax II-t javasolnám. Kisbronzot 5 cm-ről tudja, de még a kistestvére, (ami jóval 1szerűbb) a Minimax I is tudja 3 cm-ről.
Sziasztok!
Úgy döntöttem, hogy megépítem a TGSL fémkeresőt. Korábbi hozzászólásokban láttam, hogy precíziós ellenállásokat is kell használni. Azt szeretném kérni, hogy legyen szíves valaki bejelölni a rajzon, hogy melyikek legyenek 0,1% tűrésűek. Előre is köszönöm! ![]() Bence
Hali!
Nekem is lenne néhány kérdésem. A TGSL és az SMW között vacillálok. Valószínű, hogy a 2 hibridjét fogom megkonstruálni, mivel a két kapcsolás csak egyes részletekben tér el egymástól (oszci, bemenő erősítő, switch). Sajnos ezek alapvető részletek és ezért lenne szükségem a tapasztalt utánépítők tanácsára. Mateatek írta, hogy az SMW tesztvideóján szereplő SMW ben nem az eredeti oszcillátor van. Esetleg le tudnád írni, hogy milyen oszcit használtál? Továbbá az érdekelne, hogy a vevőköri első erősítőben kísérletezett-e már valaki Instrumentation amplifiert használni PL.:LT1920? Valamint érdekelnének Mateatek vákuumformázott fejsablonjai. Azokhoz hogyan lehetne hozzájutni? A vákuumformázáshoz a műanyag beszerzési forrásáról lehet valamit tudni?
Nem azon van a hangsúly az alkatrészeknél, hogy precíziósak legyenek, hanem az, hogy a megfelelő párok párba legyenek válogatva. A vevő erősítő különbségképző erősítőjébe is belerakhatod az innen-onnan bontott, de párba válogatott ellenállásokat. Nem gond az, ha nem 4.7K az az ellenállás. Lehet 4.6K, vagy 4.8K is. De mindkettő lehetőleg pontosan akkora legyen. Ez érvényes a kondikra is. Nem a tűrésen van a hangsúly, hanem a pontosságon.
Idézet: „Esetleg le tudnád írni, hogy milyen oszcit használtál?” A kulcsszó: e.e. buccaneer
Ha vacillálsz akkor építsd meg az IGSL-t. Nincs benne sokkal több alkatrész mint a TGSL-ben, de terepen jobban fog tetszeni a kettős funkció miatt. Az oszcillátor lényege, hogy 2x-3x akkora amplitúdójú szinuszod legyen az adótekercsen, ettől jobb lesz a gép érzékenysége, persze a fogyasztás rovására. Több gépben is alkalmazzák (kapcsolhatóan), amit láttam abban trafós kicsatolása volt az oszcillátornak (fazékmagos).
Idézet: „Valamint érdekelnének Mateatek vákuumformázott fejsablonjai.” A sablonokat magam csinálom. PET lemezből. http://aplast.hu/hu/
Értem, köszönöm.
És melyikek azok a párok?
Értem, köszönöm! Rx erősítő témájához nem szóltál hozzá, pedig kíváncsi volnék a véleményedre.
Köszi, trafóval, és annak a rezonáns számításaival, belövésével most nem szeretnék egyenlőre foglalkozni. Bár az 5let nem rossz... A rezonáns oszcit azt értem a 2-3x os feszültség amplitudó a tekercsen rezonafrekvencián ugye Q szoros. (Ahol q a rezgőkör jósági tényezője).
|
Bejelentkezés
Hirdetés |








