Fórum témák

» Több friss téma
Fórum » Villanypásztor
 
Témaindító: bernardo, idő: Feb 5, 2006
Témakörök:
Lapozás: OK   154 / 304
(#) vargalaszlo0405 válasza deak francis hozzászólására (») Ápr 16, 2013 /
 
Üdv! Köszönöm, jól hangzik . Kérhetnék hozzá esetleg kapcsolási rajzot ill. trafó pri. sec. adatokat? Ha tudok építek egyet. Kell is a delej mert nem elég a kábelhossz de a cél faj is nagy : gímszarvas és vaddisznó. Ráadásul a disznó még kamikaze is, egy barátom mesélte, hogy látta lesről ill. hallotta, hogy már a bozótban előre visít és nekirohan a drótnak mert már tudta, hogy fájni fog de akkor is áttört. Persze ha rendesen megcsikálná az orrát szerintem kétszer is meggondolná bemenjen e falatozni a tilosba
(#) erdgab válasza fnszunyo hozzászólására (») Ápr 16, 2013 /
 
Ez a kapcsolás olyan amilyen.Vedd ki a 100nF kondenzátort és tegyél bele nagyobbat (220nF,470nF,1uF),de vele párhuzamosan is kötheted.Minél nagyobb lesz a kondi értéke,annál lassabban kapcsolgat.Olyan kondenzátort ne keress ebben a kapcsolásban amit a fet rásütöget a trafóra,mert az nincs,ez a kapcsolás nem arról szól,az csak az inverteres megoldásokban létezik.Ettől a kapcsolástól túl nagy,hosszú szikrát ne remélj,hiszen ezen kapcsolás lényegében egy tranzisztoros gyújtásnak is tekinthető,ha érted mire gondolok.
(#) deak francis válasza vargalaszlo0405 hozzászólására (») Ápr 16, 2013 /
 
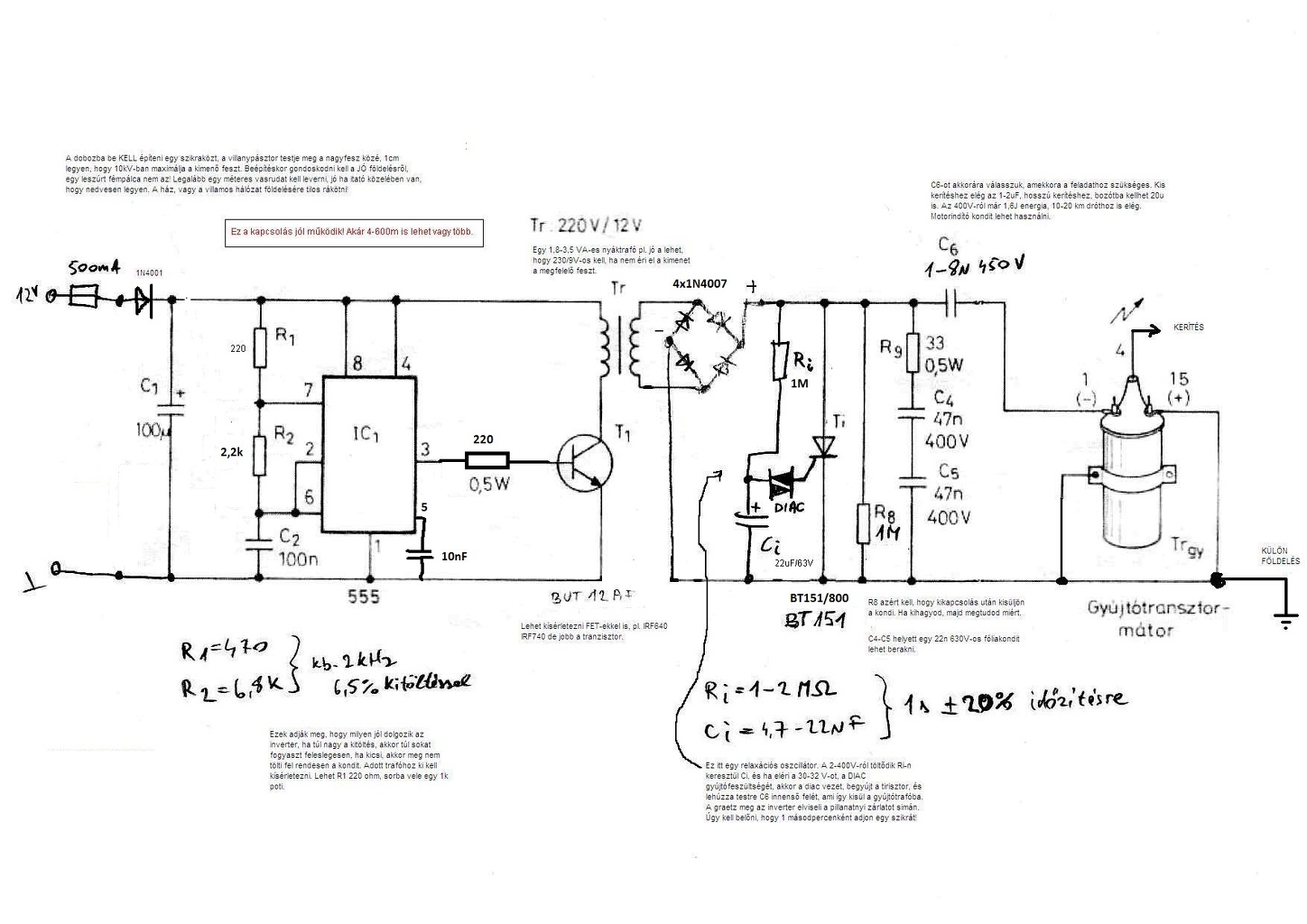
Bővebben: LinkSzia.Megprobálom belinkelni a kapcsolást.Ennek a kapcsolásnak a második felét használtam egy 2om kondival és tekert trafoval.Az első felére 2 trafot ,2x22o per 12v kötöttem őssze.
A trafot EI vasmagra tekertem.A vasmag adatai kb. 1ocm x 12cm x 1cm vastagság.A primer oldalon 1o tekerés 1mm rézdrot,a szekunder oldalon 3oo tekerés o,3mm drot.Kiprobáltam mérőkével is 1okv ot meghaladja 1omm szikraközön átcsap.Még valami hangosabban kattog is.
(#) vargalaszlo0405 válasza deak francis hozzászólására (») Ápr 16, 2013 /
 
Köszi ezt ismerem, ha szerinted jó összerakom mert van hozzá minden itthon. Vasmagnak a nagyfesz trafóba jó lehet a régi tv kétrészes ferritje, vagy annak túl nagy a szórása? Lemezelt van E I kb akkora amit írtál. Ha az jobb szétszedem aztán tekerés... Kell szigetelés gondolom a tekercs rétegek közé. Egyszer tekertem egy sorkimenőt (vastagabb drót kevesebb menet) ott írásvetítő fóliát használtam. Nem tudom ide megfelel e? Még egy kérdés: kellene ebbe a kapcsolásba valahová egy led ami jelzi, hogy üzemben van. (Nem én fogom karbantartani és nem szeretném ha a kolléga óvatlanságát megbüntetné.) Hová lehetne beépíteni?
(#) z3r0 válasza vargalaszlo0405 hozzászólására (») Ápr 17, 2013 /
 
Szia!
Írod, hogy disznónak megy a pásztor. Ha egy jó tanácsot elfogadsz, akkor nem pásztor vezetéket húzol ki, hanem minimum 2-es horganyzott feszítődrótot. Szigetelőnek pedig az erősített ring szigetelő ami bevált, minimum 5cm, de inkább 8-10cm átmérőjű rendesen lefúrt akác oszlopokkal. A disznó vígan fog szaladni az egész kerítéssel együtt ha nem elég erős. Nálam egy 4ha-os erdőben vannak, amíg nem volt rendes, stabil kerítés addig mindent szétszedtek. Sőt, tudja hogyan lehet leföldelni a vezetéket, rátúrják a földet. 25cm alá nem szabad rakni mert kijátssza, ha pedig magasabban van akkor kiássa magát és alatta megy ki. Használtan vettem egy N280-as horizont pásztort, 25J ez tökéletesen teszi a dolgát az erős növényzet mellett is, a szarvasokat és a vaddisznókat bent tartja. Elméletileg 25km kerítést lehetne rákapcsolni erős növényzetben.
A folyamatos szünetmentes üzemet biztosítani kell, mert ha hálózatról megy és véletlenül jön egy áramkimaradás valahogyan tudják, megérzik, hogy nincs delej a kerítésben, 5 percen belül meglógnak. Túlzottan okosak, így figyelni kell rájuk.
A gímnek pedig minimum 2m-2,2-m-ig kell vezetékezni különben kiugrik. Itt is érvényes a 20 centinkénti vezetékelés, hogy ne tudja átdugni a fejét. Magasabban elég már 30-40cm köz is.
Ha ekkora területet akarsz őrizni, akkor oda már szerintem jobb és kifizetődőbb egy gyári ketyere. 30-40J energiával egy készülék megállítja őket, tuti biztosan dolgozik, nem kell annyi felé figyelni. No meg ha meglépnek akkor a bosszúság és a kergetés mire hazaviszi az ember őket (ha egyáltalán sikerül).
(#) vargalaszlo0405 válasza z3r0 hozzászólására (») Ápr 17, 2013 /
 
Szia!
Ismerem a jószágokat igazad lehet... De annyi előnyöm van, hogy nem bent akarom tartani őket hanem kint
A vadföldeket kellene védeni első évben amíg megered a csicsóka vetés, tehát a befektetés átmeneti ezért sem akarok egy drága bolti berendezést. Meg sajnos a kétlábú vadak elhordják a készülékeinket időnként, ezért sem mindegy mennyi a bekerülési érték De a vezetékeléssel kapcsolatban megfogadom a tanácsod. Én is gondolkoztam már ezen de nem voltam benne biztos, így ha azt mondod nálad bevált belevágok. Legalább olcsóbb lesz.
(#) tamas9702 hozzászólása Ápr 20, 2013 /
 
Üdvözletem mindenkinek!

Az alábbi kapcsolást szeretném megépíteni. Kérdésem az lenne, hogy ha növelném a tápfeszültséget akkor hogy reagálna rá a kapcsolás??? Ugyanis csak 24V-os adapter van kéznél. Illetve a 2N3055 tranzisztor mennyire hűtésigényes ebben az esetben???
(#) asdasd. válasza tamas9702 hozzászólására (») Ápr 20, 2013 /
 
Az 50kOhmos trimmerrel ami a monostabil körében van csökkenteni kell a kitöltést és jó lesz 24 v ról is. Ilyet még nem építettem igaz, de elképzelni se tudom hogy működhet stabilan 2n3055-tel. Szívós egy tranzisztor lehet.
(#) k_h válasza tamas9702 hozzászólására (») Ápr 20, 2013 /
 
A 22 ohmos ellenállást kell közel duplájára növelni, ami 2n2222 kollektor körében van. A többit nem kell bántani, mivel a 12 voltos tápkocka teszi a dolgát. Valószínűleg az fog melegedni kicsit jobban.
(#) k_h válasza k_h hozzászólására (») Ápr 20, 2013 /
 
Egy kis kételyeim azért nekem is lennének, azzal kapcsolatban, hogy a 2n3055 mennyire bírja az önindukciós feszültséglökéseket...
(#) tamas9702 válasza asdasd. hozzászólására (») Ápr 20, 2013 /
 
Köszönöm a tippet. Csökkenteni fogom a kitöltési tényezőt.
(#) tamas9702 válasza k_h hozzászólására (») Ápr 20, 2013 /
 
Rendben akkor 44Ohm- os ellenállást veszek. Valami ötleted lenne a tranzisztor megvédésére??? Meg van ugyanez a kapcsolás csak FET-tel. Meiket javaslod???
(#) asdasd. válasza tamas9702 hozzászólására (») Ápr 20, 2013 /
 
Ezen ottvannak a fettel párhuzamosan kötött zenerek, amik megvédik a tönkremeneteltől tehát ez mindenképpen jobb.
(#) tamas9702 válasza asdasd. hozzászólására (») Ápr 20, 2013 /
 
A 2 zener a 2n3055-el is beköthető párhuzamosan? Ugyanis abból van itthon, FET meg csak IRF630.
A hozzászólás módosítva: Ápr 20, 2013
(#) tamas9702 válasza (Felhasználó 13571) hozzászólására (») Ápr 20, 2013 /
 
BU508 az van dögivel régi TV-kből. akkor belerakom azt + a zenereket. A tranzisztort mekkora hűtőbordára rakjam?
(#) tamas9702 válasza (Felhasználó 13571) hozzászólására (») Ápr 20, 2013 /
 
Rendben. Köszönöm a segítséget.
(#) deak francis hozzászólása Ápr 22, 2013 /
 
Helo.Hoztak hozzám a napokban egy pásztort javitás céljábol .Szeretném a véleményeiteket kérni rola.Nekem picit erősnek illetve veszélyesnek tűnik.Remélem feltudom tenni a fotot.Köszi.

111.jpg
    
(#) hg6dab válasza deak francis hozzászólására (») Ápr 22, 2013 / 1
 
Én szépen visszacsavaroznám a tetejét és visszaadnám.
(#) elektroton válasza deak francis hozzászólására (») Ápr 22, 2013 /
 
Ilyet asztalos "épít".
(#) vicsys válasza hg6dab hozzászólására (») Ápr 22, 2013 /
 
Csak előtte fesse pirosra a gazdija, nehogy valaki összeszedje a kuka mellől...
(#) deak francis hozzászólása Ápr 22, 2013 / 1
 
Szia.Ne tudjátok meg hogy T1oo N12oo -as tirisztor ,meg egy 8oMikros kondi milyent csaphat.
(#) peszi hozzászólása Ápr 23, 2013 /
 
Szevasztok!
Van egy villanypásztorom!KB 3.5-4 mp idő közt üt!Mit kellene ki cserélni benn,hogy 1 mp-re rövidüljön az idő?
Üdv:peszi
(#) kaqkk válasza peszi hozzászólására (») Ápr 24, 2013 /
 
C4 et cseréld 1mikrósra!
A hozzászólás módosítva: Ápr 24, 2013
(#) kila válasza kaqkk hozzászólására (») Ápr 24, 2013 /
 
És ha ezek után- peszi kolléga válaszában megköszöni a segítséget, hogy jó lett a készülék...
A hozzászólás módosítva: Ápr 24, 2013
(#) kaqkk válasza kila hozzászólására (») Ápr 24, 2013 /
 
Akkor mázlista ! Ha nem tudjuk milyen a kapcsolás hogyan adjunk tanácsot??
A hozzászólás módosítva: Ápr 24, 2013
(#) Antennaman válasza deak francis hozzászólására (») Ápr 26, 2013 /
 
Sziasztok!
Nekünk ugyan ez egy veszélyes hulladék, de a gazdája örül, hogy ezt is be tudta szerezni. Rá nézésre az egyik gyenge pont a trafó, mert mielőtt nagyot ütne áthúz önmagában és akkor kifelé nem is sok jut az energiából.. A képet nézve még a hálózati szűrő tekercs is be van iktatva. Jó "combos" Tirisztor is van benne. Kondenzátorból ehhez a konstrukcióhoz elegendő lenne 10-20uF. De ez csak az én szubjektív véleményem.
(#) deak francis válasza Antennaman hozzászólására (») Ápr 27, 2013 /
 
Szia. Én csak annyit fűznék hozzá,hogy nagyon erős a többiekhez viszonyitva.Ide értve az inverterest és stb.és stb.Én még főltettem egy hasonlot ezelőtt.körülbelül ugyanaz a mester készithette.Mindkettő erős.
(#) erdgab válasza deak francis hozzászólására (») Ápr 28, 2013 /
 
Csak egy gondolatot fűznék az inverteres megoldású pásztor gyenge vagy sem -hez. Az inverteres pásztornak,ami itt a fórumon is forog,csak az autótrafó szab határt más nem.Az inverterrel fel lehetne tölteni sokkal nagyobb kondit is,hiszen lehet változtatni a kitöltésen és a frekvencián is nagyon könnyen,egy más áttételű trafóval a feszültség is emelhető,ha kell.Az autótrafós megoldást az olcsóság és a könnyen beszerezhetőség szülte.Ha lenne jobb alternatíva a trafóra emberi áron az engem is érdekelne.
(#) deak francis válasza erdgab hozzászólására (») Ápr 28, 2013 /
 
Szia.Egyetértek veled.
(#) peszi válasza kaqkk hozzászólására (») Máj 2, 2013 /
 
Tisztelt! kaqkk, kila,köbzoli!
Sajnos nekem még ez is magas!!És ha küldenék képet róla? Akkor többet tudnátok segíteni?
Üdv:peszi
Következő: »»   154 / 304
Bejelentkezés

Belépés

Hirdetés
XDT.hu
Az oldalon sütiket használunk a helyes működéshez. Bővebb információt az adatvédelmi szabályzatban olvashatsz. Megértettem