Fórum témák
» Több friss téma |
- Ez a felület kizárólag, az elektronikában kezdők kérdéseinek van fenntartva és nem elfelejtve, hogy hobbielektronika a fórumunk!
- Ami tehát azt jelenti, hogy a nagymama bevásárlását nem itt beszéljük meg, ill. ez nem üzenőfal! - Kerülendő az olyan kérdés, amit egy másik meglévő (több mint 17000 van), témában kellene kitárgyalni! - És végül büntetés terhe mellett kerülendő az MSN és egyéb szleng, a magyar helyesírás mellőzése, beleértve a mondateleji nagybetűket is!
Üdv!
A probléma elég egyszerű és bár több topicba is kerülhetne, ide írom, mert biztos egyszerű, csak Én kezdő, nem értem. Tehát: adott egy nappali menetfény lámpa, amit párban eredetileg autóba szántak, ám én kerékpáron kívánom használni világításra. A házban lévő foncsor alján négy darab LED van, (képek csatolva) az egész egység 12 V feszültség mellett állítólag 4,8 W teljesítményt vesz fel, ad le mittudomén, mondom nem értek hozzá… Szerintetek mekkora, és milyen (NiMh; NiCd; zselés ólomsavas…) akkumulátor volna megfelelő ahhoz, hogy minimum öt de inkább hat órán át öntse a fényt az útra? Válaszokat előre is köszönöm: István. A hozzászólás módosítva: Ápr 30, 2013
Egy kis tartalékkal 3Ah kell neked. Egy fogyasztó mindíg felveszi a teljesítményt, egy áramforrás pedig leadja. Csak hogy érts hozzá.
A hozzászólás módosítva: Ápr 30, 2013
Sziasztok!
Ha foglalat nélkül forrasztok be pl 555-öt vagy akár más IC-t, akkor azok mennyire könnyen tudnak meghalni? Most épp nem volt kéznél, betettem úgy, és nem működik a rendszer. Ti mindig használtok foglalatot?
Szia!
Attól függ mennyi ideig (és milyen pákával) forrasztod, de a hiedelemmel ellentétben forrasztás közben nem haláloznak el olyan könnyen. Szóval ha csak egy pár másodpercig forrasztgattad a lábait egy 40-60W-os pákával, akkor nem attól nem működik. Sőt én még azt is meg merem kockáztatni, hogy 10 másodpercen felüli forrasztást is kibírnak. Persze nem minden alkatrész bírja egyformán, de egy pár másodpercig bírják a hőt. ![]() Szerk.: a foglalat használata azért előnyös, mert ha cserélni kell az IC-t, akkor nem kell hozzá páka, és gyorsabb. A hozzászólás módosítva: Ápr 30, 2013
Szia! Akkor érdemes foglalatot használni ha reális esélye van annak, hogy az IC-t el kell távolítani. Egy lepróbált kapcsolás és biztonságosra méretezett igénybevétel esetén minden további nélkül közvetlen beforrasztható. A foglalat szórt kapacitással és érintkezési hiba lehetőséggel jár.
Sziasztok!
Szeretnék építeni egy "Tapsérzékelőt", amivel a szobámba lévő villanyt lehet kapcsolni. ![]() Ebben szeretném segítségeteket kérni. Tudniillik ez az első Elektronika "építményem". A hozzászólás módosítva: Máj 1, 2013
Kerestem, de nem sok sikerrel.. Tudod nem sokat kérdezek, mert amit akarok állt. megtalálom. Most nem találtam semmit.
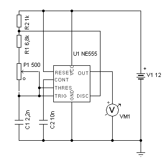
Sziasztok!
Olyan kapcsolásra lenne szükségem ami Ultrahangot hoz létre 42,3 KHz és 42,8 KHz között szabályozhatóan. Tudnátok ajánlani valamit? Köszi előre is!
Sziasztok!
Trafó nélkül szeretnék egy 320V-os kondit feltölteni max 300V-ra. Egy erre alkalmas kapcsolásra van szükségem, azt mondták triakkal van megoldva, hogy 300V-nál lekapcsol a töltés. Ez egy vakuhoz nagyon hasonló rendszer lesz, a kondik is foto flash-ek. Az érintés védelmi részt ismerem, alternatíva is csak akkor érdekel, ha trafó nélkül hálózatról tölthető. Mindenkinek nagyon köszönöm a segítséget, és kérlek vegyétek figyelembe, hogy kezdő vagyok e-téren.
soros kondenzátor a graetz elé
+ - közé egy 300V-os zéner
Hello! Például egy 555-el megoldható. üdv!
Köszönöm mindkettőtöknek, megoldottam a problémát. Kicseréltem az IC-t és most működik. Majd leszedem a forrasztásból rajta maradt ónt, és megnézem próbapanelen hogy működik-e. Ha forrasztási, vagy más hiba volt is, most majd ki fog derülni.
Sziasztok, valaki aki jártasabb a témában meg tudná mondani, ezeket mivel lehetne helyettesíteni? ATX tápból vannak kiműtve.
http://www.mospec.com.tw/pdf/schottky/S16C30-S16C60.pdf http://html.alldatasheet.com/html-pdf/78029/AUK/D13007/45/1/D13007.html S16C40C és D13007M A hozzászólás módosítva: Máj 2, 2013
Jobban jársz, ha veszel egy új tápot!
Szia!
Az ötlet jó, de sehol sem találok 300V-os Zénert.
Sziasztok !
A segítségeteket szeretném kérni földelés ügyben . Eddig után építéssel bíbelődtem és többször is találkoztam kivezetett , valójában nem földelt kapcsolásokkal . A virtuális földelés , hogyan működik ? Előre is köszönöm !
Nem írtad, milyen jellegű építésekről van szó. A védőföldet remélem nem kevered össze az éramkörben alkalmazott nulla potenciál jelölésére használt jellel.
Sziasztok! Most kezdtem el forrasztgatni, nagyon kezdő vagyok még benne. A problémám az, hogy van, hogy forrasztás után (hiába próbálom letörölni a hegyet a nedves szivacson) marad a hegyen egy kis ón. Ezt hogyan tudom leszedni róla? (a nedves szivacstól gondolom kihül és utána már csak szakítja a szivacsot). Esetleg miután kihült a pákahegy esetleg valamivel le lehet szedni? Mivel érdemes próbálkozni?
Előre is köszönöm!
Szia!
Az ónt nem fontos leszedni a hegyről és a szivacs nem is az ón leszedésére való, hanem a gyantamaradványok eltávolítására.
Sziasztok,
Fürdőszobai kapcsolót kellene beszerelnem. Adott két fekete és két kék vezeték, és hiányos ismeretek. ![]() A kapcsolón 3 csatlakozási pont van. L, A1, A2. Ez egy váltó kapcsoló lenne. Mit hova kellene bekötnöm? 2 fekete L-be 2 kék A1-be az A2 meg marad üresben? Üdv.: Tibi
Az a kapcsoló nem oda való!
Fürdőszobába úgynevezett kétsarkú kapcsolót kötelező felszerelni. Ez megszakítja a fázist és a nullát is. |
Bejelentkezés
Hirdetés |















