Fórum témák
» Több friss téma |
Fórum » Ki mit épített?
Ez a téma ha úgy tetszik a mi "kiállítótermünk", nem pedig a ki mit csinált volna másképpen, mások helyett, és legfőképpen nem javítós téma.
Minden készüléknek van saját témája, ott kell kitárgyalni a részleteket!
FONTOS! A kapcsolási rajzok keresésére is van saját téma, ott keressetek rajzokat!
Nagyon szép kivitel,gratulálok. Hadd kiváncsiskodjak,a doboz miből lesz?
Jó kérdés!
Doboza nem lesz. Csak dísznek csináltam (csinálom), és doboz nélkül szerintem még jobban is néz talán ki. Meg persze nem utolsó érv az sem, hogy idegtépő 100db téglalap alakú lyukat készíteni.
videót esetleg láthátnák az analizátorról? Nagyon szép munka! hogy forrasztottad be a LED-eket? Elfértél tőlük? Jó sok pénzbe lehetett
Még nincs kész teljesen és még nem volt bekapcsolva.
Az előző verzióról ITT van egy telefonnal felvett videó. ITT pedig a lap alján van még pár. Majd erről is csinálok persze videót, cikket meg mindent. A ledeket nagyon utáltam beforrasztani. Szisztematikusan, szépen sorban kellett beforrasztani őket, különben nem fértem oda a pákával. A ledek szerencsére ingyen voltak.
köszi! De jó neked, hogy ingyen LEDeket kapsz....
Gratulálok, nagyon szép gondos munka.
Mért nem teszed dobozba ? Nagyon szépen megoldható ha ugy csinálod hogy egy füstüveglap mögé teszed az egészet és belülről kitakarod az elektronikát, jópár éve csináltam hasonlót és igy marha jól nézett ki főleg sötétbe.
Sziasztok; van ez a kapcsolasi rajzom es nem tudom, h hova jarnak 10k es 20k ellenallasok,.. Ebben kene segitseg, megvan a nyak es minden egyeb, csak nem tudtam hozzajutni olyan ellenallas packhoz,.. es ellenallasokat tennek bele,.. Ittvagyok az ellenallasokkal az aramkorrel s pakaval a kezemben es
Valakinek valami otlet?
Szerény véleményem szerint az azt jelenti hogy az ellenállás pack 10 lábú és 20kilós ellenállásokat tartalmaz .
Buxuskulcs; h ez nem jutott idaig eszembe ;o)) Koszi szepen orok halam!
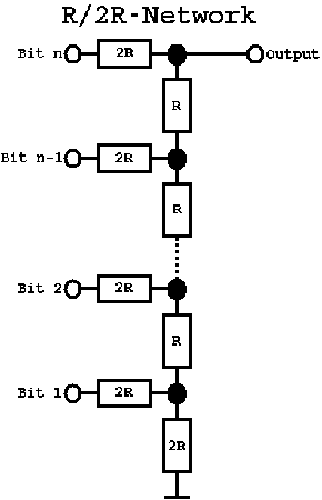
Szerintem meg egy r-2r hálózat, 10k és 20k ból felépítve,
D/A kimenetnek, üdv.
Ja, és elfelejtettem írni, az avr digitális kimeneteire(tehát a vízszintesre) kerülnek a 2R-ek, a 20k , és a függőleges részbe az R-ek, azaz a 10k,
itt egy rajz, ezen jobban látszik a dolog, remélem segítettem vele, üdv.
Akkor most mi legyen? Mar be ultettem, ki probalom majd es ha nem muxik u`hogy kell akkor kiprobalom igyis ugyis,.. Vagy kozeputat valasztok; 15kohm mindenhova,..
Amgy meg egy kep a TDA7375 -rol, kondicsere utan; amikor occedobtam epen nem volt ujj de ki szerettem volna probalni, hasznaltakat tettem bele, s zavarta az elmem ki kellet csereljem oket ujjra, na meg a sorkapocs ;o))
Amgy van egy kerdesem; az alabbi kepen fent van 3db TDA es mindenik mas es mas pedig egy uzletbol van,.. Szerintetek melyik hamisitvany? vagy eredeti mindenik, es csak ugy vannak ilyen elnyomtatasok,.. Mind a harom ST marjkaju es igy kovetkeznek az elirasok,.. (a kepen is ilyen sorrendben vannak, ja es a kozepso amit kiuttetem az megegyezik azzal ami az aramkorben van,.. ) 1# TDA 7375 / 6883D0046 / Singapore 2# TDA 7375 / 88063629 / Vb 88 SGP 3# TDA 7375 / 6883A0130 / Singapore (es meg azt figyeltem meg, h az elso kettonek + ami az aramkorben van, a ket kis karikaban a kapszulan betu es szam van az utolsonak nincs)
Elkészültem a Vicsys-féle timeremmel. A panelt átterveztem hogy szendvics-szerkezetűre lehessen összerekni, ne kelljen kábelezni, meg mert másféle kijelzőm és relém volt.
Nagyon jól funkcionál. Kocsiba lesz, hogy reggel automatán bekapcsolja az ülés-és ablakfűtéseket... Akkor a képek:
DarkX-nek van igaza, 20k a vízszintes és 10k a függőleges pozíciókba.
A "15k mindenhova" kicsit durva közelítése a 10k és 20k-nak. Ez így egy 8 bites D/A átalakítót alkot, amihez igazából 0,5%-os ellenállások kellenének minimum. A szokásos 1%-os is már csak közelítés. Ha nem így szereled, akkor nem fog működni...
Ok! Koszi szepen! Akkor forr ki es 10k -okat helyebe! Ja es a kristalyrol mi a velemenyetek? Tehetnek helyebe 11 v 12 Mhz -est amig nemkapok vhonna 11.0592 Mhz -est,..
Bocsánat hogy téves információt közöltem
De legalább enyivel is okosabb lettem
Csecse lett!
Idézet: Hogy ez nekem miért nem jutott eszembe??!! „reggel automatán bekapcsolja az ülés-és ablakfűtéseket”
Lehet hogy nem ilyen komfortfokozatú a kocsid?
Köszi!
Tényleg, el is felejtettem, hátha jól jön még valakinek, a .lay fájl. Én sokkal jobban szeretem a szendvicspanelt, mint kábelezni. Tüskesorom nem lévén, most alkatrészlábakkal kötöttem össze a 2 panelt, de így is jó lett, sőt talán jobb is, mert a belső átvezetéseknél nehezen tudtam volna összeforrasztani középen a 2 tüskesort. Ez VQE13 vagy VQE23 kijelzőhöz való. Ezt gyakran lehet bontani, és olcsón is lehet kapni. A harmadik táblán van rajta normálisan a nyák, a másodikon 2db belőle, nyomtatáshoz, az elsőn az eredeti Vic-féle verzió. A kocsiba kap még egy 10.000µF-os elkót a stabic után, hogy indításkor se felejtse az órát..
nekem nem müködik Sprint-Layout alatt a csatolt fájl!!
Mien progi kell hozzá??
Valszeg 5,0, mert 4,0 alatt nekem se megy.
5.0-ban szerkesztettem, elképzelhező hogy nem viszi a 4.0. Többször megadtam már a SprintLayout5.0 teljes verzió letöltési linkjét, csak illegalitási okokból nem maradhatott kint, akit érdekel, keressen meg priviben...
Hali!
Kellene az ötletetek! A suliban idén kapok elvileg technikus minősítést... de! Kellene valami ötlet, hogy milyen munkát mutassak be technikus vizsgára, hogy ne azt kelljen építenem, amit majd a vizsgán a suli tűz ki célnak! Ha építenék addig valami olyat, amit a suli elfogad, felmentenének ötössel a gyakorlati vizsga alól, de igazából nem is ezért érdekelne... Volt ilyen tavaly, hogy srác Opel Astrába műszerfalat épített, 2 db PIC-el, és hétszegmenses kijelzőkön mutatja a sebességet, km, vízhőfok stb..., ledekkel a fordulatot stb... Na valami hasonló kellene, PIC legyen benne, hétszegmensesek, esetleg LCD, na és a lényeg, hogy a hétköznapokban is hasznát vegyem Csak egyszerűen semmit nem tudok kitalálni! Ja mellesleg a képen az itt fentlévő forrasztóállomás van, csak kijelzés pontatlan! Ha esetleg valaki megépítette, szívesen venném a segítségét a beállításban! Lemérhetne nekem egy két dolgot
Építs rádiós modulokkal és PIC-kel felépített digit. hőmérőt...olyat, ami kinti és benti hőmérsékleteket is kijelez...
mit szólnál egy kis időjárásállomáshoz?kinti benti hőmérséklet, rádiós vevőn kommunikálna...esetleg a napi/heti átlaghoz képesti eltérést is mutathatná.
edit: látom norbertoval egyre gondoltunk. |
Bejelentkezés
Hirdetés |




Valakinek valami otlet? 













