Fórum témák
» Több friss téma |
- Ez a felület kizárólag, az elektronikában kezdők kérdéseinek van fenntartva és nem elfelejtve, hogy hobbielektronika a fórumunk!
- Ami tehát azt jelenti, hogy a nagymama bevásárlását nem itt beszéljük meg, ill. ez nem üzenőfal! - Kerülendő az olyan kérdés, amit egy másik meglévő (több mint 17000 van), témában kellene kitárgyalni! - És végül büntetés terhe mellett kerülendő az MSN és egyéb szleng, a magyar helyesírás mellőzése, beleértve a mondateleji nagybetűket is!
Nem tudom, hogy mekkora a teljesítménye, nincs meg az adattáblája. Olyan 800W körül lehet.
Olyan sokat nem akarok rá költeni, mert lehet hogy nem ér annyit az egész. Akkor megpróbálok majd valami hasonló méretű sütő fűtőszálat belealakítani. Köszönöm a választ !
Üdv!
Akkor úgy kérdezném meg ami érdekel,hogy egy ellenállásról hogyan tudom megállapítani,hogy hány wattos? Az gyakorlatilag mindegy,hogy milyen anyagút használok eme kis feszültségű áramkörben?? Előre is köszi,ha valaki érdemi infót nyújt!
Hello! Elsőként a katalógus adatlapjából tudod meg az ellenállás terhelhetőségét. Természetesen lehet rá következtetni a méretéből is. De az ellenállás tűrése (pontossága) is befolyásolja annak méretét. Pontosabb ellenállásnak nagyobb a mérete is. Ráadásul, nem sok terhelhetőségű típust gyártanak, mert igény sincs annyi félére. Hogy mi a szükséges teljesítmény, azt csak az áramkör számolgatása alapján tudhatod meg. De ha csak a tápfeszültséget veszed figyelembe, akkor is lehet értékelni, hiszen a P=U^2/R képlet átrendezése után meghatározható, hogy adott tápfesz esetén,mi az a legkisebb értékű ellenállás, ami még nem terhelhető túl. Természetesen a jó megoldás nemez, hanem a konkrét áramkörben az ellenállásra eső teljesítmény egyenkénti meghatározása.
Az ellenállás anyagával összefügg a hőmérséklet hatásának nagysága, a zaj amit kelet, és még számos paraméter. Egy fémréteg ellenállás általában megbízhatóbb, mint egy szénréteg. Egyszerű áramkörben a kettő típus választása között nincs eltérés. üdv! A hozzászólás módosítva: Máj 31, 2013
Köszönöm szépen,ez igazán kimerítő válasz volt.Egy lépéssel közelebb kerültem a "megoldáshoz". Eddig csak bementem a boltba,és adtak amit adtak..Előző oldalon tettem fel fotókat a jelenleg használatos ellenállásokról. Igazából ha neten rendelném,jóval olcsóbban kapnám meg,ezért kell a segítség. A boltban 25 ft. körül árulják,de a tme.eu-nál pár forint darabja. Ha csak 5 db kellene akkor nem érdekelne,de sok-sok kell.
A hozzászólás módosítva: Máj 31, 2013
Sziasztok! Segítséget kérek. 32-es LG lcd tévém miután áramot kap,és a távirányítóval bekapcsolom, nem kapcsol be.Egy pillanatra zöld a led,de visszavált pirora.Úgy kezdődött, hogy bekapcsolás után egymás után többször kikapcsolt.
Helo!
Próbáld meg, hogy szétszeded, a tápot megnézed, nem-e látsz rajta valami sérülést, égést, eldurant alkatrészt. Ha nem, akkor válaszd le a vezérlőpanelt, és helyezd áram alá. Ha a képernyő elindul, akkor szerintem elég valószínű a vezérlő panel csere. Ha nem indul, akkor viszont a táppal lesznek gondok. Természetesen ha nem garanciális. És vigyász mert könnyen megráz az áram. A hozzászólás módosítva: Máj 31, 2013
Köszönöm a segítséget. Több áramköri elem működését is ismerem, érdekes módon a tranzisztor(és barátai) mindig is homályba burkolózott. De szépen lassan kezdem megérteni, mit is tud.
Látod ezt nem tudom, biztos lehet taláni online piactereken, de a kugli biztosan segít.
Azt elfelejtettem írni, hoggy a kijelzőn a háttér világítást nézd, mert a vezérlő panel hiányában sok képet nem fog mutatni.
Szia!
Eddigi tapasztalatom alapján a barna, vajszínű, vagy szürke mázzal bevont ellenállások szénrétegesek, a zöld, vagy kék pedig fémréteg. A másik szempont a gyűrűk száma. Az 5 gyűrűs, azaz pontosabb kivitel valószínűleg fémréteg. De lehet, hogy van kivétel, vagy a szín csak annyit jelent, hogy kb mikor gyártották. Az alkalmazott agyagok és színek ugyanis a technológiával és a divattal változnak. Eddig én sem fordítottam nagy figyelmet a megkülönböztetésre, mert nem volt rá szükségem. Teljesítmény szempontjából a képen mutatott kicsi ellenállások tippem szerint 1/8 vagy 1/4 Wattosak. Fémrétegből az ugyanilyen méretűt talán 1/4 vagy 1/2 Wattosként adják, bár fél Wattot én nem eresztenék rájuk, mert ha ki is bírják, nagyon forrósodnának. Hát, kb ennyi. Ha nagy hülyeséget mondtam, remélhetőleg kijavít valaki.
Legszívesebben én is ilyesmit használnék, de vagy az árral van baj, vagy a beszerezhetőséggel. Plusz ezt valahogy úgy szeretném csinálni, hogy relatíve gyorsan összedobható, de megbízható és egyszerű legyen. Még akkor is, ha nem elegáns. És főleg olcsó.
Szia!
Köszi, de az ötletes fetes elgondolás alapja sajnos nem az enyém. Először én is a Graetz hidas dologra gondoltam. Mostanra már én is a nullátmenetben gondolkodok még akkor is, ha maradnak a fetek. A végére vagy nem lesz belőle semmi, vagy olyan kitekert lesz, hogy meg sem merem majd mutatni. ![]() A háttértörténet egyébként az, hogy meghalt a hűtőnk termosztátja, és jelenleg nem tűnik gazdaságosnak a cseréje. Így most egyfolytában megy, és sorra fagy meg benne minden. Időm nem nagyon van elballagni az elektronika boltba, meg kedvem sincs 500 Ft-ért venni BT137-est, vagy valamit, ami éppen van helyette. Van viszont itthon egy marék bontott MOSFET, meg miegymás, szóval inkább kitalálok valami cifra kapcsolást. Aztán ha mégis lesz valahonnan pár napon belül termosztát, akkor a probléma megoldva. Hőmérőnek pár sorba kötött 1n4148-ast álmodtam meg mondjuk konstans 200uA-rel meghajtva, TL072-vel, vagy LM324-gyel kialakított hiszterézises komparátorral (és persze optocsatolón keresztül kapcsolgatná a feteket). Aztán a billenési feszültséget meg a hiszterézist majd tapasztalati úton belövöm. Szerintetek megoldható így pár fok pontossággal?
Lesz-e majd folytatva a kezdőknek szóló cikksorozat és az alapkapcsolások?
![]() A hozzászólás módosítva: Jún 1, 2013
Köszi a választ! A nagy Ic-n látom a bevágást és ugye baloldalról kezdődik a számozás.De az Smd-t megnéztem nagyítóval is de nem látok ott pöttyöt " alul van nálad éppen. " ahogy írtad. ,de még bevágást sem .Üdv.
A hozzászólás módosítva: Jún 1, 2013
Írtam, hogy az 1-es lábhoz tartozó oldal kicsit le van csapva. Ezen a képen jól látszik a ferdén levágott tokél.
Ezt értem,és köszönöm.Csak létezik hogy az ami az én kezemben van hogy nincs így lecsapva meg se pötty se bevágás? Kettőt már beforrasztottam remélem jó lesz
![]()
Nézd meg az adatlap 14.-ik oldalán lévő tokozási rajzot.
Köszönöm,most már valóban kezdek képben lenni,lehet kicsit túl is reagáltam a témát.Akkor nyugodtan megvehetem az 0,8-1W körüli ellenállást,mert a kis áramkörhöz bőven megfelel?
Sziasztok!
A Csabai Dániel: Hangtechnika amatőröknek c. könyvben található kapcsolások milyen minőségűek? A leírásuk általában jó paramétereket ad meg. Valaki megépített valamilyen benne található kapcsolást?
Általános esetben a legtöbb helyre megfelel az 1/4, 1/2 W -os ellenállás olyannyira, hogy ezt külön nem is szokás jelezni. Ha ezeknél nagyobbra ritkán van szükség, azt külön jelezni szokták a kapcsolási rajzon, de ki is számolhatod, ha Te tervezed az áramkört.
Köszi a segítséget! Sajnos nem vagyok szakértője az elektronikának,ezért nem biztos,hogy ki tudnám pontosan számolni,hogy hová mekkora kell-wattra-de eddig amiket a boltban adtak,megfeleltek.Majd ott megkérdezem a pontos adatait az ellenállásnak,és úgy rendelem meg a netről. Valószínűleg az 1/2-es jó lesz....
Egy kapcsolási rajzról csak nagyjából lehet eldönteni, hogy milyen lesz, ha megépíted. A puding próbája az evés, építsd meg, és meglátod milyen lesz. A szerző valószínűleg megépített, és bemért példányokat válogatott a könyvébe, mert enélkül elég rizikós a dolog. Úgyhogy szerintem megbízhatsz benne.
Az ellenálláson megjelenő teljesítményt:
P= I2*R, = U2/R, =U*I képletekkel számolhatod. Nézegess adatlapokat, pl. ha a HEStore kínálatában kikeresed a neked szükséges ellenállást, akkor némelyikhez adatlapot is találsz. Az ellenállásokat szabványos értéksorozatokban gyártják, egy típuson belül (pl. fémréteg) az adatok általában azonosak. Kivételek a precíziós ellenállásoknál szokott lenni. Használj fémréteg ellenállásokat, ma már szinte nem is gyártanak mást.
Sziasztok!
Azt szeretném megérdezni hogy a televizióbol hogy lehet kiszedni a mágnes által okozót szinprobélmákat?
Kikapcsolod a TV-t. Kihúzod a konnektorból. 20-30 perc múlva visszadugod és bekapcsolod.
Helló!
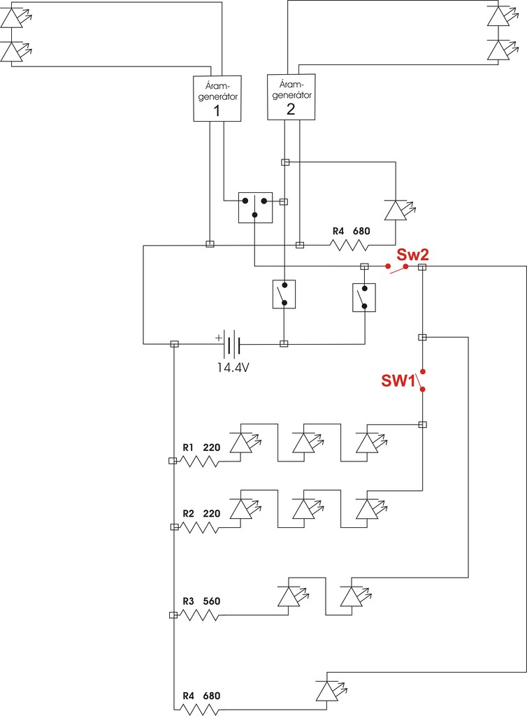
Az áramgenerátorról nem találtam rajzot, csak az IC-ről van adatlap. Erről az áramgenerátorról van szó. (Nem tudom, hogy ezzel segítettem-e...) Készítettem egy rajzot az egész tervezett rendszerről. Nem túl profi, de a "kezdő" topicban vagyunk. ![]() Az elképzelésem a következő: Ha az egyes számú áramgenerátor feszültséget kap, akkor az SW1 "kapcsolónál" nyisson az áramkör. Ha pedig a kettes számú áramgenerátor kap feszültséget, akkor az SW2 pontnál nyisson. Ha egyik áramgenerátor sem kap áramot, akkor mind a két (SW1,SW2) "kapcsoló" zárva legyen. Úgy gondoltam, hogy elég lenne csak a 14,4 voltos táp, mert azoknál a LED-eknél, amiket nem áramgenerátor hajt, meg lehetne oldani előtét ellenállással. Remélem, sikerült érthetően összefoglalnom, hogy mit is szeretnék. ![]() Előre is köszönöm a segítséget! Üdv!
Sziasztok!
Ismét van egy kis időm elmélkedni ![]() Ugye a teljesítmény számítás alap képlete P=U*I Váltakozó feszültség esetén ezt még meg kell toldani cos(fi)-vel. A fogyasztó legyen egy ellenállás. Ekkor azt szokták mondani, hogy cos(fi)=1 vagyis nem kell vele számolni. De én úgy gondolom, hogy az sem 1. Max. 0,99. Persze szőrszál hasogatás, de mégis. Nincsenek veszteségek?
Helló blackdog!
1. A képletből számított teljesítmény a veszteségeket is tartalmazza. 2. A cosfi nem a veszteséget jelöli, hanem a meddőt |
Bejelentkezés
Hirdetés |